+7 (701) 588 50 05 Телефон для связи
RU

WhatsApp

Позвонить

00 ДЕТАЛИ ДВИГАТЕЛЯ в Алматы

ЖГУТ ПРОВОДОВ

ЖГУТ ПРОВОДОВ

1Артикул: 65.29101-6184C, WIRE;ELECTRIC
2Артикул: 310208-00430, WIRE,ELECTRIC
3Артикул: 06.01913-2911, BOLT ASS`Y M6X16
Подробнее >
033 INJECTION PUMP

033 INJECTION PUMP

1Артикул: 400912-00030, INJECTION PUMP ASS`Y
2Артикул: 400912-00030A, INJECTION PUMP ASS`Y
3Артикул: 65.96501-0428, . O-RING
Подробнее >
ПРИВОД РАСПРЕДЕЛИТЕЛЬНОГО ВАЛА

ПРИВОД РАСПРЕДЕЛИТЕЛЬНОГО ВАЛА

1Артикул: 65.04501-0017, GEAR;CAM SHAFT
2Артикул: 65.90020-0117, BOLT;COLLARED HEX
3Артикул: 65.04505-5018, GEAR;IDLE
Подробнее >
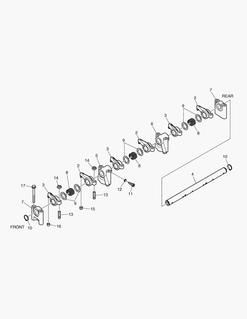
КОРОМЫСЛО КЛАПАНА

КОРОМЫСЛО КЛАПАНА

1Артикул: 65.04200-6038D, ROCKER ARM SHAFT ASS`Y
2Артикул: 65.04201-5042C, ROCKER ARM;INTAKE
3Артикул: 65.04201-5043C, ROCKER ARM;EXHAUST
Подробнее >
МАХОВИК

МАХОВИК

1Артикул: 150111-00049, FLYWHEEL SUB ASS`Y
2Артикул: -, . FLYWHEEL ASS`Y
3Артикул: 65.02301-0294, .. FLYWHEEL
Подробнее >
040 EGR

040 EGR

1Артикул: 400202-00004C, COOLER;EGR
2Артикул: 400202-00004D, COOLER,EGR
3Артикул: 400620-00003, GASKET;EGR COOLER
Подробнее >
048 OVERHAUL GASKET KIT - ALL

048 OVERHAUL GASKET KIT - ALL

1Артикул: 400632-00048, GASKET KIT,ALL OVERHAUL
2Артикул: 65.01903-0034, GASKET
3Артикул: 65.38901-0018A, GASKET;PTO
Подробнее >
ВЕНТИЛЯТОР ОХЛАЖДЕНИЯ

ВЕНТИЛЯТОР ОХЛАЖДЕНИЯ

1Артикул: 06.01913-3213, BOLT ASS`Y M10X20
2Артикул: 130709-00020A, PULLEY;FAN
3Артикул: 210101-00101, FAN DRIVE ASS`Y
Подробнее >
КРЫШКА ГОЛОВКИ ЦИЛИНДРА

КРЫШКА ГОЛОВКИ ЦИЛИНДРА

1Артикул: 150106-00064, CYL. HEAD COVER ASS`Y
2Артикул: 65.90020-0109, BOLT;COLLARED HEX
3Артикул: 65.03905-0037A, GASKET;HEAD COVER
Подробнее >
011 PISTON

011 PISTON

1Артикул: 130602-00239, PISTON
2Артикул: 130602-01472, PISTON; GRADE A
3Артикул: 130602-01473, PISTON; GRADE B
Подробнее >
035 INJECTION PUMP DRIVE

035 INJECTION PUMP DRIVE

1Артикул: 65.11301-0042, GEAR;INJECTION PUMP DRIVE
Подробнее >
КАРТЕР РАСПРЕДЕЛИТЕЛЬНЫХ ШЕСТЕРЕН

КАРТЕР РАСПРЕДЕЛИТЕЛЬНЫХ ШЕСТЕРЕН

1Артикул: 130405-00027A, CASE;TIMING GEAR
2Артикул: 130405-00079, TIMING GEAR CASE
3Артикул: 130405-00079A, TIMING GEAR CASE
Подробнее >
КАРТЕР МАХОВИКА

КАРТЕР МАХОВИКА

1Артикул: 150114-00098A, FLYWHEEL HOUSING ASS`Y
2Артикул: 150114-00142, . HOUSING,FLYWHEEL
3Артикул: 65.01414-0004A, . COVER
Подробнее >
ТУРБОНАГНЕТАТЕЛЬ

ТУРБОНАГНЕТАТЕЛЬ

1Артикул: 150105-00057, TURBO CHARGER ASS`Y
2Артикул: 400629-00009, GASKET;TURBOCHARGER
3Артикул: 65.90535-0001, NUT
Подробнее >
022 OIL PAN

022 OIL PAN

1Артикул: 65.05801-5249, PAN;OIL
2Артикул: 65.05904-0035, GASKET;OIL PAN
3Артикул: 400604-00026, GASKET,OIL PAN
Подробнее >
САЛЬНИК

САЛЬНИК

1Артикул: 65.01501-5003A, COVER;SEALING
2Артикул: 65.01510-0157, SEAL;OIL(FRONT)
3Артикул: 65.01905-0009, GASKET
Подробнее >
УСТАНОВКА ГЕНЕРАТОРА ПЕРЕМЕННОГО ТОКА

УСТАНОВКА ГЕНЕРАТОРА ПЕРЕМЕННОГО ТОКА

1Артикул: 110403-00047A, BRACKET;ALTERNATOR
2Артикул: 06.01923-3228, BOLT
3Артикул: 120117-00047, BOLT;STUD
Подробнее >
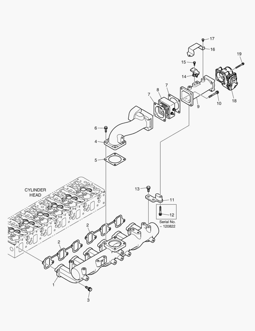
028 INTAKE MANIFOLD

028 INTAKE MANIFOLD

1Артикул: 240203-00016A, MANIFOLD;INTAKE
2Артикул: 65.08902-0030A, GASKET;MANIFOLD
3Артикул: 06.01923-3218, BOLT ASS`Y M10X35
Подробнее >
024 THERMOSTAT

024 THERMOSTAT

1Артикул: 300738-00009A, THERMOSTAT ASS`Y
2Артикул: 110980-00021A, . HOUSING;THERMOSTAT
3Артикул: 300738-00010, . THERMOSTAT
Подробнее >
МАСЛЯНЫЙ ПУЛЬВЕРИЗАТОР

МАСЛЯНЫЙ ПУЛЬВЕРИЗАТОР

1Артикул: 65.01601-5020, OIL SPRAY NOZZLE ASS`Y
2Артикул: 65.05401-5031, RELIEF VALVE ASS`Y
Подробнее >
ШКИВ ВАЛ КРИВОШИПА

ШКИВ ВАЛ КРИВОШИПА

1Артикул: 130711-00001A, PULLEY;CRANKSHAFT
2Артикул: 65.90701-0099, WASHER
3Артикул: 06.02106-0723, BOLT;SOCKET
Подробнее >
ВОЗДУШНЫЙ КОМПРЕССОР

ВОЗДУШНЫЙ КОМПРЕССОР

1Артикул: 65.90310-0135, PLUG;SCREW
2Артикул: 06.56190-0705, RING;SEAL
Подробнее >
ТРУБА ВОЗДУХОЗАБОРНИКА

ТРУБА ВОЗДУХОЗАБОРНИКА

1Артикул: 420209-00069, PIPE,INLET
2Артикул: 65.96301-0263, HOSE
3Артикул: 06.67020-0109, CLAMP;HOSE
Подробнее >
017 VALVE TAPPET & PUSH ROD

017 VALVE TAPPET & PUSH ROD

1Артикул: 65.04301-5003C, TAPPET;VALVE
2Артикул: 65.04302-5015, ROD;PUSH
3Артикул: 150123-00143, PUSHROD
Подробнее >
044 SENSOR & SWITCH

044 SENSOR & SWITCH

1Артикул: 301308-00036, SENSOR;AIR FLOW
Подробнее >
РАСПРЕДЕЛИТЕЛЬНЫЙ ВАЛ

РАСПРЕДЕЛИТЕЛЬНЫЙ ВАЛ

1Артикул: 65.04401-0046, CAM SHAFT
2Артикул: 06.22022-1016, PIN;DOWEL
3Артикул: 65.90720-0032, WASHER;THRUST
Подробнее >
ВПРЫСКИВАЮЩЕЕ СОПЛО

ВПРЫСКИВАЮЩЕЕ СОПЛО

1Артикул: 400903-00036, INJECTOR ASS`Y
2Артикул: 65.96501-0437, . O-RING
3Артикул: 65.96507-0053, RING;SEAL
Подробнее >
МАСЛЯНЫЙ НАСОС

МАСЛЯНЫЙ НАСОС

1Артикул: 65.05100-6063A, OIL PUMP ASS`Y
2Артикул: -, . HOUSING;OIL PUMP
3Артикул: 65.05104-0023, . GEAR;OIL PUMP
Подробнее >
013 CYLINDER HEAD

013 CYLINDER HEAD

1Артикул: 150113-00009, CYLINDER HEAD ASS`Y
2Артикул: 150113-00009A, HEAD ASSY,CYLINDER
3Артикул: -, . HEAD;CYLINDER
Подробнее >
САЖЕВЫЙ ФИЛЬТР ДИЗЕЛЬНОГО ТОПЛИВНОГО ГЛУШИТЕЛЯ

САЖЕВЫЙ ФИЛЬТР ДИЗЕЛЬНОГО ТОПЛИВНОГО ГЛУШИТЕЛЯ

1Артикул: 240103-00362, DPF MUFFLER SUB ASS`Y
2Артикул: 240103-00180A, DPF MUFFLER ASS`Y
3Артикул: 240103-00363, . MUFFLER;DOC
Подробнее >
ТРУБА ВОДЯНОГО ОХЛАЖДЕНИЯ

ТРУБА ВОДЯНОГО ОХЛАЖДЕНИЯ

1Артикул: 600102-00001, CONNECTION
2Артикул: 420211-00039A, PIPE;COOLING WATER
3Артикул: 65.98130-0143, ADAPTER
Подробнее >
СИСТЕМА САПУНА

СИСТЕМА САПУНА

1Артикул: 110436-00094, BRACKET,BREATHER PIPE
2Артикул: 06.01923-3114, BOLT
3Артикул: 110972-00036, HOUSING;BREATHER
Подробнее >
БЛОК ЦИЛИНДРОВ

БЛОК ЦИЛИНДРОВ

1Артикул: 150102-00004A, CYLINDER BLOCK ASS`Y
2Артикул: 150102-00004C, BLOCK ASSY,CYLINDER
3Артикул: 150102-00004D, BLOCK ASS`Y,CYLINDER
Подробнее >
027 EXHAUST MANIFOLD

027 EXHAUST MANIFOLD

1Артикул: 240102-00096, EXHAUST MANIFOLD ASS`Y
2Артикул: 240102-00097, . MANIFOLD;EXHAUST
3Артикул: 240102-00098, . MANIFOLD;EXHAUST
Подробнее >
МОНТАЖ ДВИГАТЕЛЯ

МОНТАЖ ДВИГАТЕЛЯ

1Артикул: 110427-00162A, BRACKET,ENGINE MOUNTING
2Артикул: 110427-00162B, BRACKET,ENGINE MOUNTING
3Артикул: 06.01924-3217, BOLT ASS`Y M10X30
Подробнее >
МОДУЛЬ ДОЗАТОРА

МОДУЛЬ ДОЗАТОРА

1Артикул: 300630-00013, INJECTION UNIT ASS`Y
2Артикул: 400602-00270, . GASKET;INJECTION UNIT
3Артикул: 06.01923-3121, BOLT;HEX. M8X50
Подробнее >
VIBRATION ВИБРАЦИОННЫЙ ДЕМПФЕР

VIBRATION ВИБРАЦИОННЫЙ ДЕМПФЕР

1Артикул: 65.02201-0002, DAMPER;VIBRATION
2Артикул: 65.90020-0062B, BOLT;HEX M10X20
Подробнее >
БЛОК УПРАВЛЕНИЯ ДВИГАТЕЛЕМ

БЛОК УПРАВЛЕНИЯ ДВИГАТЕЛЕМ

1Артикул: 970301-00590, ECU;DL200-3
2Артикул: 65.27103-7014, SENSOR;CRANK CAM SPEED
3Артикул: 65.11308-0005, SHIM
Подробнее >
021 OIL COOLER & FILTER

021 OIL COOLER & FILTER

1Артикул: 65.05601-7082, OIL COOLER ASS`Y
2Артикул: 65.05604-0030A, . HOUSING;OIL COOLER
3Артикул: 65.05606-5032A, . ELEMENT;OIL COOLER
Подробнее >
015 VALVE

015 VALVE

1Артикул: 65.04101-0065B, VALVE,INTAKE
2Артикул: 65.04101-0066B, VALVE,EXHAUST
3Артикул: 65.04102-0024, SPRING,VALVE
Подробнее >
049 OVERHAUL GASKET KIT - TOP

049 OVERHAUL GASKET KIT - TOP

1Артикул: 400632-00049, GASKET KIT,TOP OVERHAUL
2Артикул: 65.03901-0071, GASKET;CYLINDER HEAD
3Артикул: 65.03905-0037A, GASKET;HEAD COVER
Подробнее >
КОЛЕНЧАТЫЙ ВАЛ

КОЛЕНЧАТЫЙ ВАЛ

1Артикул: 65.02101-0069A, CRANK SHAFT
2Артикул: 06.22022-1018, PIN;DOWEL
3Артикул: 65.02115-0016, GEAR;CRANKSHAFT
Подробнее >
ТОПЛИВНЫЙ ФИЛЬТР

ТОПЛИВНЫЙ ФИЛЬТР

1Артикул: 65.12501-7042C, FUEL FILTER ASS`Y
2Артикул: 400403-00129, FILTER ASSY,FUEL
3Артикул: 400403-00272, FILTER ASSY,FUEL
Подробнее >
ВПРЫСКИВАЮЩАЯ ТРУБА

ВПРЫСКИВАЮЩАЯ ТРУБА

1Артикул: 420208-00003, PIPE;INJECTION
2Артикул: 420208-00004, PIPE;INJECTION
3Артикул: 420208-00005, PIPE;INJECTION
Подробнее >
036 FUEL LINE

036 FUEL LINE

1Артикул: 420406-00606A, FUEL TUBE ASS`Y
2Артикул: 420406-00607, FUEL TUBE ASS`Y
3Артикул: 420108-00587, HOSE,RUBBER,RING JOINT
Подробнее >
043 STARTER

043 STARTER

1Артикул: 300516-00039, STARTER ASS`Y
2Артикул: 06.01953-3318, BOLT ASS`Y M12X1.5X35
3Артикул: 06.01953-3320, BOLT ASS`Y
Подробнее >
СОЕДИНИТЕЛЬНАЯ ТЯГА

СОЕДИНИТЕЛЬНАЯ ТЯГА

1Артикул: 65.02401-6035, CONNECTING ROD ASS`Y
2Артикул: 150121-00268, ROD ASSY,CONNECTING
3Артикул: 150121-00268A, ROD ASSY,CONNECTING
Подробнее >
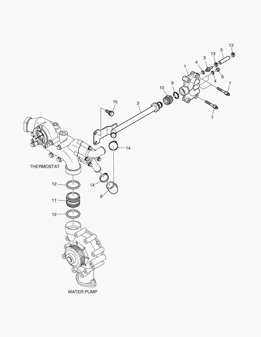
025 WATER PUMP

025 WATER PUMP

1Артикул: 400921-00015B, WATER PUMP ASS`Y
2Артикул: 400923-00005A, . HOUSING;WATER PUMP
3Артикул: 65.93410-0087, . BEARING
Подробнее >
ПОДЪЕМНЫЙ КРЮК

ПОДЪЕМНЫЙ КРЮК

1Артикул: 120404-00051, HOOK;LIFTING
2Артикул: 120404-00032, HOOK;LIFTING
3Артикул: 06.01924-3217, BOLT ASS`Y M10X30
Подробнее >