+7 (701) 588 50 05 Телефон для связи
RU

WhatsApp

Позвонить

00 ДЕТАЛИ ДВИГАТЕЛЯ в Алматы

УРАВНИТЕЛЬНЫЙ ВАЛ

УРАВНИТЕЛЬНЫЙ ВАЛ

1Артикул: 160609-02597, FRAME;SHAFT BALANCE
2Артикул: 120501-02050, . PIN,DOWEL
3Артикул: 430221-00589, . PLUG,SCREW
Подробнее >
ПРИВОД РАСПРЕДЕЛИТЕЛЬНОГО ВАЛА

ПРИВОД РАСПРЕДЕЛИТЕЛЬНОГО ВАЛА

1Артикул: 150103-00099, CAMSHAFT
2Артикул: 120501-02044, PIN 10x25
3Артикул: 130712-00770, SHAFT ASSY
Подробнее >
054 HARNESS LORRIES

054 HARNESS LORRIES

1Артикул: 310401-02294, CABLE SET
2Артикул: 301310-00029, . SENSOR,SPEED;ROTATIONAL
3Артикул: 301310-00030, . SENSOR,SPEED;ROTATIONAL
Подробнее >
ТЕРМОСТАТ и КОРПУС

ТЕРМОСТАТ и КОРПУС

1Артикул: 110980-00065, HOUSING,THERMOSTAT
2Артикул: 300738-00088, THERMOSTAT
3Артикул: 400602-00461, GASKET
Подробнее >
БЛОК ЦИЛИНДРОВ

БЛОК ЦИЛИНДРОВ

1Артикул: 150102-00701, BLOCK,CYLINDER
2Артикул: -, . CAP
3Артикул: 110949-00316, . SLEEVE,GUIDE
Подробнее >
МАСЛЯНЫЙ НАСОС

МАСЛЯНЫЙ НАСОС

1Артикул: 400915-00279, PUMP,OIL
2Артикул: 120705-00733, . SCREW;FLANGE
3Артикул: 120705-00786, . SCREW;FLANGE
Подробнее >
МЕХАНИЗМ ОТБОРА МОЩНОСТИ

МЕХАНИЗМ ОТБОРА МОЩНОСТИ

1Артикул: 130707-00492, PULLEY,BELT
2Артикул: 110949-00658, SLEEVE,SPACER
3Артикул: 430215-01039, FLANGE,FAN
Подробнее >
050 ALTERNATOR

050 ALTERNATOR

1Артикул: 300901-00071, ALTERNATOR
2Артикул: 130707-00263, . PULLEY,ALTERNATOR
3Артикул: 400825-00047, . REGULATOR;CHARGE
Подробнее >
035 WATER PUMP

035 WATER PUMP

1Артикул: 400921-00194, PUMP,WATER
2Артикул: -, HOUSING;PUMP
3Артикул: 400602-00464, GASKET
Подробнее >
ГИДРОЛИЗ КАТАЛИТИЧЕСКИЙ НЕЙТРАЛИЗАТОР

ГИДРОЛИЗ КАТАЛИТИЧЕСКИЙ НЕЙТРАЛИЗАТОР

1Артикул: 420203-00265, PIPE,EXHAUST;DOC
2Артикул: 120203-00115, CLAMP;EXHAUST
3Артикул: 120501-03019, PIN,LOCK
Подробнее >
057 EGR SYSTEM

057 EGR SYSTEM

1Артикул: 420203-00469, PIPE,EXHAUST
2Артикул: 400602-00731, GASKET
3Артикул: 120106-00653, BOLT,HEX
Подробнее >
052 ELECTRONIC CONTROL UNIT

052 ELECTRONIC CONTROL UNIT

1Артикул: 300618-00035, ECU;EMS
2Артикул: 120705-00731, SCREW;FLANGE
3Артикул: 120705-00706, SCREW
Подробнее >
ФЛАНЦЕВАЯ ТРУБА

ФЛАНЦЕВАЯ ТРУБА

1Артикул: 420210-00866, PIPE;FLANGE
2Артикул: 430221-00575, PLUG
3Артикул: 401002-00695, RING,O
Подробнее >
МЕХАНИЗМ ОТБОРА МОЩНОСТИ(1)

МЕХАНИЗМ ОТБОРА МОЩНОСТИ(1)

1Артикул: 401002-00696, RING,O
2Артикул: 130418-00361, GEAR
3Артикул: 111104-00238, RING,RETAINING
Подробнее >
КРЫШКА РАСПРЕДЕЛИТЕЛЬНЫХ ШЕСТЕРЕН

КРЫШКА РАСПРЕДЕЛИТЕЛЬНЫХ ШЕСТЕРЕН

1Артикул: 110508-17168, COVER,FRONT
2Артикул: 401107-01135, . SEAL
3Артикул: 120501-02046, PIN
Подробнее >
МЕХАНИЗМ ОТБОРА МОЩНОСТИ(2)

МЕХАНИЗМ ОТБОРА МОЩНОСТИ(2)

1Артикул: 110508-08912, COVER
2Артикул: 120408-00083, STUD
3Артикул: 120305-00030, NUT,FLANGE
Подробнее >
026 OIL COOLER

026 OIL COOLER

1Артикул: 110508-19590, COVER ASSY
2Артикул: 110508-08907, . COVER
3Артикул: 400602-00451, . GASKET
Подробнее >
УКАЗАТЕЛЬ УРОВНЯ МАСЛА

УКАЗАТЕЛЬ УРОВНЯ МАСЛА

1Артикул: 430215-01033, FLANGE
2Артикул: -, . FLANGE
3Артикул: -, . PIPE,COOLING
Подробнее >
ДОЗИРОВОЧНЫЙ НАСОС - SCR

ДОЗИРОВОЧНЫЙ НАСОС - SCR

1Артикул: 400916-00322, PUMP ASSY;DOSAGE
2Артикул: 110910-00452, CAP;VENTILATION
3Артикул: 400406-00577, FILTER ASSY;DOSAGE
Подробнее >
038 ACCUMULATOR

038 ACCUMULATOR

1Артикул: 400804-00065, ACCUMULATOR ASSY
2Артикул: 120203-00298, CLAMP
3Артикул: 120501-02052, PIN,LOCK
Подробнее >
ДОЗИРОВОЧНЫЙ НАСОС ТРУБОПРОВОДА

ДОЗИРОВОЧНЫЙ НАСОС ТРУБОПРОВОДА

1Артикул: 110508-11421, COVER
2Артикул: 120705-00699, SCREW
3Артикул: 110411-00252, BRACKET
Подробнее >
ДОЗАТОР ВОССТАНОВИТЕЛЯ - SCR

ДОЗАТОР ВОССТАНОВИТЕЛЯ - SCR

1Артикул: 240101-00011, REDUCTANT DOSER
2Артикул: 401107-01140, SEAL
3Артикул: 400406-00423, FILTER
Подробнее >
059 PLAME START

059 PLAME START

1Артикул: 300516-00111, STARTER;FLAME
2Артикул: 120705-00687, SCREW
3Артикул: 120705-01176, SCREW
Подробнее >
МАСЛЯНЫЙ ФИЛЬТР

МАСЛЯНЫЙ ФИЛЬТР

1Артикул: 400405-00088, FILTER ASS`Y,OIL
2Артикул: 430208-00227, . CONNECTER
3Артикул: 120808-00540, . WASHER,SEAL
Подробнее >
051 STARTER

051 STARTER

1Артикул: 300516-00076, STARTER
2Артикул: 301202-00141, . RELAY
3Артикул: 110913-00181, . CASE
Подробнее >
019 PISTON

019 PISTON

1Артикул: 130602-01231, PISTON ASSY
2Артикул: -, PISTON
3Артикул: 401004-00130, RING SET,PISTON
Подробнее >
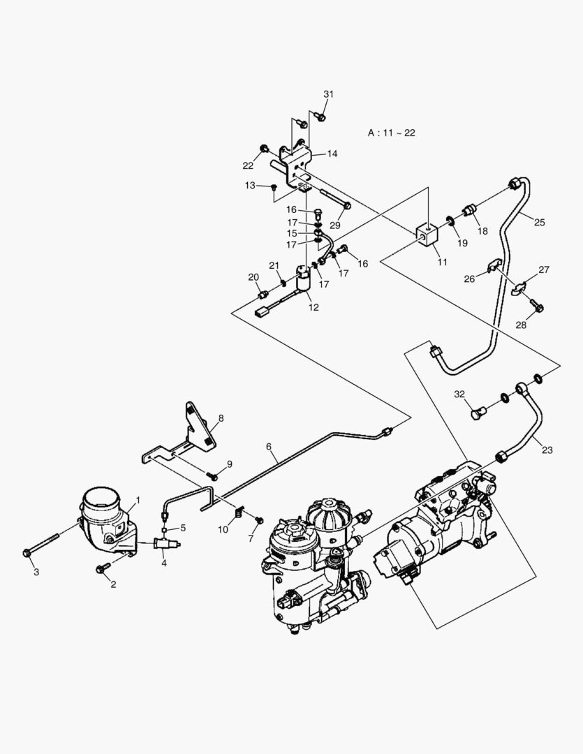
СИСТЕМА САПУНА

СИСТЕМА САПУНА

1Артикул: 420108-00572, HOSE
2Артикул: 120202-00270, CLAMP,HOSE
3Артикул: 120202-00144, CLAMP,HOSE
Подробнее >
ИСПАРИТЕЛЬ- СИСТЕМА ВЫПУСКА

ИСПАРИТЕЛЬ- СИСТЕМА ВЫПУСКА

1Артикул: 400815-00014, EVAPORATOR
2Артикул: 110406-03147, BRACKET
3Артикул: 120402-00272, . CIRCLIP
Подробнее >
КРИВОШИПНЫЙ МЕХАНИЗМ

КРИВОШИПНЫЙ МЕХАНИЗМ

1Артикул: 150121-00174, ROD ASSY,CONNECTING
2Артикул: 120705-00704, . SCREW
3Артикул: 140111-00045, METAL,CONNECTING ROD
Подробнее >
029 INTAKE MANIFOLD

029 INTAKE MANIFOLD

1Артикул: 240203-00211, MANIFOLD,INTAKE
2Артикул: 400602-00457, GASKET
3Артикул: 120705-00737, SCREW;FLANGE
Подробнее >
ТОПЛИВНЫЕ ТРУБОПРОВОДЫ

ТОПЛИВНЫЕ ТРУБОПРОВОДЫ

1Артикул: 400824-00251, FUEL MANIFOLD ASSY
2Артикул: 430221-00590, PLUG,SCREW
3Артикул: 430221-00589, PLUG,SCREW
Подробнее >
СНИЖЕННЫЙ БАК - SCR

СНИЖЕННЫЙ БАК - SCR

1Артикул: 450106-00118, TANK;REDUCTANT
2Артикул: 450106-00119, TANK;REDUCTANT
3Артикул: 110931-00814, HOUSING
Подробнее >
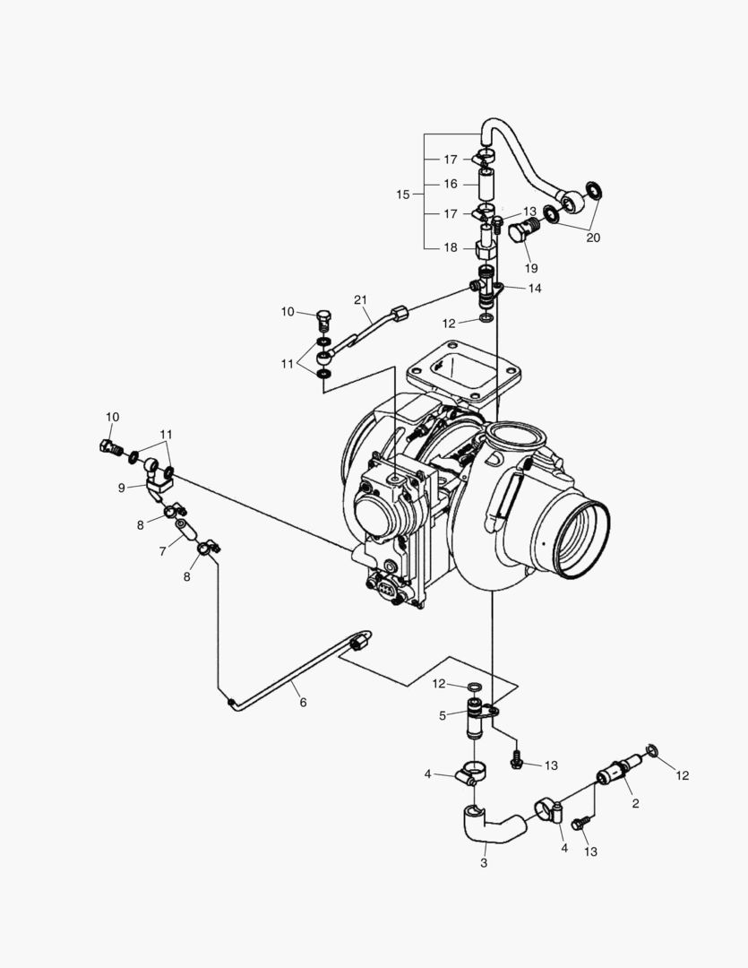
028 TURBO CHARGER COOLANT PIPE

028 TURBO CHARGER COOLANT PIPE

1Артикул: 101552-00363, NIPPLE
2Артикул: 420108-01152, HOSE
3Артикул: 120202-00172, CLAMP,HOSE
Подробнее >
КРЫШКА КОРОМЫСЛА

КРЫШКА КОРОМЫСЛА

1Артикул: 110508-17169, COVER;ROCKER
2Артикул: 110508-08927, COVER;ROCKER
3Артикул: 110508-08929, COVER;ROCKER
Подробнее >
036 BLEED PIPE ENGINE

036 BLEED PIPE ENGINE

1Артикул: 420210-01254, PIPE ASSY
2Артикул: 430208-00222, CONNECTION;INSERT
3Артикул: 120203-00289, CLAMP
Подробнее >
040 INJECTOR

040 INJECTOR

1Артикул: 400903-00109, INJECTOR ASSY
2Артикул: 401107-01141, SEAL KIT
3Артикул: -, . O-RING
Подробнее >
НАСОС ПОДАЧИ

НАСОС ПОДАЧИ

1Артикул: 400909-00168, PUMP ASSY,FUEL
2Артикул: 401002-00685, RING,O
3Артикул: 401002-00707, RING,O
Подробнее >
056 EGR COOLER

056 EGR COOLER

1Артикул: 400202-00162, COOLER,EGR
2Артикул: 430208-00532, CONNECTER
3Артикул: 120202-00222, CLAMP,HOSE
Подробнее >
ЖГУТ ПРОВОДОВ

ЖГУТ ПРОВОДОВ

1Артикул: 310207-03598, HARNESS;CABLE
2Артикул: 310207-01216, HARNESS,ENGINE;DOSING UNIT
3Артикул: 310401-00923, CABLE SET
Подробнее >
027 EXHAUST MANIFOLD

027 EXHAUST MANIFOLD

1Артикул: 240102-00377, MANIFOLD,EXHAUST
2Артикул: 240102-00378, MANIFOLD,EXHAUST
3Артикул: 240102-00379, MANIFOLD,EXHAUST
Подробнее >
КАРТЕР МАХОВИКА

КАРТЕР МАХОВИКА

1Артикул: 150114-00145, HOUSING,FLYWHEEL
2Артикул: 110508-08909, COVER
3Артикул: 401107-01137, SEAL
Подробнее >
ТОПЛИВНЫЙ ФИЛЬТР

ТОПЛИВНЫЙ ФИЛЬТР

1Артикул: 400403-00273, FILTER ASSY,FUEL
2Артикул: 110508-08911, CAP
3Артикул: 110508-11415, COVER
Подробнее >
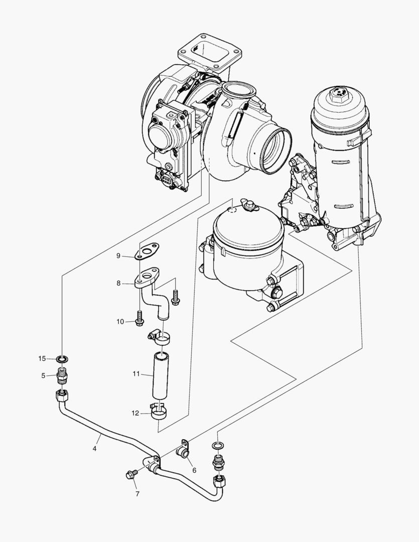
ТУРБОНАГНЕТАТЕЛЬ ТРУБОПРОВОДА

ТУРБОНАГНЕТАТЕЛЬ ТРУБОПРОВОДА

1Артикул: 420215-00041, PIPE ASSY,OIL DRAIN
2Артикул: 430215-01021, FLANGE
3Артикул: 120203-00288, CLAMP
Подробнее >
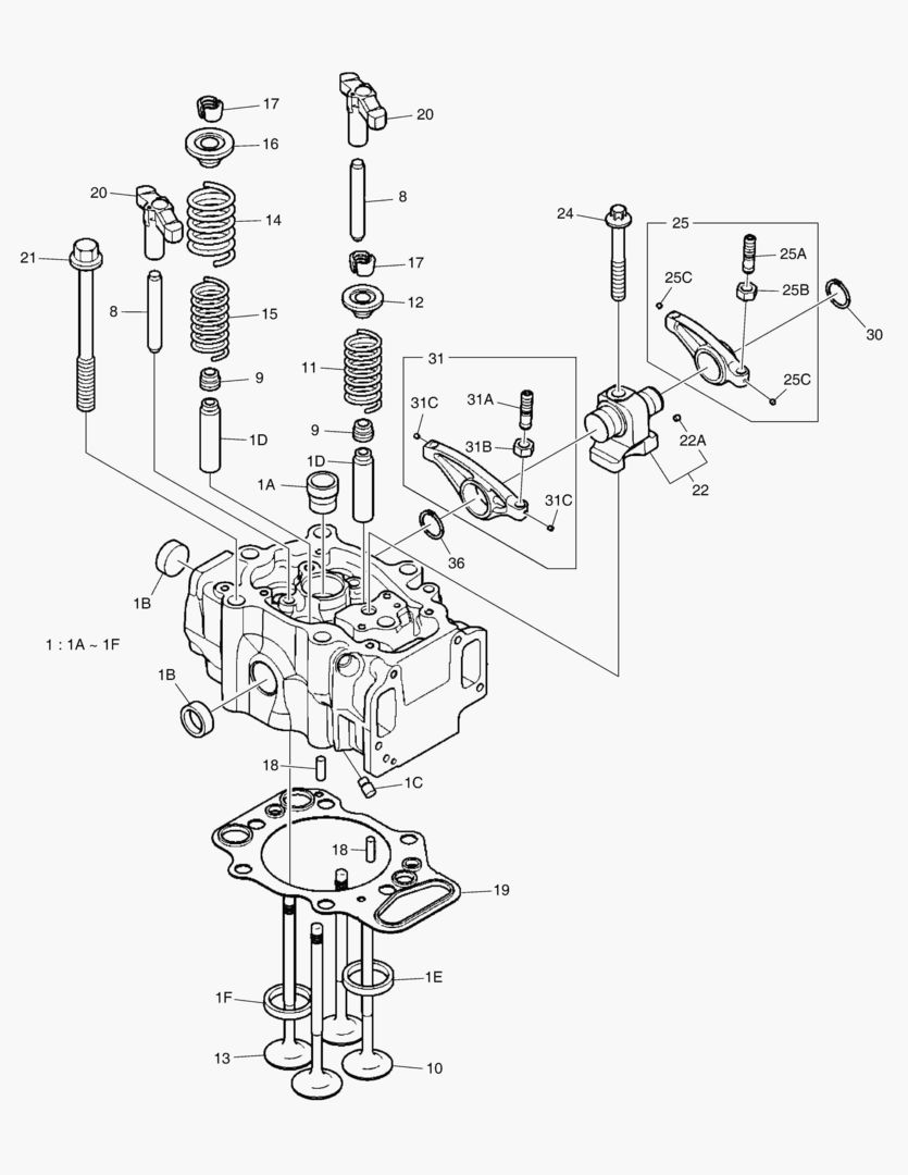
011 CYLINDER HEAD

011 CYLINDER HEAD

1Артикул: 150113-00262, HEAD,CYLINDER
2Артикул: 110949-00587, . SLEEVE
3Артикул: 430221-00582, . PLUG,CORE
Подробнее >
ГЛУШИТЕЛЬ С КАТАЛИТИЧЕСКИМ ДОЖИГАТЕЛЕМ

ГЛУШИТЕЛЬ С КАТАЛИТИЧЕСКИМ ДОЖИГАТЕЛЕМ

1Артикул: 500111-00221, CATALYST,SCR
2Артикул: -, CATALYST,AMMONIA OXIDATION
3Артикул: 430220-00015, OUTLET;SILENCER
Подробнее >
РЕМЕНЬ ТРАНСМИССИЯ

РЕМЕНЬ ТРАНСМИССИЯ

1Артикул: 130202-00042, BELT;POLY
2Артикул: 130707-00492, PULLEY,BELT
3Артикул: 120705-00895, SCREW
Подробнее >
017 OIL PAN

017 OIL PAN

1Артикул: 150119-00439, SUMP,OIL
2Артикул: 430221-00594, . PLUG;INSERT
3Артикул: 400602-00523, GASKET
Подробнее >
ПРОКЛАДКА КАБЕЛЯ

ПРОКЛАДКА КАБЕЛЯ

1Артикул: 460103-00594, DUCT
2Артикул: 460103-00481, DUCT
3Артикул: 120705-00730, SCREW;FLANGE
Подробнее >
058 EXHAUST BRAKE SYSTEM

058 EXHAUST BRAKE SYSTEM

1Артикул: 420203-00461, BRAKE,EXHAUST
2Артикул: -, HOUSING
3Артикул: 131002-00460, BUSHING
Подробнее >