+7 (701) 588 50 05 Телефон для связи
RU

WhatsApp

Позвонить

ДЕТАЛИ ДВИГАТЕЛЯ в Алматы

УПРАВЛЕНИЕ ДВИГАТЕЛЕМ

УПРАВЛЕНИЕ ДВИГАТЕЛЕМ

1Артикул: 65.99497-8640, E.C.U
2Артикул: 65.11210-0003A, PLATE;ECU
3Артикул: 65.11210-0003B, PLATE;ECU
Подробнее >
ПОДЪЕМНЫЙ КРЮК

ПОДЪЕМНЫЙ КРЮК

1Артикул: 65.19202-0057A, HOOK;LIFTING
2Артикул: 06.01924-3217, BOLT ASS`Y M10X30
3Артикул: 110452-00085, BRACKET;WIRE HARNESS
Подробнее >
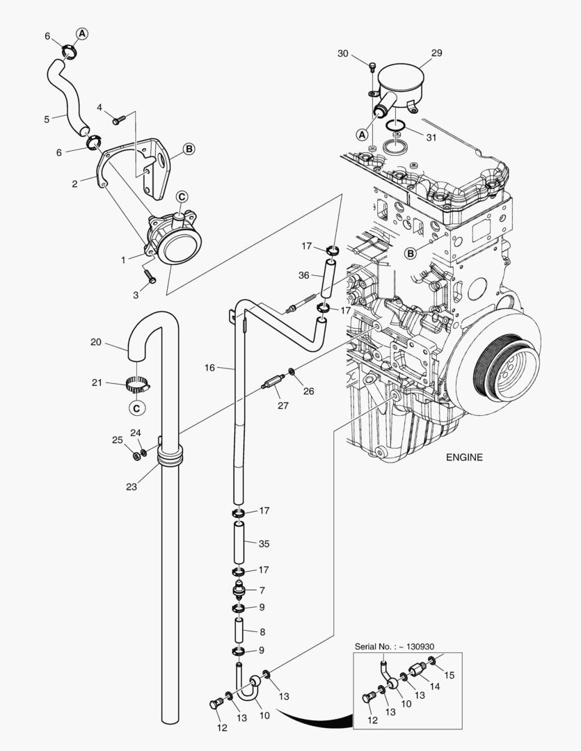
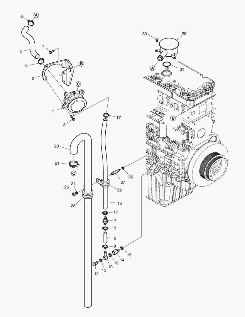
015B BREATHER [110531~]

015B BREATHER [110531~]

1Артикул: 65.01801-5100, HOUSING;BREATHER
2Артикул: 65.01840-0017, BRACKET;BREATHER PIPE
3Артикул: 06.01923-3114, BOLT
Подробнее >
032 FUEL SYSTEM

032 FUEL SYSTEM

1Артикул: 65.96340-5079, HOSE;FUEL
2Артикул: 65.96340-5080, HOSE;FUEL
3Артикул: 65.98130-0211, ADAPTER
Подробнее >
024 WATER PUMP

024 WATER PUMP

1Артикул: 65.06500-6178B, WATER PUMP ASS`Y
2Артикул: 65.06500-6271A, WATER PUMP ASS`Y
3Артикул: 400921-00008, WATER PUMP ASS`Y
Подробнее >
036 SENSOR

036 SENSOR

1Артикул: 65.27103-7014, SENSOR;CRANK CAM SPEED
2Артикул: 65.11308-0005, SHIM
3Артикул: 65.11308-0006, SHIM
Подробнее >
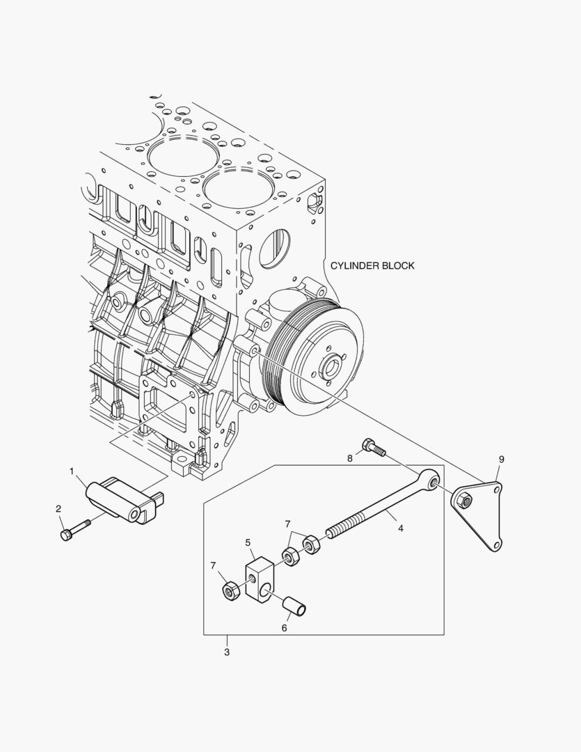
УСТАНОВКА ГЕНЕРАТОРА ПЕРЕМЕННОГО ТОКА

УСТАНОВКА ГЕНЕРАТОРА ПЕРЕМЕННОГО ТОКА

1Артикул: 65.19102-0096, BRACKET;ALTERNATOR
2Артикул: 06.01943-3323, BOLT ASS`Y M12X1.5X60
3Артикул: 65.19103-6010A, EYE BOLT ASS`Y
Подробнее >
КРЫШКА ГОЛОВКИ ЦИЛИНДРА

КРЫШКА ГОЛОВКИ ЦИЛИНДРА

1Артикул: 65.03401-5010, COVER;CYLINDER HEAD
2Артикул: 65.03401-5010B, COVER;CYLINDER HEAD
3Артикул: 150106-00023, CYL. HEAD COVER ASSY
Подробнее >
БЛОК ЦИЛИНДРОВ

БЛОК ЦИЛИНДРОВ

1Артикул: 65.01101-6092A, CYLINDER BLOCK ASS`Y
2Артикул: 150102-00037, CYLINDER BLOCK ASS`Y
3Артикул: 150102-00037A, BLOCK,CYLINDER
Подробнее >
СИСТЕМА РЕГУЛИРОВАНИЯ СИНХРОНИЗАЦИИ

СИСТЕМА РЕГУЛИРОВАНИЯ СИНХРОНИЗАЦИИ

1Артикул: 65.04130-0009A, CALIPER;INTAKE
2Артикул: 65.04130-0011, CALIPER;EXHAUST
3Артикул: 65.04200-6038B, ROCKER ARM S/F ASS`Y
Подробнее >
035 STARTER

035 STARTER

1Артикул: 65.26201-7075A, STARTER
2Артикул: 65.26201-7093, STARTER
3Артикул: 300516-00042, STARTER ASSY
Подробнее >
022 OIL PAN

022 OIL PAN

1Артикул: 65.05801-5245, PAN;OIL
2Артикул: 150119-00043, PAN,OIL
3Артикул: 150119-00043A, PAN,OIL
Подробнее >
ВЕНТИЛЯТОР ОХЛАЖДЕНИЯ

ВЕНТИЛЯТОР ОХЛАЖДЕНИЯ

1Артикул: 65.06601-5071, FAN;COOLING
2Артикул: 65.06611-0137, FLANGE;FAN
3Артикул: 65.06611-0137A, FLANGE,FAN
Подробнее >
ПРИВОДНАЯ СИСТЕМА

ПРИВОДНАЯ СИСТЕМА

1Артикул: 65.02101-0069A, CRANK SHAFT
2Артикул: 06.22022-1018, PIN;DOWEL
3Артикул: 65.02115-0016, GEAR;CRANKSHAFT
Подробнее >
023 THERMOSTAT

023 THERMOSTAT

1Артикул: 65.06404-0039A, HOUSING;THERMOSTAT
2Артикул: 65.06904-0020, GASKET;THERMOSTAT
3Артикул: 65.06904-0021, GASKET;THERMOSTAT
Подробнее >
КОРПУС МАХОВИКА

КОРПУС МАХОВИКА

1Артикул: 65.01401-0253A, HOUSING;FLYWHEEL
2Артикул: 65.01401-0253B, HOUSING;FLYWHEEL
3Артикул: 150114-00097A, HOUSING ASSY,FLYWHEEL
Подробнее >
040 OVERHAUL GASKET KIT - ALL

040 OVERHAUL GASKET KIT - ALL

1Артикул: 65.99601-8071, ALL OVERHAUL GASKET KIT
2Артикул: 06.56021-0102, O-RING
3Артикул: 65.01903-0034, GASKET
Подробнее >
041 OVERHAUL GASKET KIT - TOP

041 OVERHAUL GASKET KIT - TOP

1Артикул: 65.99605-8042, TOP OVERHAUL GASKET KIT
2Артикул: 65.03901-0071, GASKET;CYLINDER HEAD
3Артикул: 65.03905-5002, PACKING;HEAD COVER
Подробнее >
037 WIRE HARNESS [~121112]

037 WIRE HARNESS [~121112]

1Артикул: 65.29101-6184B, WIRE;ELECTRIC
2Артикул: 65.29101-6184C, WIRE;ELECTRIC
3Артикул: 310208-00430, WIRE,ELECTRIC
Подробнее >
ТУРБОНАГНЕТАТЕЛЬ

ТУРБОНАГНЕТАТЕЛЬ

1Артикул: 65.09100-7110, TURBOCHARGER ASS`Y
2Артикул: 150105-00377, CHARGER ASSY,TURBO
3Артикул: 65.09901-0018A, GASKET
Подробнее >
021 OIL FILTER & OIL COOLER

021 OIL FILTER & OIL COOLER

1Артикул: 65.05501-7089, OIL FILTER ASS`Y
2Артикул: 65.05501-7089A, OIL FILTER ASS`Y
3Артикул: 400404-00071A, FILTER ASSY,ENGINE OIL;CYL,BODY TO BRG,C
Подробнее >
015 BREATHER [~100530]

015 BREATHER [~100530]

1Артикул: 65.01801-5100, HOUSING;BREATHER
2Артикул: 65.01840-0017, BRACKET;BREATHER PIPE
3Артикул: 06.01923-3114, BOLT
Подробнее >
КАРТЕР РАСПРЕДЕЛИТЕЛЬНЫХ ШЕСТЕРЕН

КАРТЕР РАСПРЕДЕЛИТЕЛЬНЫХ ШЕСТЕРЕН

1Артикул: 65.01304-0029, CASE;TIMING GEAR
2Артикул: 65.01304-0029A, CASE;TIMING GEAR
3Артикул: 130405-00084A, TIMING GEAR CASE
Подробнее >
САЛЬНИК

САЛЬНИК

1Артикул: 65.01501-5003A, COVER;SEALING
2Артикул: 65.01510-0157, SEAL;OIL(FRONT)
3Артикул: 65.01905-0009, GASKET
Подробнее >
ВОЗДУШНЫЙ КОМПРЕССОР

ВОЗДУШНЫЙ КОМПРЕССОР

1Артикул: 65.90310-0135, PLUG;SCREW
2Артикул: 06.56190-0705, RING;SEAL
Подробнее >
030 INJECTION PUMP

030 INJECTION PUMP

1Артикул: 65.10501-7005A, PUMP;HIGH PRESSURE
2Артикул: 65.96501-0439, . O-RING
3Артикул: 800215-00004, . FUEL METERING UINT
Подробнее >
017 CYLINDER HEAD

017 CYLINDER HEAD

1Артикул: 150113-00244, CYL. HEAD SUB ASSY
2Артикул: 150113-00574, HEAD ASSY,CYLINDER
3Артикул: 65.03101-6090F, CYLINDER HEAD ASS`Y
Подробнее >
037A WIRE HARNESS [121113~]

037A WIRE HARNESS [121113~]

1Артикул: 310208-00207, WIRE,ELECTRIC
2Артикул: 310208-00430, WIRE,ELECTRIC
3Артикул: 65.97460-0008, BAND;TENSION
Подробнее >
015A BREATHER [~110530]

015A BREATHER [~110530]

1Артикул: 65.01801-5100, HOUSING;BREATHER
2Артикул: 65.01840-0017, BRACKET;BREATHER PIPE
3Артикул: 06.01923-3114, BOLT
Подробнее >
МОНТАЖ ДВИГАТЕЛЯ

МОНТАЖ ДВИГАТЕЛЯ

1Артикул: 65.41530-0186, BRACKET;FRONT MOUNTING
2Артикул: 06.01924-3217, BOLT ASS`Y M10X30
Подробнее >
028 INJECTOR

028 INJECTOR

1Артикул: 65.10401-7004A, INJECTOR ASS`Y
2Артикул: 65.96501-0437, . O-RING
3Артикул: 65.96507-0053, RING;SEAL
Подробнее >
026 INTAKE & EXHAUST MANIFOLD

026 INTAKE & EXHAUST MANIFOLD

1Артикул: 65.08100-6088A, EXHAUST MANIFOLD ASS`Y
2Артикул: 65.08100-6088B, EXHAUST MANIFOLD ASS`Y
3Артикул: 65.08101-0263, . MANIFOLD;EXHAUST
Подробнее >
ВПРЫСКИВАЮЩАЯ ТРУБА

ВПРЫСКИВАЮЩАЯ ТРУБА

1Артикул: 65.10301-6191, PIPE;INJECTION
2Артикул: 65.10301-6192, PIPE;INJECTION
3Артикул: 65.10301-6193, PIPE;INJECTION
Подробнее >
МАСЛЯНЫЙ НАСОС

МАСЛЯНЫЙ НАСОС

1Артикул: 65.05100-6063, OIL PUMP ASS`Y
2Артикул: 65.05100-6063A, OIL PUMP ASS`Y
3Артикул: 65.05102-0030, . HOUSING;OIL PUMP
Подробнее >