+7 (701) 588 50 05 Телефон для связи
RU

WhatsApp

Позвонить

00 ДЕТАЛИ ДВИГАТЕЛЯ в Алматы

МАСЛЯНЫЙ ФИЛЬТР

МАСЛЯНЫЙ ФИЛЬТР

1Артикул: 65.05501-7064B, OIL FILTER ASS`Y
2Артикул: 65.05510-5022B, . CARTRIDGE;OIL FILTER
3Артикул: 65.05503-5042, . HEAD;FILTER
Подробнее >
024 OIL COOLER

024 OIL COOLER

1Артикул: 65.05601-7137B, OIL COOLER ASS`Y
2Артикул: 65.05604-5030, . HOUSING;OIL COOLER
3Артикул: 65.90310-0136A, . SCREW;PLUG
Подробнее >
САЛЬНИК

САЛЬНИК

1Артикул: 65.01510-0157, SEAL;OIL(FRONT)
2Артикул: 401106-00217, SEAL,OIL
Подробнее >
КАРТЕР МАХОВИКА

КАРТЕР МАХОВИКА

1Артикул: 150114-00202, HOUSING,FLYWHEEL
2Артикул: 65.01903A0178, GASKET;FLYWHEEL HOUSING
3Артикул: 65.96002-0003, PLUG;RUBBER
Подробнее >
037 INJECTION PUMP DRIVE

037 INJECTION PUMP DRIVE

1Артикул: 130412-00119, INJECTION PUMP DRIVE ASS`Y
2Артикул: 65.11309-0005C, . HOUSING;INJ PUMP DRIVE
3Артикул: 06.32092-0307, . BEARING;TAPER ROLLER
Подробнее >
ВПРЫСКИВАЮЩАЯ ТРУБА

ВПРЫСКИВАЮЩАЯ ТРУБА

1Артикул: 420208-00002, PIPE;INJECTION
2Артикул: 65.10301-6052B, PIPE;INJECTION
3Артикул: 06.01013-9221, BOLT;HEX. M10X80
Подробнее >
РАСПРЕДЕЛИТЕЛЬНЫЙ ВАЛ

РАСПРЕДЕЛИТЕЛЬНЫЙ ВАЛ

1Артикул: 150103-00054, CAMSHAFT
2Артикул: 65.90720-0099, WASHER;THRUST
3Артикул: 65.98112-0038, FLANGE
Подробнее >
МОНТАЖ ВОЗДУШНОГО КОМПРЕССОРА

МОНТАЖ ВОЗДУШНОГО КОМПРЕССОРА

1Артикул: 250127-00852, PLATE,MOUNTING
2Артикул: 65.95840-5004A, BRACKET,IDLE PULLEY
3Артикул: 06.01913-3215, BOLT ASS`Y M10X25
Подробнее >
045 SENSOR&SWITCH

045 SENSOR&SWITCH

1Артикул: 430201-01125, ADAPTER
2Артикул: 06.56180-0714, RING;SEAL
3Артикул: 430221-00975, PLUG,SCREW
Подробнее >
ТРУБА ВОЗДУХОЗАБОРНИКА

ТРУБА ВОЗДУХОЗАБОРНИКА

1Артикул: 420209-00067, PIPE,AIR INLET;DE08TIS
2Артикул: 65.96301-0279, HOSE;RUBBER
3Артикул: 06.67020-0109, CLAMP;HOSE
Подробнее >
ТУРБОНАГНЕТАТЕЛЬ

ТУРБОНАГНЕТАТЕЛЬ

1Артикул: -, CHARGER ASSY,TURBO
2Артикул: 65.09100-7083, . TURBOCHARGER ASS`Y
3Артикул: 65.98131-5003, . ADAPTER FLANGE ASS`Y
Подробнее >
САПУН

САПУН

1Артикул: 65.01801-5099C, BREATHER HOUSING ASS`Y
2Артикул: 65.96501-0033B, O-RING
3Артикул: 06.01923-3113, BOLT
Подробнее >
027 THERMOSTAT

027 THERMOSTAT

1Артикул: 300738-00085, THERMOSTAT ASSY
Подробнее >
МАСЛЯНЫЙ ПУЛЬВЕРИЗАТОР

МАСЛЯНЫЙ ПУЛЬВЕРИЗАТОР

1Артикул: 65.01601-6003C, OIL SPRAY NOZZLE ASS`Y
2Артикул: 65.05405-6001, RELIEF VALVE ASS`Y
Подробнее >
ВАЛ КРИВОШИПА

ВАЛ КРИВОШИПА

1Артикул: 150107-00183, CRANK SHAFT
2Артикул: 130410-00044A, GEAR,CRANKSHAFT
3Артикул: 130410-00044, GEAR,CRANKSHAFT
Подробнее >
ТОПЛИВНЫЙ ФИЛЬТР

ТОПЛИВНЫЙ ФИЛЬТР

1Артикул: 400403-00272, FILTER ASSY,FUEL
2Артикул: 400505-00054, . HEAD ASSY,FUEL FILTER
3Артикул: 400504-00078, . ELEMENT,FUEL FILTER
Подробнее >
015 CYLINDER HEAD

015 CYLINDER HEAD

1Артикул: 150113-00036A, CYLINDER HEAD ASS`Y
2Артикул: 150113-00200, . HEAD,CYLINDER
3Артикул: 65.03201-1061, . GUIDE,VALVE
Подробнее >
028 WATER PUMP

028 WATER PUMP

1Артикул: 400921-00098, PUMP ASSY,WATER
2Артикул: 65.06501-0221C, . HOUSING,WATER PUMP
3Артикул: 65.93410-0087, . BEARING
Подробнее >
021 CAMSHAFT DRIVE

021 CAMSHAFT DRIVE

1Артикул: 65.04501-0057, GEAR;CAM SHAFT
2Артикул: 65.90020-0086, BOLT;COLLARED HEX
3Артикул: 90CM845, BOLT,HEX FLANGE
Подробнее >
036 INJECTION PUMP

036 INJECTION PUMP

1Артикул: 400912-00293, PUMP ASSY,FUEL INJECTION
2Артикул: 06.29141-0215, KEY;WOODRUFF
3Артикул: 06.01923-3228, BOLT
Подробнее >
002 CYLINDER LINER

002 CYLINDER LINER

1Артикул: 150117-00028, LINER,CYLINDER
Подробнее >
ВОЗДУШНЫЙ КОМПРЕССОР

ВОЗДУШНЫЙ КОМПРЕССОР

1Артикул: 400102-00316, COMPRESSOR,AIR
2Артикул: 06.56017-0506, RING,O
3Артикул: 06.01913-3118, BOLT ASS`Y M8X35
Подробнее >
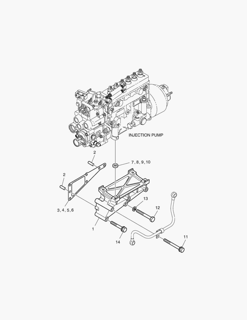
038 INJECTION PUMP MOUNTING

038 INJECTION PUMP MOUNTING

1Артикул: 65.11401-0046A, BRACKET
2Артикул: 06.22022-1112, PIN;DOWEL
3Артикул: 65.11405-0001, SHIM T=0.10
Подробнее >
007 WATER CHAMBER

007 WATER CHAMBER

1Артикул: 65.01705-0002B, COVER;WATER CHAMBER
2Артикул: 65.01907A0002, GASKET;WATER CHAMBER COVER
3Артикул: 06.15010-2311, WASHER
Подробнее >
044 STARTER

044 STARTER

1Артикул: 65.26201-7088A, STARTER
2Артикул: 65.26212-0006, . RELAY;MAGNETIC
3Артикул: 65.26214-0005, . SWITCH;MAGNETIC
Подробнее >
БЛОК ЦИЛИНДРОВ

БЛОК ЦИЛИНДРОВ

1Артикул: 150102-00405, CYLINDER BLOCK ASS`Y
2Артикул: 150102-00405B, BLOCK ASSY,CYLINDER
3Артикул: 65.01101-0040Q, . BLOCK;CYLINDER(T/C)
Подробнее >
ПОДЪЕМНЫЙ КРЮК

ПОДЪЕМНЫЙ КРЮК

1Артикул: 120404-00262, HOOK,LIFTING
2Артикул: 06.01283-7520, BOLT;HEX. M16X45
3Артикул: 06.01913-3218, BOLT ASS`Y M10X35
Подробнее >
039 FUEL PIPE

039 FUEL PIPE

1Артикул: 420103-00108, HOSE ASSY,FUEL;DE08TIS
2Артикул: 420103-00109, HOSE ASSY,FUEL;DE08TIS
3Артикул: 65.97460-0001, BAND;TENSION
Подробнее >
ВЕНТИЛЯТОР ОХЛАЖДЕНИЯ

ВЕНТИЛЯТОР ОХЛАЖДЕНИЯ

1Артикул: 130709-00076, PULLEY,FAN
2Артикул: 06.01913-3113, BOLT
Подробнее >
017 VALVE

017 VALVE

1Артикул: 65.04101-0026, VALVE;INTAKE
2Артикул: 65.04101-0027, VALVE;EXHAUST
3Артикул: 65.04102-6002, SPRING;VALVE(EXHAUST)
Подробнее >
КАРТЕР РАСПРЕДЕЛИТЕЛЬНЫХ ШЕСТЕРЕН

КАРТЕР РАСПРЕДЕЛИТЕЛЬНЫХ ШЕСТЕРЕН

1Артикул: 130405-00007, CASE;TIMING GEAR
2Артикул: 65.91010-0018, PIN;DOWEL
3Артикул: 65.01903C0021, GASKET;TIMING GEAR CASE
Подробнее >
VIBRATION ВИБРАЦИОННЫЙ ДЕМПФЕР

VIBRATION ВИБРАЦИОННЫЙ ДЕМПФЕР

1Артикул: 65.02201-7033, DAMPER;VISCOUS
2Артикул: 65.90020-0062B, BOLT;HEX M10X20
Подробнее >
УСТАНОВКА ГЕНЕРАТОРА ПЕРЕМЕННОГО ТОКА

УСТАНОВКА ГЕНЕРАТОРА ПЕРЕМЕННОГО ТОКА

1Артикул: 65.19102-0084A, BRACKET;ALTERNATOR MOUNTING
2Артикул: 06.01914-3320, BOLT ASS`Y M12X45
3Артикул: 06.01914-3219, BOLT ASS`Y M10
Подробнее >
031 INTAKE MANIFOLD

031 INTAKE MANIFOLD

1Артикул: 240203-00058, MANIFOLD,INTAKE;DE08TIS
2Артикул: 65.08902A0024, GASKET;INTAKE MANIFOLD
3Артикул: 06.01923-3218, BOLT ASS`Y M10X35
Подробнее >
026 COOLING PIPE WATER

026 COOLING PIPE WATER

1Артикул: 420211-00602, PIPE,COOLING WATER
2Артикул: 65.06903A0011, GASKET;COOLING WATER PIPE
3Артикул: 06.01923-3122, BOLT ASS`Y M8X55
Подробнее >
048 AIR COMPRESSOR DRIVE

048 AIR COMPRESSOR DRIVE

1Артикул: 65.95800-6033A, PULLEY ASSY,IDLE
2Артикул: 65.95820-0030, . PULLEY,IDLE
3Артикул: 65.91020-0018, . SHAFT;IDLE PULLEY ASSY
Подробнее >
МАСЛЯНЫЙ НАСОС

МАСЛЯНЫЙ НАСОС

1Артикул: 400915-00022A, PUMP ASSY,OIL
2Артикул: 400923-00016A, . HOUSING,OIL PUMP
3Артикул: 110508-00293, . OIL PUMP COVER(REAR)
Подробнее >
013 PISTON

013 PISTON

1Артикул: 65.02501-0228B, PISTON
2Артикул: 65.02503-0054, RING;TOP 111X3.5
3Артикул: 65.02503-0120, RING;SECOND 111X3.5
Подробнее >
ФИЛЬТР ТОПЛИВА

ФИЛЬТР ТОПЛИВА

1Артикул: 400403-00301, FILTER,FUEL
2Артикул: 400403-00222, FILTER,FUEL
3Артикул: 400909-00129, PUMP,FUEL FILLER
Подробнее >
МАХОВИК

МАХОВИК

1Артикул: 150111-00231, FLYWHEEL ASSY
2Артикул: 150111-00230, . FLYWHEEL
3Артикул: 130422-00034, . GEAR,RING
Подробнее >
РОЛИК КОЛЕНЧАТОГО ВАЛА

РОЛИК КОЛЕНЧАТОГО ВАЛА

1Артикул: 130711-00102, PULLEY,CRANKSHAFT
2Артикул: 65.90701-0088, WASHER
3Артикул: 06.02106-0619, BOLT;SOCKET HEAD
Подробнее >
025 OIL PAN

025 OIL PAN

1Артикул: 150119-00007, OIL PAN
2Артикул: 65.90310-0144, DRAIN PLUG ASS`Y
3Артикул: 06.56190-0732, SEAL,RING
Подробнее >
030 EXHAUST MANIFOLD

030 EXHAUST MANIFOLD

1Артикул: 240102-00331, MANIFOLD ASSY,EXHAUST
2Артикул: 240102-00329, . MANIFOLD,EXHAUST
3Артикул: 240102-00328, . MANIFOLD,EXHAUST
Подробнее >
МОНТАЖ ДВИГАТЕЛЯ

МОНТАЖ ДВИГАТЕЛЯ

1Артикул: 110427-00578, BRACKET,ENGINE MOUNTING
2Артикул: 06.06176-8309, BOLT,STUD
3Артикул: 06.16731-2109, WASHER;SPRING
Подробнее >
КОРОМЫСЛО КЛАПАНА

КОРОМЫСЛО КЛАПАНА

1Артикул: 65.04200-6025E, ROCKER ARM ASS`Y
2Артикул: 65.04201-5013E, . ROCKER ARM
3Артикул: 65.04205-0003A, . BOLT;ADJUSTING
Подробнее >
ВПРЫСКИВАЮЩЕЕ СОПЛО

ВПРЫСКИВАЮЩЕЕ СОПЛО

1Артикул: 150118-00139, HOLDER ASSY,NOZZLE
2Артикул: 65.96501-0057, RING;SEAL
Подробнее >
019 TAPPET & PUSH ROD

019 TAPPET & PUSH ROD

1Артикул: 65.04301-0005, TAPPET
2Артикул: 150125-00035, TAPPET,VALVE
3Артикул: 65.04302-5010, PUSH ROD
Подробнее >
СОЕДИНИТЕЛЬНАЯ ТЯГА

СОЕДИНИТЕЛЬНАЯ ТЯГА

1Артикул: 65.02401-6018C, CONNECTING ROD ASS`Y
2Артикул: 65.02401-0005A, . ROD;CONNECTING
3Артикул: 65.90020-0009D, . BOLT;CONNECTING ROD
Подробнее >
КРЫШКА ГОЛОВКИ ЦИЛИНДРА

КРЫШКА ГОЛОВКИ ЦИЛИНДРА

1Артикул: 65.03401-0021I, COVER;CYLINDER HEAD
2Артикул: 65.03401-6044B, COVER;CYLINDER HEAD
3Артикул: 65.03905-0022, GASKET;CYLINDER HEAD COVER
Подробнее >
043 ALTERNATOR

043 ALTERNATOR

1Артикул: 300901-00120, ALTERNATOR
Подробнее >
050 ACCESORRIES

050 ACCESORRIES

1Артикул: 301204-00009, RELAY,PREHEAT
2Артикул: 65.25930-6007B, TIMER
3Артикул: 400504-00078, ELEMENT,FUEL FILTER
Подробнее >