+7 (701) 588 50 05 Телефон для связи
RU

WhatsApp

Позвонить

00 ДЕТАЛИ ДВИГАТЕЛЯ в Алматы

ШКИВ КОМПРЕССОРА ВОЗДУХА

ШКИВ КОМПРЕССОРА ВОЗДУХА

1Артикул: 65.95800-6033A, PULLEY ASSY,IDLE
2Артикул: 65.96801-0145A, BELT,V;V-RIBBED TYPE BELT
3Артикул: 130707-00066, PULLEY,BELT;DE08TIS
Подробнее >
ТУРБОНАГНЕТАТЕЛЬ

ТУРБОНАГНЕТАТЕЛЬ

1Артикул: 65.09100-7083, TURBOCHARGER ASS`Y
2Артикул: 65.90201-0073, BOLT;STUD
3Артикул: 65.09901-0018A, GASKET
Подробнее >
290 VALVE TAPPET&PUSH ROD

290 VALVE TAPPET&PUSH ROD

1Артикул: 65.04301-0005, TAPPET
2Артикул: 150125-00035, TAPPET,VALVE
3Артикул: 65.04302-5010, PUSH ROD
Подробнее >
МОНТАЖ ДВИГАТЕЛЯ

МОНТАЖ ДВИГАТЕЛЯ

1Артикул: 110427-00578, BRACKET,ENGINE MOUNTING
2Артикул: 06.06176-8309, BOLT,STUD
3Артикул: 06.16731-2109, WASHER;SPRING
Подробнее >
УСТАНОВКА ГЕНЕРАТОРА ПЕРЕМЕННОГО ТОКА

УСТАНОВКА ГЕНЕРАТОРА ПЕРЕМЕННОГО ТОКА

1Артикул: 65.19102-0084A, BRACKET;ALTERNATOR MOUNTING
2Артикул: 06.01914-3320, BOLT ASS`Y M12X45
3Артикул: 06.01914-3219, BOLT ASS`Y M10
Подробнее >
380 WATER PUMP

380 WATER PUMP

1Артикул: 400921-00098, PUMP ASSY,WATER
2Артикул: 65.06501-0221C, . HOUSING,WATER PUMP
3Артикул: 65.93410-0087, . BEARING
Подробнее >
350 OIL PAN

350 OIL PAN

1Артикул: 150119-00007, OIL PAN
2Артикул: 65.90310-0144, DRAIN PLUG ASS`Y
3Артикул: 06.56190-0732, SEAL,RING
Подробнее >
ТУРБОНАГНЕТАТЕЛЬ

ТУРБОНАГНЕТАТЕЛЬ

1Артикул: -, CHARGER ASSY,TURBO
2Артикул: 65.09100-7083, . TURBOCHARGER ASS`Y
3Артикул: 65.98131-5003, . ADAPTER FLANGE ASS`Y
Подробнее >
ВЕНТИЛЯТОР ОХЛАЖДЕНИЯ

ВЕНТИЛЯТОР ОХЛАЖДЕНИЯ

1Артикул: 130709-00076, PULLEY,FAN
2Артикул: 06.01913-3113, BOLT
Подробнее >
ВОЗДУШНЫЙ ФИЛЬТР

ВОЗДУШНЫЙ ФИЛЬТР

1Артикул: 400414-00317, CLEANER,AIR
2Артикул: 400414-00318, CLEANER,AIR
3Артикул: 400504-00162, ELEMENT,OUTER
Подробнее >
ТРУБА ВОДЯНОГО ОХЛАЖДЕНИЯ

ТРУБА ВОДЯНОГО ОХЛАЖДЕНИЯ

1Артикул: 420211-00454, PIPE,WATER COOLER
2Артикул: 65.06903A0011, GASKET;COOLING WATER PIPE
3Артикул: 06.01923-3122, BOLT ASS`Y M8X55
Подробнее >
014 VALVE

014 VALVE

1Артикул: 65.04101-0026, VALVE;INTAKE
2Артикул: -, VALVE;EXHAUST
3Артикул: -, SPRING,VALVE;EXHAUST
Подробнее >
ШКИВ ВАЛ КРИВОШИПА

ШКИВ ВАЛ КРИВОШИПА

1Артикул: 130707-00391, PULLEY,V-BELT
2Артикул: 65.90701-0088, WASHER
3Артикул: 06.02106-0619, BOLT;SOCKET HEAD
Подробнее >
540 STARTER

540 STARTER

1Артикул: 65.26201-7088A, STARTER
2Артикул: 65.26212-0006, . RELAY;MAGNETIC
3Артикул: 65.26214-0005, . SWITCH;MAGNETIC
Подробнее >
КРЫШКА ГОЛОВКИ ЦИЛИНДРА

КРЫШКА ГОЛОВКИ ЦИЛИНДРА

1Артикул: 65.03401-0021I, COVER;CYLINDER HEAD
2Артикул: 65.03401-6044B, COVER;CYLINDER HEAD
3Артикул: 65.03905-0022, GASKET;CYLINDER HEAD COVER
Подробнее >
VIBRATION ВИБРАЦИОННЫЙ ДЕМПФЕР

VIBRATION ВИБРАЦИОННЫЙ ДЕМПФЕР

1Артикул: 65.02201-7033, DAMPER;VISCOUS
2Артикул: 65.90020-0062B, BOLT;HEX M10X20
Подробнее >
120 CYLINDER LINER

120 CYLINDER LINER

1Артикул: 150117-00028, LINER,CYLINDER
Подробнее >
НАСОС ВСПРЫСКА ПРИВОДА

НАСОС ВСПРЫСКА ПРИВОДА

1Артикул: 65.11301-7008D, INJECTION PUMP DRIVE ASSY
2Артикул: 65.11309-0005C, HOUSING;INJ PUMP DRIVE
3Артикул: 06.32092-0307, BEARING;TAPER ROLLER
Подробнее >
010 PISTON

010 PISTON

1Артикул: 65.02501-0228B, PISTON
2Артикул: 65.02503-0054, RING;TOP 111X3.5
3Артикул: 65.02503-0120, RING;SECOND 111X3.5
Подробнее >
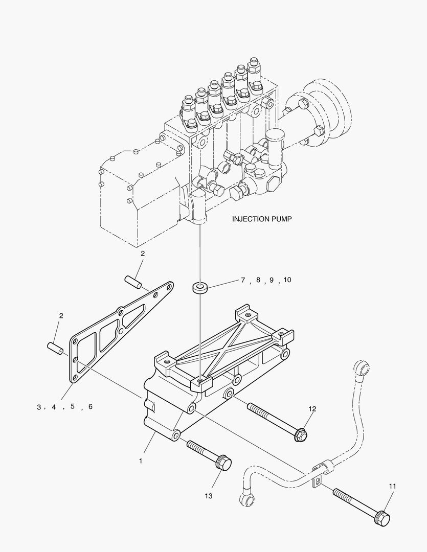
037 INJECTION PUMP MOUNTING

037 INJECTION PUMP MOUNTING

1Артикул: 65.11401-0046A, BRACKET
2Артикул: 06.22022-1112, PIN;DOWEL
3Артикул: 65.11405-0001, SHIM T=0.10
Подробнее >
270 VALVE

270 VALVE

1Артикул: 65.04101-0026, VALVE;INTAKE
2Артикул: 65.04101-0038, VALVE,EXHAUST
3Артикул: 65.04102-6002, SPRING;VALVE(EXHAUST)
Подробнее >
СОЕДИНИТЕЛЬНАЯ ТЯГА

СОЕДИНИТЕЛЬНАЯ ТЯГА

1Артикул: 65.02401-6018C, CONNECTING ROD ASS`Y
2Артикул: 65.02401-0005A, ROD;CONNECTING
3Артикул: 65.90020-0009D, BOLT;CONNECTING ROD
Подробнее >
МАСЛЯНЫЙ НАСОС

МАСЛЯНЫЙ НАСОС

1Артикул: 400915-00022A, PUMP ASSY,OIL
2Артикул: 400923-00016A, . HOUSING,OIL PUMP
3Артикул: 110508-00293, . OIL PUMP COVER(REAR)
Подробнее >
025 THERMOSTAT

025 THERMOSTAT

1Артикул: 65.06401-6044, THERMOSTAT ASS`Y
Подробнее >
ВАЛ КРИВОШИПА

ВАЛ КРИВОШИПА

1Артикул: 150107-00183, CRANK SHAFT
2Артикул: 130410-00044, GEAR,CRANKSHAFT
3Артикул: 130410-00044A, GEAR,CRANKSHAFT
Подробнее >
КОРОМЫСЛО КЛАПАНА

КОРОМЫСЛО КЛАПАНА

1Артикул: 65.04200-6025E, ROCKER ARM ASS`Y
2Артикул: 65.04201-5013E, ROCKER ARM
3Артикул: -, ARM;ROCKER
Подробнее >
040 MUFFLER

040 MUFFLER

1Артикул: -, ARRESTOR ASSY
2Артикул: 240103-00488, MUFFLER
3Артикул: -, PIPE,HYDRAULIC
Подробнее >
МАХОВИК

МАХОВИК

1Артикул: 150111-00231, FLYWHEEL ASSY
2Артикул: 150111-00230, . FLYWHEEL
3Артикул: 130422-00034, . GEAR,RING
Подробнее >
ШКИВ ХОЛОСТОГО ХОДА

ШКИВ ХОЛОСТОГО ХОДА

1Артикул: 65.95800-6033A, PULLEY ASSY,IDLE
2Артикул: 65.95820-0030, . PULLEY,IDLE
3Артикул: 65.91020-0018, . SHAFT;IDLE PULLEY ASSY
Подробнее >
ВЕНТИЛЯТОР ОХЛАЖДЕНИЯ

ВЕНТИЛЯТОР ОХЛАЖДЕНИЯ

1Артикул: 130709-00067, PULLEY,FAN
2Артикул: 06.01913-3113, BOLT
Подробнее >
ПОДЪЕМНЫЙ КРЮК

ПОДЪЕМНЫЙ КРЮК

1Артикул: 120404-00228, HOOK,LIFTING;FRONT
2Артикул: 06.01283-7520, BOLT;HEX. M16X45
3Артикул: 06.01913-3218, BOLT ASS`Y M10X35
Подробнее >
ВПРЫСКИВАЮЩЕЕ СОПЛО

ВПРЫСКИВАЮЩЕЕ СОПЛО

1Артикул: 150118-00139, HOLDER ASSY,NOZZLE
2Артикул: 65.96501-0057, RING;SEAL
Подробнее >
САПУН

САПУН

1Артикул: 65.01801-5099C, BREATHER HOUSING ASS`Y
2Артикул: 65.96501-0033B, O-RING
3Артикул: 06.01923-3113, BOLT
Подробнее >
020 OIL PUMP DRIVE

020 OIL PUMP DRIVE

1Артикул: 65.05200-6034, IDLE GEAR ASS`Y
2Артикул: 65.05204-0036, GEAR;IDLE
3Артикул: 06.31420-0314, BEARING;BALL
Подробнее >
ТРУБА ВОЗДУХОЗАБОРНИКА

ТРУБА ВОЗДУХОЗАБОРНИКА

1Артикул: 420209-00067, PIPE,AIR INLET;DE08TIS
2Артикул: 65.96301-0279, HOSE;RUBBER
3Артикул: 06.67020-0109, CLAMP;HOSE
Подробнее >
230 PISTON

230 PISTON

1Артикул: 65.02501-0228B, PISTON
2Артикул: 65.02503-0054, RING;TOP 111X3.5
3Артикул: 65.02503-0120, RING;SECOND 111X3.5
Подробнее >
016 VALVE TAPPET&PUSH ROD

016 VALVE TAPPET&PUSH ROD

1Артикул: 65.04301-0005, TAPPET
2Артикул: 150125-00035, TAPPET,VALVE
3Артикул: 65.04302-5010, PUSH ROD
Подробнее >
МАСЛЯНЫЙ ФИЛЬТР

МАСЛЯНЫЙ ФИЛЬТР

1Артикул: 65.05501-7064B, OIL FILTER ASS`Y
2Артикул: 65.05510-5022B, . CARTRIDGE;OIL FILTER
3Артикул: 65.05503-5042, . HEAD;FILTER
Подробнее >
САПУН

САПУН

1Артикул: 65.01801-5099C, BREATHER HOUSING ASS`Y
2Артикул: 65.96501-0033B, O-RING
3Артикул: 06.01923-3113, BOLT
Подробнее >
530 ALTERNATOR

530 ALTERNATOR

1Артикул: 300901-00120, ALTERNATOR
Подробнее >
022 OIL COOLER

022 OIL COOLER

1Артикул: 65.05601-7137B, OIL COOLER ASS`Y
2Артикул: 65.05604-5030, HOUSING;OIL COOLER
3Артикул: 65.90310-0136A, SCREW;PLUG
Подробнее >
550 SENSOR&SWITCH

550 SENSOR&SWITCH

1Артикул: 430201-01125, ADAPTER
2Артикул: 06.56180-0714, RING;SEAL
3Артикул: 430221-00975, PLUG,SCREW
Подробнее >
ВПРЫСКИВАЮЩАЯ ТРУБА

ВПРЫСКИВАЮЩАЯ ТРУБА

1Артикул: 420208-00002, PIPE;INJECTION
2Артикул: 65.10301-6052B, PIPE;INJECTION
3Артикул: 120112-01237, BOLT,FLANGEпј›M10X75
Подробнее >
МОНТАЖ ДВИГАТЕЛЯ

МОНТАЖ ДВИГАТЕЛЯ

1Артикул: 110420-00717, BRACKET,MOUNTING
2Артикул: 06.06176-8309, BOLT,STUD
3Артикул: -, NUT,FLANGE
Подробнее >
ВОЗДУШНЫЙ КОМПРЕССОР

ВОЗДУШНЫЙ КОМПРЕССОР

1Артикул: 400102-00255, COMPRESSOR ASSY,AIR
2Артикул: 06.56017-0506, RING,O
3Артикул: 06.01913-3118, BOLT ASS`Y M8X35
Подробнее >
028 EXHAUST MANIFOLD

028 EXHAUST MANIFOLD

1Артикул: 400824-00366, MANIFOLD ASSY
2Артикул: 240102-00272, MANIFOLD,EXHAUST;LH
3Артикул: 240102-00273, MANIFOLD,EXHAUST
Подробнее >
ТОПЛИВНЫЙ ФИЛЬТР

ТОПЛИВНЫЙ ФИЛЬТР

1Артикул: 65.12501-7042C, FUEL FILTER ASS`Y
2Артикул: 65.12504-5028, HEAD;FUEL FILTER
3Артикул: 65.12503-5026A, FILTER;E/G FUEL
Подробнее >
026 WATER PUMP

026 WATER PUMP

1Артикул: 400921-00098, PUMP ASSY,WATER
2Артикул: -, HOUSING,WATER PUMP
3Артикул: 65.06520-6008, SEAL;MECHANICAL
Подробнее >
001 CRANKCASE

001 CRANKCASE

1Артикул: 65.01101-6040M, CYLINDER BLOCK ASS`Y(T/C)
2Артикул: 65.01101-0040Q, BLOCK;CYLINDER(T/C)
3Артикул: 65.91606-0037, PLUG;CORE
Подробнее >
360 COOLING PIPE WATER

360 COOLING PIPE WATER

1Артикул: 420211-00602, PIPE,COOLING WATER
2Артикул: 65.06903A0011, GASKET;COOLING WATER PIPE
3Артикул: 06.01923-3122, BOLT ASS`Y M8X55
Подробнее >
370 THERMOSTAT

370 THERMOSTAT

1Артикул: 300738-00085, THERMOSTAT ASSY
Подробнее >
КРЫШКА ВОДЯНОЙ КАМЕРЫ

КРЫШКА ВОДЯНОЙ КАМЕРЫ

1Артикул: 65.01705-0002B, COVER;WATER CHAMBER
2Артикул: 65.01907A0002, GASKET;WATER CHAMBER COVER
3Артикул: 06.15010-2311, WASHER
Подробнее >
460 INJECTION PUMP

460 INJECTION PUMP

1Артикул: 400912-00293, PUMP ASSY,FUEL INJECTION
2Артикул: 06.29141-0215, KEY;WOODRUFF
3Артикул: 06.01923-3228, BOLT
Подробнее >
КАРТЕР МАХОВИКА

КАРТЕР МАХОВИКА

1Артикул: 150114-00202, HOUSING,FLYWHEEL
2Артикул: 65.01903A0178, GASKET;FLYWHEEL HOUSING
3Артикул: 65.96002-0003, PLUG;RUBBER
Подробнее >
КАРТЕР РАСПРЕДЕЛИТЕЛЬНЫХ ШЕСТЕРЕН

КАРТЕР РАСПРЕДЕЛИТЕЛЬНЫХ ШЕСТЕРЕН

1Артикул: 130405-00007, CASE;TIMING GEAR
2Артикул: 65.91010-0018, PIN;DOWEL
3Артикул: 65.01903C0021, GASKET;TIMING GEAR CASE
Подробнее >
400 EXHAUST MANIFOLD

400 EXHAUST MANIFOLD

1Артикул: 240102-00331, MANIFOLD ASSY,EXHAUST
2Артикул: 240102-00329, . MANIFOLD,EXHAUST
3Артикул: 240102-00328, . MANIFOLD,EXHAUST
Подробнее >
045 SENSOR & SWITCH

045 SENSOR & SWITCH

1Артикул: 301309-00134, SENSOR,OIL PRESSURE
2Артикул: 06.56180-0714, RING;SEAL
3Артикул: 120705-00983, SCREW,PLUG
Подробнее >
250 CYLINDER HEAD

250 CYLINDER HEAD

1Артикул: 150113-00036A, CYLINDER HEAD ASS`Y
2Артикул: 150113-00200, . HEAD,CYLINDER
3Артикул: 65.03201-1061, . GUIDE,VALVE
Подробнее >
РАСПРЕДЕЛИТЕЛЬНЫЙ ВАЛ

РАСПРЕДЕЛИТЕЛЬНЫЙ ВАЛ

1Артикул: 150103-00054, CAMSHAFT
2Артикул: 65.90720-0099, WASHER;THRUST
3Артикул: 65.98112-0038, FLANGE
Подробнее >
НАСОС ВСПРЫСКА ПРИВОДА

НАСОС ВСПРЫСКА ПРИВОДА

1Артикул: 130412-00119, INJECTION PUMP DRIVE ASS`Y
2Артикул: 65.11309-0005C, . HOUSING;INJ PUMP DRIVE
3Артикул: 06.32092-0307, . BEARING;TAPER ROLLER
Подробнее >
КРЫШКА ГОЛОВКИ ЦИЛИНДРА

КРЫШКА ГОЛОВКИ ЦИЛИНДРА

1Артикул: 65.03401-0021I, COVER;CYLINDER HEAD
2Артикул: 65.03401-6044B, COVER;CYLINDER HEAD
3Артикул: -, COVER,CYLINDER HEAD
Подробнее >
СОЕДИНИТЕЛЬНАЯ ТЯГА

СОЕДИНИТЕЛЬНАЯ ТЯГА

1Артикул: 65.02401-6018C, CONNECTING ROD ASS`Y
2Артикул: 65.02401-0005A, . ROD;CONNECTING
3Артикул: 65.90020-0009D, . BOLT;CONNECTING ROD
Подробнее >
КРЫШКА ВОДЯНОЙ КАМЕРЫ

КРЫШКА ВОДЯНОЙ КАМЕРЫ

1Артикул: 65.01705-0002B, COVER;WATER CHAMBER
2Артикул: 65.01907A0002, GASKET;WATER CHAMBER COVER
3Артикул: 06.15010-2311, WASHER
Подробнее >
ТРУБА ВОЗДУХОЗАБОРНИКА

ТРУБА ВОЗДУХОЗАБОРНИКА

1Артикул: 420209-00067, PIPE,AIR INLET;DE08TIS
2Артикул: 65.96301-0279, HOSE;RUBBER
3Артикул: 06.67020-0109, CLAMP;HOSE
Подробнее >
ТОПЛИВНЫЙ ФИЛЬТР

ТОПЛИВНЫЙ ФИЛЬТР

1Артикул: 400403-00272, FILTER ASSY,FUEL
2Артикул: 400505-00054, . HEAD ASSY,FUEL FILTER
3Артикул: 400504-00078, . ELEMENT,FUEL FILTER
Подробнее >
МАСЛЯНЫЙ ФИЛЬТР

МАСЛЯНЫЙ ФИЛЬТР

1Артикул: 65.05501-7064B, OIL FILTER ASS`Y
2Артикул: 65.05510-5022B, CARTRIDGE;OIL FILTER
3Артикул: 65.05503-5042, HEAD;FILTER
Подробнее >
КАРТЕР МАХОВИКА

КАРТЕР МАХОВИКА

1Артикул: 110524-00010, HOUSING,FLYWHEELпј›ZF T/M
2Артикул: 65.01903A0178, GASKET;FLYWHEEL HOUSING
3Артикул: 65.96002-0003, PLUG;RUBBER
Подробнее >
600 ACCESSORY PARTS

600 ACCESSORY PARTS

1Артикул: 301204-00009, RELAY,PREHEAT
2Артикул: 65.25930-6007B, TIMER
3Артикул: 400504-00078, ELEMENT,FUEL FILTER
Подробнее >
УСТАНОВКА ГЕНЕРАТОРА ПЕРЕМЕННОГО ТОКА

УСТАНОВКА ГЕНЕРАТОРА ПЕРЕМЕННОГО ТОКА

1Артикул: 65.19102-0084A, BRACKET;ALTERNATOR MOUNTING
2Артикул: 06.01914-3320, BOLT ASS`Y M12X45
3Артикул: 06.01914-3219, BOLT ASS`Y M10
Подробнее >
029 INTAKE MANIFOLD

029 INTAKE MANIFOLD

1Артикул: 240203-00058, MANIFOLD,INTAKE;DE08TIS
2Артикул: 65.08902A0024, GASKET;INTAKE MANIFOLD
3Артикул: 06.01923-3218, BOLT ASS`Y M10X35
Подробнее >
ШЕСТЕРНЯ РАСПРЕДЕЛИТЕЛЬНОГО ВАЛА

ШЕСТЕРНЯ РАСПРЕДЕЛИТЕЛЬНОГО ВАЛА

1Артикул: 65.04501-0057, GEAR;CAM SHAFT
2Артикул: 06.01913-3120, BOLT
3Артикул: 130428-00081, IDLE GEAR ASSY
Подробнее >
340 OIL COOLER

340 OIL COOLER

1Артикул: 65.05601-7137B, OIL COOLER ASS`Y
2Артикул: 65.05604-5030, . HOUSING;OIL COOLER
3Артикул: 65.90310-0136A, . SCREW;PLUG
Подробнее >
КОЛЕНЧАТЫЙ ВАЛ

КОЛЕНЧАТЫЙ ВАЛ

1Артикул: 150107-00183, CRANK SHAFT
2Артикул: 130410-00044, GEAR,CRANKSHAFT
3Артикул: 06.22022-0912, PIN;DOWEL
Подробнее >
МОНТАЖ ВОЗДУШНОГО КОМПРЕССОРА

МОНТАЖ ВОЗДУШНОГО КОМПРЕССОРА

1Артикул: 250127-00852, PLATE,MOUNTING
2Артикул: 65.95840-5004A, BRACKET,IDLE PULLEY
3Артикул: 06.01913-3215, BOLT ASS`Y M10X25
Подробнее >
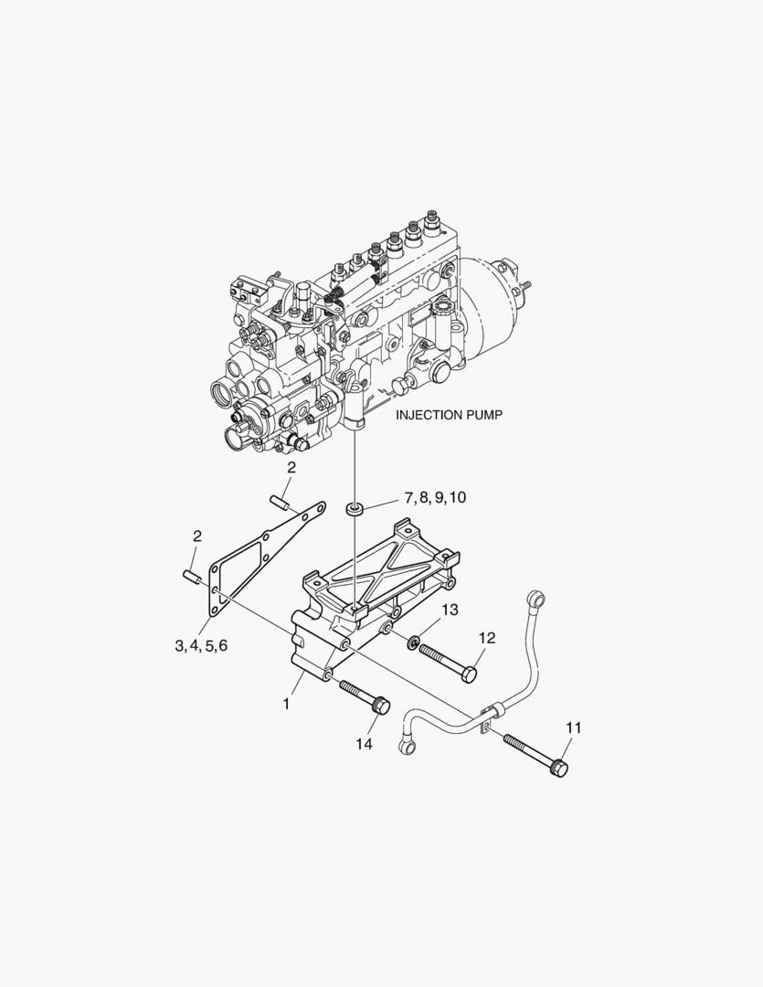
480 INJECTION PUMP MOUNTING

480 INJECTION PUMP MOUNTING

1Артикул: 65.11401-0046A, BRACKET
2Артикул: 06.22022-1112, PIN;DOWEL
3Артикул: 65.11405-0001, SHIM T=0.10
Подробнее >
ШЕСТЕРНЯ РАСПРЕДЕЛИТЕЛЬНОГО ВАЛА

ШЕСТЕРНЯ РАСПРЕДЕЛИТЕЛЬНОГО ВАЛА

1Артикул: 65.04501-0057, GEAR;CAM SHAFT
2Артикул: 65.90020-0086, BOLT;COLLARED HEX
3Артикул: 90CM845, BOLT,HEX FLANGE
Подробнее >
240 V-PULLEY

240 V-PULLEY

1Артикул: 130711-00102, PULLEY,CRANKSHAFT
2Артикул: 65.90701-0088, WASHER
3Артикул: 06.02106-0619, BOLT;SOCKET HEAD
Подробнее >
410 INTAKE MANIFOLD

410 INTAKE MANIFOLD

1Артикул: 240203-00058, MANIFOLD,INTAKE;DE08TIS
2Артикул: 65.08902A0024, GASKET;INTAKE MANIFOLD
3Артикул: 06.01923-3218, BOLT ASS`Y M10X35
Подробнее >
023 OIL PAN

023 OIL PAN

1Артикул: 150119-00007, OIL PAN
2Артикул: 65.90310-0144, DRAIN PLUG ASS`Y
3Артикул: 06.56190-0732, SEAL,RING
Подробнее >
ВПРЫСКИВАЮЩАЯ ТРУБА

ВПРЫСКИВАЮЩАЯ ТРУБА

1Артикул: 420208-00002, PIPE;INJECTION
2Артикул: 65.10301-6052B, PIPE;INJECTION
3Артикул: 06.01013-9221, BOLT;HEX. M10X80
Подробнее >
МАХОВИК В СБОРЕ

МАХОВИК В СБОРЕ

1Артикул: 150111-00087, FLYWHEEL ASSYпј›ZF T/M
2Артикул: -, FLYWHEELпј›DISD T/M
3Артикул: -, FLYWHEEL ASSYпј›DISD T/M
Подробнее >
БЛОК ЦИЛИНДРОВ

БЛОК ЦИЛИНДРОВ

1Артикул: 150102-00405, CYLINDER BLOCK ASS`Y
2Артикул: 150102-00405B, BLOCK ASSY,CYLINDER
3Артикул: 65.01101-0040Q, . BLOCK;CYLINDER(T/C)
Подробнее >
ВПРЫСКИВАЮЩЕЕ СОПЛО

ВПРЫСКИВАЮЩЕЕ СОПЛО

1Артикул: 150118-00114, HOLDER,NOZZLE
2Артикул: 65.96501-0057, RING;SEAL
Подробнее >
МАСЛЯНЫЙ НАСОС

МАСЛЯНЫЙ НАСОС

1Артикул: 400915-00022A, PUMP ASSY,OIL
2Артикул: -, HOUSING,OIL PUMP
3Артикул: 65.05104-5004, GEAR;PUMP
Подробнее >
КАРТЕР КОРОБКИ ПЕРЕДАЧ

КАРТЕР КОРОБКИ ПЕРЕДАЧ

1Артикул: 130405-00007, CASE;TIMING GEAR
2Артикул: 65.91010-0018, PIN;DOWEL
3Артикул: 65.01903C0021, GASKET;TIMING GEAR CASE
Подробнее >
044 STARTER

044 STARTER

1Артикул: 65.26201-7088A, STARTER
2Артикул: 06.56020-0115, O-RING
3Артикул: 06.06225-0808, BOLT;STUD M10X30
Подробнее >
ТОПЛИВНАЯ ТРУБА

ТОПЛИВНАЯ ТРУБА

1Артикул: 420103-00108, HOSE ASSY,FUEL;DE08TIS
2Артикул: 420103-00109, HOSE ASSY,FUEL;DE08TIS
3Артикул: 65.98130-0229, ADAPTER
Подробнее >
012 CYLINDER HEAD

012 CYLINDER HEAD

1Артикул: 150113-00036A, CYLINDER HEAD ASS`Y
2Артикул: 150113-00200, HEAD,CYLINDER
3Артикул: 65.03201-1061, GUIDE,VALVE
Подробнее >
КОРОМЫСЛО КЛАПАНА

КОРОМЫСЛО КЛАПАНА

1Артикул: 65.04200-6025E, ROCKER ARM ASS`Y
2Артикул: 65.04201-5013E, . ROCKER ARM
3Артикул: 65.04205-0003A, . BOLT;ADJUSTING
Подробнее >
МОНТАЖ ВОЗДУШНОГО КОМПРЕССОРА

МОНТАЖ ВОЗДУШНОГО КОМПРЕССОРА

1Артикул: 250201-02605, PLATE;AIR COMPRESSOR MTG
2Артикул: 65.95840-5004A, BRACKET,IDLE PULLEY
3Артикул: 06.01913-3215, BOLT ASS`Y M10X25
Подробнее >
ФИЛЬТР ТОПЛИВА

ФИЛЬТР ТОПЛИВА

1Артикул: 400403-00221, FILTER ASSY,FUEL
2Артикул: 400403-00301, FILTER,FUEL
3Артикул: 400403-00222, FILTER,FUEL
Подробнее >
РАСПРЕДЕЛИТЕЛЬНЫЙ ВАЛ

РАСПРЕДЕЛИТЕЛЬНЫЙ ВАЛ

1Артикул: 65.04401-0027D, SHAFT;CAM
2Артикул: 65.90720-0099, WASHER;THRUST
3Артикул: 65.98112-0038, FLANGE
Подробнее >
043 ALTERNATOR

043 ALTERNATOR

1Артикул: 300901-00096, ALTERNATOR ASSY
Подробнее >
САЛЬНИК

САЛЬНИК

1Артикул: 65.01510-0157, SEAL;OIL(FRONT)
Подробнее >
490 FUEL PIPE

490 FUEL PIPE

1Артикул: 420103-00108, HOSE ASSY,FUEL;DE08TIS
2Артикул: 420103-00109, HOSE ASSY,FUEL;DE08TIS
3Артикул: 65.97460-0001, BAND;TENSION
Подробнее >
VIBRATION ВИБРАЦИОННЫЙ ДЕМПФЕР

VIBRATION ВИБРАЦИОННЫЙ ДЕМПФЕР

1Артикул: 65.02201-7033, DAMPER;VISCOUS
2Артикул: 65.90020-0062B, BOLT;HEX M10X20
Подробнее >
ВОЗДУШНЫЙ КОМПРЕССОР

ВОЗДУШНЫЙ КОМПРЕССОР

1Артикул: 400102-00316, COMPRESSOR,AIR
2Артикул: 06.56017-0506, RING,O
3Артикул: 06.01913-3118, BOLT ASS`Y M8X35
Подробнее >
035 INJECTION PUMP

035 INJECTION PUMP

1Артикул: 400912-00266, PUMP ASSY,INJECTION
2Артикул: 400912-00267, PUMP,INJECTION
3Артикул: 300743-00064, SOLENOID,STOP
Подробнее >
МАСЛЯНЫЙ ПУЛЬВЕРИЗАТОР

МАСЛЯНЫЙ ПУЛЬВЕРИЗАТОР

1Артикул: 65.01601-6003C, OIL SPRAY NOZZLE ASS`Y
2Артикул: 65.05405-6001, RELIEF VALVE ASS`Y
Подробнее >
ПОДЪЕМНЫЙ КРЮК

ПОДЪЕМНЫЙ КРЮК

1Артикул: 120404-00262, HOOK,LIFTING
2Артикул: 06.01283-7520, BOLT;HEX. M16X45
3Артикул: 06.01913-3218, BOLT ASS`Y M10X35
Подробнее >