+7 (701) 588 50 05 Телефон для связи
RU

WhatsApp

Позвонить

00 ДЕТАЛИ ДВИГАТЕЛЯ в Алматы

КОРОМЫСЛО КЛАПАНА

КОРОМЫСЛО КЛАПАНА

1Артикул: 65.04200-6030E, ROCKER ARM SHAFT ASS`Y
2Артикул: 65.04201-5025, . ARM;ROCKER
3Артикул: 65.04201-5026, . ARM;ROCKER
Подробнее >
015 CYLINDER LINER

015 CYLINDER LINER

1Артикул: 65.01201-0074, CYLINDER LINER
Подробнее >
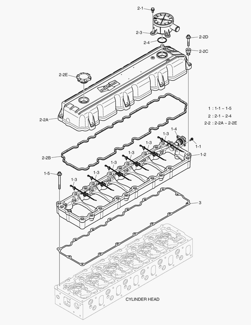
001 CYLINDER HEAD

001 CYLINDER HEAD

1Артикул: 150113-00216, CYLINDER HEAD ASS`Y
2Артикул: 65.04101-0059C, . VALVE
3Артикул: 65.04101-0060B, . VALVE
Подробнее >
ЖГУТ ПРОВОДОВ

ЖГУТ ПРОВОДОВ

1Артикул: 310101-00035, TIE,CABLE
2Артикул: 65.97401-5024, CLIP;PIPE
3Артикул: 110420-00330, CLIP
Подробнее >
МАСЛЯНЫЙ ФИЛЬТР

МАСЛЯНЫЙ ФИЛЬТР

1Артикул: 06.01013-9225, BOLT;HEX
2Артикул: 06.16731-2108, WASHER;SPRING
3Артикул: 06.15010-2312, WASHER;PLAIN
Подробнее >
010 CAMSHAFT

010 CAMSHAFT

1Артикул: 150103-00029, CAM SHAFT
2Артикул: 65.90720-0027A, WASHER;THRUST
3Артикул: 65.90020-0092, BOLT;COLLARED HEX
Подробнее >
009 TAPPET & PUSH ROD

009 TAPPET & PUSH ROD

1Артикул: 65.04301-5002B, TAPPET;VALVE
2Артикул: 150125-00069, TAPPET,VALVE
3Артикул: 65.04302-0001A, ROD;PUSH
Подробнее >
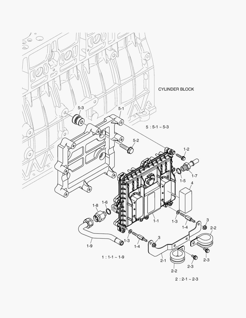
МЕХАНИЗМ ОТБОРА МОЩНОСТИ

МЕХАНИЗМ ОТБОРА МОЩНОСТИ

1Артикул: 06.01913-3217, BOLT M10X30
2Артикул: 130807-00040A, PTO ASS`Y
3Артикул: 130807-00040B, PTO ASSY
Подробнее >
МАХОВИК

МАХОВИК

1Артикул: 65.91001-0004, PIN;CORE
2Артикул: 65.90701-0096A, WASHER
3Артикул: 65.90020-0108, BOLT;COLLARED HEX
Подробнее >
007 VALVE

007 VALVE

1Артикул: -, PLATE;COTTER ASS`Y
2Артикул: 65.04103-0016, . PLATE;VALVE SPRING
3Артикул: 65.04104-0008, . COTTER;VALVE
Подробнее >
ТРУБА ВОДЯНОГО ОХЛАЖДЕНИЯ

ТРУБА ВОДЯНОГО ОХЛАЖДЕНИЯ

1Артикул: 65.90310-0050B, SCREW;PLUG M20X1.5
2Артикул: 06.56190-0715, RING;SEAL
Подробнее >
САПУН

САПУН

1Артикул: -, CHECK VALVE ASS`Y
2Артикул: 06.56190-0706, . SEAL RING
3Артикул: 410104-00025, . CHECK VALVE ASS`Y
Подробнее >
МОДУЛЬ ДОЗАТОРА

МОДУЛЬ ДОЗАТОРА

1Артикул: 420406-00165, TUBE ASS`Y
2Артикул: 06.01923-3117, BOLT
3Артикул: 65.90201-0128, BOLT;STUD
Подробнее >
ШКИВ ХОЛОСТОГО ХОДА

ШКИВ ХОЛОСТОГО ХОДА

1Артикул: 130206-00017, TENSIONER,AUTO
2Артикул: 130205-00558, BELT,V;ALTERNATOR
Подробнее >
042 STARTER

042 STARTER

1Артикул: 300516-00054B, STARTER ASS`Y
2Артикул: 300516-00054C, STARTER ASSY
3Артикул: 301206-00011, . RELAY,STARTER
Подробнее >
САЛЬНИК

САЛЬНИК

1Артикул: 401106-00445, SEAL,OIL
2Артикул: 65.01510-0041, SEAL;OIL
3Артикул: 65.01501-5002B, COVER;OIL SEAL
Подробнее >
035 SUPPLY MODULE

035 SUPPLY MODULE

1Артикул: 450106-00138A, TANK,UREA
2Артикул: 450106-00138B, TANK,UREA
3Артикул: 450106-00138C, TANK,UREA
Подробнее >
040 EGR

040 EGR

1Артикул: -, COOLER,EGR
2Артикул: 06.01913-3115, . BOLT
3Артикул: 120202-00371, . CLAMP
Подробнее >
038 EXHAUST MANIFOLD

038 EXHAUST MANIFOLD

1Артикул: -, MANIFOLD ASS`Y,EXHAUST
2Артикул: 240102-00065, . MANIFOLD ASS`Y;EXHAUST
3Артикул: 240102-00067, .. MANIFOLD;EXHAUST
Подробнее >
044 SWITCH&SENSOR

044 SWITCH&SENSOR

1Артикул: 65.90310-0132, SCREW;PLUG
2Артикул: 06.56190-0718, RING;SEAL
3Артикул: 65.27103-7008, SENSOR;CRANK CAM SPEED
Подробнее >
МАСЛЯНЫЙ ПУЛЬВЕРИЗАТОР

МАСЛЯНЫЙ ПУЛЬВЕРИЗАТОР

1Артикул: -, OIL SPRAY NOZZLE ASS`Y
2Артикул: 65.01601-5021A, . OIL SPRAY NOZZLE
3Артикул: 65.98150-0089A, . SCREW;HOLLOW
Подробнее >
РОЛИК КОЛЕНЧАТОГО ВАЛА

РОЛИК КОЛЕНЧАТОГО ВАЛА

1Артикул: -, PULLEY ASS`Y,CRANKSHAFT
2Артикул: 06.02106-0824, . BOLT
3Артикул: 06.22022-1009, . PIN;DOWEL
Подробнее >
ВПРЫСКИВАЮЩАЯ ТРУБА

ВПРЫСКИВАЮЩАЯ ТРУБА

1Артикул: -, PIPE ASS`Y,INJECTION
2Артикул: 420208-00085, . PIPE;INJECTION
3Артикул: 420208-00086, . PIPE;INJECTION
Подробнее >
КРЫШКА ГОЛОВКИ ЦИЛИНДРА

КРЫШКА ГОЛОВКИ ЦИЛИНДРА

1Артикул: -, COVER,INTERMEDIATE
2Артикул: 06.01923-2911, . BOLT
3Артикул: 110518-00043, . COVER,INTERMEDIATE
Подробнее >
022 OIL COOLER

022 OIL COOLER

1Артикул: 250101-00009, PLATE;BAFFLE
2Артикул: 400621-00010, GASKET;OIL COOLER
3Артикул: 120122-00009, BOLT;SPACER
Подробнее >
ТОПЛИВНЫЙ ФИЛЬТР

ТОПЛИВНЫЙ ФИЛЬТР

1Артикул: 06.01923-3218, BOLT ASS`Y M10X35
2Артикул: -, FUEL FILTER ASS`Y
3Артикул: -, FILTER ASSY,FUEL;SUB ASS`Y
Подробнее >
КАРТЕР РАСПРЕДЕЛИТЕЛЬНЫХ ШЕСТЕРЕН

КАРТЕР РАСПРЕДЕЛИТЕЛЬНЫХ ШЕСТЕРЕН

1Артикул: 130405-00071A, TIMING GEAR CASE
2Артикул: 65.90320-0022, . PLUG SCREW
3Артикул: 65.91710-0016, RING;STOPPER
Подробнее >
УСТАНОВКА ГЕНЕРАТОРА ПЕРЕМЕННОГО ТОКА

УСТАНОВКА ГЕНЕРАТОРА ПЕРЕМЕННОГО ТОКА

1Артикул: 06.01943-3317, BOLT ASS`Y M12X1.5X30
2Артикул: 06.01493-4315, BOLT;HEX M12X1.5X80
3Артикул: 110403-00042C, BRACKET
Подробнее >
004 THERMOSTAT

004 THERMOSTAT

1Артикул: -, HOUSING ASS`Y,THERMOSTAT
2Артикул: 06.01013-9127, . BOLT
3Артикул: 06.01923-3115, . BOLT ASS`Y M8X25
Подробнее >
ВОЗДУШНЫЙ КОМПРЕССОР

ВОЗДУШНЫЙ КОМПРЕССОР

1Артикул: 06.56190-0732, SEAL,RING
2Артикул: 65.90310-0134, SCREW;PLUG
Подробнее >
032 FUEL LINE

032 FUEL LINE

1Артикул: 430201-01082A, ADAPTER
2Артикул: 06.56180-0712, RING;SEAL
3Артикул: 65.96507-0001, RING;SEAL
Подробнее >
039 TURBOCHARGER

039 TURBOCHARGER

1Артикул: 65.96601-0052, GASKET
2Артикул: 400612-00019, GASKET;FLANGE
3Артикул: 400629-00013, GASKET;TURBOCHARGER
Подробнее >
023 OIL PAN

023 OIL PAN

1Артикул: 400604-00025, GASKET,OIL PAN
2Артикул: 65.97460-0002, CABLE TIE
3Артикул: 65.05806-5007A, GUIDE TUBE;OIL LEVEL GAUGE
Подробнее >
ТРУБА ВОЗДУХОЗАБОРНИКА

ТРУБА ВОЗДУХОЗАБОРНИКА

1Артикул: 06.01923-3215, BOLT ASS`Y M10X25
2Артикул: 420202-00465, PIPE,CONNECTION
3Артикул: 65.97450-5001A, CLAMP
Подробнее >
029 INJECTION PUMP

029 INJECTION PUMP

1Артикул: 06.01913-3220, BOLT ASS`Y M10X45
2Артикул: 06.15010-2312, WASHER;PLAIN
3Артикул: -, PUMP ASS`Y,INJECTION
Подробнее >
МОНТАЖ ДВИГАТЕЛЯ

МОНТАЖ ДВИГАТЕЛЯ

1Артикул: 65.41530-0181, BRACKET;MOUNTING
2Артикул: 06.01944-3318, BOLT;HEX
Подробнее >
011 CAMSHAFT DRIVE

011 CAMSHAFT DRIVE

1Артикул: 65.04501-6002A, GEAR;CAM SHAFT
2Артикул: 65.90020-0086, BOLT;COLLARED HEX
3Артикул: 130428-00075, GEAR ASSY,IDLE
Подробнее >
БЛОК ЦИЛИНДРОВ

БЛОК ЦИЛИНДРОВ

1Артикул: 65.90310-0091, SCREW;PLUG M12X1.5X20
2Артикул: 65.90310-0135, PLUG;SCREW
3Артикул: 06.56190-0704, RING;SEAL
Подробнее >
МАСЛЯНЫЙ НАСОС

МАСЛЯНЫЙ НАСОС

1Артикул: 06.22022-0908, PIN;DOWEL
2Артикул: 06.01923-3125, BOLT ASS`Y M8X70
3Артикул: -, OIL PUMP ASS`Y
Подробнее >
КОЛЕНЧАТЫЙ ВАЛ

КОЛЕНЧАТЫЙ ВАЛ

1Артикул: 150107-00367, CRANKSHAFT
2Артикул: 06.22022-1018, PIN;DOWEL
3Артикул: 130410-00039, GEAR,CRANKSHAFT
Подробнее >
КАРТЕР МАХОВИКА

КАРТЕР МАХОВИКА

1Артикул: 65.01904-0027A, GASKET
2Артикул: 65.90020-0099, BOLT, 108mm
3Артикул: 65.90020-0100, BOLT
Подробнее >
025 PISTON

025 PISTON

1Артикул: -, PISTON ASS`Y
2Артикул: 130602-00206, . PISTON
3Артикул: 140112-00011, . METAL,ROD CON.(STD-Upper)
Подробнее >
ВЕНТИЛЯТОР ОХЛАЖДЕНИЯ

ВЕНТИЛЯТОР ОХЛАЖДЕНИЯ

1Артикул: 130709-00083, PULLEY,FAN
2Артикул: 210101-00097, FAN DRIVE ASS`Y
3Артикул: -, . HOUSING
Подробнее >
013 INJECTION PUMP DRIVE

013 INJECTION PUMP DRIVE

1Артикул: 130418-00056, GEAR;INJECTION PUMP
2Артикул: 120816-00002, WASHER,THRUST
3Артикул: 120501-00478, PIN;GEAR
Подробнее >
ВПРЫСКИВАЮЩЕЕ СОПЛО

ВПРЫСКИВАЮЩЕЕ СОПЛО

1Артикул: 65.96507-0053, RING;SEAL
2Артикул: 65.10205-0007, FIXTURE
3Артикул: 65.90020-0141, BOLT;COLLARED HEX
Подробнее >
037 INTAKE MANIFOLD

037 INTAKE MANIFOLD

1Артикул: 240203-00028A, MANIFOLD,INTAKE
2Артикул: 65.08902-0035, GASKET;INTAKE MANIFOLD
3Артикул: 400618-00003, GASKET,INTAKE STAKE
Подробнее >
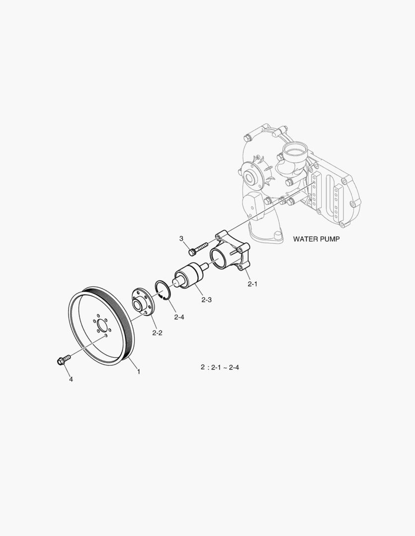
003 WATER PUMP

003 WATER PUMP

1Артикул: 130707-00535A, PULLEY,WATER PUMP
2Артикул: 110449-00018, BRACKET;INTAKE STAKE
3Артикул: 06.01913-3111, BOLT
Подробнее >
045 E.C.U

045 E.C.U

1Артикул: -, CONTROL ASS`Y,ELECTRONIC
2Артикул: 970301-02254, . ECU MAP DATA(EU)
3Артикул: 970301-02248, . ECU MAP DATA(US)
Подробнее >
036 EXHAUST FILTERING MUFFLER

036 EXHAUST FILTERING MUFFLER

1Артикул: 240103-00887A, MUFFLER ASS`Y
2Артикул: 240103-00995, . MUFFLER,DOC
3Артикул: 120209-00007, . CLAMP
Подробнее >
ПОДЪЕМ ДВИГАТЕЛЯ

ПОДЪЕМ ДВИГАТЕЛЯ

1Артикул: 120404-00355, HOOK,LIFTING
2Артикул: 110452-00086, BRACKET,WIRE HARNESS
3Артикул: 120404-00042, HOOK;LIFTING
Подробнее >