+7 (701) 588 50 05 Телефон для связи
RU

WhatsApp

Позвонить

00 ДЕТАЛИ ДВИГАТЕЛЯ в Алматы

014 CYLINDER LINER

014 CYLINDER LINER

1Артикул: 150117-00082, LINER,CYLINDER
Подробнее >
022 OIL PAN

022 OIL PAN

1Артикул: 400604-00037, GASKET,OIL PAN
2Артикул: -, GAUGE ASSY,OIL LEVEL
3Артикул: 420210-02955, . PIPE,OIL LEVEL GAUGE
Подробнее >
035 EXHAUST MANIFOLD

035 EXHAUST MANIFOLD

1Артикул: 240102-00531A, MANIFOLD ASSY,EXHAUST
2Артикул: 240102-00419D, . MANIFOLD ASSY,EXHAUST
3Артикул: 240102-00340C, .. MANIFOLD,EXHAUST
Подробнее >
УСТАНОВКА ГЕНЕРАТОРА ПЕРЕМЕННОГО ТОКА

УСТАНОВКА ГЕНЕРАТОРА ПЕРЕМЕННОГО ТОКА

1Артикул: 90CM10100, BOLT,HEX FLANGE
2Артикул: 90CM1040, BOLT,HEX FLANGE
3Артикул: 110403-00285, BRACKET
Подробнее >
РОЛИК КОЛЕНЧАТОГО ВАЛА

РОЛИК КОЛЕНЧАТОГО ВАЛА

1Артикул: 180313-00448A, DAMPER ASSY
2Артикул: 130711-00178, . PULLEY,CRANKSHAFT
3Артикул: 120810-00350, . WASHER;CRS PULLEY BOLT
Подробнее >
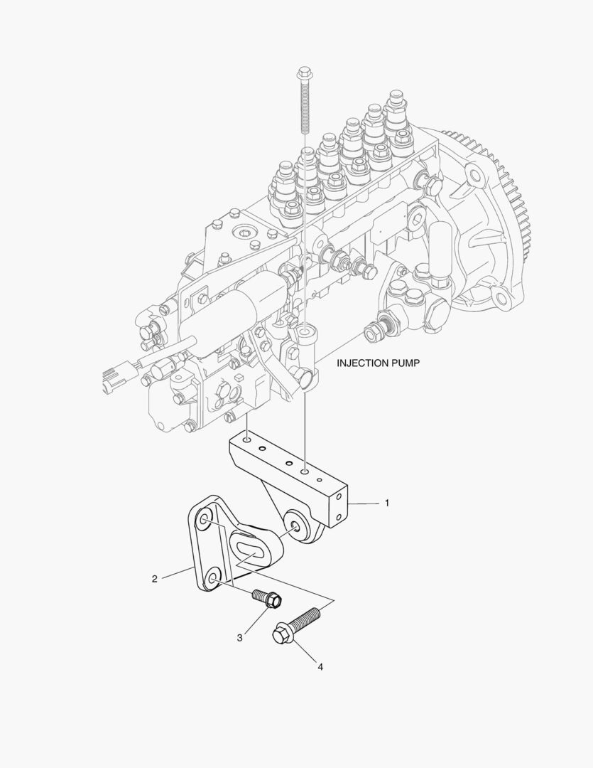
031 INJECTION PUMP MOUNTING

031 INJECTION PUMP MOUNTING

1Артикул: 110418-00006A, BRACKET,INJECTION PUMP
2Артикул: 110418-00007, BRACKET,INJECTION PUMP
3Артикул: 65.90020-0063B, BOLT;HEX
Подробнее >
САЛЬНИК

САЛЬНИК

1Артикул: 65.01510-0041, SEAL;OIL
2Артикул: 65.01510-0158, SEAL;OIL(REAR)
Подробнее >
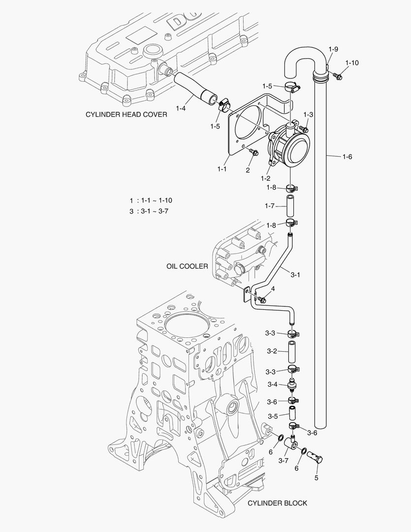
021 OIL COOLER

021 OIL COOLER

1Артикул: 400621-00022, GASKET
2Артикул: 400206-00741C, COOLER ASSY,OIL
3Артикул: -, . COOLER ASSY,OIL
Подробнее >
024 PISTON

024 PISTON

1Артикул: 130602-01703, PISTON ASSY
2Артикул: 130602-01687, . PISTON
3Артикул: -, . RING,TOP
Подробнее >
ПОДЪЕМ ДВИГАТЕЛЯ

ПОДЪЕМ ДВИГАТЕЛЯ

1Артикул: 120404-00333D, HOOK,LIFTING
2Артикул: 120404-00333D, HOOK,LIFTING
3Артикул: 90CM1030, BOLT,HEX FLANGE
Подробнее >
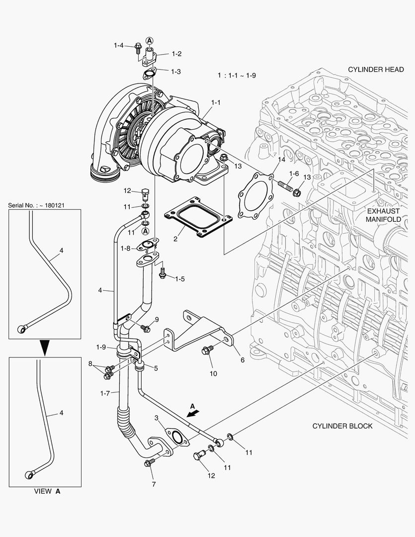
036 TURBOCHARGER

036 TURBOCHARGER

1Артикул: 150105-00885A, CHARGER ASSY,TURBO
2Артикул: 150105-00769A, . CHARGER ASSY,TURBO
3Артикул: 65.98131-5008, . FLANGE;ADPTER
Подробнее >
МОНТАЖ ДВИГАТЕЛЯ

МОНТАЖ ДВИГАТЕЛЯ

1Артикул: 36CM1440, BOLT,HEX FLANGE
2Артикул: 110427-00890A, BRACKET
3Артикул: 110427-00894A, BRACKET
Подробнее >
007 VALVE

007 VALVE

1Артикул: 410112-00067A, VALVE,INTAKE
2Артикул: 410112-00068A, VALVE,EXHAUST
3Артикул: 65.04102-0022A, SPRING;VALVE EXHAUST
Подробнее >
011 CAMSHAFT DRIVE

011 CAMSHAFT DRIVE

1Артикул: 130408-00051, GEAR,CAMSHAFT
2Артикул: 130428-00222A, GEAR ASSY,IDLE
3Артикул: 130717-00019, . BUSHING,GEAR
Подробнее >
041 AIR HEATER RELAY

041 AIR HEATER RELAY

1Артикул: 301202-00378C, RELAY ASSY
2Артикул: 301202-00067, . RELAY,PRE HEATER
3Артикул: 110406-02674, . BRACKET
Подробнее >
КАРТЕР МАХОВИКА

КАРТЕР МАХОВИКА

1Артикул: 400613-00030, GASKET,FLYWHEEL HOUSING
2Артикул: 401009-00035, RING,STOP
3Артикул: 36CM1245, BOLT,HEX FLANGE
Подробнее >
КАРТЕР РАСПРЕДЕЛИТЕЛЬНЫХ ШЕСТЕРЕН

КАРТЕР РАСПРЕДЕЛИТЕЛЬНЫХ ШЕСТЕРЕН

1Артикул: 130405-00139, TIMING GEAR CASE
2Артикул: 110512-00082A, COVER,TIMING GEAR CASE
3Артикул: 400628-00025B, GASKET,TIMING GEAR CASE
Подробнее >
003 WATER PUMP

003 WATER PUMP

1Артикул: 400921-00532B, PUMP ASSY,WATER
2Артикул: 89CM1090, BOLT,HEX
Подробнее >
040 STARTER

040 STARTER

1Артикул: 300516-00020C, STARTER
2Артикул: 301206-00028, . RELAY,STARTER
3Артикул: 06.06175-8309, BOLT;STUD
Подробнее >
ТРУБА ВОДЯНОГО ОХЛАЖДЕНИЯ

ТРУБА ВОДЯНОГО ОХЛАЖДЕНИЯ

1Артикул: 401002-01352, RING,O
2Артикул: 89CM825, BOLT,HEX
3Артикул: 420109-00594, HOSE,COOLING WATER
Подробнее >
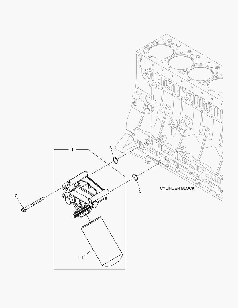
МАСЛЯНЫЙ ФИЛЬТР

МАСЛЯНЫЙ ФИЛЬТР

1Артикул: 400404-00112B, FILTER ASSY,ENGINE OIL
2Артикул: 400508-00085, . CARTRIDGE,OIL FILTER
3Артикул: 36CM12140, BOLT,HEX FLANGE
Подробнее >
ВЕНТИЛЯТОР ОХЛАЖДЕНИЯ

ВЕНТИЛЯТОР ОХЛАЖДЕНИЯ

1Артикул: 110412-00162B, BRACKET ASSY
2Артикул: 110412-00163B, . BRACKET,FAN MOUNTING
3Артикул: 51.93410-0073, . BEARING,ANGULAR BALL
Подробнее >
001 CYLINDER HEAD

001 CYLINDER HEAD

1Артикул: 150113-00596D, HEAD ASSY,CYLINDER
2Артикул: 150113-00597D, . HEAD,CYLINDER
3Артикул: 65.90302-0042, . PLUG;CORE
Подробнее >
ТОПЛИВНЫЙ ФИЛЬТР

ТОПЛИВНЫЙ ФИЛЬТР

1Артикул: 400403-00514A, FILTER ASSY,FUEL
2Артикул: 400403-00527, . FILTER ASSY,FUEL
3Артикул: -, .. HEAD ASSY,FUEL FILTER
Подробнее >
ТРУБА ВОЗДУХОЗАБОРНИКА

ТРУБА ВОЗДУХОЗАБОРНИКА

1Артикул: 420209-00441, PIPE,AIR INLET
2Артикул: 110449-00077, BRACKET,AIR INLET
3Артикул: 65.90020-0063B, BOLT;HEX
Подробнее >
ЖГУТ ПРОВОДОВ

ЖГУТ ПРОВОДОВ

1Артикул: 110452-00158, BRACKET,WIRE HARNESS
2Артикул: 310207-03757A, HARNESS
3Артикул: 90CM1016, BOLT,HEX FLANGE
Подробнее >
САПУН

САПУН

1Артикул: 400811-00124B, BREATHER ASSY
2Артикул: 110440-00042, . BRACKET,BREATHER
3Артикул: 65.01801-5100, . HOUSING;BREATHER
Подробнее >
БЛОК ЦИЛИНДРОВ

БЛОК ЦИЛИНДРОВ

1Артикул: 150102-00901B, BLOCK ASSY,CYLINDER
2Артикул: 150102-00900B, . BLOCK,CYLINDER
3Артикул: 140202-00298, . CAP,MAIN BEARING
Подробнее >
010 CAMSHAFT

010 CAMSHAFT

1Артикул: 150103-00129A, CAMSHAFT
2Артикул: 65.98112-0038, FLANGE
3Артикул: 89CM612, BOLT,HEX FLANGE
Подробнее >
028 INJECTION PUMP

028 INJECTION PUMP

1Артикул: 400912-00441B, PUMP ASSY,FUEL INJECTION
2Артикул: 400912-00444, . PUMP ASSY,INJECTION
3Артикул: -, .. PUMP ASSY,INJECTION
Подробнее >
004 THERMOSTAT

004 THERMOSTAT

1Артикул: 110980-00213A, HOUSING ASSY,THERMOSTAT
2Артикул: 110980-00199, . HOUSING,THERMOSTAT
3Артикул: 400606-01413, . PACKING,COVER
Подробнее >
034 INTAKE MANIFOLD

034 INTAKE MANIFOLD

1Артикул: 240203-00290C, MANIFOLD ASSY,INTAKE
2Артикул: 240203-00331, . MANIFOLD,INTAKE
3Артикул: 89CM10160, . BOLT,HEX FLANGE
Подробнее >
032 FUEL LINE

032 FUEL LINE

1Артикул: 420204-00709, PIPE,FUEL RETURN
2Артикул: 89CM816, BOLT,HEX FLANGE
3Артикул: 120703-00040A, SCREW,HOLLOW
Подробнее >
ВПРЫСКИВАЮЩЕЕ СОПЛО

ВПРЫСКИВАЮЩЕЕ СОПЛО

1Артикул: 400903-00102, INJECTOR ASSY
2Артикул: 65.96507-0053, RING;SEAL
3Артикул: 860103-00916A, FIXTURE,INJECTOR
Подробнее >
КОЛЕНЧАТЫЙ ВАЛ

КОЛЕНЧАТЫЙ ВАЛ

1Артикул: 130410-00067B, GEAR,CRANKSHAFT
2Артикул: 3JM6050, PIN;SPRING
3Артикул: 140103-00127, BEARING,MAIN
Подробнее >
МАСЛЯНЫЙ ПУЛЬВЕРИЗАТОР

МАСЛЯНЫЙ ПУЛЬВЕРИЗАТОР

1Артикул: 430218-00421, NOZZLE ASSY,OIL SPRAY
2Артикул: 430218-00320, . NOZZLE ASSY,OIL SPRAY
3Артикул: 410127-00442, . VALVE ASSY,RELIEF
Подробнее >
МАХОВИК

МАХОВИК

1Артикул: 150111-00351, FLYWHEEL ASSY
2Артикул: 130422-00073, . GEAR,RING
3Артикул: 120106-00995, BOLT,HEX FLANGE
Подробнее >
КОРОМЫСЛО КЛАПАНА

КОРОМЫСЛО КЛАПАНА

1Артикул: 150122-00105C, ROCKER ARM SHAFT ASSY
2Артикул: 150101-00081A, . ARM ASSY,ROCKER
3Артикул: 150101-00083A, . ARM ASSY,ROCKER
Подробнее >
ВПРЫСКИВАЮЩАЯ ТРУБА

ВПРЫСКИВАЮЩАЯ ТРУБА

1Артикул: -, PIPE ASSY,INJECTION;FRONT
2Артикул: 420208-00576, . PIPE,INJECTION;#1 CYLINDER
3Артикул: 420208-00577, . PIPE,INJECTION;#2 CYLINDER
Подробнее >
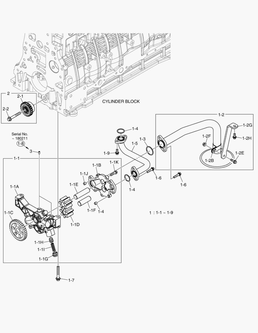
МАСЛЯНЫЙ НАСОС

МАСЛЯНЫЙ НАСОС

1Артикул: 400915-00379A, PUMP ASSY,OIL
2Артикул: 400915-00375, . PUMP ASSY,OIL
3Артикул: 130412-00205A, .. GEAR,OIL PUMP DRIVE
Подробнее >
КРЫШКА ГОЛОВКИ ЦИЛИНДРА

КРЫШКА ГОЛОВКИ ЦИЛИНДРА

1Артикул: 150106-00251A, COVER ASSY,CYLINDER HEAD
2Артикул: 150106-00242, . COVER ASSY
3Артикул: 150106-00241, .. COVER,CYLINDER HEAD
Подробнее >