+7 (701) 588 50 05 Телефон для связи
RU

WhatsApp

Позвонить

00 ДЕТАЛИ ДВИГАТЕЛЯ в Алматы

021 OIL COOLER

021 OIL COOLER

1Артикул: 65.05601-7042, OIL COOLER ASS`Y
2Артикул: 65.05601-7137A, OIL COOLER ASS`Y
3Артикул: 65.05604-5025, HOUSING;OIL COOLER
Подробнее >
016 CYLINDER HEAD

016 CYLINDER HEAD

1Артикул: 65.03101-6495I, CYLINDER HEAD ASS`Y
2Артикул: 65.03101-6495M, CYLINDER HEAD ASS`Y
3Артикул: 65.03101-6495N, CYLINDER HEAD ASS`Y
Подробнее >
029 ELEC.PARTS & TACHOMETER DRIVE

029 ELEC.PARTS & TACHOMETER DRIVE

1Артикул: 65.96801-0123, V-BELT 1500
2Артикул: 65.19102-0044, BRACKET;ALTERNATOR MOUNTING
3Артикул: 65.19102-0044B, BRACKET;ALTERNATOR MOUNTING
Подробнее >
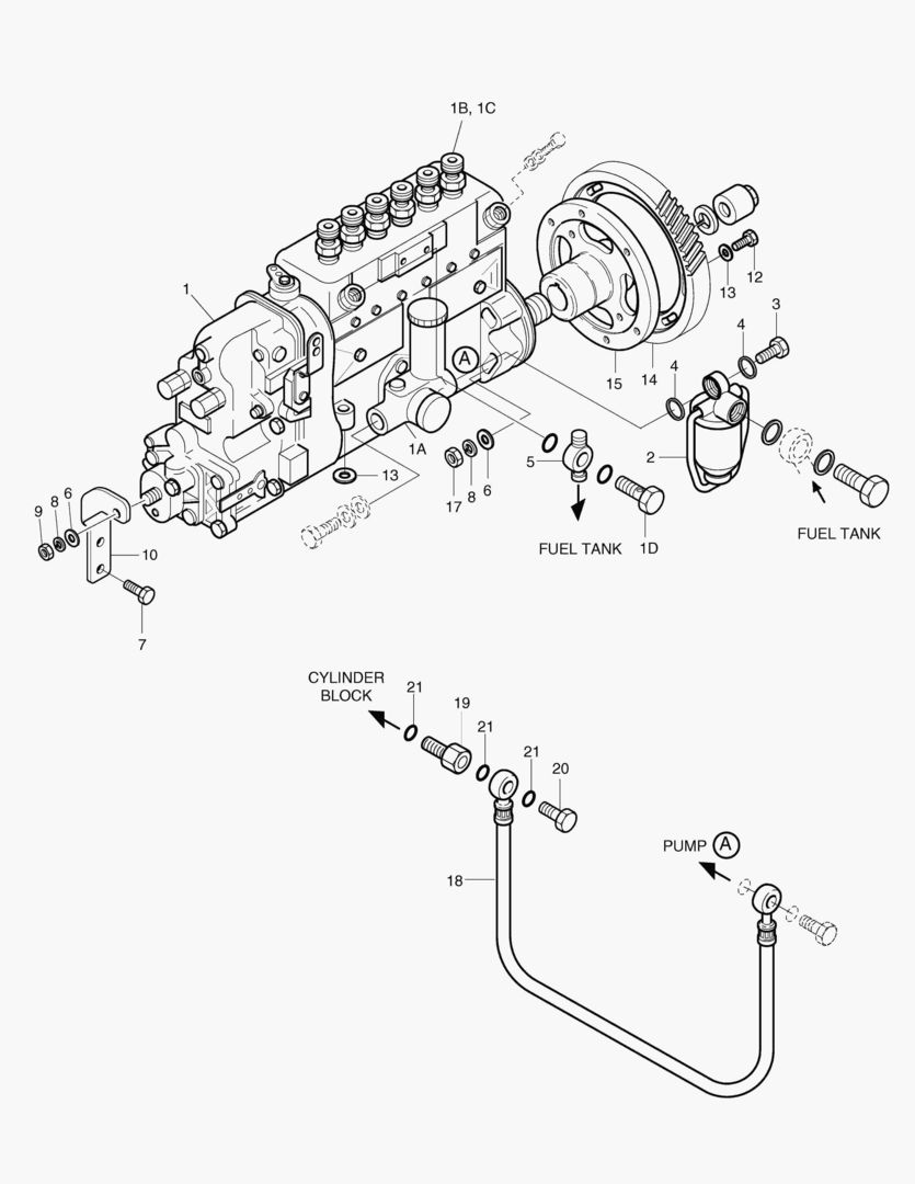
027 INJECTION PUMP

027 INJECTION PUMP

1Артикул: 65.11101-7299, PUMP;INJECTION
2Артикул: 65.12101-7026, . PUMP;FEED
3Артикул: 65.11125-0009S, . PLUNGER
Подробнее >
МАСЛЯНЫЙ ФИЛЬТР

МАСЛЯНЫЙ ФИЛЬТР

1Артикул: 65.05501-7064, OIL FILTER ASS`Y
2Артикул: 65.05501-7064A, OIL FILTER ASS`Y
3Артикул: 65.05503-5042, . HEAD;FILTER
Подробнее >
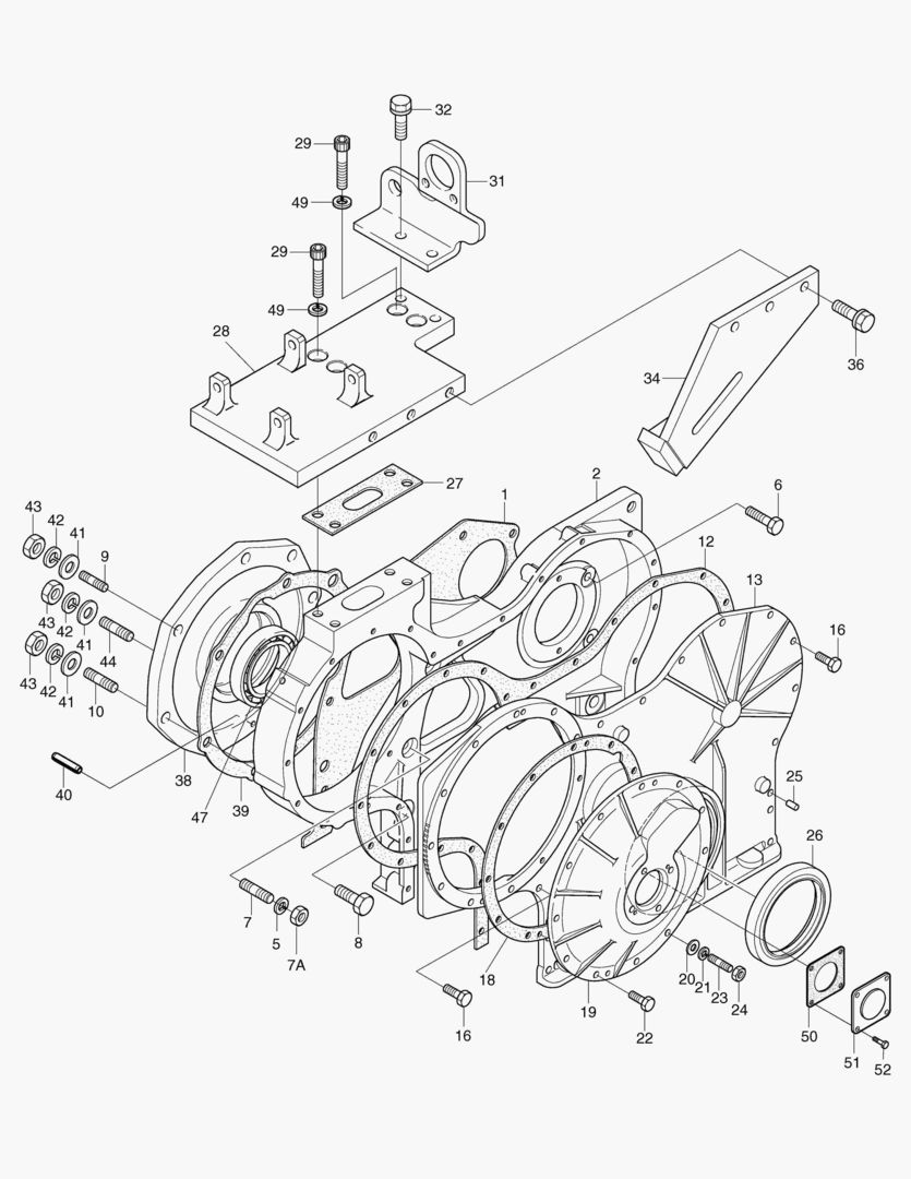
КАРТЕР МАХОВИКА

КАРТЕР МАХОВИКА

1Артикул: 65.01401-0177, HOUSING;FLYWHEEL
2Артикул: 65.01903A0178, GASKET;FLYWHEEL HOUSING
3Артикул: 65.96002-0003, PLUG;RUBBER
Подробнее >
023 COOLING SYSTEM

023 COOLING SYSTEM

1Артикул: 65.01705-0002, COVER;WATER CHAMBER
2Артикул: 65.01907-0002, GASKET(WATER CHAMBER COVER)
3Артикул: 65.01907A0002, GASKET;WATER CHAMBER COVER
Подробнее >
БЛОК ЦИЛИНДРОВ

БЛОК ЦИЛИНДРОВ

1Артикул: 65.01101-6040D, CYLINDER BLOCK ASS`Y
2Артикул: 65.01101-6040E, CYLINDER BLOCK ASS`Y
3Артикул: 65.01101-6040F, CYLINDER BLOCK ASS`Y
Подробнее >
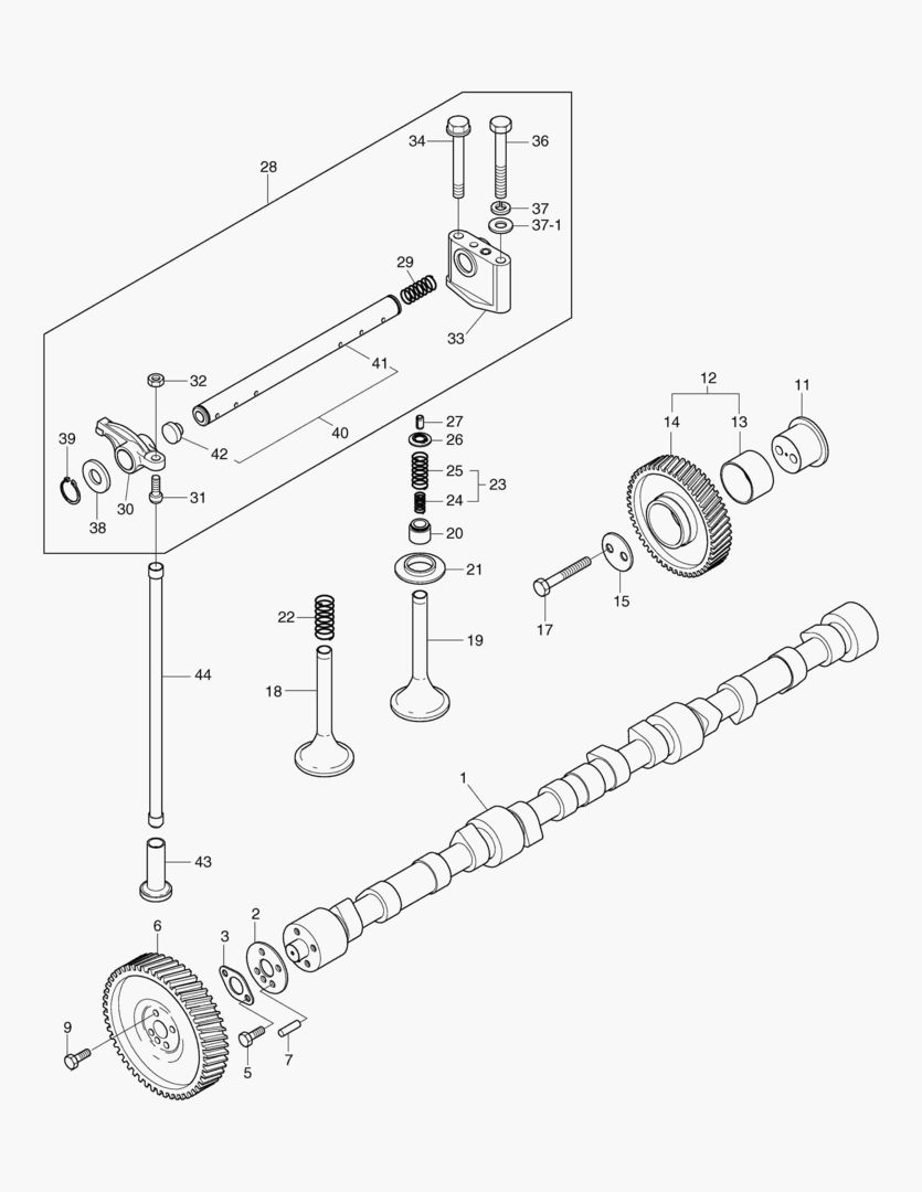
РАСПРЕДЕЛИТЕЛЬНЫЙ ВАЛ

РАСПРЕДЕЛИТЕЛЬНЫЙ ВАЛ

1Артикул: 65.04401-0014, SHAFT;CAM
2Артикул: 65.04401-0014C, SHAFT;CAM
3Артикул: 65.90720-0099, WASHER;THRUST
Подробнее >
ВАЛ КРИВОШИПА

ВАЛ КРИВОШИПА

1Артикул: 65.02101-7540, CRANK SHAFT ASS`Y
2Артикул: 65.02101-7024, CRANK SHAFT ASS`Y
3Артикул: 65.02101-0024, SHAFT;CRANK
Подробнее >
031 TURBO CHARGER & OIL PIPE

031 TURBO CHARGER & OIL PIPE

1Артикул: 65.09100-7038, TURBO CHARGER ASS`Y
2Артикул: 65.09901-0018A, GASKET
3Артикул: 65.90201-0073, BOLT;STUD
Подробнее >
МОНТАЖ ДВИГАТЕЛЯ

МОНТАЖ ДВИГАТЕЛЯ

1Артикул: 65.41530-0056, BRACKET;LH
2Артикул: 06.06175-8309, BOLT;STUD
3Артикул: 06.11064-9216, NUT;HEX. M12X1.5
Подробнее >
ВПРЫСКИВАЮЩАЯ ТРУБА

ВПРЫСКИВАЮЩАЯ ТРУБА

1Артикул: 65.10301-6048B, INJECTION PIPE ASS`Y
2Артикул: 65.10301-6048C, INJECTION PIPE ASS`Y
3Артикул: 65.96330-0129, TUBE;FUEL OVER FLOW
Подробнее >
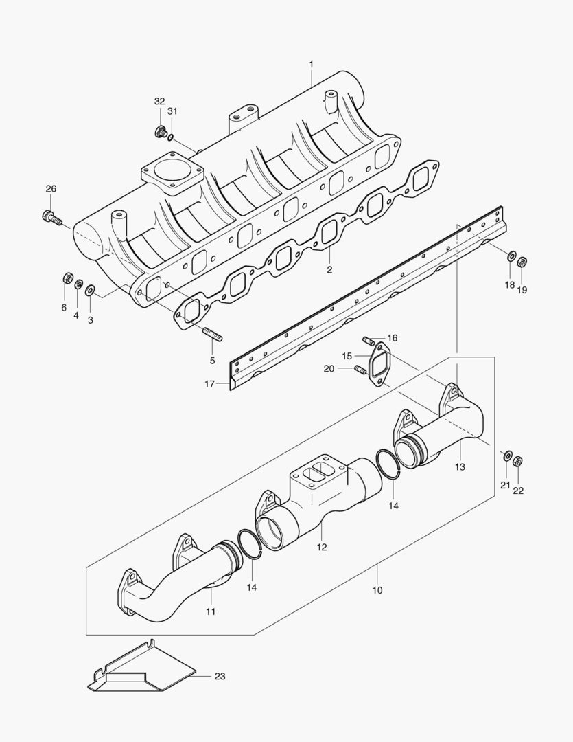
024 INTAKE & EXHAUST MANIFOLD

024 INTAKE & EXHAUST MANIFOLD

1Артикул: 65.08201-5053, INTAKE MANIFOLD
2Артикул: 65.08902-0024, GASKET(INTAKE MANIFOLD)
3Артикул: 65.08902A0024, GASKET;INTAKE MANIFOLD
Подробнее >
ТОПЛИВНЫЙ ФИЛЬТР

ТОПЛИВНЫЙ ФИЛЬТР

1Артикул: 65.12501-7071B, FUEL FILTER ASS`Y
2Артикул: 65.12501-7071D, FUEL FILTER ASS`Y
3Артикул: 65.12501-7023, FUEL FILTER ASS`Y
Подробнее >
НАСОС ВОДЯНОГО ОХЛАЖДЕНИЯ

НАСОС ВОДЯНОГО ОХЛАЖДЕНИЯ

1Артикул: 65.06500-6145A, WATER PUMP ASS`Y
2Артикул: 65.06506-0023, IMPELLAR
3Артикул: 65.06520-6007, SEAL;MECHANICAL
Подробнее >
ПРОМЕЖУТОЧНАЯ ПЕРЕДАЧА

ПРОМЕЖУТОЧНАЯ ПЕРЕДАЧА

1Артикул: 65.05200-6034, IDLE GEAR ASS`Y
2Артикул: 65.05204-0036, GEAR;IDLE
3Артикул: 06.31420-0314, BEARING;BALL
Подробнее >
015 PISTON

015 PISTON

1Артикул: 65.02501-0203A, PISTON
2Артикул: 65.02501-0785, PISTON
3Артикул: 65.02503-0054, RING;TOP 111X3.5
Подробнее >
КОМПЛЕКТ ПРОКЛАДОК ДЛЯ КАПИТАЛЬНОГО РЕМОНТА

КОМПЛЕКТ ПРОКЛАДОК ДЛЯ КАПИТАЛЬНОГО РЕМОНТА

1Артикул: 65.96601A0042, GASKET;END COVER
2Артикул: 65.01903C0021, GASKET;TIMING GEAR CASE
3Артикул: 65.01903B0113, GASKET;T.G.C COVER
Подробнее >
ФОРСУНКА И КРЕПЛЕНИЕ

ФОРСУНКА И КРЕПЛЕНИЕ

1Артикул: 65.10101-7050, NOZZLE HOLDER ASS`Y
2Артикул: 65.10101-7050A, NOZZLE HOLDER ASS`Y
3Артикул: -, NOZZLE HOLDER
Подробнее >
КАРТЕР РАСПРЕДЕЛИТЕЛЬНЫХ ШЕСТЕРЕН

КАРТЕР РАСПРЕДЕЛИТЕЛЬНЫХ ШЕСТЕРЕН

1Артикул: 65.01903-0021, GASKET(TIMING GEAR CASE)
2Артикул: 65.01903C0021, GASKET;TIMING GEAR CASE
3Артикул: 65.01304-0010M, CASE;TIMING GEAR
Подробнее >
МАСЛЯНАЯ ТРУБКА-В ПОДДОНЕ КАРТЕРА

МАСЛЯНАЯ ТРУБКА-В ПОДДОНЕ КАРТЕРА

1Артикул: 65.05701-6075A, OIL SUCTION PIPE ASS`Y
2Артикул: 65.05701-5635, . OIL SUCTION PIPE ASS`Y
3Артикул: 65.05740-0096, HOLDER;OIL SUCTION PIPE
Подробнее >