+7 (701) 588 50 05 Телефон для связи
RU

WhatsApp

Позвонить

ДЕТАЛИ ДВИГАТЕЛЯ в Алматы

013 INTAKE & EXHAUST MANIFOLD [2001~2011]

013 INTAKE & EXHAUST MANIFOLD [2001~2011]

1Артикул: 65.08100-6037, MANIFOLD;EXHAUST ASS`Y
2Артикул: 65.08100-6037A, MANIFOLD;EXHAUST ASS`Y
3Артикул: 65.08100-6037B, MANIFOLD;EXHAUST ASS`Y
Подробнее >
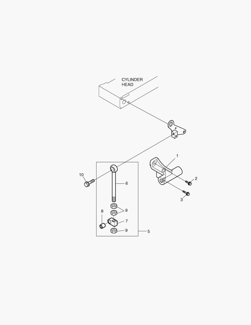
270 ALTERNATOR MOUNTING [2012~]

270 ALTERNATOR MOUNTING [2012~]

1Артикул: 65.19102-0013B, BRACKET
2Артикул: 06.01944-3215, BOLT
3Артикул: 06.01943-3218, BOLT
Подробнее >
170 VALVE MECHANISM [2012~]

170 VALVE MECHANISM [2012~]

1Артикул: 65.04101-0047, VALVE;INLET
2Артикул: 65.04101-0025A, VALVE;EXHAUST
3Артикул: 65.04102-0005, SPRING;VALVE
Подробнее >
230 WATER PUMP & COOLING FAN [2012~]

230 WATER PUMP & COOLING FAN [2012~]

1Артикул: 65.06500-6144A, WATER PUMP ASS`Y
2Артикул: 65.06501-0214, HOUSING
3Артикул: 65.06520-6007, SEAL;MECHANICAL
Подробнее >
150 CYLINDER HEAD [2012~]

150 CYLINDER HEAD [2012~]

1Артикул: 65.03101-6071A, CYLINDER HEAD ASS`Y
2Артикул: 65.03101-6071B, CYLINDER HEAD ASS`Y
3Артикул: 65.03101-1043C, HEAD;CYLINDER
Подробнее >
130 FLYWHEEL HOUSING [2012~]

130 FLYWHEEL HOUSING [2012~]

1Артикул: 65.01401-0119, HOUSING;FLYWHEEL
2Артикул: 65.01401-0119A, HOUSING;FLYWHEEL
3Артикул: 06.01494-4407, BOLT;HEX.
Подробнее >
120 TIMING GEAR CASE [2012~]

120 TIMING GEAR CASE [2012~]

1Артикул: 65.01304-0003C, CASE;TIMING GEAR
2Артикул: 06.22022-3119, PIN
3Артикул: 65.01903B0004, GASKET
Подробнее >
018 OVER HAUL GASKET KIT-TOP [2001~2011]

018 OVER HAUL GASKET KIT-TOP [2001~2011]

1Артикул: 65.99605-8004, OVER HAUL GASKET KIT-TOP
2Артикул: 65.03901-0055, GASKET;CYLINDER HEAD
3Артикул: 65.04902-0011A, SEAL;VALVE STEM
Подробнее >
110 CYLINDER BLOCK [2012~]

110 CYLINDER BLOCK [2012~]

1Артикул: 65.01101-6054I, CYLINDER BLOCK ASS`Y
2Артикул: 65.01101-6054J, CYLINDER BLOCK ASS`Y
3Артикул: 65.01101-6054K, CYLINDER BLOCK ASS`Y
Подробнее >
014 FUEL SYSTEM [2001~2011]

014 FUEL SYSTEM [2001~2011]

1Артикул: 65.10101-7295, NOZZLE HOLDER ASS`Y
2Артикул: 65.10102-6044, NOZZLE
3Артикул: 65.96507-0004, RING;SEAL
Подробнее >
001 CYLINDER BLOCK [2001~2011]

001 CYLINDER BLOCK [2001~2011]

1Артикул: 65.01101-6054H, CYLINDER BLOCK ASS`Y
2Артикул: 65.01101-6054I, CYLINDER BLOCK ASS`Y
3Артикул: 65.01101-6054J, CYLINDER BLOCK ASS`Y
Подробнее >
006 VALVE MECHANISM [2001~2011]

006 VALVE MECHANISM [2001~2011]

1Артикул: 65.04101-0047, VALVE;INLET
2Артикул: 65.04101-0025A, VALVE;EXHAUST
3Артикул: 65.04102-0005, SPRING;VALVE
Подробнее >
017 STARTER [2001~2011]

017 STARTER [2001~2011]

1Артикул: 65.26201-7044, STARTER
2Артикул: 65.26201-7076, STARTER
3Артикул: 65.26201-7076B, STARTER
Подробнее >
008 OIL FILTER [2001~2011]

008 OIL FILTER [2001~2011]

1Артикул: 65.05501-7069, OIL FILTER ASS`Y
2Артикул: 65.05501-7069B, OIL FILTER ASS`Y
3Артикул: 65.05510-5021A, ELEMENT;OIL FILTER
Подробнее >
180 OIL PUMP [2012~]

180 OIL PUMP [2012~]

1Артикул: 65.05101-7020, OIL PUMP ASS`Y(NO.102-118)
2Артикул: 65.05102-0018, HOUSING;OIL PUMP
3Артикул: 65.05104-6002, GEAR ASS`Y;OIL PUMP
Подробнее >
240 INTAKE & EXHAUST MANIFOLD [2012~]

240 INTAKE & EXHAUST MANIFOLD [2012~]

1Артикул: 65.08100-6037, MANIFOLD;EXHAUST ASS`Y
2Артикул: 65.08100-6037A, MANIFOLD;EXHAUST ASS`Y
3Артикул: 65.08100-6037B, MANIFOLD;EXHAUST ASS`Y
Подробнее >
004 CRANK SHAFT [2001~2011]

004 CRANK SHAFT [2001~2011]

1Артикул: 65.02101-6018A, CRANK SHAFT ASS`Y
2Артикул: 65.02101-0045A, SHAFT;CRANK
3Артикул: 06.22022-3212, PIN;PARALLEL
Подробнее >
012 WATER PUMP & COOLING FAN [2001~2011]

012 WATER PUMP & COOLING FAN [2001~2011]

1Артикул: 65.06500-6144, WATER PUMP ASS`Y
2Артикул: 65.06500-6144A, WATER PUMP ASS`Y
3Артикул: 65.06501-0214, HOUSING
Подробнее >
140 CRANK SHAFT [2012~]

140 CRANK SHAFT [2012~]

1Артикул: 65.02101-6018A, CRANK SHAFT ASS`Y
2Артикул: 65.02101-0045A, SHAFT;CRANK
3Артикул: 06.22022-3212, PIN;PARALLEL
Подробнее >
290 OVER HAUL GASKET KIT-TOP [2012~]

290 OVER HAUL GASKET KIT-TOP [2012~]

1Артикул: 65.99605-8004, OVER HAUL GASKET KIT-TOP
2Артикул: 65.03901-0055, GASKET;CYLINDER HEAD
3Артикул: 65.04902-0015, SEAL;VALVE STEM
Подробнее >
220 THERMOSTAT [2012~]

220 THERMOSTAT [2012~]

1Артикул: 65.06404-5003B, HOUSING ASS`Y
2Артикул: 65.06402-5015, THERMOSTAT
3Артикул: 65.06405-0012A, OUTLET;WATER
Подробнее >
010 OIL PAN [2001~2011]

010 OIL PAN [2001~2011]

1Артикул: 65.05801-5021, PAN;OIL
2Артикул: 06.56190-0715, RING;SEAL
3Артикул: 06.01913-3112, BOLT ASS`Y M8X18
Подробнее >
007 OIL PUMP [2001~2011]

007 OIL PUMP [2001~2011]

1Артикул: 65.05101-7020, OIL PUMP ASS`Y(NO.102-118)
2Артикул: 65.05102-0018, HOUSING;OIL PUMP
3Артикул: 65.05104-6002, GEAR ASS`Y;OIL PUMP
Подробнее >
300 OVER HAUL GASKET KIT-ALL [2012~]

300 OVER HAUL GASKET KIT-ALL [2012~]

1Артикул: 65.99601-8004, OVER HAUL GASKET KIT-ALL
2Артикул: 06.56021-0106, O-RING
3Артикул: 65.01901-0020, GASKET
Подробнее >
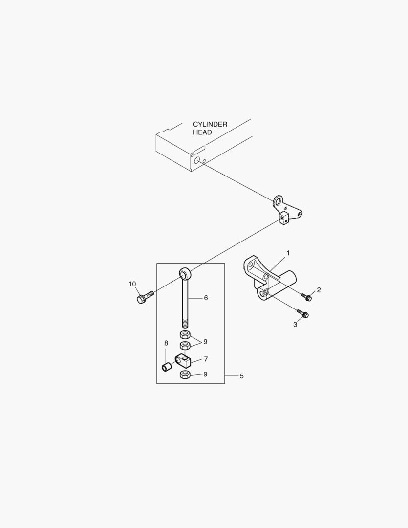
016 ALTERNATOR MOUNTING [2001~2011]

016 ALTERNATOR MOUNTING [2001~2011]

1Артикул: 65.19102-0013B, BRACKET
2Артикул: 06.01944-3215, BOLT
3Артикул: 06.01943-3218, BOLT
Подробнее >
190 OIL FILTER [2012~]

190 OIL FILTER [2012~]

1Артикул: 65.05501-7079, OIL FILTER ASS`Y
2Артикул: 65.05501-7069, OIL FILTER ASS`Y
3Артикул: 65.05501-7069A, OIL FILTER ASS`Y
Подробнее >
260 FUEL FILTER [2012~]

260 FUEL FILTER [2012~]

1Артикул: 65.12501-7023, FUEL FILTER ASS`Y
2Артикул: 65.12501-7023A, FUEL FILTER ASS`Y
3Артикул: 65.12501-7023B, FUEL FILTER ASS`Y
Подробнее >
003 FLYWHEEL HOUSING [2001~2011]

003 FLYWHEEL HOUSING [2001~2011]

1Артикул: 65.01401-0119, HOUSING;FLYWHEEL
2Артикул: 65.01401-0119A, HOUSING;FLYWHEEL
3Артикул: 06.01494-4407, BOLT;HEX.
Подробнее >
160 BREATHER PIPE [2012~]

160 BREATHER PIPE [2012~]

1Артикул: 65.01801-5100, HOUSING;BREATHER
2Артикул: 06.01923-3114, BOLT
3Артикул: 65.01840-0004, BRACKET;BREATHER PIPE
Подробнее >
011 THERMOSTAT [2001~2011]

011 THERMOSTAT [2001~2011]

1Артикул: 65.06404-5003B, HOUSING ASS`Y
2Артикул: 65.06402-5015, THERMOSTAT
3Артикул: 65.06405-0012, OUTLET;WATER
Подробнее >
015 FUEL FILTER [2001~2011]

015 FUEL FILTER [2001~2011]

1Артикул: 65.12501-7023, FUEL FILTER ASS`Y
2Артикул: 65.12501-7023A, FUEL FILTER ASS`Y
3Артикул: 65.12501-7023B, FUEL FILTER ASS`Y
Подробнее >
210 OIL PAN [2012~]

210 OIL PAN [2012~]

1Артикул: 65.05801-5218, PAN;OIL
2Артикул: 06.56190-0715, RING;SEAL
3Артикул: 06.01913-3112, BOLT ASS`Y M8X18
Подробнее >
280 STARTER [2012~]

280 STARTER [2012~]

1Артикул: 65.26201-7044, STARTER
2Артикул: 65.26201-7076, STARTER
3Артикул: 65.26201-7076B, STARTER
Подробнее >
200 OIL COOLER [2012~]

200 OIL COOLER [2012~]

1Артикул: 65.05601-7058A, OIL COOLER ASS`Y
2Артикул: 65.05601-7058B, OIL COOLER ASS`Y
3Артикул: 65.05601-7058C, OIL COOLER ASS`Y
Подробнее >
009 OIL COOLER [2001~2011]

009 OIL COOLER [2001~2011]

1Артикул: 65.05601-7058, OIL COOLER ASS`Y
2Артикул: 65.05601-7058A, OIL COOLER ASS`Y
3Артикул: 65.05601-7058C, OIL COOLER ASS`Y
Подробнее >
005 CYLINDER HEAD [2001~2011]

005 CYLINDER HEAD [2001~2011]

1Артикул: 65.03101-6049, CYLINDER HEAD ASS`Y
2Артикул: 65.03101-6071A, CYLINDER HEAD ASS`Y
3Артикул: 65.03101-6071B, CYLINDER HEAD ASS`Y
Подробнее >
019 OVER HAUL GASKET KIT-ALL [2001~2011]

019 OVER HAUL GASKET KIT-ALL [2001~2011]

1Артикул: 65.99601-8004, OVER HAUL GASKET KIT-ALL
2Артикул: 06.56021-0106, O-RING
3Артикул: 65.01901-0020, GASKET
Подробнее >
002 TIMING GEAR CASE [2001~2011]

002 TIMING GEAR CASE [2001~2011]

1Артикул: 65.01304-0003C, CASE;TIMING GEAR
2Артикул: 06.22022-3119, PIN
3Артикул: 65.01903B0004, GASKET
Подробнее >
250 FUEL SYSTEM [2012~]

250 FUEL SYSTEM [2012~]

1Артикул: 65.10101-7086, NOZZLE HOLDER ASS`Y
2Артикул: 65.10102-6056, NOZZLE
3Артикул: 65.96507-0004A, SEAL;RING
Подробнее >