+7 (701) 588 50 05 Телефон для связи
RU

WhatsApp

Позвонить

00 ДЕТАЛИ ДВИГАТЕЛЯ в Алматы

РОЛИК КОЛЕНЧАТОГО ВАЛА

РОЛИК КОЛЕНЧАТОГО ВАЛА

1Артикул: 130707-00090, PULLEY ASS`Y
2Артикул: 65.02601-5019, . PULLEY;DAMPER
3Артикул: 65.02122-0001, . COVER;DUST
Подробнее >
МАСЛЯНЫЙ ПУЛЬВЕРИЗАТОР

МАСЛЯНЫЙ ПУЛЬВЕРИЗАТОР

1Артикул: 65.01601-5010A, OIL JET PIPE
2Артикул: 65.05401-5023, RELIEF VALVE ASS`Y
Подробнее >
ТОПЛИВНЫЙ ФИЛЬТР

ТОПЛИВНЫЙ ФИЛЬТР

1Артикул: 65.12501-7083B, FILTER ASSY,FUEL
2Артикул: 65.12504-5013B, . HEAD;FUEL FILTER
3Артикул: 65.12503-5018A, . ELEMENT,FUEL FILTER;CARTRDGE
Подробнее >
ВЕНТИЛЯТОР ОХЛАЖДЕНИЯ

ВЕНТИЛЯТОР ОХЛАЖДЕНИЯ

1Артикул: 06.01913-3111, BOLT
2Артикул: 65.96801-0124A, BELT,FAN(NON TROPICAL)
Подробнее >
045 FUEL LINE

045 FUEL LINE

1Артикул: 65.96341-0101, HOSE;FUEL
2Артикул: 65.96341-0102, HOSE;FUEL
3Артикул: 06.78144-2204, SCREW;HOLLOW
Подробнее >
033 OIL PAN

033 OIL PAN

1Артикул: 65.05801-5252, PAN;OIL
2Артикул: 06.56190-0715, RING;SEAL
3Артикул: 65.96340-6011, DRAIN HOSE ASS`Y
Подробнее >
025 VALVE

025 VALVE

1Артикул: 65.04101-0032, VALVE;INLET
2Артикул: 65.04101-0025A, VALVE;EXHAUST
3Артикул: 65.04102-0005, SPRING;VALVE
Подробнее >
012 CYLINDER LINER

012 CYLINDER LINER

1Артикул: 65.01201-0067, LINER;CYLINDER (ALTV.)
2Артикул: 65.01201-0068, LINER;CYLINDER(1A)
3Артикул: 65.01201-0069, LINER;CYLINDER(1B)
Подробнее >
БЛОК ЦИЛИНДРОВ

БЛОК ЦИЛИНДРОВ

1Артикул: 150102-00483A, CYLINDER BLOCK ASS`Y
2Артикул: 150102-00479, . BLOCK ; CYLINDER
3Артикул: 65.01105-1048A, . CAP;BEARING
Подробнее >
038 INTAKE MANIFOLD

038 INTAKE MANIFOLD

1Артикул: 240203-00052, MANIFOLD,INTAKE
2Артикул: 65.08902-0034, GASKET;INTAKE MANIFOLD
3Артикул: 65.90020-0142, BOLT
Подробнее >
САЛЬНИК

САЛЬНИК

1Артикул: 65.01510-0001, SEAL;OIL(FRONT)
Подробнее >
027 TAPPET & PUSH ROD

027 TAPPET & PUSH ROD

1Артикул: 65.04301-0009, TAPPET
2Артикул: 65.04302-5006, ROD;PUSH
Подробнее >
САПУН

САПУН

1Артикул: 65.01801-5035A, BREATHER PIPE ASS`Y
2Артикул: 65.96501-0032B, O-RING;BREATHER
3Артикул: 65.96301-0366, HOSE;RUBBER
Подробнее >
КАРТЕР РАСПРЕДЕЛИТЕЛЬНЫХ ШЕСТЕРЕН

КАРТЕР РАСПРЕДЕЛИТЕЛЬНЫХ ШЕСТЕРЕН

1Артикул: 65.01304-0003C, CASE;TIMING GEAR
2Артикул: 06.22022-3119, PIN
3Артикул: 65.01903B0004, GASKET
Подробнее >
КОРОМЫСЛО КЛАПАНА

КОРОМЫСЛО КЛАПАНА

1Артикул: 150122-00006A, ROCKER ARM SHAFT ASS`Y
2Артикул: 150101-00001, . ROCKER ARM ASS`Y
3Артикул: 65.04205-0001, . SCREW;ADJUST
Подробнее >
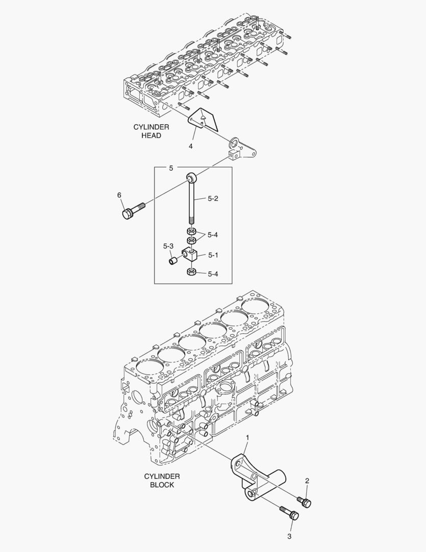
МОНТАЖ ДВИГАТЕЛЯ

МОНТАЖ ДВИГАТЕЛЯ

1Артикул: 65.90201-0182, BOLT;STUD
Подробнее >
044 INJECTION PUMP MOUNTING

044 INJECTION PUMP MOUNTING

1Артикул: 65.11401-0002C, BRACKET;REAR
2Артикул: 06.01913-3122, BOLT
3Артикул: 06.01913-3124, BOLT
Подробнее >
028 CAMSHAFT

028 CAMSHAFT

1Артикул: 65.04401-0018B, SHAFT;CAM
2Артикул: 06.29151-4608, KEY
3Артикул: 65.98112-0009A, FLANGE
Подробнее >
ТРУБА ВОЗДУХОЗАБОРНИКА

ТРУБА ВОЗДУХОЗАБОРНИКА

1Артикул: 65.09411-5058, PIPE;INLET
2Артикул: 65.96301-0263, HOSE
3Артикул: 06.67020-0109, CLAMP;HOSE
Подробнее >
037 EXHAUST MANIFOLD

037 EXHAUST MANIFOLD

1Артикул: 65.08100-6069B, MANIFOLD;EXHAUST
2Артикул: 65.08101-0200A, . MANIFOLD;EXHAUST(L.H)
3Артикул: 65.08101-0205A, . MANIFOLD;EXHAUST(M)
Подробнее >
КОЛЕНЧАТЫЙ ВАЛ

КОЛЕНЧАТЫЙ ВАЛ

1Артикул: 150107-00329A, CRANKSHAFT ASS`Y
2Артикул: 150107-00193, . CRANKSHAFT ASS`Y
3Артикул: 65.02101-0045A, .. SHAFT;CRANK
Подробнее >
029 CAMSHAFT DRIVE

029 CAMSHAFT DRIVE

1Артикул: 65.04501-0004, GEAR;CAM SHAFT
2Артикул: 65.90701-0059, WASHER;PLAIN
3Артикул: 06.01733-4410, BOLT
Подробнее >
СОЕДИНИТЕЛЬНАЯ ТЯГА

СОЕДИНИТЕЛЬНАЯ ТЯГА

1Артикул: 150121-00270A, ROD ASSY,CONNECTING
2Артикул: 150121-00319, . ROD,CONNECTING
3Артикул: 65.02405-0006, . BUSH
Подробнее >
УСТАНОВКА ГЕНЕРАТОРА ПЕРЕМЕННОГО ТОКА

УСТАНОВКА ГЕНЕРАТОРА ПЕРЕМЕННОГО ТОКА

1Артикул: 65.19102-0013B, BRACKET
2Артикул: 06.01944-3215, BOLT
3Артикул: 06.01943-3218, BOLT
Подробнее >
КРЫШКА ГОЛОВКИ ЦИЛИНДРА

КРЫШКА ГОЛОВКИ ЦИЛИНДРА

1Артикул: 150106-00006A, COVER,CYLINDER HEAD
2Артикул: 65.03401-6091A, . COVER,CYLINDER HEAD
3Артикул: 65.03401-0091A, .. COVER,CYLINDER HEAD
Подробнее >
051 DUST COVER

051 DUST COVER

1Артикул: 65.96903-0013, CAP,RUBBER
2Артикул: 65.96903-0018, CAP;RUBBER
3Артикул: 65.96903-0039, PROTECTOR;RUBBER
Подробнее >
КАРТЕР МАХОВИКА

КАРТЕР МАХОВИКА

1Артикул: 65.01401-0119A, HOUSING;FLYWHEEL
2Артикул: 65.01510-0101, SEAL;OIL(REAR)
3Артикул: 65.01904-0021, GASKET
Подробнее >
043 INJECTION PUMP

043 INJECTION PUMP

1Артикул: 400912-00249, PUMP ASSY,INJECTION
2Артикул: 65.11902A0001, GASKET;INJECTION PUMP
3Артикул: 65.05701-5328, PIPE;OIL
Подробнее >
МАСЛЯНЫЙ ФИЛЬТР

МАСЛЯНЫЙ ФИЛЬТР

1Артикул: 65.05501-7069B, OIL FILTER ASS`Y
2Артикул: 65.05510-5021B, . ELEMENT;OIL FILTER
3Артикул: 400508-00090, . CARTRIDGE,OIL FILTER
Подробнее >
021 PISTON

021 PISTON

1Артикул: 130602-00771, PISTON(ALTV.)
2Артикул: 130602-00772, PISTON;A GRADE
3Артикул: 130602-00773, PISTON;B GRADE
Подробнее >
ВПРЫСКИВАЮЩЕЕ СОПЛО

ВПРЫСКИВАЮЩЕЕ СОПЛО

1Артикул: 150118-00062A, HOLDER ASSY,NOZZLE
2Артикул: 150118-00079, . NOZZLE,FUEL INJECTION
3Артикул: 65.96507-0050, SEAL;RING
Подробнее >
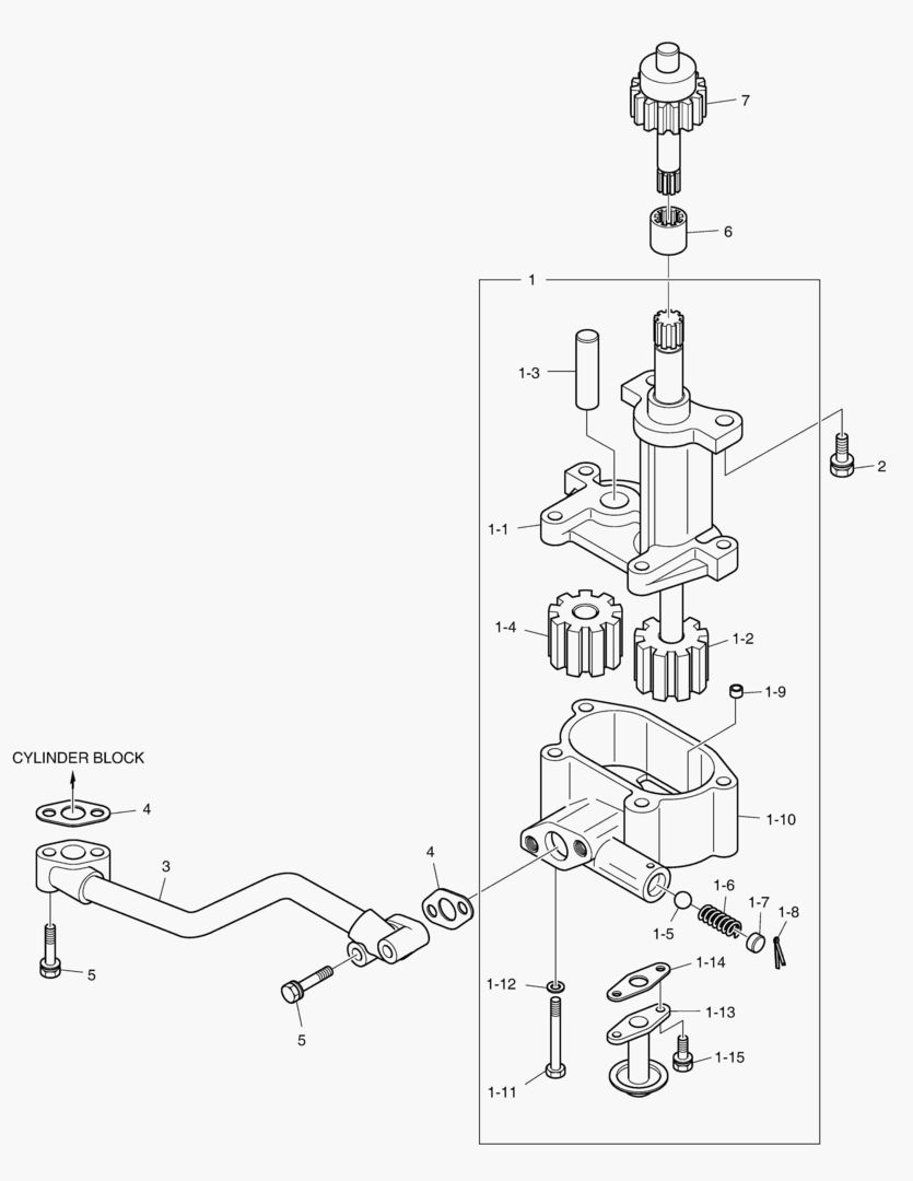
МАСЛЯНЫЙ НАСОС

МАСЛЯНЫЙ НАСОС

1Артикул: 400915-00010A, OIL PUMP ASS`Y
2Артикул: 65.05102-0018, . HOUSING;OIL PUMP
3Артикул: 130424-00005A, . GEAR ASSY
Подробнее >
039 TURBOCHARGER

039 TURBOCHARGER

1Артикул: 65.09100-7081A, TURBO CHARGER ASS`Y
2Артикул: 65.09901-0018A, GASKET
3Артикул: 06.06175-8208, BOLT;STUD
Подробнее >
049 STARTER

049 STARTER

1Артикул: 300516-00041A, STARTER ASS`Y
2Артикул: 301206-00010, . RELAY,STARTER
3Артикул: 06.01943-3318, BOLT
Подробнее >
035 WATER PUMP

035 WATER PUMP

1Артикул: 65.06500-6144B, WATER PUMP ASS`Y
2Артикул: 65.06501-0214, . HOUSING
3Артикул: 65.06520-6007, . SEAL;MECHANICAL
Подробнее >
032 OIL COOLER

032 OIL COOLER

1Артикул: 65.05601-7056E, OIL COOLER ASS`Y
2Артикул: 65.05604-0013B, . HOUSING;OIL COOLER
3Артикул: 65.05606-5024, . ELEMENT;OIL COOLER
Подробнее >
023 CYLINDER HEAD

023 CYLINDER HEAD

1Артикул: 150113-00048, HEAD ASSY,CYLINDER
2Артикул: 65.03101-1043D, . HEAD;CYLINDER
3Артикул: 65.03203-1053, . SEAT;INLET VALVE
Подробнее >
ПОДЪЕМ ДВИГАТЕЛЯ

ПОДЪЕМ ДВИГАТЕЛЯ

1Артикул: 65.19202-5005, HOOK;LIFTING
2Артикул: 06.01733-4409, BOLT;HEX
3Артикул: 06.16731-2110, WASHER;SPRING
Подробнее >
ВПРЫСКИВАЮЩАЯ ТРУБА

ВПРЫСКИВАЮЩАЯ ТРУБА

1Артикул: 65.10301-6202, PRESSURE PIPE ASS`Y
2Артикул: 65.10301-6203, PRESSURE PIPE ASS`Y
3Артикул: 06.16731-2107, WASHER
Подробнее >
034 THERMOSTAT

034 THERMOSTAT

1Артикул: 65.06404-5003B, HOUSING ASS`Y
2Артикул: 65.06904A0004, GASKET
3Артикул: 06.01493-4217, BOLT
Подробнее >
МАХОВИК

МАХОВИК

1Артикул: 65.02301-5055, FLYWHEEL ASS`Y
2Артикул: 65.02301-0203, . FLY WHEEL
3Артикул: 65.02310-0006, . GEAR;RING
Подробнее >