00 ДЕТАЛИ ДВИГАТЕЛЯ в Алматы
ИСПАРИТЕЛЬ- СИСТЕМА ВЫПУСКА
1Артикул: 400815-00014, EVAPORATOR
2Артикул: 110406-03147, BRACKET
3Артикул: 120402-00272, . CIRCLIP
019 PISTON
1Артикул: 130602-01240, PISTON ASSY
2Артикул: 401004-00131, RING SET,PISTON
3Артикул: -, . PISTON RING
ГИДРОЛИЗ КАТАЛИТИЧЕСКИЙ НЕЙТРАЛИЗАТОР
1Артикул: 420203-00265, PIPE,EXHAUST;DOC
2Артикул: 120203-00115, CLAMP;EXHAUST
3Артикул: 120501-03019, PIN,LOCK
035 BLEED PIPE ENGINE
1Артикул: 420210-00851, PIPE;BLEED
2Артикул: 430208-00222, CONNECTION;INSERT
3Артикул: 120203-00289, CLAMP
МЕХАНИЗМ ОТБОРА МОЩНОСТИ(1)
1Артикул: 130807-00030, PTO ASSY
2Артикул: 140203-00458, HOUSING,BEARING;FOR P.T.O
3Артикул: 130412-00173, GEAR,IDLE DRIVE;FOR P.T.O DEIVE
039 INJECTOR
1Артикул: 400903-00123, INJECTOR
2Артикул: 401107-01141, SEAL KIT
3Артикул: 430208-00226, CONNECTER
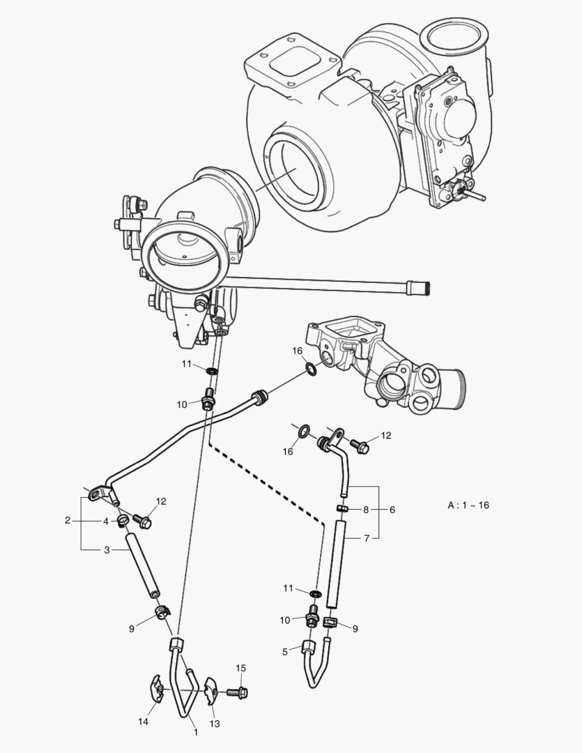
057 EXHAUST BRAKE SYSTEM
1Артикул: 420203-00484, PIPE,EXHAUST
2Артикул: -, HOUSING
3Артикул: 131002-00460, BUSHING
ГЛУШИТЕЛЬ С КАТАЛИТИЧЕСКИМ ДОЖИГАТЕЛЕМ
1Артикул: 500111-00263, CATALYST,SCR
2Артикул: -, CATALYST,AMMONIA OXIDATION
3Артикул: 430220-00015, OUTLET;SILENCER
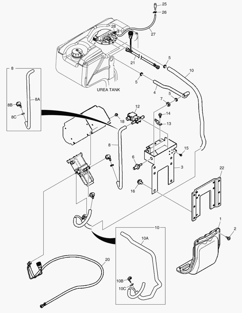
ДОЗИРОВОЧНЫЙ НАСОС - SCR
1Артикул: 400916-00322, PUMP ASSY;DOSAGE
2Артикул: 110910-00452, CAP;VENTILATION
3Артикул: 110910-01320, FILTER KIT
СИСТЕМА САПУНА
1Артикул: 420108-00572, HOSE
2Артикул: 120202-00270, CLAMP,HOSE
3Артикул: 120202-00144, CLAMP,HOSE
РЕМЕНЬ ТРАНСМИССИЯ
1Артикул: 130202-00042, BELT;POLY
2Артикул: 120705-00895, SCREW
3Артикул: 130206-00018, TENSIONER
ТЕРМОСТАТ и КОРПУС
1Артикул: 110980-00065, HOUSING,THERMOSTAT
2Артикул: 300738-00088, THERMOSTAT
3Артикул: 400602-00461, GASKET
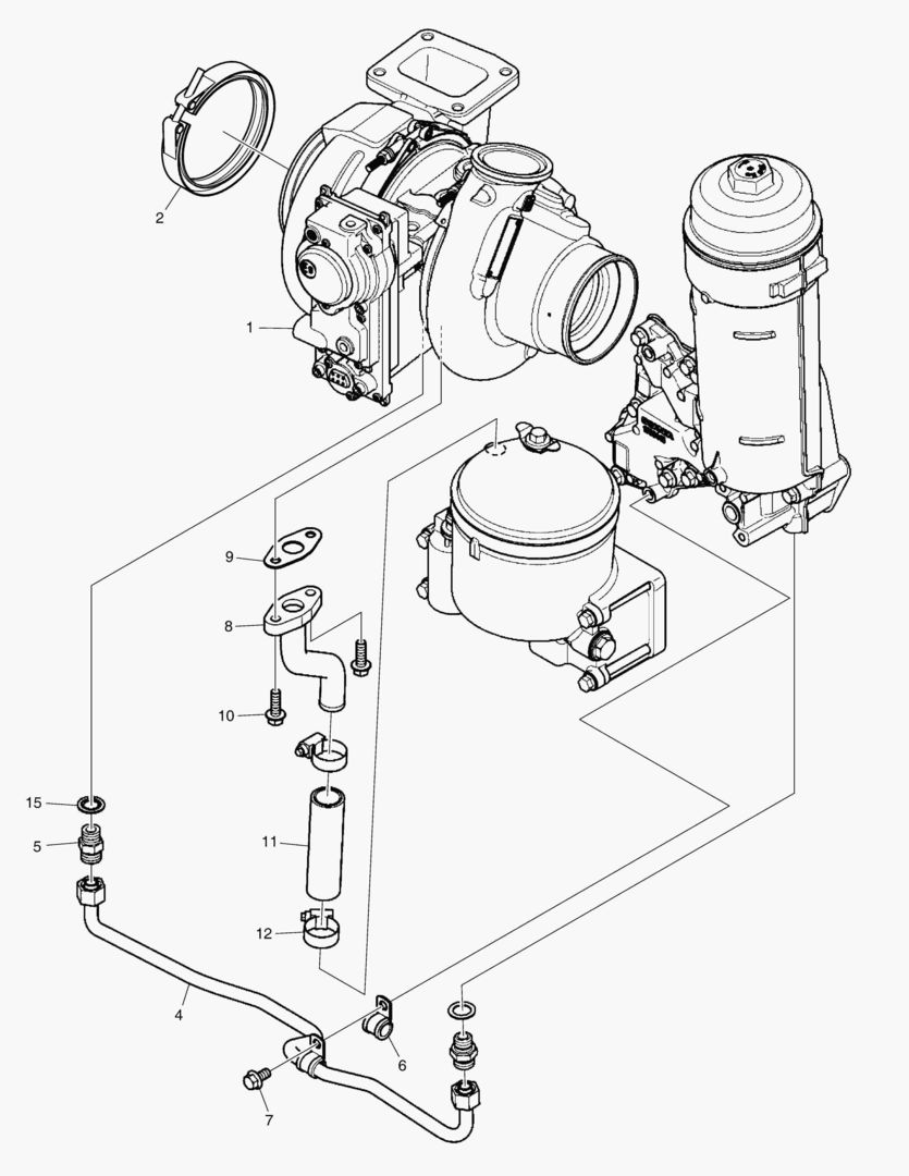
МАСЛЯНЫЙ ФИЛЬТР
1Артикул: 400405-00088, FILTER ASS`Y,OIL
2Артикул: 430208-00227, . CONNECTER
3Артикул: 120808-00540, . WASHER,SEAL
056 EGR SYSTEM
1Артикул: 410116-00874, VALVE,EGR
2Артикул: -, . HOUSING
3Артикул: 120705-00836, . SCREW
ТРУБОПРОВОД ДЛЯ НАДДУВА ВОЗДУХА
1Артикул: 420202-00310, PIPE,AIR;CHARGE
2Артикул: 401109-00076, SEALRING
3Артикул: 120705-00689, SCREW
026 EXHAUST MANIFOLD
1Артикул: 240102-00385, MANIFOLD,EXHAUST
2Артикул: 240102-00386, MANIFOLD,EXHAUST
3Артикул: 240102-00387, MANIFOLD,EXHAUST
017 OIL PAN
1Артикул: 150119-00269, SUMP,OIL
2Артикул: 430221-00594, . PLUG;INSERT
3Артикул: 400604-00014, GASKET,OIL PAN
КРЫШКА РАСПРЕДЕЛИТЕЛЬНЫХ ШЕСТЕРЕН
1Артикул: 110508-17168, COVER,FRONT
2Артикул: 401107-01135, . SEAL
3Артикул: 120501-02046, PIN
КАРТЕР МАХОВИКА
1Артикул: 150114-00145, HOUSING,FLYWHEEL
2Артикул: 110508-08909, COVER
3Артикул: 401107-01137, SEAL
ДОЗАТОР ВОССТАНОВИТЕЛЯ - SCR
1Артикул: 240101-00011, REDUCTANT DOSER
2Артикул: 401107-01140, SEAL
3Артикул: 400406-00423, FILTER
034 WATER PUMP
1Артикул: 400921-00194, PUMP,WATER
2Артикул: -, HOUSING;PUMP
3Артикул: 400602-00464, GASKET
КРИВОШИПНЫЙ МЕХАНИЗМ
1Артикул: 150121-00187, ROD,CONNECTING
2Артикул: 120705-00704, . SCREW
3Артикул: 140111-00013, METAL,CONNECTING ROD
ДОЗИРОВОЧНЫЙ НАСОС ТРУБОПРОВОДА
1Артикул: 110508-08914, COVER
2Артикул: 120705-00699, SCREW
3Артикул: 110406-01772, BRACKET;CONNECTOR
027 TURBO CHARGER COOLANT PIPE
1Артикул: 101552-00363, NIPPLE
2Артикул: 420108-01163, HOSE
3Артикул: 120202-00172, CLAMP,HOSE
055 EGR COOLER
1Артикул: 400202-00162, COOLER,EGR
2Артикул: 420211-00651, PIPE,COOLING WATER
3Артикул: 120202-00222, CLAMP,HOSE
025 OIL COOLER
1Артикул: 110508-19590, COVER ASSY
2Артикул: 110508-08907, . COVER
3Артикул: 400602-00451, . GASKET
058 MOUNTING KIT, COOLANT PIPE, EXHAUST BRAKE
1Артикул: 101529-01165, KIT;MOUNTING
2Артикул: 420210-02878, PIPE
3Артикул: 420210-02880, PIPE
050 STARTER
1Артикул: 300516-00076, STARTER
2Артикул: 301202-00141, . RELAY
3Артикул: 110913-00181, . CASE
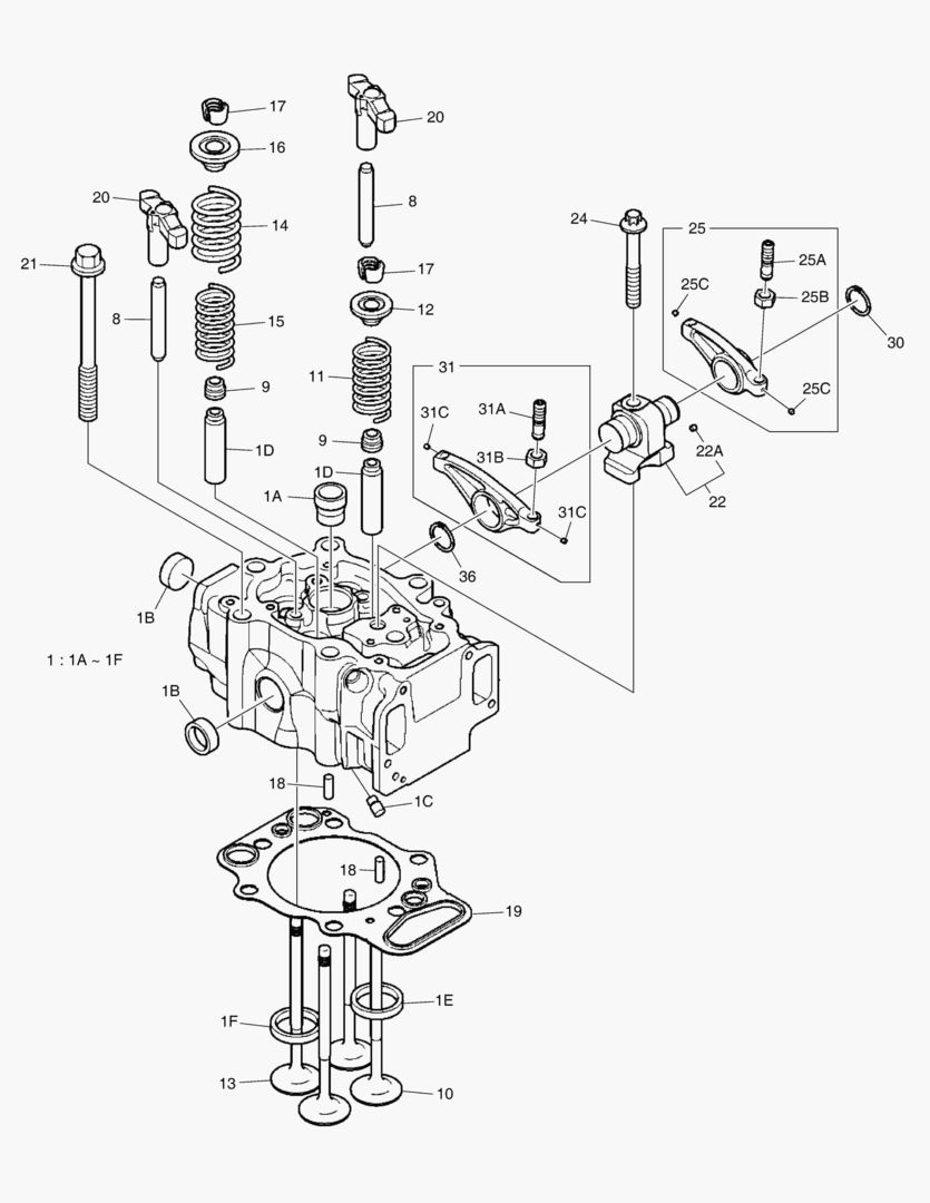
011 CYLINDER HEAD
1Артикул: 150113-00505, HEAD,CYLINDER
2Артикул: 110949-00587, . SLEEVE
3Артикул: 430221-00582, . PLUG,CORE
ПРИВОД РАСПРЕДЕЛИТЕЛЬНОГО ВАЛА
1Артикул: 150103-00060, CAMSHAFT
2Артикул: 120501-02044, PIN 10x25
3Артикул: 130712-00770, SHAFT ASSY
028 INTAKE MANIFOLD
1Артикул: 240203-00212, MANIFOLD,INTAKE
2Артикул: 400602-00457, GASKET
3Артикул: 120705-00737, SCREW;FLANGE
036 EGR SYSTEM
1Артикул: 420210-00866, PIPE;FLANGE
2Артикул: 430221-00575, . PLUG
3Артикул: 401002-00695, . RING,O
ТУРБОНАГНЕТАТЕЛЬ ТРУБОПРОВОДА
1Артикул: 150105-00618, CHARGER,TURBO
2Артикул: 120203-00214, CLAMP;TURBO
3Артикул: 420210-01717, PIPE;LUBRICATION
049 ALTERNATOR
1Артикул: 300901-00071, ALTERNATOR
2Артикул: 130707-00263, . PULLEY,ALTERNATOR
3Артикул: 400825-00047, . REGULATOR;CHARGE
053 HARNESS LORRIES
1Артикул: 310207-03545, HARNESS;CABLE
2Артикул: 301309-00079, . SENSOR,PRESSURE
3Артикул: 101529-00297, . KIT,REPAIR
ПРОКЛАДКА КАБЕЛЯ
1Артикул: 460103-00594, DUCT
2Артикул: 460103-00981, DUCT
3Артикул: 110411-00240, BRACKET
ТОПЛИВНЫЕ ТРУБОПРОВОДЫ
1Артикул: 400824-00236, MANIFOLD ASSY
2Артикул: 430221-00590, . PLUG,SCREW
3Артикул: 430221-00589, . PLUG,SCREW
УКАЗАТЕЛЬ УРОВНЯ МАСЛА
1Артикул: 430215-01033, FLANGE
2Артикул: -, . FLANGE
3Артикул: -, . PIPE,COOLING
ЖГУТ ПРОВОДОВ
1Артикул: 300618-00065, ECU;DOSAGE
2Артикул: 300618-00095, ECU;DOSAGE
3Артикул: 310207-03505, HARNESS;CABLE
СНИЖЕННЫЙ БАК - SCR
1Артикул: 450106-00115, TANK;REDUCTANT
2Артикул: 450106-00116, TANK;REDUCTANT
3Артикул: 110931-00714, HOUSING;SENSOR
МЕХАНИЗМ ОТБОРА МОЩНОСТИ(2)
1Артикул: 110508-08912, COVER
2Артикул: 120408-00083, STUD
3Артикул: 120305-00030, NUT,FLANGE
КРЫШКА КОРОМЫСЛА
1Артикул: 110508-08926, COVER;ROCKER
2Артикул: 110508-08927, COVER;ROCKER
3Артикул: 110508-08929, COVER;ROCKER
051 ELECTRONIC CONTROL UNIT
1Артикул: 300618-00035, ECU;EMS
2Артикул: 120705-00731, SCREW;FLANGE
3Артикул: 120705-00706, SCREW
ТОПЛИВНЫЙ ФИЛЬТР
1Артикул: 400403-00273, FILTER ASSY,FUEL
2Артикул: 110508-08911, CAP
3Артикул: 110508-11415, COVER
БЛОК ЦИЛИНДРОВ
1Артикул: 150102-00700, BLOCK,CYLINDER
2Артикул: -, . CAP
3Артикул: 110949-00316, . SLEEVE,GUIDE
НАСОС ПОДАЧИ
1Артикул: 400909-00170, PUMP ASS`Y,FUEL
2Артикул: 401002-00685, RING,O
3Артикул: 401002-00707, RING,O
037 ACCUMULATOR
1Артикул: 400804-00073, ACCUMULATOR ASSY
2Артикул: 120203-00298, CLAMP
3Артикул: 120501-02052, PIN,LOCK
МАСЛЯНЫЙ НАСОС
1Артикул: 400915-00305, PUMP,OIL
2Артикул: 120705-00733, . SCREW;FLANGE
3Артикул: 110949-00317, . SLEEVE,GUIDE