+7 (701) 588 50 05 Телефон для связи
RU

WhatsApp

Позвонить

00 ДЕТАЛИ ДВИГАТЕЛЯ в Алматы

012 WATER PUMP & COOLING FAN

012 WATER PUMP & COOLING FAN

1Артикул: 65.06500-6144, WATER PUMP ASS`Y
2Артикул: 65.06500-6144A, WATER PUMP ASS`Y
3Артикул: 65.06501-0214, HOUSING
Подробнее >
МАСЛЯНЫЙ ФИЛЬТР

МАСЛЯНЫЙ ФИЛЬТР

1Артикул: 65.05501-7062A, OIL FILTER ASS`Y
2Артикул: 65.05501-7069, OIL FILTER ASS`Y
3Артикул: 65.05501-7069B, OIL FILTER ASS`Y
Подробнее >
КАРТЕР МАХОВИКА

КАРТЕР МАХОВИКА

1Артикул: 65.01401-0224A, HOUSING;FLYWHEEL
2Артикул: 65.01401-0119, HOUSING;FLYWHEEL
3Артикул: 65.01401-0119A, HOUSING;FLYWHEEL
Подробнее >
017 STARTER

017 STARTER

1Артикул: 65.26201-7044, STARTER
2Артикул: 65.26201-7076, STARTER
3Артикул: 65.26201-7076B, STARTER
Подробнее >
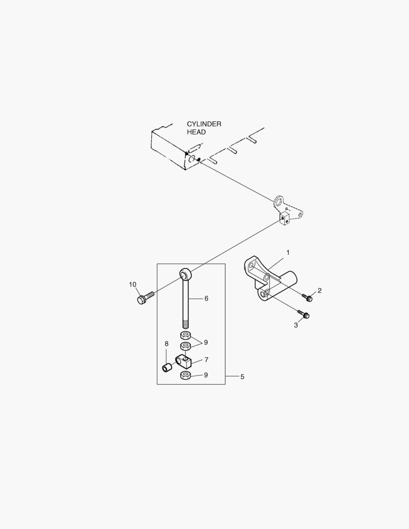
УСТАНОВКА ГЕНЕРАТОРА ПЕРЕМЕННОГО ТОКА

УСТАНОВКА ГЕНЕРАТОРА ПЕРЕМЕННОГО ТОКА

1Артикул: 65.19102-0013B, BRACKET
2Артикул: 06.01944-3215, BOLT
3Артикул: 06.01943-3218, BOLT
Подробнее >
010 OIL PAN

010 OIL PAN

1Артикул: 65.05801-5021, PAN;OIL
2Артикул: 06.56190-0715, RING;SEAL
3Артикул: 06.01913-3112, BOLT ASS`Y M8X18
Подробнее >
009 OIL COOLER

009 OIL COOLER

1Артикул: 65.05601-7058, OIL COOLER ASS`Y
2Артикул: 65.05601-7058A, OIL COOLER ASS`Y
3Артикул: 65.05601-7058B, OIL COOLER ASS`Y
Подробнее >
ТОПЛИВНЫЙ ФИЛЬТР

ТОПЛИВНЫЙ ФИЛЬТР

1Артикул: 65.12501-7071D, FUEL FILTER ASS`Y
2Артикул: 65.12501-7023, FUEL FILTER ASS`Y
3Артикул: 65.12501-7023A, FUEL FILTER ASS`Y
Подробнее >
КОМПЛЕКТ ПРОКЛАДОК ДЛЯ КАПИТАЛЬНОГО РЕМОНТА-ВЕРХНИЙ

КОМПЛЕКТ ПРОКЛАДОК ДЛЯ КАПИТАЛЬНОГО РЕМОНТА-ВЕРХНИЙ

1Артикул: 65.99605-8004, OVER HAUL GASKET KIT-TOP
2Артикул: 65.03901-0055, GASKET;CYLINDER HEAD
3Артикул: 65.04902-0011A, SEAL;VALVE STEM
Подробнее >
МАСЛЯНЫЙ НАСОС

МАСЛЯНЫЙ НАСОС

1Артикул: 65.05101-7020, OIL PUMP ASS`Y(NO.102-118)
2Артикул: 65.05102-0018, HOUSING;OIL PUMP
3Артикул: 65.05104-6002, GEAR ASS`Y;OIL PUMP
Подробнее >
БЛОК ЦИЛИНДРОВ

БЛОК ЦИЛИНДРОВ

1Артикул: 65.01101-6054G, CYLINDER BLOCK ASS`Y
2Артикул: 65.01101-6054H, CYLINDER BLOCK ASS`Y
3Артикул: 65.01101-6054K, CYLINDER BLOCK ASS`Y
Подробнее >
014 FUEL SYSTEM

014 FUEL SYSTEM

1Артикул: 65.10101-7295, NOZZLE HOLDER ASS`Y
2Артикул: 65.10102-6044, NOZZLE
3Артикул: 65.96507-0004, RING;SEAL
Подробнее >
ВАЛ КРИВОШИПА

ВАЛ КРИВОШИПА

1Артикул: 65.02101-6058, CRANK SHAFT ASS`Y
2Артикул: 65.02101-6018A, CRANK SHAFT ASS`Y
3Артикул: 65.02101-0043, SHAFT;CRANK
Подробнее >
КАРТЕР РАСПРЕДЕЛИТЕЛЬНЫХ ШЕСТЕРЕН

КАРТЕР РАСПРЕДЕЛИТЕЛЬНЫХ ШЕСТЕРЕН

1Артикул: 65.01304-0003C, CASE;TIMING GEAR
2Артикул: 06.22022-3119, PIN
3Артикул: 65.01903B0004, GASKET
Подробнее >
011 THERMOSTAT

011 THERMOSTAT

1Артикул: 65.06404-5003B, HOUSING ASS`Y
2Артикул: 65.06402-5015, THERMOSTAT
3Артикул: 65.06405-0012, OUTLET;WATER
Подробнее >
КЛАПАННЫЙ МЕХАНИЗМ

КЛАПАННЫЙ МЕХАНИЗМ

1Артикул: 65.04101-0047, VALVE;INLET
2Артикул: 65.04101-0025A, VALVE;EXHAUST
3Артикул: 65.04102-0005, SPRING;VALVE
Подробнее >
КОМПЛЕКТ ПРОКЛАДОК ДЛЯ КАПИТАЛЬНОГО РЕМОНТА-ВСЕ

КОМПЛЕКТ ПРОКЛАДОК ДЛЯ КАПИТАЛЬНОГО РЕМОНТА-ВСЕ

1Артикул: 65.99601-8004, OVER HAUL GASKET KIT-ALL
2Артикул: 06.56021-0106, O-RING
3Артикул: 65.01901-0020, GASKET
Подробнее >
005 CYLINDER HEAD

005 CYLINDER HEAD

1Артикул: 65.03101-6049, CYLINDER HEAD ASS`Y
2Артикул: 65.03101-6071A, CYLINDER HEAD ASS`Y
3Артикул: 65.03101-6071B, CYLINDER HEAD ASS`Y
Подробнее >
013 INTAKE & EXHAUST MANIFOLD

013 INTAKE & EXHAUST MANIFOLD

1Артикул: 65.08100-6037, MANIFOLD;EXHAUST ASS`Y
2Артикул: 65.08100-6037A, MANIFOLD;EXHAUST ASS`Y
3Артикул: 65.08100-6037B, MANIFOLD;EXHAUST ASS`Y
Подробнее >