+7 (701) 588 50 05 Телефон для связи
RU

WhatsApp

Позвонить

00 ДЕТАЛИ ДВИГАТЕЛЯ в Алматы

150 OIL PAN

150 OIL PAN

1Артикул: 65.05801-5143, PAN;OIL
2Артикул: 65.05801-5191, PAN;OIL
3Артикул: 65.90310-0050B, SCREW;PLUG M20X1.5
Подробнее >
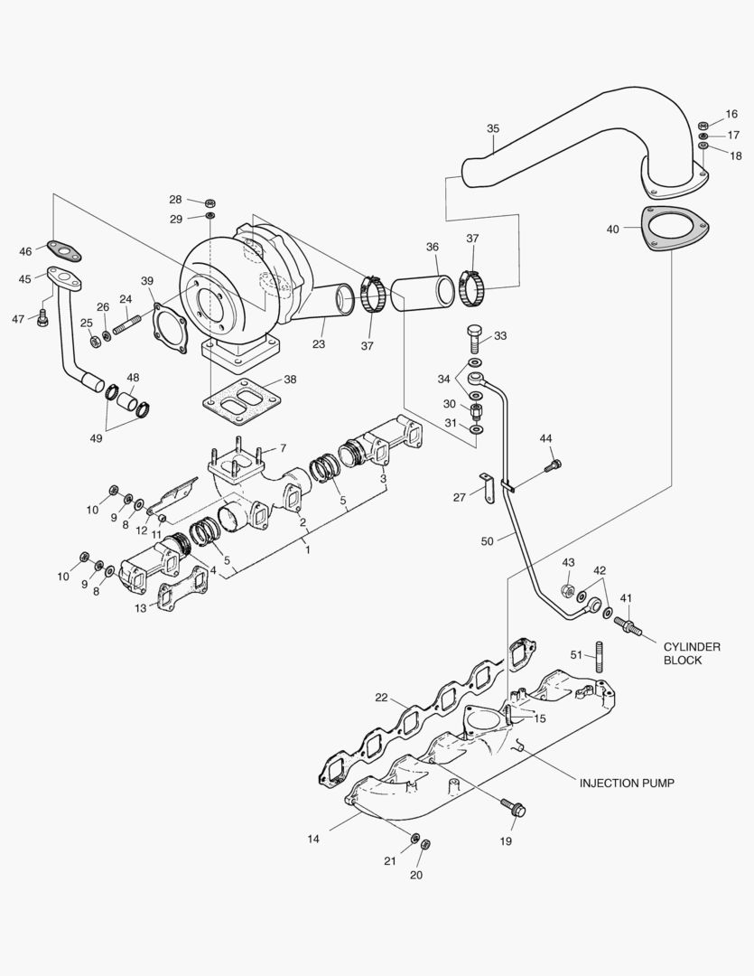
231 INTAKE.EXHAUST MANIFOLD [229~]

231 INTAKE.EXHAUST MANIFOLD [229~]

1Артикул: 65.08100-6063, MANIFOLD;EXHAUST
2Артикул: 65.08101-0536, MANIFOLD;EXHAUST(M)
3Артикул: 65.08101-0038, MANIFOLD;EXHAUST(L.H)
Подробнее >
230 INTAKE.EXHAUST MANIFOLD [1~228]

230 INTAKE.EXHAUST MANIFOLD [1~228]

1Артикул: 65.08100-6040, MANIFOLD;EXHAUST
2Артикул: 65.08101-0038, MANIFOLD;EXHAUST(L.H)
3Артикул: 65.08101-0168, MANIFOLD;EXHAUST(M)
Подробнее >
КЛАПАННЫЙ МЕХАНИЗМ

КЛАПАННЫЙ МЕХАНИЗМ

1Артикул: 65.04101-0047, VALVE;INLET
2Артикул: 65.04101-0025A, VALVE;EXHAUST
3Артикул: 65.04102-0017, SPRING;VALVE
Подробнее >
КАРТЕР РАСПРЕДЕЛИТЕЛЬНЫХ ШЕСТЕРЕН

КАРТЕР РАСПРЕДЕЛИТЕЛЬНЫХ ШЕСТЕРЕН

1Артикул: 65.01304-0003, CASE;TIMING GEAR
2Артикул: 65.01304-0003C, CASE;TIMING GEAR
3Артикул: 06.22022-3119, PIN
Подробнее >
КАРТЕР МАХОВИКА

КАРТЕР МАХОВИКА

1Артикул: 65.01401-0209, HOUSING;FLYWHEEL
2Артикул: 65.01401-0231A, HOUSING;FLYWHEEL
3Артикул: 06.01494-4409, BOLT;HEX.
Подробнее >
МАСЛЯНЫЙ НАСОС

МАСЛЯНЫЙ НАСОС

1Артикул: 65.05101-7014, OIL PUMP ASS`Y(NO.1-22)
2Артикул: 65.05101-7021, OIL PUMP ASS`Y(NO.102в€ј118)
3Артикул: 65.05102-0018, HOUSING;OIL PUMP
Подробнее >
БЛОК ЦИЛИНДРОВ

БЛОК ЦИЛИНДРОВ

1Артикул: 65.01101-6051, CYLINDER BLOCK ASS`Y
2Артикул: 65.01101-6051H, CYLINDER BLOCK ASS`Y
3Артикул: 65.01101-0030F, BLOCK;CYLINDER
Подробнее >
КОМПЛЕКТ ПРОКЛАДОК ДЛЯ КАПИТАЛЬНОГО РЕМОНТА

КОМПЛЕКТ ПРОКЛАДОК ДЛЯ КАПИТАЛЬНОГО РЕМОНТА

1Артикул: 65.01901-0020, GASKET
2Артикул: 65.05903A0013, GASKET
3Артикул: 65.01903B0004, GASKET
Подробнее >
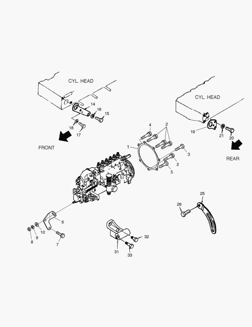
250 ENGINE FOOT HANGER & FIXING PARTS

250 ENGINE FOOT HANGER & FIXING PARTS

1Артикул: 65.11902-0001, GASKET;INJECTION PUMP
2Артикул: 65.11902A0001, GASKET;INJECTION PUMP
3Артикул: 06.01913-3124, BOLT
Подробнее >
240 FUEL SYSTEM

240 FUEL SYSTEM

1Артикул: 65.10101-7265, NOZZLE HOLDER ASS`Y
2Артикул: 65.10101-7295, NOZZLE HOLDER ASS`Y
3Артикул: 65.10101-6021, HOLDER;NOZZLE
Подробнее >
220 WATER PUMP & COOLING FAN

220 WATER PUMP & COOLING FAN

1Артикул: 65.06500-6395, WATER PUMP ASS`Y
2Артикул: 65.06500-6400, WATER PUMP ASS`Y
3Артикул: 65.06501-0068, HOUSING
Подробнее >
190 OIL FILTER & FUEL FILTER

190 OIL FILTER & FUEL FILTER

1Артикул: 65.05501-7062, OIL FILTER ASS`Y
2Артикул: 65.05501-7062A, OIL FILTER ASS`Y
3Артикул: 65.05503-5041, HEAD;OIL FILTER
Подробнее >
110 CYLINDER HEAD

110 CYLINDER HEAD

1Артикул: 65.03101-6049, CYLINDER HEAD ASS`Y
2Артикул: 65.03101-1043, HEAD;CYLINDER
3Артикул: 65.03201-1013, GUIDE;VALVE
Подробнее >
210 THERMOSTAT

210 THERMOSTAT

1Артикул: 65.06404-5003, HOUSING ASS`Y
2Артикул: 65.06404-5003B, HOUSING ASS`Y
3Артикул: 65.06402-5004, ELEMENT;THERMOSTAT
Подробнее >
170 CRANK SHAFT ASS`Y

170 CRANK SHAFT ASS`Y

1Артикул: 65.02101-6026, CRANK SHAFT ASS`Y
2Артикул: 65.02101-6018A, CRANK SHAFT ASS`Y
3Артикул: 65.02101-0045A, SHAFT;CRANK
Подробнее >
200 OIL COOLER

200 OIL COOLER

1Артикул: 65.05601-7056, OIL COOLER ASS`Y
2Артикул: 65.05601-7056B, OIL COOLER ASS`Y
3Артикул: 65.05606-5024, ELEMENT;OIL COOLER
Подробнее >
ЭЛЕКТРИЧЕСКИЕ ЗАПЧАСТИ

ЭЛЕКТРИЧЕСКИЕ ЗАПЧАСТИ

1Артикул: 65.26201-7044, STARTER
2Артикул: 65.26803-7014, PLUG;PREHEATER
3Артикул: 65.26803-7014B, PLUG;GLOW
Подробнее >