+7 (701) 588 50 05 Телефон для связи
RU

WhatsApp

Позвонить

00 ДЕТАЛИ ДВИГАТЕЛЯ в Алматы

013 WATER PUMP & COOLING FAN

013 WATER PUMP & COOLING FAN

1Артикул: 65.06500-6144A, WATER PUMP ASS`Y
2Артикул: 65.06501-0214, HOUSING
3Артикул: 65.06520-6007, SEAL;MECHANICAL
Подробнее >
МАСЛЯНЫЙ НАСОС

МАСЛЯНЫЙ НАСОС

1Артикул: 65.05101-7025, OIL PUMP ASS`Y
2Артикул: 65.05102-0018, HOUSING;OIL PUMP
3Артикул: 65.05104-6065, GEAR ASS`Y;OIL PUMP
Подробнее >
ВАЛ КРИВОШИПА

ВАЛ КРИВОШИПА

1Артикул: 65.02101-6018A, CRANK SHAFT ASS`Y
2Артикул: 65.02101-0045A, SHAFT;CRANK
3Артикул: 06.22022-3212, PIN;PARALLEL
Подробнее >
016 FUEL SYSTEM

016 FUEL SYSTEM

1Артикул: 65.10101-7099A, NOZZLE HOLDER ASS`Y
2Артикул: 65.10102-6069, NOZZLE
3Артикул: 65.96507-0044B, RING;SEAL
Подробнее >
КАРТЕР РАСПРЕДЕЛИТЕЛЬНЫХ ШЕСТЕРЕН

КАРТЕР РАСПРЕДЕЛИТЕЛЬНЫХ ШЕСТЕРЕН

1Артикул: 65.01304-0003C, CASE;TIMING GEAR
2Артикул: 06.22022-3119, PIN
3Артикул: 06.01913-3120, BOLT
Подробнее >
КОМПЛЕКТ ПРОКЛАДОК ДЛЯ КАПИТАЛЬНОГО РЕМОНТА-ВЕРХНИЙ

КОМПЛЕКТ ПРОКЛАДОК ДЛЯ КАПИТАЛЬНОГО РЕМОНТА-ВЕРХНИЙ

1Артикул: 65.99605-8020, OVER HAUL GASKET KIT-TOP
2Артикул: 65.03901-0066A, GASKET;CYLINDER HEAD
3Артикул: 65.04902-0011A, SEAL;VALVE STEM
Подробнее >
ТОПЛИВНЫЙ ФИЛЬТР

ТОПЛИВНЫЙ ФИЛЬТР

1Артикул: 65.12501-7023B, FUEL FILTER ASS`Y
2Артикул: 65.12504-5013A, HEAD;FUEL FILTER
3Артикул: 65.12503-5016B, ELEMENT;E/G FUEL FILTER
Подробнее >
010 OIL COOLER

010 OIL COOLER

1Артикул: 65.05601-7056E, OIL COOLER ASS`Y
2Артикул: 65.05902-0025, GASKET;ELEMENT
3Артикул: 65.05606-5024, ELEMENT;OIL COOLER
Подробнее >
012 THERMOSTAT

012 THERMOSTAT

1Артикул: 65.06404-5032, HOUSING ASS`Y
2Артикул: 65.06402-5015, THERMOSTAT
3Артикул: 65.06405-0039, OUTLET;WATER
Подробнее >
КЛАПАННЫЙ МЕХАНИЗМ

КЛАПАННЫЙ МЕХАНИЗМ

1Артикул: 65.04101-0032, VALVE;INLET
2Артикул: 65.04101-0025A, VALVE;EXHAUST
3Артикул: 65.04102-0005, SPRING;VALVE
Подробнее >
011 OIL PAN

011 OIL PAN

1Артикул: 65.05801-5247, PAN;OIL
2Артикул: 65.98125-5022A, JOINT;DRAIN
3Артикул: 06.56190-0732, SEAL,RING
Подробнее >
005 CYLINDER HEAD

005 CYLINDER HEAD

1Артикул: 65.03101-6071B, CYLINDER HEAD ASS`Y
2Артикул: 65.03101-1043C, HEAD;CYLINDER
3Артикул: 65.03201-1013A, GUIDE;VALVE
Подробнее >
БЛОК ЦИЛИНДРОВ

БЛОК ЦИЛИНДРОВ

1Артикул: 65.01101-6079D, CYLINDER BLOCK ASS`Y
2Артикул: 65.01101-0030I, BLOCK;CYLINDER
3Артикул: 65.01105-1048A, CAP;BEARING
Подробнее >
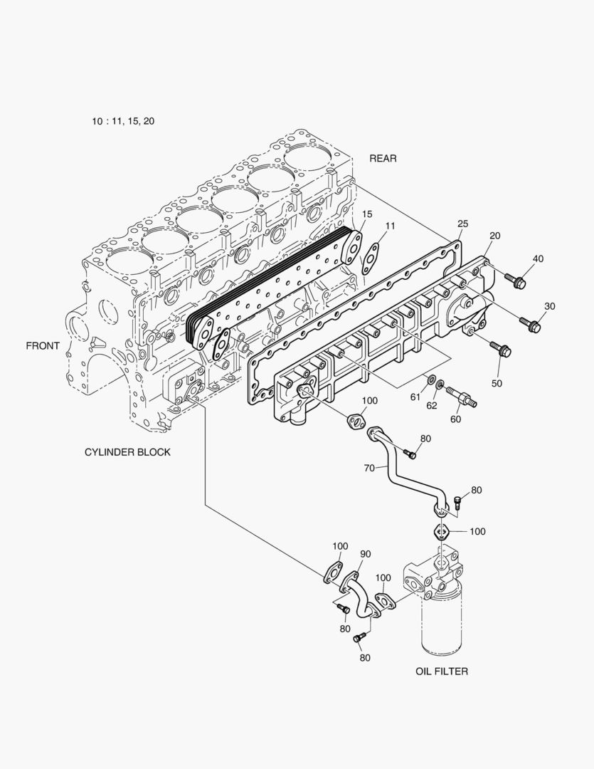
МАСЛЯНЫЙ ФИЛЬТР

МАСЛЯНЫЙ ФИЛЬТР

1Артикул: 65.05501-7084A, OIL FILTER ASS`Y
2Артикул: 65.05510-5028A, CARTRIDGE,OIL FILTER
3Артикул: 65.05503-5053, HEAD;OIL FILTER
Подробнее >
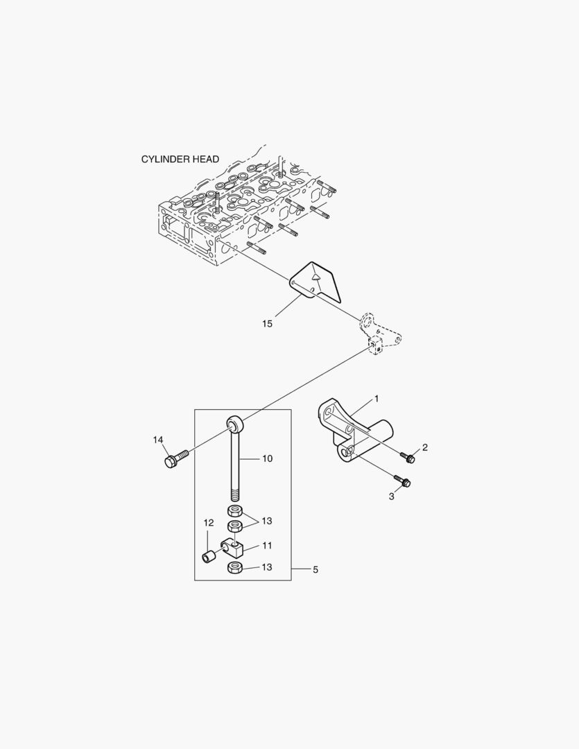
УСТАНОВКА ГЕНЕРАТОРА ПЕРЕМЕННОГО ТОКА

УСТАНОВКА ГЕНЕРАТОРА ПЕРЕМЕННОГО ТОКА

1Артикул: 65.19102-0013B, BRACKET
2Артикул: 06.01944-3215, BOLT
3Артикул: 06.01943-3218, BOLT
Подробнее >
САПУН ТРУБЫ

САПУН ТРУБЫ

1Артикул: 65.01801-5100, HOUSING;BREATHER
2Артикул: 06.01923-3114, BOLT
3Артикул: 65.01840-0008A, BRACKET
Подробнее >
019 STARTER

019 STARTER

1Артикул: 300516-00041, STARTER ASSY
2Артикул: 301206-00010, . RELAY,STARTER
3Артикул: 06.01943-3318, BOLT
Подробнее >
КАРТЕР МАХОВИКА

КАРТЕР МАХОВИКА

1Артикул: 65.01401-0119A, HOUSING;FLYWHEEL
2Артикул: 06.01494-4407, BOLT;HEX.
3Артикул: 06.01494-4409, BOLT;HEX.
Подробнее >
КОМПЛЕКТ ПРОКЛАДОК ДЛЯ КАПИТАЛЬНОГО РЕМОНТА-ВСЕ

КОМПЛЕКТ ПРОКЛАДОК ДЛЯ КАПИТАЛЬНОГО РЕМОНТА-ВСЕ

1Артикул: 65.99601-8027, OVER HAUL GASKET KIT-ALL
2Артикул: 06.56021-0106, O-RING
3Артикул: 65.01901-0020, GASKET
Подробнее >
015 TURBO CHARGER & OIL PIPE

015 TURBO CHARGER & OIL PIPE

1Артикул: 65.09100-7080A, TURBO CHARGER ASS`Y
2Артикул: 65.09901-0018A, GASKET
3Артикул: 06.11024-9202, NUT
Подробнее >
014 INTAKE & EXHAUST MANIFOLD

014 INTAKE & EXHAUST MANIFOLD

1Артикул: 65.08101-0274, MANIFOLD;EXHAUST
2Артикул: 06.06175-8208, BOLT;STUD
3Артикул: 06.16731-2107, WASHER
Подробнее >