+7 (701) 588 50 05 Телефон для связи
RU

WhatsApp

Позвонить

00 ДЕТАЛИ ДВИГАТЕЛЯ в Алматы

КАРТЕР РАСПРЕДЕЛИТЕЛЬНЫХ ШЕСТЕРЕН

КАРТЕР РАСПРЕДЕЛИТЕЛЬНЫХ ШЕСТЕРЕН

1Артикул: 65.01304-0023C, CASE;TIMING GEAR
2Артикул: 130405-00105, TIMING GEAR CASE;CYL,BODY TO BRG,CAP
3Артикул: 65.91010-0017, PIN;DOWEL Г?8m6X60
Подробнее >
УСТАНОВКА ГЕНЕРАТОРА ПЕРЕМЕННОГО ТОКА

УСТАНОВКА ГЕНЕРАТОРА ПЕРЕМЕННОГО ТОКА

1Артикул: 65.19102-0075, BRACKET;ALT. MOUNTING
2Артикул: 110403-00119, BRACKET,ALTERNATOR
3Артикул: 06.01913-3219, BOLT ASS`Y M10X40
Подробнее >
ТУРБОНАГНЕТАТЕЛЬ

ТУРБОНАГНЕТАТЕЛЬ

1Артикул: 65.09100-7073, TURBOCHARGER ASS`Y
2Артикул: 65.09901-0033, GASKET;TURBO CHARGER
3Артикул: 65.90201-0076, BOLT;STUD
Подробнее >
015 EXHAUST MANIFOLD

015 EXHAUST MANIFOLD

1Артикул: 65.08100-6061, EXHAUST MANIFOLD ASS`Y
2Артикул: 65.08101-0181A, . MANIFOLD;EXHAUST(FRONT)
3Артикул: 65.08101-0530, . MANIFOLD;EXHAUST(CENTER)
Подробнее >
022 INJECTION PUMP MOUNTING

022 INJECTION PUMP MOUNTING

1Артикул: 65.11401-0033, BRACKET;INJECTION PUMP
2Артикул: 06.22022-1112, PIN;DOWEL
3Артикул: 65.11405-0005, SHIM 0.10mm
Подробнее >
016 INTAKE MANIFOLD

016 INTAKE MANIFOLD

1Артикул: 65.08201-5057, MANIFOLD;INTAKE
2Артикул: 240203-00050, MANIFOLD,INTAKE
3Артикул: 65.08902-0025, GASKET;INTAKE MANIFOLD
Подробнее >
ВПРЫСКИВАЮЩЕЕ СОПЛО

ВПРЫСКИВАЮЩЕЕ СОПЛО

1Артикул: 65.10101-7300, NOZZLE & HOLDER ASS`Y
2Артикул: 65.10102-6046, . NOZZLE ASS`Y
3Артикул: 65.98701-0010, SEAL;RING (TIER-I)
Подробнее >
МАСЛЯНЫЙ ФИЛЬТР

МАСЛЯНЫЙ ФИЛЬТР

1Артикул: 65.05501-7081A, OIL FILTER ASS`Y
2Артикул: 400404-00017, FILTER ASSY,ENGINE OIL
3Артикул: 65.05510-5020B, . CARTRIDGE;OIL FILTER
Подробнее >
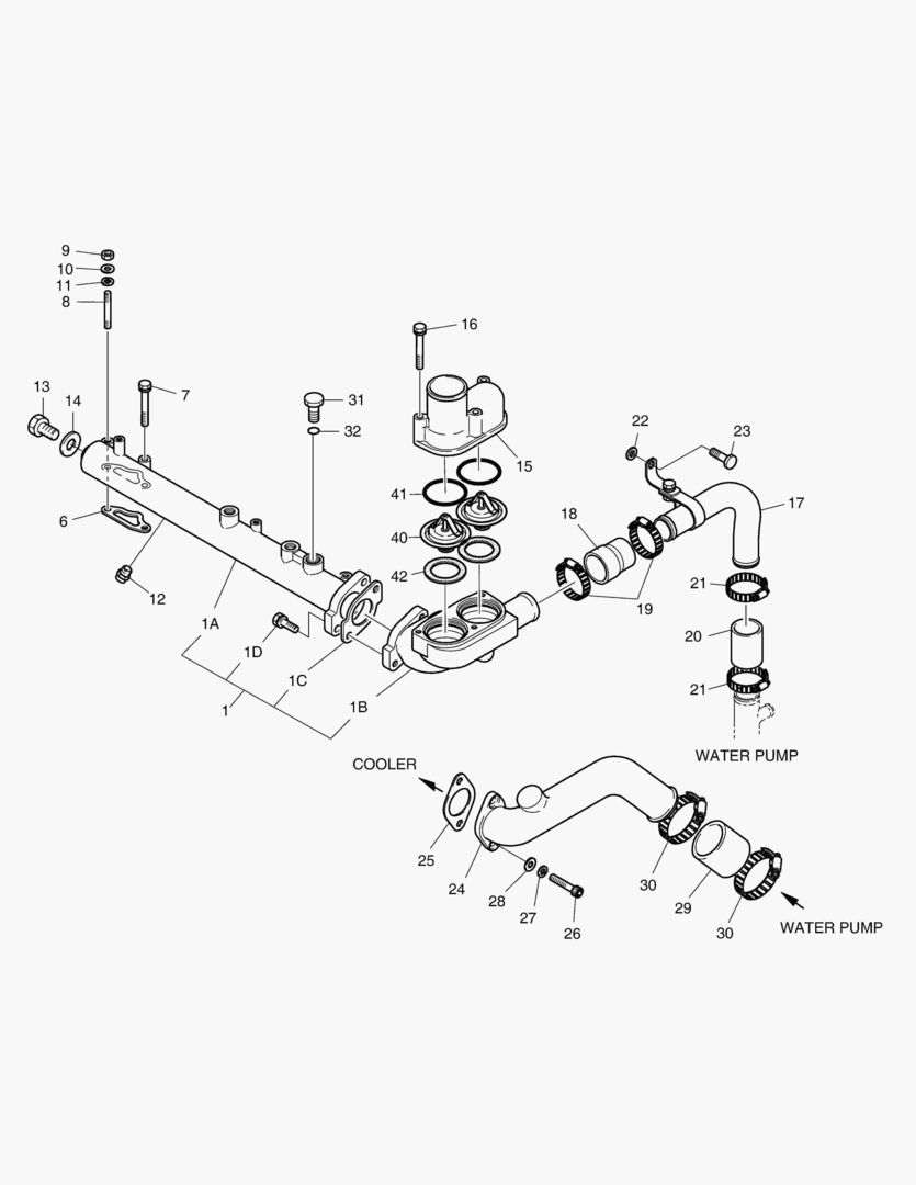
013 WATER PUMP

013 WATER PUMP

1Артикул: 65.06500-6357C, WATER PUMP ASS`Y
2Артикул: 65.06501-0092, . HOUSING;WATER PUMP
3Артикул: 65.06301-0673, . PIPE;COOLING WATER
Подробнее >
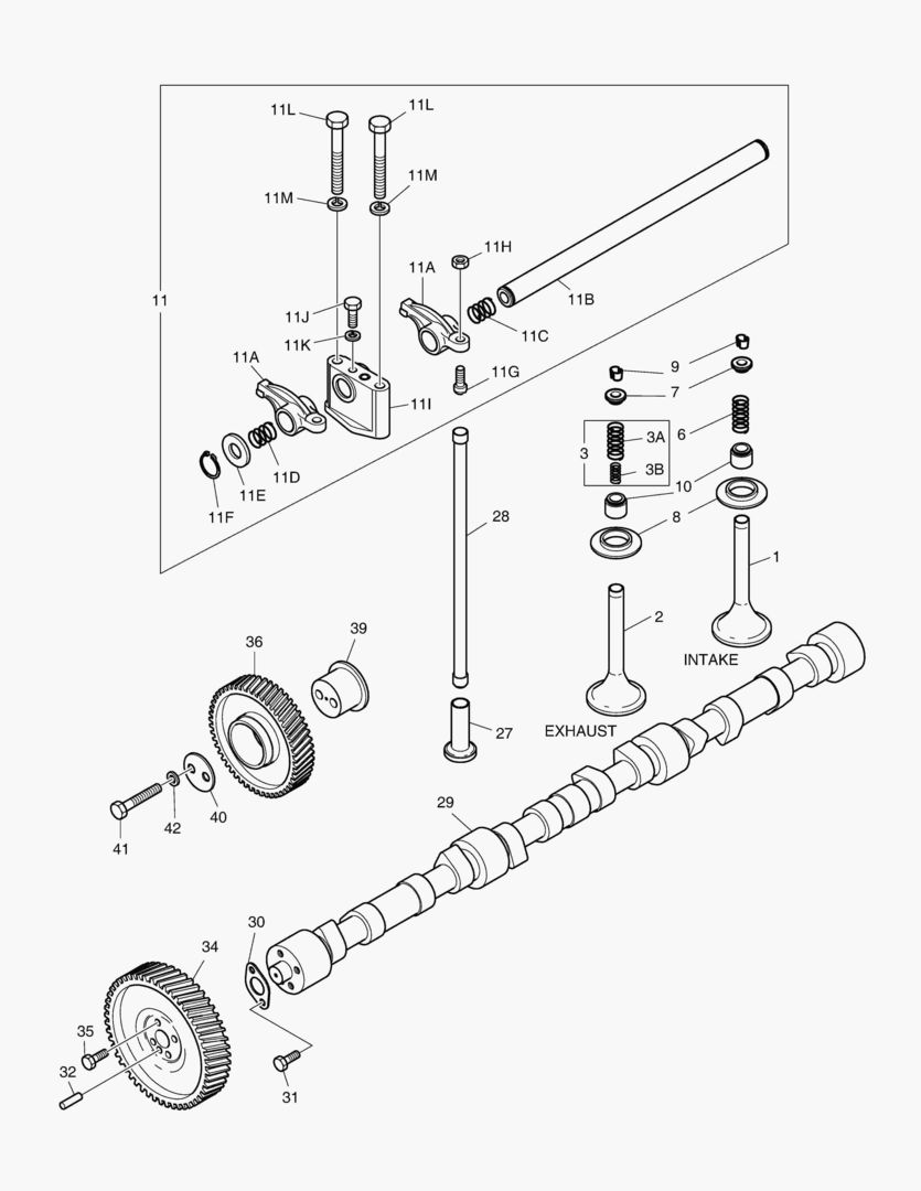
СИСТЕМА РЕГУЛИРОВАНИЯ СИНХРОНИЗАЦИИ

СИСТЕМА РЕГУЛИРОВАНИЯ СИНХРОНИЗАЦИИ

1Артикул: 65.04101-0043, VALVE;INTAKE
2Артикул: 65.04101-0044, VALVE;EXHAUST
3Артикул: 65.04102-6004A, SPRING VALVE ASS`Y
Подробнее >
ПРИВОДНАЯ СИСТЕМА

ПРИВОДНАЯ СИСТЕМА

1Артикул: 65.02101-0060B, SHAFT;CRANK
2Артикул: 150107-00187, CRANK SHAFT
3Артикул: 65.02115-0008B, GEAR;CRANK SHAFT
Подробнее >
021 INJECTION PUMP DRIVE

021 INJECTION PUMP DRIVE

1Артикул: 65.11301-7022, INJECTION DRIVE ASS`Y
2Артикул: 65.11309-0007A, . HOUSING;INJECTION DRIVE
3Артикул: 65.11309-0011C, . HOUSING;INJECTION DRIVE
Подробнее >
ВПРЫСКИВАЮЩАЯ ТРУБА

ВПРЫСКИВАЮЩАЯ ТРУБА

1Артикул: 65.10301-7006, INJECTION PIPE ASS`Y
2Артикул: 420208-00291, INJ. PIPE ASS`Y
3Артикул: 65.91701-0470, SPACER(92mm)
Подробнее >
КОМПЛЕКТ ПРОКЛАДОК ДЛЯ КАПИТАЛЬНОГО РЕМОНТА-ВСЕ

КОМПЛЕКТ ПРОКЛАДОК ДЛЯ КАПИТАЛЬНОГО РЕМОНТА-ВСЕ

1Артикул: 65.99601-8042, OVER HAUL GASKET KIT-ALL
2Артикул: 65.01903-0048B, GASKET
3Артикул: 65.01903-0050, GASKET;T.G.C COVER
Подробнее >
026 STARTER

026 STARTER

1Артикул: 65.26201-7074C, STARTER
2Артикул: 65.26201-7074D, STARTER(DAC)
3Артикул: 300516-00020, STARTER
Подробнее >
ВЕНТИЛЯТОР ОХЛАЖДЕНИЯ

ВЕНТИЛЯТОР ОХЛАЖДЕНИЯ

1Артикул: 65.06650-6016, FAN DRIVE ASS`Y
2Артикул: 210101-00083, DRIVE ASSY,FAN
3Артикул: 65.06651-0005, . HOUSING;FAN DRIVE
Подробнее >
КРЫШКА ГОЛОВКИ ЦИЛИНДРА

КРЫШКА ГОЛОВКИ ЦИЛИНДРА

1Артикул: 65.03401-6046C, CYLINDER HEAD COVER ASS`Y
2Артикул: 65.03401-6046D, CYL. HEAD COVER ASS`Y
3Артикул: 65.03401-0048C, . COVER;CYINDER HEAD
Подробнее >
010 OIL COOLER

010 OIL COOLER

1Артикул: 65.05601-7072C, OIL COOLER ASS`Y
2Артикул: 65.05604-0019B, . HOUSING;OIL COOLER
3Артикул: 65.05606-5027B, . ELEMENT;OIL COOLER
Подробнее >
ТОПЛИВНЫЙ ФИЛЬТР

ТОПЛИВНЫЙ ФИЛЬТР

1Артикул: 65.12501-7023B, FUEL FILTER ASS`Y
2Артикул: 65.12504-5013B, . HEAD;FUEL FILTER
3Артикул: 65.12503-5016B, . ELEMENT;E/G FUEL FILTER
Подробнее >
ТРУБА ВОДЯНОГО ОХЛАЖДЕНИЯ

ТРУБА ВОДЯНОГО ОХЛАЖДЕНИЯ

1Артикул: 65.06301-6084, COOLING WATER PIPE ASS`Y
2Артикул: 65.06301-6084B, COOLING WATER PIPE ASS`Y
3Артикул: 65.06301-0240, . PIPE;COOLING WATER
Подробнее >
005 CYLINDER HEAD

005 CYLINDER HEAD

1Артикул: 65.03101-6082B, CYLINDER HEAD ASS`Y
2Артикул: 150113-00040, HEAD ASSY,CYLINDER
3Артикул: 65.03101-1064A, . HEAD;CYLINDER
Подробнее >
КОМПЛЕКТ ПРОКЛАДОК ДЛЯ КАПИТАЛЬНОГО РЕМОНТА-ВЕРХНИЙ

КОМПЛЕКТ ПРОКЛАДОК ДЛЯ КАПИТАЛЬНОГО РЕМОНТА-ВЕРХНИЙ

1Артикул: 65.99605-8028, OVER HAUL GASKET KIT-TOP
2Артикул: 65.03901-0072, GASKET;CYLINDER HEAD(FRONT)
3Артикул: 65.03901-0073, GASKET;CYLINDER HEAD(REAR)
Подробнее >
МАНОМЕТР

МАНОМЕТР

1Артикул: 65.98150-0002, ADAPTER
2Артикул: 06.56190-0704, RING;SEAL
3Артикул: 65.27441-7007, SWITCH;OIL PRESSURE
Подробнее >
МАСЛЯНЫЙ НАСОС

МАСЛЯНЫЙ НАСОС

1Артикул: 65.05100-6042A, OIL PUMP ASS`Y
2Артикул: 65.05102-0015, . HOUSING;OIL PUMP
3Артикул: 65.05104-5005, . GEAR;PUMP
Подробнее >
КОНДИЦИОНЕР

КОНДИЦИОНЕР

1Артикул: 65.28652-0013, BRACKET;AIR CON.COMP.
2Артикул: 06.01943-3323, BOLT ASS`Y M12X1.5X60
3Артикул: 06.01913-3217, BOLT M10X30
Подробнее >
023 FUEL PIPE

023 FUEL PIPE

1Артикул: 65.96341-0100, HOSE;FUEL
2Артикул: 06.78144-2204, SCREW;HOLLOW
3Артикул: 06.56190-0706, SEAL RING
Подробнее >
020 INJECTION PUMP

020 INJECTION PUMP

1Артикул: 65.11101-7454, INJECTION PUMP
2Артикул: 105207-154A, . PUMP,FEED
3Артикул: 400908-00004, .. HAND PRIMING PUMP
Подробнее >
МОНТАЖ ДВИГАТЕЛЯ

МОНТАЖ ДВИГАТЕЛЯ

1Артикул: 65.41530-0161A, BRACKET;FRONT MOUNTING
2Артикул: 65.90201-0063, BOLT;STUD
3Артикул: 06.16731-2110, WASHER;SPRING
Подробнее >
БЛОК ЦИЛИНДРОВ

БЛОК ЦИЛИНДРОВ

1Артикул: 65.01101-6212E, CYLINDER BLOCK ASS`Y
2Артикул: 65.01101-0212C, . BLOCK;CYLINDER
3Артикул: 65.04410-0016, . BUSH;CAM SHAFT
Подробнее >
КАРТЕР МАХОВИКА

КАРТЕР МАХОВИКА

1Артикул: 65.01401-0099A, HOUSING;FLY WHEEL
2Артикул: 65.01904-0022A, GASKET;F.W.H
3Артикул: 06.02074-0317, BOLT;REAMER M14X2X90
Подробнее >
011 OIL PAN

011 OIL PAN

1Артикул: 65.05801-5380A, PAN;OIL
2Артикул: 65.98125-5022A, JOINT;DRAIN
3Артикул: 06.56190-0732, SEAL,RING
Подробнее >