+7 (701) 588 50 05 Телефон для связи
RU

WhatsApp

Позвонить

ДЕТАЛИ ДВИГАТЕЛЯ в Алматы

048 FUEL FILTER UNIT, FUEL PIPES

048 FUEL FILTER UNIT, FUEL PIPES

1Артикул: 400824-00841, MANIFOLD ASSY;FUEL
2Артикул: 430221-00590, PLUG,SCREW
3Артикул: 430221-00589, PLUG,SCREW
Подробнее >
030 REPAIR KIT, OIL MIST SEPARATOR, CRANKCASE VENTILATION

030 REPAIR KIT, OIL MIST SEPARATOR, CRANKCASE VENTILATION

1Артикул: 101529-00226, KIT,REPAIR;SEPARATOR
2Артикул: -, SEPARATOR
3Артикул: -, SCREW
Подробнее >
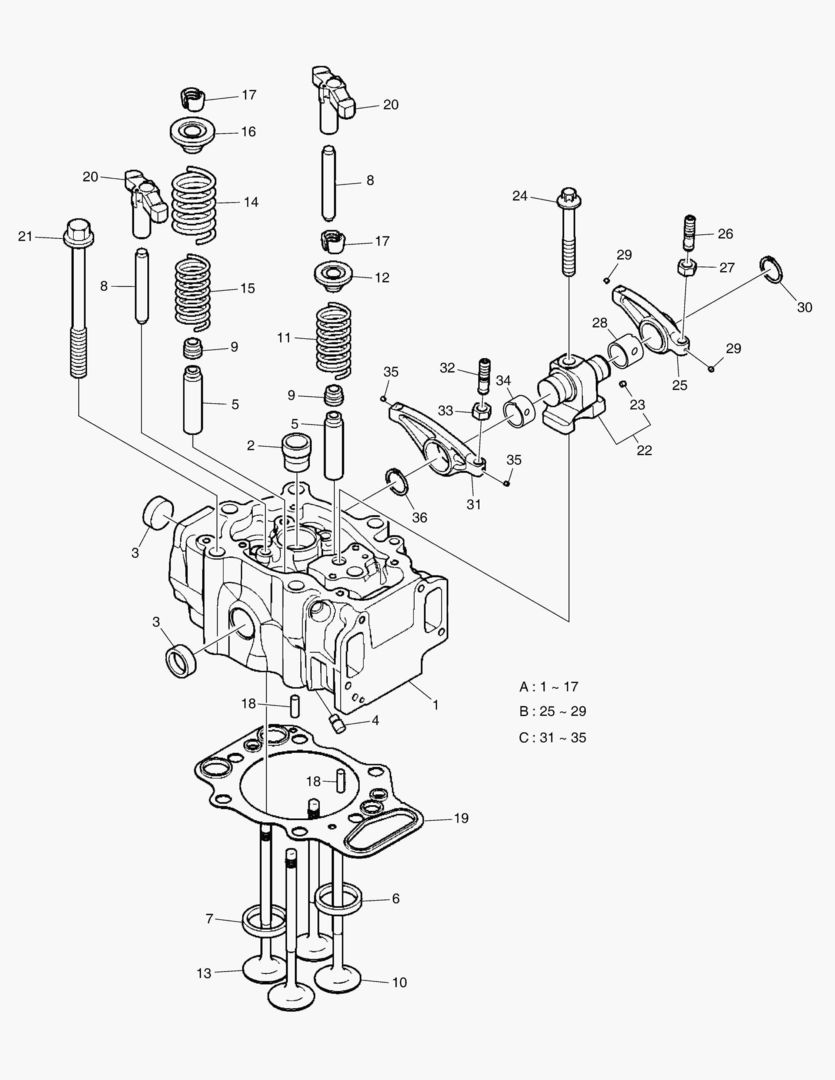
004 CYLINDER HEAD

004 CYLINDER HEAD

1Артикул: 150113-00505, HEAD,CYLINDER
2Артикул: -, CYLINDER HEAD
3Артикул: 110949-00587, SLEEVE
Подробнее >
002 MAINTENANCE KIT, BASIC KIT

002 MAINTENANCE KIT, BASIC KIT

1Артикул: 101529-01164, KIT;MAINTENANCE
2Артикул: 400504-00058, ELEMENT,OIL FILTER
3Артикул: 401002-00702, O-RING
Подробнее >
024 POWER TAKE OFF, COVER

024 POWER TAKE OFF, COVER

1Артикул: 120408-00083, STUD
2Артикул: 120305-00030, NUT,FLANGE
3Артикул: 110949-00321, SLEEVE,SPACER
Подробнее >
012 TIMING GEAR

012 TIMING GEAR

1Артикул: 150103-00127, CAMSHAFT
2Артикул: 120501-02044, PIN 10x25
3Артикул: 130712-00770, SHAFT ASSY
Подробнее >
049 OXIDATION CATALYTIC CONVERTER

049 OXIDATION CATALYTIC CONVERTER

1Артикул: 420203-00265, PIPE,EXHAUST;DOC
2Артикул: 120203-00115, CLAMP;EXHAUST
3Артикул: 120501-03019, PIN,LOCK
Подробнее >
063 ALTERNATOR & ALTERNATOR MOUNTINGгЂЂ

063 ALTERNATOR & ALTERNATOR MOUNTINGгЂЂ

1Артикул: 300901-00188, ALTERNATOR
2Артикул: 120705-00689, SCREW
3Артикул: 110406-02227, BRACKET
Подробнее >
044 FEED PUMP, HIGH PRESSURE PUMP

044 FEED PUMP, HIGH PRESSURE PUMP

1Артикул: 400909-00170, PUMP ASS`Y,FUEL
2Артикул: 401002-00685, RING,O
3Артикул: 401002-00707, RING,O
Подробнее >
КРИВОШИПНЫЙ МЕХАНИЗМ

КРИВОШИПНЫЙ МЕХАНИЗМ

1Артикул: 150121-00359, ROD,CONNECTING
2Артикул: -, ROD,CONNECTING
3Артикул: 120705-00704, SCREW
Подробнее >
066 MASS FLOW SENSOR

066 MASS FLOW SENSOR

1Артикул: 301317-00101, SENSOR,TEMPERATURE;MAF
2Артикул: 110949-00655, SLEEVE,SPACER
3Артикул: 400602-00729, GASKET
Подробнее >
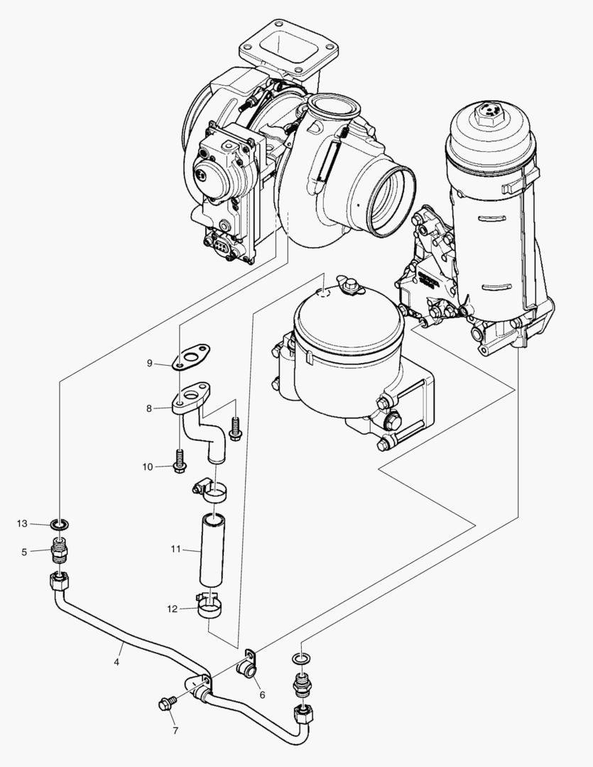
013 LUBRICATION, TURBOCHARGER

013 LUBRICATION, TURBOCHARGER

1Артикул: 420210-01717, PIPE;LUBRICATION
2Артикул: 430215-01021, FLANGE
3Артикул: 120203-00288, CLAMP
Подробнее >
067 CABLE ROUTING,ENGINE

067 CABLE ROUTING,ENGINE

1Артикул: 460103-00594, DUCT
2Артикул: 460103-00981, DUCT
3Артикул: 110411-00240, BRACKET
Подробнее >
070 CONTACT HOUSING

070 CONTACT HOUSING

1Артикул: 110931-01409, HOUSING,CONTACT
2Артикул: 110903-00026, BOOT;CONTACT HOUSING,2-POL BLACK
Подробнее >
033 REPAIR KIT, PISTON AND CYLINDER LINER

033 REPAIR KIT, PISTON AND CYLINDER LINER

1Артикул: 150117-00086, LINER KIT,CYLINDER
2Артикул: -, PISTON
3Артикул: 401003-01119, RING,COMPRESSOR
Подробнее >
059 CONVERSION KIT, BLEED PIPE, FUEL FILTER UNIT

059 CONVERSION KIT, BLEED PIPE, FUEL FILTER UNIT

1Артикул: 101529-01149, KIT;CONVERSION
2Артикул: 420210-02821, PIPE
3Артикул: 101552-00918, NIPPLE;BLEED
Подробнее >
016 OIL FILTER, DIPSTICK

016 OIL FILTER, DIPSTICK

1Артикул: 430215-01033, FLANGE
2Артикул: -, FLANGE PIPE
3Артикул: -, PIPE
Подробнее >
028 REPAIR KIT, OIL FILTER

028 REPAIR KIT, OIL FILTER

1Артикул: 400504-00058, ELEMENT,OIL FILTER
2Артикул: -, FILTER ELEMENT
3Артикул: 401002-00700, RING,O
Подробнее >
020 VARIABLE GEOMETRY TURBOCHARGER

020 VARIABLE GEOMETRY TURBOCHARGER

1Артикул: 150105-00618, CHARGER,TURBO
Подробнее >
015 OIL COOLER

015 OIL COOLER

1Артикул: 110508-20348, COVER ASS`Y
2Артикул: -, COVER
3Артикул: 110508-08907, COVER
Подробнее >
026 EGR SYSTEM

026 EGR SYSTEM

1Артикул: 430213-00349, ELBOW,EXHAUST
2Артикул: 120203-00294, CLAMP
3Артикул: 410116-01468, VALVE,EGR
Подробнее >
043 MOUNTING KIT, COOLANT PIPE, EXHAUST BRAKE

043 MOUNTING KIT, COOLANT PIPE, EXHAUST BRAKE

1Артикул: 101529-01165, KIT;MOUNTING
2Артикул: 420210-02878, PIPE
3Артикул: 420210-02880, PIPE
Подробнее >
051 SCR CATALYTIC CONVERTER

051 SCR CATALYTIC CONVERTER

1Артикул: 500111-00263, CATALYST,SCR
2Артикул: -, CATALYTIC CONVERTOR
3Артикул: -, HOUSING
Подробнее >
006 FLYWHEEL HOUSING,TIMING GEAR PLATE

006 FLYWHEEL HOUSING,TIMING GEAR PLATE

1Артикул: 150114-00342, HOUSING,FLYWHEEL
2Артикул: 110508-08909, COVER
3Артикул: 401107-01137, SEAL
Подробнее >
018 CENTRIFUGAL OIL CLEANER

018 CENTRIFUGAL OIL CLEANER

1Артикул: 500203-00138, CLEANER;OIL
2Артикул: -, HOUSING
3Артикул: 130712-02069, SHAFT
Подробнее >
КОМПЛЕКТ ПРОКЛАДОК - ГОЛОВКА ЦИЛИНДРА

КОМПЛЕКТ ПРОКЛАДОК - ГОЛОВКА ЦИЛИНДРА

1Артикул: 400632-00063, GASKET KIT
2Артикул: 400603-00116, GASKET,CYLINDER HEAD
3Артикул: 400602-00476, GASKET;ROCKER COVER
Подробнее >
057 SUSPENSION, REDUCTANT TANK, SCR

057 SUSPENSION, REDUCTANT TANK, SCR

1Артикул: 110931-00714, HOUSING;SENSOR
2Артикул: 120705-00714, SCREW
3Артикул: 401002-00705, RING,O
Подробнее >
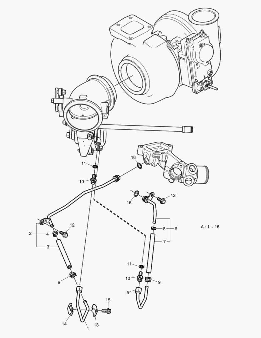
038 COOLANT PIPE, TURBOCHARGER

038 COOLANT PIPE, TURBOCHARGER

1Артикул: 101552-00363, NIPPLE
2Артикул: 420108-01163, HOSE
3Артикул: 120202-00172, CLAMP,HOSE
Подробнее >
054 REDUCTANT PUMP, SCR

054 REDUCTANT PUMP, SCR

1Артикул: 400916-00463, PUMP ASSY;DOSAGE
2Артикул: -, PUMP
3Артикул: -, VENTILATION CAP
Подробнее >
071 CONTACT HOUSING,KIT

071 CONTACT HOUSING,KIT

1Артикул: 101529-00718, KIT
Подробнее >
061 EXHAUST BREAK,ELECTRIC

061 EXHAUST BREAK,ELECTRIC

1Артикул: 420203-00484, PIPE,EXHAUST
2Артикул: 130104-00283, BRAKE ASSY;EXHAUST
3Артикул: -, HOUSING
Подробнее >
ТРУБОПРОВОД ДЛЯ НАДДУВА ВОЗДУХА

ТРУБОПРОВОД ДЛЯ НАДДУВА ВОЗДУХА

1Артикул: 420202-00310, PIPE,AIR;CHARGE
2Артикул: 401109-00076, SEALRING
3Артикул: 120705-00689, SCREW
Подробнее >
056 CABLE HARNESS, ECU,SCR

056 CABLE HARNESS, ECU,SCR

1Артикул: 300618-00095, ECU;DOSAGE
2Артикул: 310207-03505, HARNESS;CABLE
3Артикул: 310401-02373, CABLE
Подробнее >
069 CONTACT HOUSING, ELECTRONIC CONTROL UNIT

069 CONTACT HOUSING, ELECTRONIC CONTROL UNIT

1Артикул: 110931-00917, HOUSING,CONTACT;10 POL(CODE 1)
2Артикул: 110931-00918, HOUSING,CONTACT;10 POL(CODE 2)
3Артикул: 110931-00919, HOUSING,CONTACT;10 POL(CODE 3)
Подробнее >
005 FRONT COVER

005 FRONT COVER

1Артикул: 110508-31374, COVER,FRONT
2Артикул: 401107-01135, SEAL
3Артикул: 120501-02046, PIN
Подробнее >
068 CABLE HARNESS,EMS,INJECTION SYSTEM

068 CABLE HARNESS,EMS,INJECTION SYSTEM

1Артикул: 310401-02294, CABLE SET
2Артикул: 310401-01602, CABLE SET
3Артикул: 310401-02607, CABLE SET
Подробнее >
023 AIR PIPE, MASS FLOW SENSOR

023 AIR PIPE, MASS FLOW SENSOR

1Артикул: 240401-00253, STAKE,INTAKE
Подробнее >
008 CRANKCASE VENTILATION,OPEN

008 CRANKCASE VENTILATION,OPEN

1Артикул: 420108-00572, HOSE
2Артикул: 120202-00270, CLAMP,HOSE
3Артикул: 120202-00144, CLAMP,HOSE
Подробнее >
047 FUEL FILTER UNIT

047 FUEL FILTER UNIT

1Артикул: 400403-00561, FILTER ASSY,FUEL
2Артикул: -, FILTER HOUSING
3Артикул: 110508-08911, CAP
Подробнее >
060 REPAIR KIT,FILTER CAP,SCR

060 REPAIR KIT,FILTER CAP,SCR

1Артикул: 101529-01147, KIT;MOUNTING
2Артикул: 110911-00169, CAP,FILLER
3Артикул: 430208-00531, CONNECTER
Подробнее >
058 CONVERSION KIT, FUEL FILTER

058 CONVERSION KIT, FUEL FILTER

1Артикул: 101529-01148, KIT;CONVERSION
2Артикул: 410116-01469, VALVE
3Артикул: 420204-00688, PIPE,FUEL
Подробнее >
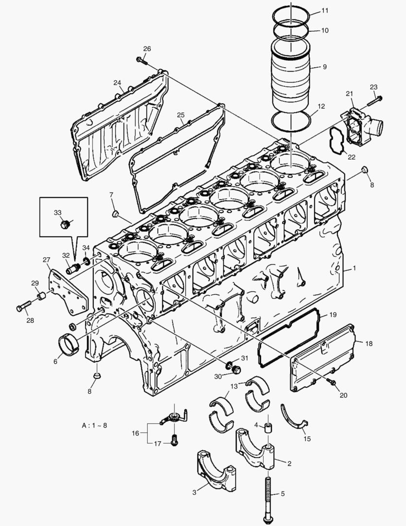
БЛОК ЦИЛИНДРОВ

БЛОК ЦИЛИНДРОВ

1Артикул: 150102-01023, BLOCK,CYLINDER
2Артикул: -, BLOCK,CYLINDER
3Артикул: -, CAP
Подробнее >
031 PISTON RING KIT

031 PISTON RING KIT

1Артикул: 401004-00130, RING SET,PISTON
2Артикул: 401003-01119, RING,COMPRESSOR
3Артикул: 401003-00628, RING,COMPRESSOR
Подробнее >
ФЛАНЦЕВАЯ ТРУБА

ФЛАНЦЕВАЯ ТРУБА

1Артикул: 420207-03521, PIPE,FLANGE
2Артикул: -, PIPE,FLANGE
3Артикул: 430221-00575, PLUG
Подробнее >
КРЫШКА КОРОМЫСЛА

КРЫШКА КОРОМЫСЛА

1Артикул: 110508-17169, COVER;ROCKER
2Артикул: 110508-08927, COVER;ROCKER
3Артикул: 110508-29333, COVER ASS`Y,ROCKER
Подробнее >
001 MAINTENANCE KIT

001 MAINTENANCE KIT

1Артикул: 101529-01146, KIT;MAINTENANCE
2Артикул: 400504-00058, ELEMENT,OIL FILTER
3Артикул: 401002-00702, O-RING
Подробнее >
045 ACCUMULATOR

045 ACCUMULATOR

1Артикул: 400804-00176, ACCUMULATOR
2Артикул: -, ACCUMULATOR
3Артикул: 120203-00909, CLAMP
Подробнее >
034 REPAIR KIT, TURBOCHARGER, ACTUATOR

034 REPAIR KIT, TURBOCHARGER, ACTUATOR

1Артикул: 301310-00110, SENSOR,SPEED;ROTATIONAL
2Артикул: 401002-01962, RING,O
3Артикул: 101529-01143, KIT,REPAIR(ACTUATOR)
Подробнее >
014 OIL FILTER HOUSING

014 OIL FILTER HOUSING

1Артикул: 400405-00088, FILTER ASS`Y,OIL
2Артикул: -, OIL FILTER
3Артикул: 430208-00227, CONNECTER
Подробнее >
053 REDUCTANT TANK, SCR

053 REDUCTANT TANK, SCR

1Артикул: 450106-00116, TANK;REDUCTANT
Подробнее >
046 UNIT INJECTOR

046 UNIT INJECTOR

1Артикул: 400903-00202, INJECTOR
2Артикул: 401107-01141, SEAL KIT
3Артикул: -, O-RING
Подробнее >
МАСЛЯНЫЙ НАСОС

МАСЛЯНЫЙ НАСОС

1Артикул: 400915-00305, PUMP,OIL
2Артикул: 120705-00733, SCREW;FLANGE
3Артикул: 110949-00317, SLEEVE,GUIDE
Подробнее >
021 INTAKE MANIFOLD

021 INTAKE MANIFOLD

1Артикул: 240203-00212, MANIFOLD,INTAKE
2Артикул: 400602-01101, GASKET
3Артикул: 120705-00737, SCREW;FLANGE
Подробнее >
032 SHIM, CYLINDER LINER

032 SHIM, CYLINDER LINER

1Артикул: 110947-00472, SHIM;TH 0,2MM
2Артикул: 110947-00473, SHIM;TH 0,3MM
3Артикул: 110947-00474, SHIM;TH 0,4MM
Подробнее >
052 EVAPORATOR, SCR

052 EVAPORATOR, SCR

1Артикул: 400815-00014, EVAPORATOR
2Артикул: 110443-00062, BRACKET,EXHAUST
3Артикул: 120203-00668, CLAMP,RETAINING
Подробнее >
011 PISTON

011 PISTON

1Артикул: 130602-01861, PISTON ASSY
2Артикул: -, PISTON
3Артикул: 401003-01119, RING,COMPRESSOR
Подробнее >
065 ELECTRONIC CONTROL UNIT

065 ELECTRONIC CONTROL UNIT

1Артикул: 300618-00035, ECU;EMS
2Артикул: 120705-00731, SCREW;FLANGE
3Артикул: 120705-00706, SCREW
Подробнее >
041 PIPES AND HOSES, EGR SYSTEM

041 PIPES AND HOSES, EGR SYSTEM

1Артикул: 400202-00162, COOLER,EGR
2Артикул: 420211-00651, PIPE,COOLING WATER
3Артикул: 120202-00222, CLAMP,HOSE
Подробнее >
027 CONVERSION KIT, MARKET ADAPTATION OF ENGINES

027 CONVERSION KIT, MARKET ADAPTATION OF ENGINES

1Артикул: 101529-01166, KIT,CONVERSION
2Артикул: 110411-00348, BRACKET
3Артикул: 430221-00586, PLUG,SCREW
Подробнее >
025 POWER TAKE OFF, FRONT MOUNTED

025 POWER TAKE OFF, FRONT MOUNTED

1Артикул: -, TORSION DAMPER
2Артикул: 850308-00170, DRIVER
3Артикул: 120705-00899, SCREW
Подробнее >
037 COOLANT PUMP

037 COOLANT PUMP

1Артикул: 400921-00601, PUMP,WATER
2Артикул: -, HOUSING;PUMP
3Артикул: 400602-00845, GASKET
Подробнее >
050 REDUCTANT DOSER,SCR

050 REDUCTANT DOSER,SCR

1Артикул: 240101-00016, EXHAUST DEVICE;REDUCTANT DOSAG
2Артикул: 401107-01140, SEAL
3Артикул: 400406-00423, FILTER
Подробнее >
022 AIR PIPE

022 AIR PIPE

1Артикул: 420202-00573, PIPE ASSY,AIR
2Артикул: -, PIPE,AIR
3Артикул: 120808-01052, WASHER
Подробнее >
019 EXHAUST MANIFOLD, EGR

019 EXHAUST MANIFOLD, EGR

1Артикул: 400824-00842, MANIFOLD;TURBO
2Артикул: 240102-00386, MANIFOLD,EXHAUST
3Артикул: 240102-00387, MANIFOLD,EXHAUST
Подробнее >
042 BELT TRANSMISSION,COOLANT PUMP

042 BELT TRANSMISSION,COOLANT PUMP

1Артикул: 130202-00042, BELT;POLY
2Артикул: 120705-00895, SCREW
3Артикул: 130206-00031, TENSIONER,BELT
Подробнее >
036 THERMOSTAT HOUSING

036 THERMOSTAT HOUSING

1Артикул: 110980-00065, HOUSING,THERMOSTAT
2Артикул: 300738-00165, THERMOSTAT
3Артикул: 400602-00461, GASKET
Подробнее >
055 PIPES AND HOSES, REDUCTANT PUMP, SCR

055 PIPES AND HOSES, REDUCTANT PUMP, SCR

1Артикул: 110508-08914, COVER
2Артикул: 120705-01400, SCREW;SHOULDER
3Артикул: 110411-00252, BRACKET
Подробнее >
007 OIL SUMP,LADDER FRAME

007 OIL SUMP,LADDER FRAME

1Артикул: 150119-00462, SUMP,OIL
2Артикул: 430221-00594, PLUG;INSERT
3Артикул: 400604-00036, GASKET,OIL PAN
Подробнее >
040 BLEED PIPE

040 BLEED PIPE

1Артикул: 420210-02819, PIPE;BLEED
2Артикул: 430208-00222, CONNECTION;INSERT
3Артикул: 120203-00289, CLAMP
Подробнее >
062 MOUNTING,HYDRAULIC PUMP,WITHOUT

062 MOUNTING,HYDRAULIC PUMP,WITHOUT

1Артикул: 430215-00611, FLANGE
2Артикул: 430221-01237, PLUG,CORE;Г?70
3Артикул: 400602-00514, GASKET
Подробнее >
064 STARTER MOTOR

064 STARTER MOTOR

1Артикул: 101529-00244, KIT,REPAIR
2Артикул: 300516-00113, STARTER
3Артикул: 301202-00141, RELAY
Подробнее >