+7 (701) 588 50 05 Телефон для связи
RU

WhatsApp

Позвонить

00 ДЕТАЛИ ДВИГАТЕЛЯ в Алматы

009 OIL COOLER

009 OIL COOLER

1Артикул: 65.05601-7056B, OIL COOLER ASS`Y
2Артикул: 65.05604-0013B, . HOUSING;OIL COOLER
3Артикул: 65.05606-5024, . ELEMENT;OIL COOLER
Подробнее >
010 OIL PAN

010 OIL PAN

1Артикул: 65.05801-5191, PAN;OIL
2Артикул: 65.90310-0050B, SCREW;PLUG M20X1.5
3Артикул: 06.56190-0715, RING;SEAL
Подробнее >
КЛАПАННЫЙ МЕХАНИЗМ

КЛАПАННЫЙ МЕХАНИЗМ

1Артикул: 65.04101-0047, VALVE;INLET
2Артикул: 65.04101-0025A, VALVE;EXHAUST
3Артикул: 65.04102-0017, SPRING;VALVE
Подробнее >
013 INTAKE & EXHAUST MANIFOLD

013 INTAKE & EXHAUST MANIFOLD

1Артикул: 65.08101-0535, MANIFOLD;EXHAUST
2Артикул: 65.08101-0199, MANIFOLD;EXHAUST
3Артикул: 06.06175-8206, BOLT;STUD M10X1.25X25
Подробнее >
012 WATER PUMP & COOLING FAN

012 WATER PUMP & COOLING FAN

1Артикул: 65.06500-6402A, WATER PUMP ASS`Y
2Артикул: 65.06500-6402B, WATER PUMP ASS`Y
3Артикул: 65.06501-0217A, . HOUSING
Подробнее >
БЛОК ЦИЛИНДРОВ

БЛОК ЦИЛИНДРОВ

1Артикул: 65.01101-6051G, CYLINDER BLOCK ASS`Y
2Артикул: 65.01101-6051H, CYLINDER BLOCK ASS`Y
3Артикул: 65.01101-6051L, CYLINDER BLOCK ASS`Y
Подробнее >
ТОПЛИВНЫЙ ФИЛЬТР

ТОПЛИВНЫЙ ФИЛЬТР

1Артикул: 65.12501-7071D, FUEL FILTER ASS`Y
2Артикул: 65.12501-7023, FUEL FILTER ASS`Y
3Артикул: 65.12504-5013A, HEAD;FUEL FILTER
Подробнее >
КОМПЛЕКТ ПРОКЛАДОК ДЛЯ КАПИТАЛЬНОГО РЕМОНТА-ВЕРХНИЙ

КОМПЛЕКТ ПРОКЛАДОК ДЛЯ КАПИТАЛЬНОГО РЕМОНТА-ВЕРХНИЙ

1Артикул: 65.99605-8017, OVER HAUL GASKET KIT-TOP
2Артикул: 65.03901-0055, GASKET;CYLINDER HEAD
3Артикул: 65.04902-0011A, SEAL;VALVE STEM
Подробнее >
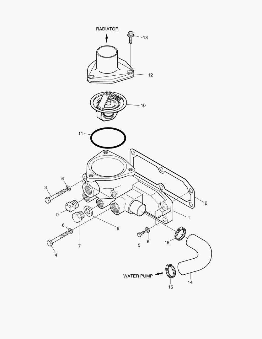
011 THERMOSTAT

011 THERMOSTAT

1Артикул: 65.06404-5003B, HOUSING ASS`Y
2Артикул: 65.06904A0004, GASKET
3Артикул: 06.01493-4217, BOLT
Подробнее >
МАСЛЯНЫЙ ФИЛЬТР

МАСЛЯНЫЙ ФИЛЬТР

1Артикул: 65.05501-7065C, OIL FILTER ASS`Y
2Артикул: 65.05510-5021A, ELEMENT;OIL FILTER
3Артикул: 65.05503-0033B, HEAD;OIL FILTER
Подробнее >
ВАЛ КРИВОШИПА

ВАЛ КРИВОШИПА

1Артикул: 65.02101-0045A, SHAFT;CRANK
2Артикул: 06.22022-3210, PIN;PARALLEL
3Артикул: 06.22022-3212, PIN;PARALLEL
Подробнее >
МАСЛЯНЫЙ НАСОС

МАСЛЯНЫЙ НАСОС

1Артикул: 65.05101-7021, OIL PUMP ASS`Y(NO.102в€ј118)
2Артикул: 65.05102-0018, HOUSING;OIL PUMP
3Артикул: 65.05104-6065, GEAR ASS`Y;OIL PUMP
Подробнее >
КАРТЕР РАСПРЕДЕЛИТЕЛЬНЫХ ШЕСТЕРЕН

КАРТЕР РАСПРЕДЕЛИТЕЛЬНЫХ ШЕСТЕРЕН

1Артикул: 65.01304-0003C, CASE;TIMING GEAR
2Артикул: 65.01903B0004, GASKET
3Артикул: 06.22022-3119, PIN
Подробнее >
УСТАНОВКА ГЕНЕРАТОРА ПЕРЕМЕННОГО ТОКА

УСТАНОВКА ГЕНЕРАТОРА ПЕРЕМЕННОГО ТОКА

1Артикул: 65.19102-0013B, BRACKET
2Артикул: 06.01944-3215, BOLT
3Артикул: 06.01943-3218, BOLT
Подробнее >
КОМПЛЕКТ ПРОКЛАДОК ДЛЯ КАПИТАЛЬНОГО РЕМОНТА-ВСЕ

КОМПЛЕКТ ПРОКЛАДОК ДЛЯ КАПИТАЛЬНОГО РЕМОНТА-ВСЕ

1Артикул: 65.99601-8024, OVER HAUL GASKET KIT-ALL
2Артикул: 06.56021-0106, O-RING
3Артикул: 65.01901-0020, GASKET
Подробнее >
КАРТЕР МАХОВИКА

КАРТЕР МАХОВИКА

1Артикул: 65.01401-0224A, HOUSING;FLYWHEEL
2Артикул: 65.01401-0119, HOUSING;FLYWHEEL
3Артикул: 65.01510-0101, SEAL;OIL(REAR)
Подробнее >
014 FUEL SYSTEM

014 FUEL SYSTEM

1Артикул: 65.10101-7058, NOZZLE HOLDER ASS`Y
2Артикул: 65.10102-6054, NOZZLE
3Артикул: 65.10115-6004, HOLDER;NOZZLE
Подробнее >
005 CYLINDER HEAD

005 CYLINDER HEAD

1Артикул: 65.03101-6049, CYLINDER HEAD ASS`Y
2Артикул: 65.03101-6071A, CYLINDER HEAD ASS`Y
3Артикул: 65.03101-6071B, CYLINDER HEAD ASS`Y
Подробнее >
017 STARTER

017 STARTER

1Артикул: 65.26201-7044, STARTER
2Артикул: 06.01943-3318, BOLT
3Артикул: 65.29101-5001, WIRE;ELECTRIC
Подробнее >