+7 (701) 588 50 05 Телефон для связи
RU

WhatsApp

Позвонить

01 ДЕТАЛИ ДВИГАТЕЛЯ - Tier-1 в Алматы

БЛОК ЦИЛИНДРОВ

БЛОК ЦИЛИНДРОВ

1Артикул: 150102-00537, BLOCK ASSY,CYLINDER
2Артикул: 150102-00537A, BLOCK ASSY,CYLINDER
3Артикул: 150102-00537B, BLOCK ASSY,CYLINDER
Подробнее >
320 INJECTION PUMP MOUNTING

320 INJECTION PUMP MOUNTING

1Артикул: 65.11401-0033, BRACKET;INJECTION PUMP
2Артикул: 06.22022-1112, PIN;DOWEL
3Артикул: 65.11405-0005, SHIM 0.10mm
Подробнее >
330 FUEL PIPE

330 FUEL PIPE

1Артикул: 65.96341-0140, HOSE,FUEL
2Артикул: 06.78144-2204, SCREW;HOLLOW
3Артикул: 65.96507-0043, RING;SEAL
Подробнее >
210 OIL PAN

210 OIL PAN

1Артикул: 65.05801-5380A, PAN;OIL
2Артикул: 150119-00416, PAN,OIL
3Артикул: 65.98125-5022A, JOINT;DRAIN
Подробнее >
МОНТАЖ ДВИГАТЕЛЯ

МОНТАЖ ДВИГАТЕЛЯ

1Артикул: 65.41530-0161A, BRACKET;FRONT MOUNTING
2Артикул: 65.90201-0063, BOLT;STUD
3Артикул: 06.16731-2110, WASHER;SPRING
Подробнее >
ВПРЫСКИВАЮЩЕЕ СОПЛО

ВПРЫСКИВАЮЩЕЕ СОПЛО

1Артикул: 150118-00106, NOZZLE ASSY,INJECTION
2Артикул: 65.10102-6046, . NOZZLE ASS`Y
3Артикул: 65.98701-0010, SEAL;RING (TIER-I)
Подробнее >
НАСОС ВОДЯНОГО ОХЛАЖДЕНИЯ

НАСОС ВОДЯНОГО ОХЛАЖДЕНИЯ

1Артикул: 400921-00160, PUMP ASSY,WATER
2Артикул: 400923-00031, . HOUSING,WATER PUMP
3Артикул: 65.06301-0673, . PIPE;COOLING WATER
Подробнее >
ВПРЫСКИВАЮЩАЯ ТРУБА

ВПРЫСКИВАЮЩАЯ ТРУБА

1Артикул: 420208-00291, INJ. PIPE ASS`Y
2Артикул: 420208-00539, PIPE ASSY,INJECTION
3Артикул: 420208-00539A, PIPE ASSY,INJECTION
Подробнее >
КАРТЕР МАХОВИКА

КАРТЕР МАХОВИКА

1Артикул: 65.01401-0099A, HOUSING;FLY WHEEL
2Артикул: 65.01904-0022A, GASKET;F.W.H
3Артикул: 06.02074-0317, BOLT;REAMER M14X2X90
Подробнее >
260 INTAKE MANIFOLD

260 INTAKE MANIFOLD

1Артикул: 240203-00050, MANIFOLD,INTAKE
2Артикул: 65.08902-0025, GASKET;INTAKE MANIFOLD
3Артикул: 06.01923-3218, BOLT ASS`Y M10X35
Подробнее >
ВЕНТИЛЯТОР ОХЛАЖДЕНИЯ

ВЕНТИЛЯТОР ОХЛАЖДЕНИЯ

1Артикул: 210101-00083, DRIVE ASSY,FAN
2Артикул: 65.06651-0005, . HOUSING;FAN DRIVE
3Артикул: 65.93410-0024, . BEARING;UNIT
Подробнее >
МАНОМЕТР

МАНОМЕТР

1Артикул: 65.98150-0002, ADAPTER
2Артикул: 06.56190-0704, RING;SEAL
3Артикул: 65.27441-7007, SWITCH;OIL PRESSURE
Подробнее >
ТОПЛИВНЫЙ ФИЛЬТР

ТОПЛИВНЫЙ ФИЛЬТР

1Артикул: 400403-00129, FILTER ASSY,FUEL
2Артикул: 400403-00272, FILTER ASSY,FUEL
3Артикул: 400403-00272A, FILTER ASSY,FUEL
Подробнее >
360 STARTER

360 STARTER

1Артикул: 300516-00020A, STARTER
2Артикул: 300516-00020B, STARTER
3Артикул: 300516-00020C, STARTER
Подробнее >
150 CYLINDER HEAD

150 CYLINDER HEAD

1Артикул: 150113-00040, HEAD ASSY,CYLINDER
2Артикул: 65.03101-1064A, . HEAD;CYLINDER
3Артикул: 65.03205-0002, . NOZZLE;TUBE
Подробнее >
ТУРБОНАГНЕТАТЕЛЬ

ТУРБОНАГНЕТАТЕЛЬ

1Артикул: 65.09100-7073, TURBOCHARGER ASS`Y
2Артикул: 65.09901-0033, GASKET;TURBO CHARGER
3Артикул: 65.90201-0076, BOLT;STUD
Подробнее >
300 INJECTION PUMP

300 INJECTION PUMP

1Артикул: 400912-00063, PUMP,INJECTION
2Артикул: 105207-154A, . PUMP,FEED
3Артикул: 400908-00004, .. HAND PRIMING PUMP
Подробнее >
250 EXHAUST MANIFOLD

250 EXHAUST MANIFOLD

1Артикул: 65.08100-6061, EXHAUST MANIFOLD ASS`Y
2Артикул: 65.08101-0181A, . MANIFOLD;EXHAUST(FRONT)
3Артикул: 65.08101-0530, . MANIFOLD;EXHAUST(CENTER)
Подробнее >
КРЫШКА ГОЛОВКИ ЦИЛИНДРА

КРЫШКА ГОЛОВКИ ЦИЛИНДРА

1Артикул: 150106-00155, COVER ASSY,CYLINDER HEAD
2Артикул: 150106-00156, . COVER,CYLINDER HEAD
3Артикул: 65.03905-0020, . PACKING
Подробнее >
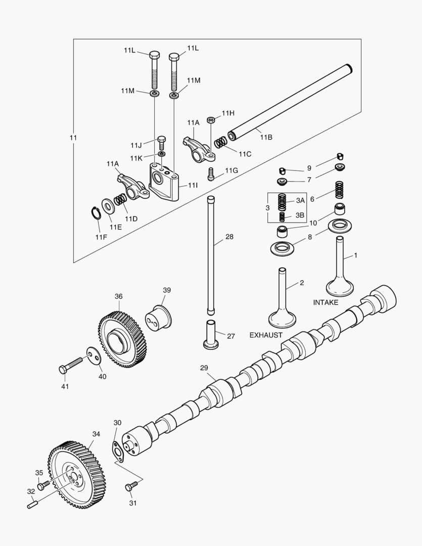
СИСТЕМА РЕГУЛИРОВАНИЯ СИНХРОНИЗАЦИИ

СИСТЕМА РЕГУЛИРОВАНИЯ СИНХРОНИЗАЦИИ

1Артикул: 65.04101-0043, VALVE;INTAKE
2Артикул: 65.04101-0044, VALVE;EXHAUST
3Артикул: 65.04102-6004A, SPRING VALVE ASS`Y
Подробнее >
200 OIL COOLER

200 OIL COOLER

1Артикул: 65.05601-7072C, OIL COOLER ASS`Y
2Артикул: 65.05604-0019B, . HOUSING;OIL COOLER
3Артикул: 65.05606-5027B, . ELEMENT;OIL COOLER
Подробнее >
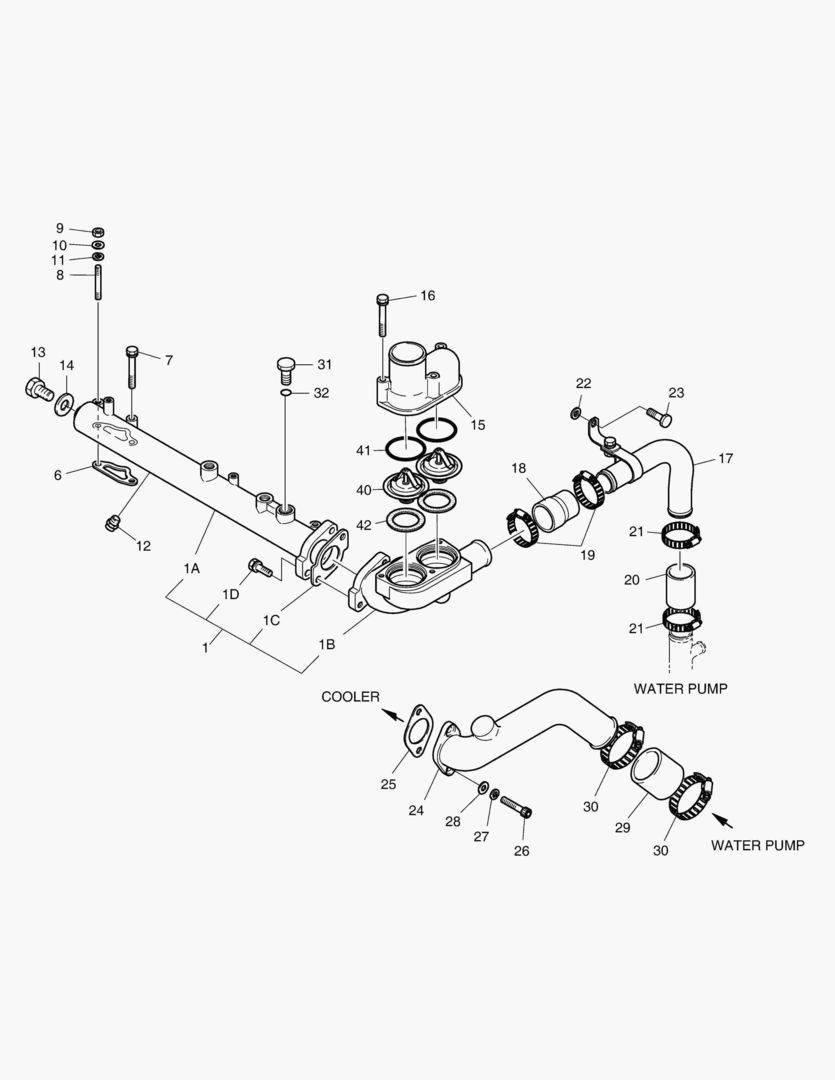
ТРУБА ВОДЯНОГО ОХЛАЖДЕНИЯ

ТРУБА ВОДЯНОГО ОХЛАЖДЕНИЯ

1Артикул: 65.06301-6084B, COOLING WATER PIPE ASS`Y
2Артикул: 65.06301-0240A, . PIPE;COOLING WATER
3Артикул: 65.06404-0021B, . HOUSING;THERMOSTAT
Подробнее >
КАРТЕР РАСПРЕДЕЛИТЕЛЬНЫХ ШЕСТЕРЕН

КАРТЕР РАСПРЕДЕЛИТЕЛЬНЫХ ШЕСТЕРЕН

1Артикул: 65.01304-0023C, CASE;TIMING GEAR
2Артикул: 130405-00105, TIMING GEAR CASE;CYL,BODY TO BRG,CAP
3Артикул: 130405-00105A, TIMING GEAR CASE;CYL,BODY TO BRG,CAP
Подробнее >
МАСЛЯНЫЙ НАСОС

МАСЛЯНЫЙ НАСОС

1Артикул: 400915-00020A, PUMP ASSY,OIL
2Артикул: 400923-00012A, . HOUSING,OIL PUMP
3Артикул: 65.05104-5004, . GEAR;PUMP
Подробнее >
МАСЛЯНЫЙ ФИЛЬТР

МАСЛЯНЫЙ ФИЛЬТР

1Артикул: 400404-00022, FILTER ASSY,ENGINE OIL
2Артикул: 65.05510-5027A, . CARTRIDGE,OIL FILTER
3Артикул: 65.05503-5050, . OIL FILTER HEAD ASS`Y
Подробнее >
КОМПЛЕКТ ПРОКЛАДОК ДЛЯ КАПИТАЛЬНОГО РЕМОНТА-ВСЕ

КОМПЛЕКТ ПРОКЛАДОК ДЛЯ КАПИТАЛЬНОГО РЕМОНТА-ВСЕ

1Артикул: 65.99601-8042, OVER HAUL GASKET KIT-ALL
2Артикул: 65.01903-0048B, GASKET
3Артикул: 65.01903-0050, GASKET;T.G.C COVER
Подробнее >
УСТАНОВКА ГЕНЕРАТОРА ПЕРЕМЕННОГО ТОКА

УСТАНОВКА ГЕНЕРАТОРА ПЕРЕМЕННОГО ТОКА

1Артикул: 65.19102-0075, BRACKET;ALT. MOUNTING
2Артикул: 110403-00119, BRACKET,ALTERNATOR
3Артикул: 06.01913-3219, BOLT ASS`Y M10X40
Подробнее >
310 INJECTION PUMP DRIVE

310 INJECTION PUMP DRIVE

1Артикул: 65.11301-7019A, INJECTION DRIVE ASS`Y
2Артикул: 65.11309-0011C, . HOUSING;INJECTION DRIVE
3Артикул: 06.32092-0308, . BEARING;TAPER ROLLER
Подробнее >
КОНДИЦИОНЕР

КОНДИЦИОНЕР

1Артикул: 65.28652-0013, BRACKET;AIR CON.COMP.
2Артикул: 06.01943-3323, BOLT ASS`Y M12X1.5X60
3Артикул: 06.01913-3217, BOLT M10X30
Подробнее >
ПРИВОДНАЯ СИСТЕМА

ПРИВОДНАЯ СИСТЕМА

1Артикул: 150107-00187, CRANK SHAFT
2Артикул: 150107-00705, CRANKSHAFT
3Артикул: 65.02115-0008B, GEAR;CRANK SHAFT
Подробнее >
КОМПЛЕКТ ПРОКЛАДОК ДЛЯ КАПИТАЛЬНОГО РЕМОНТА-ВЕРХНИЙ

КОМПЛЕКТ ПРОКЛАДОК ДЛЯ КАПИТАЛЬНОГО РЕМОНТА-ВЕРХНИЙ

1Артикул: 65.99605-8028, OVER HAUL GASKET KIT-TOP
2Артикул: 65.03901-0072, GASKET;CYLINDER HEAD(FRONT)
3Артикул: 65.03901-0073, GASKET;CYLINDER HEAD(REAR)
Подробнее >