+7 (701) 588 50 05 Телефон для связи
RU

WhatsApp

Позвонить

01 ДЕТАЛИ ДВИГАТЕЛЯ - Tier-1 в Алматы

НАСОС ВОДЯНОГО ОХЛАЖДЕНИЯ

НАСОС ВОДЯНОГО ОХЛАЖДЕНИЯ

1Артикул: 65.06500-6157D, WATER PUMP ASS`Y
2Артикул: 65.06500-6357A, WATER PUMP ASS`Y
3Артикул: 65.06500-6357B, WATER PUMP ASS`Y
Подробнее >
015 CYLINDER HEAD

015 CYLINDER HEAD

1Артикул: 65.03101-6053H, CYLINDER HEAD ASS`Y(FRONT)
2Артикул: 65.03101-6082, CYLINDER HEAD ASS`Y(FRONT)
3Артикул: 65.03101-6082A, CYLINDER HEAD ASS`Y
Подробнее >
КОМПЛЕКТ ПРОКЛАДОК ДЛЯ КАПИТАЛЬНОГО РЕМОНТА-ВСЕ

КОМПЛЕКТ ПРОКЛАДОК ДЛЯ КАПИТАЛЬНОГО РЕМОНТА-ВСЕ

1Артикул: 65.99601-8043, OVER HAUL GASKET KIT-ALL
2Артикул: 65.01903-0048B, GASKET
3Артикул: 65.01903-0050, GASKET;T.G.C COVER
Подробнее >
023 INTAKE & EXHAUST MANIFOLD

023 INTAKE & EXHAUST MANIFOLD

1Артикул: 65.08100-6059, EXHAUST MANIFOLD ASS`Y
2Артикул: 65.08101-0181A, . MANIFOLD;EXHAUST(FRONT)
3Артикул: 65.08101-0525, . MANIFOLD;EXHAUST(CENTER)
Подробнее >
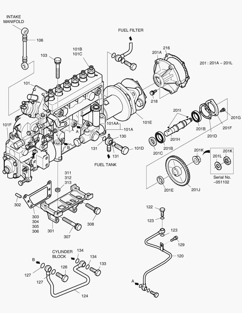
025 INJECTION PUMP

025 INJECTION PUMP

1Артикул: 65.11101-7402, INJECTION PUMP
2Артикул: 65.11101-7402A, INJECTION PUMP
3Артикул: 105207-154A, . PUMP,FEED
Подробнее >
РАСПРЕДЕЛИТЕЛЬНЫЙ МЕХАНИЗМ ДВИГАТЕЛЯ

РАСПРЕДЕЛИТЕЛЬНЫЙ МЕХАНИЗМ ДВИГАТЕЛЯ

1Артикул: 65.04101-0043, VALVE;INTAKE
2Артикул: 65.04101-0044, VALVE;EXHAUST
3Артикул: 65.04102-6004A, SPRING VALVE ASS`Y
Подробнее >
028 STARTER

028 STARTER

1Артикул: 65.26201-7058A, STARTER(DAC)
2Артикул: 65.26201-7074, STARTER(DAC)
3Артикул: 65.26201-7074C, STARTER
Подробнее >
019 OIL COOLER

019 OIL COOLER

1Артикул: 65.05601-7072C, OIL COOLER ASS`Y
2Артикул: 65.05604-0019B, . HOUSING;OIL COOLER
3Артикул: 65.05606-5027B, . ELEMENT;OIL COOLER
Подробнее >
ТОПЛИВНЫЙ ФИЛЬТР

ТОПЛИВНЫЙ ФИЛЬТР

1Артикул: 65.96341-0080, HOSE;FUEL
2Артикул: 65.96341-0107, HOSE;FUEL
3Артикул: 65.97460-0001, BAND;TENSION
Подробнее >
014 CRANK SHAFT & PISTON

014 CRANK SHAFT & PISTON

1Артикул: 65.02101-0060A, CRANK SHAFT ASS`Y
2Артикул: 65.02101-0060B, SHAFT;CRANK
3Артикул: 150107-00187, CRANK SHAFT
Подробнее >
021 COOLING SYSTEM

021 COOLING SYSTEM

1Артикул: 65.06301-6054A, COOLING WATER PIPE ASS`Y
2Артикул: 65.06301-6084, COOLING WATER PIPE ASS`Y
3Артикул: 65.06301-6084B, COOLING WATER PIPE ASS`Y
Подробнее >
020 OIL PAN

020 OIL PAN

1Артикул: 65.05801-5379, OIL PAN ASS`Y
2Артикул: 65.05904-0096A, GASKET;OIL PAN
3Артикул: 65.90001-6010, BOLT ASS`Y M8X38
Подробнее >
КОМПЛЕКТ ПРОКЛАДОК ДЛЯ КАПИТАЛЬНОГО РЕМОНТА-ВЕРХНИЙ

КОМПЛЕКТ ПРОКЛАДОК ДЛЯ КАПИТАЛЬНОГО РЕМОНТА-ВЕРХНИЙ

1Артикул: 65.99605-8028, OVER HAUL GASKET KIT-TOP
2Артикул: 65.03901-0063A, GASKET;CYLINDER HEAD
3Артикул: 65.03901-0072, GASKET;CYLINDER HEAD(FRONT)
Подробнее >
024 INJECTION NOZZLE & PIPE

024 INJECTION NOZZLE & PIPE

1Артикул: 65.10101-7300, NOZZLE & HOLDER ASS`Y
2Артикул: 65.10102-6046, . NOZZLE ASS`Y
3Артикул: 65.98701-0010, SEAL;RING (TIER-I)
Подробнее >
027 ALTERNATOR & AIR COMP. MOUNTING

027 ALTERNATOR & AIR COMP. MOUNTING

1Артикул: 65.19103-5032, SUPPORT;ALT.
2Артикул: 06.01913-3215, BOLT ASS`Y M10X25
3Артикул: 65.19102-0075, BRACKET;ALT. MOUNTING
Подробнее >
МОНТАЖ ДВИГАТЕЛЯ

МОНТАЖ ДВИГАТЕЛЯ

1Артикул: 65.41530-0155, BRACKET;FRONT(L.H)
2Артикул: 65.90201-0063, BOLT;STUD
3Артикул: 06.16731-2110, WASHER;SPRING
Подробнее >
МАСЛЯНЫЙ ФИЛЬТР

МАСЛЯНЫЙ ФИЛЬТР

1Артикул: 65.05501-7058E, OIL FILTER ASS`Y
2Артикул: 65.05501-7058F, OIL FILTER ASS`Y
3Артикул: 65.05501-7058G, OIL FILTER ASS`Y
Подробнее >
БЛОК ЦИЛИНДРОВ

БЛОК ЦИЛИНДРОВ

1Артикул: 65.01101-6212A, CYLINDER BLOCK ASS`Y
2Артикул: 65.01101-6212C, CYLINDER BLOCK ASS`Y
3Артикул: 65.01101-6212D, CYLINDER BLOCK ASS`Y
Подробнее >
КАРТЕР РАСПРЕДЕЛИТЕЛЬНЫХ ШЕСТЕРЕН

КАРТЕР РАСПРЕДЕЛИТЕЛЬНЫХ ШЕСТЕРЕН

1Артикул: 65.01304-0023C, CASE;TIMING GEAR
2Артикул: 130405-00105, TIMING GEAR CASE;CYL,BODY TO BRG,CAP
3Артикул: 65.01903-0048B, GASKET
Подробнее >
МАСЛЯНЫЙ НАСОС

МАСЛЯНЫЙ НАСОС

1Артикул: 65.05200-6004A, IDLE GEAR MOUNTING
2Артикул: 65.05204-0003A, GEAR;OIL PUMP IDLE
3Артикул: 06.31420-0314, BEARING;BALL
Подробнее >
КОРПУС МАХОВИКА

КОРПУС МАХОВИКА

1Артикул: 65.01401-0232A, HOUSING;FLYWHEEL
2Артикул: 65.01904-0022A, GASKET;F.W.H
3Артикул: 06.08092-2405, PLUG SCREW M16 X 1.5
Подробнее >