+7 (701) 588 50 05 Телефон для связи
RU

WhatsApp

Позвонить

ДЕТАЛИ ДВИГАТЕЛЯ - Tier-2 в Алматы

ТРУБОПРОВОД ДЛЯ НАДДУВА ВОЗДУХА

ТРУБОПРОВОД ДЛЯ НАДДУВА ВОЗДУХА

1Артикул: 420202-00310, PIPE,AIR;CHARGE
2Артикул: 401109-00076, SEALRING
3Артикул: 120705-00689, SCREW
Подробнее >
ФЛАНЦЕВАЯ ТРУБА

ФЛАНЦЕВАЯ ТРУБА

1Артикул: 420210-00866, PIPE;FLANGE
2Артикул: 430221-00575, PLUG
3Артикул: 401002-00695, RING,O
Подробнее >
КОМПЛЕКТ УПЛОТНИТЕЛЬНОГО КОЛЬЦА - СТАТОР

КОМПЛЕКТ УПЛОТНИТЕЛЬНОГО КОЛЬЦА - СТАТОР

1Артикул: 101529-00239, KIT,REPAIR
2Артикул: -, O-RING
3Артикул: -, SUPPORT RING
Подробнее >
ТУРБОНАГНЕТАТЕЛЬ ТРУБОПРОВОДА

ТУРБОНАГНЕТАТЕЛЬ ТРУБОПРОВОДА

1Артикул: 410135-00286, VALVE,SOLENOID
2Артикул: 120705-00702, SCREW
3Артикул: 420108-00741, HOSE
Подробнее >
054 SENSOR

054 SENSOR

1Артикул: 310401-00928, HARNESS;CABLE
2Артикул: 301310-00029, . SENSOR,SPEED;ROTATIONAL
3Артикул: 310401-00929, HARNESS;CABLE
Подробнее >
018 PISTON

018 PISTON

1Артикул: 101529-00298, KIT,REPAIR;PISTON
2Артикул: -, PISTON
3Артикул: 401003-00357, RING,PISTON
Подробнее >
КРЫШКА КОРОМЫСЛА

КРЫШКА КОРОМЫСЛА

1Артикул: 110508-11422, COVER,VALVE
2Артикул: 110508-13728, COVER,VALVE
3Артикул: 110508-11500, COVER,VALVE
Подробнее >
025 EXHAUST MANIFOLD

025 EXHAUST MANIFOLD

1Артикул: 240102-00167, MANIFOLD,EXHAUST
2Артикул: 240102-00452, MANIFOLD,EXHAUST
3Артикул: 401109-00101, SEALRING
Подробнее >
МЕХАНИЗМ ОТБОРА МОЩНОСТИ(3)

МЕХАНИЗМ ОТБОРА МОЩНОСТИ(3)

1Артикул: 180313-00157, DAMPER;TORTION
2Артикул: 850308-00170, DRIVER
3Артикул: 120705-00899, SCREW
Подробнее >
ТОПЛИВНЫЕ ТРУБОПРОВОДЫ

ТОПЛИВНЫЕ ТРУБОПРОВОДЫ

1Артикул: 110973-00002, FILTER ASS`Y,FUEL
2Артикул: 430208-00223, CONNECTION;INSERT
3Артикул: 420204-00347, PIPE,FUEL
Подробнее >
МЕХАНИЗМ ОТБОРА МОЩНОСТИ(2)

МЕХАНИЗМ ОТБОРА МОЩНОСТИ(2)

1Артикул: 110508-08912, COVER
2Артикул: 120408-00083, STUD
3Артикул: 120305-00030, NUT,FLANGE
Подробнее >
027 INTAKE MANIFOLD

027 INTAKE MANIFOLD

1Артикул: 240203-00116, MANIFOLD,INTAKE
2Артикул: 400602-00457, GASKET
3Артикул: 120705-00737, SCREW;FLANGE
Подробнее >
020 OIL FILLER

020 OIL FILLER

1Артикул: 430215-00720, PIPE,FLANGE
2Артикул: 400602-00456, GASKET
3Артикул: 120705-00731, SCREW;FLANGE
Подробнее >
КОМПЛЕКТ ИЗОЛЯЦИИ - МАСЛЯНЫЙ СЕПАРАТОР

КОМПЛЕКТ ИЗОЛЯЦИИ - МАСЛЯНЫЙ СЕПАРАТОР

1Артикул: 101529-00226, KIT,REPAIR;SEPARATOR
2Артикул: -, SCREW
3Артикул: -, SEALING RING
Подробнее >
037 WATER PUMP

037 WATER PUMP

1Артикул: 400921-00194, PUMP,WATER
2Артикул: -, HOUSING;PUMP
3Артикул: 400602-00464, GASKET
Подробнее >
ТУРБОНАГНЕТАТЕЛЬ ТРУБОПРОВОДА

ТУРБОНАГНЕТАТЕЛЬ ТРУБОПРОВОДА

1Артикул: 420210-00852, PIPE;LUBRICATION
2Артикул: 430208-00227, CONNECTER
3Артикул: 400602-00452, GASKET
Подробнее >
042 INJECTOR

042 INJECTOR

1Артикул: 400903-00069, INJECTOR;UNIT
2Артикул: 430218-00192, . NOZZLE
3Артикул: 400602-00521, GASKET
Подробнее >
МЕХАНИЗМ ОТБОРА МОЩНОСТИ(1)

МЕХАНИЗМ ОТБОРА МОЩНОСТИ(1)

1Артикул: 401002-00696, RING,O
2Артикул: 130418-00361, GEAR
3Артикул: 111104-00238, RING,RETAINING
Подробнее >
050 STARTER

050 STARTER

1Артикул: 300516-00062, STARTER
2Артикул: 301202-00141, . RELAY
3Артикул: 110913-00181, . CASE
Подробнее >
ТОПЛИВНЫЙ ФИЛЬТР

ТОПЛИВНЫЙ ФИЛЬТР

1Артикул: 400403-00209, FILTER,FUEL
2Артикул: 400504-00157, . ELEMENT,FUEL FILTER;PDE
3Артикул: 110964-00016, . BOWL
Подробнее >
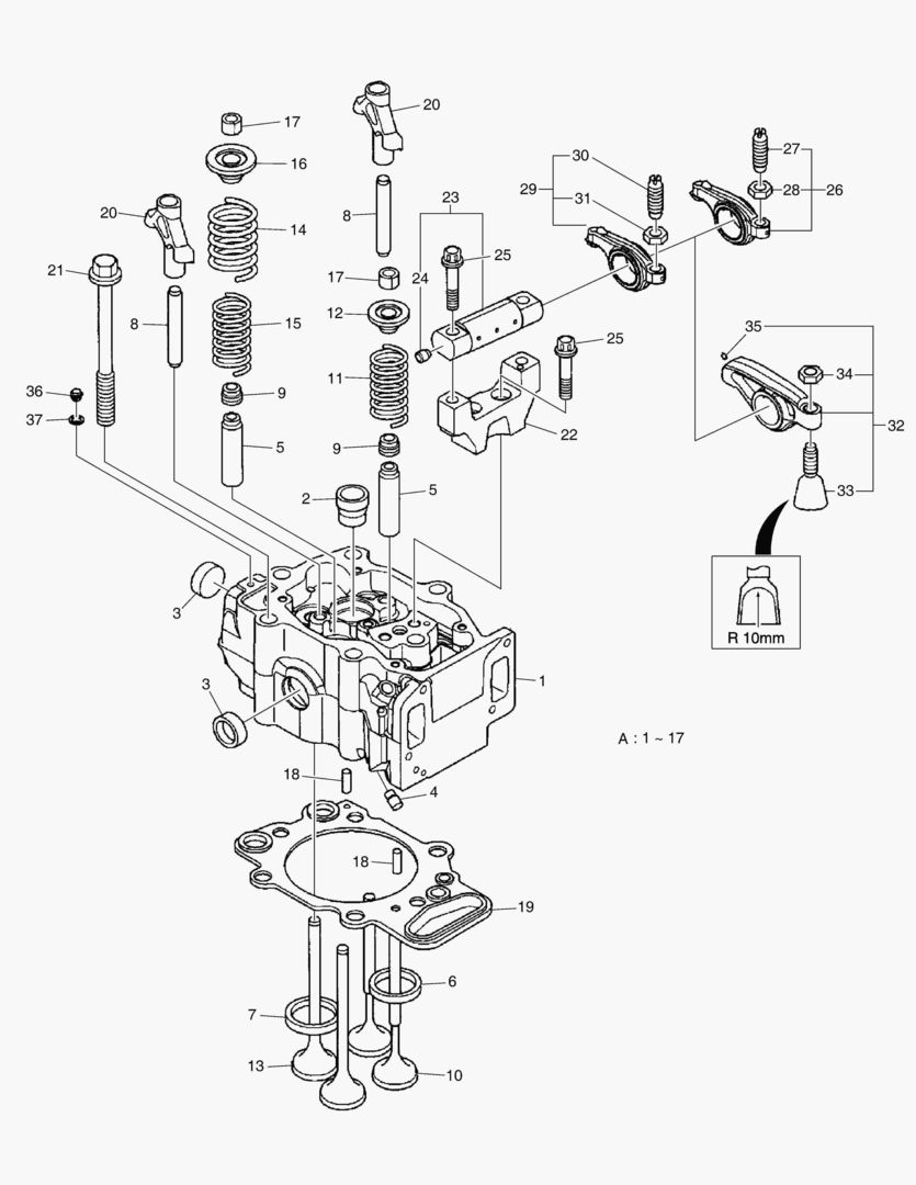
011 CYLINDER HEAD

011 CYLINDER HEAD

1Артикул: 150113-00403, HEAD,CYLINDER
2Артикул: -, HEAD,CYLINDER
3Артикул: 110949-00376, SLEEVE
Подробнее >
КОРПУС КОНТАКТА - ECU

КОРПУС КОНТАКТА - ECU

1Артикул: 110931-00917, HOUSING,CONTACT;10 POL(CODE 1)
2Артикул: 110931-00918, HOUSING,CONTACT;10 POL(CODE 2)
3Артикул: 110931-00919, HOUSING,CONTACT;10 POL(CODE 3)
Подробнее >
СИСТЕМА САПУНА

СИСТЕМА САПУНА

1Артикул: 420108-00976, HOSE ASS`Y
2Артикул: 120202-00144, CLAMP,HOSE
3Артикул: 420210-01541, PIPE ASS`Y
Подробнее >
043 FUEL FILLER

043 FUEL FILLER

1Артикул: 110973-00002, FILTER ASS`Y,FUEL
2Артикул: 110508-11495, COVER
3Артикул: 400504-00157, ELEMENT,FUEL FILTER;PDE
Подробнее >
КАРТЕР МАХОВИКА

КАРТЕР МАХОВИКА

1Артикул: 150114-00145, HOUSING,FLYWHEEL
2Артикул: 110508-08909, COVER
3Артикул: 401107-01137, SEAL
Подробнее >
016 OIL PAN

016 OIL PAN

1Артикул: 150119-00269, SUMP,OIL
2Артикул: 430221-00594, PLUG;INSERT
3Артикул: 400604-00014, GASKET,OIL PAN
Подробнее >
КРИВОШИПНЫЙ МЕХАНИЗМ

КРИВОШИПНЫЙ МЕХАНИЗМ

1Артикул: 150121-00172, ROD ASSY,CONNECTING
2Артикул: 120705-00704, SCREW
3Артикул: 140111-00013, METAL,CONNECTING ROD
Подробнее >
РЕМЕНЬ ТРАНСМИССИЯ

РЕМЕНЬ ТРАНСМИССИЯ

1Артикул: 130202-00042, BELT;POLY
2Артикул: 120705-00895, SCREW
3Артикул: 130206-00015, TENSIONER,BELT
Подробнее >
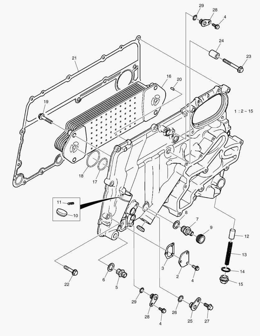
023 OIL COOLER

023 OIL COOLER

1Артикул: 110508-08923, COVER ASSY
2Артикул: 110508-08907, COVER
3Артикул: 400602-00451, GASKET
Подробнее >
ТЕРМОСТАТ и КОРПУС

ТЕРМОСТАТ и КОРПУС

1Артикул: 110980-00065, HOUSING,THERMOSTAT
2Артикул: 300738-00088, THERMOSTAT
3Артикул: 400602-00461, GASKET
Подробнее >
БЛОК ЦИЛИНДРОВ

БЛОК ЦИЛИНДРОВ

1Артикул: 150102-00455, BLOCK,CYLINDER
2Артикул: -, BLOCK,CYLINDER
3Артикул: -, CAP
Подробнее >
МАСЛЯНЫЙ ФИЛЬТР

МАСЛЯНЫЙ ФИЛЬТР

1Артикул: 400405-00088, FILTER ASS`Y,OIL
2Артикул: 430208-00227, CONNECTER
3Артикул: 120808-00540, WASHER,SEAL
Подробнее >
051 ELECTRONIC CONTROL UNIT

051 ELECTRONIC CONTROL UNIT

1Артикул: 300611-00406, ECU;EMS
2Артикул: 120705-00735, SCREW;FLANGE
3Артикул: 110931-00818, HOUSING,CONTACT(2 POL)
Подробнее >
ПРИВОД РАСПРЕДЕЛИТЕЛЬНОГО ВАЛА

ПРИВОД РАСПРЕДЕЛИТЕЛЬНОГО ВАЛА

1Артикул: 150103-00086, CAMSHAFT
2Артикул: 120501-02044, PIN 10x25
3Артикул: 150125-00009, TAPPET,VALVE
Подробнее >
УСТАНОВКА ГЕНЕРАТОРА ПЕРЕМЕННОГО ТОКА

УСТАНОВКА ГЕНЕРАТОРА ПЕРЕМЕННОГО ТОКА

1Артикул: 300901-00071, ALTERNATOR
2Артикул: 130707-00263, . PULLEY,ALTERNATOR
3Артикул: 400825-00047, . REGULATOR;CHARGE
Подробнее >
ТРУБА ЗАРЯЖАТЕЛЯ ТУРБО

ТРУБА ЗАРЯЖАТЕЛЯ ТУРБО

1Артикул: 120203-00214, CLAMP;TURBO
2Артикул: 430215-00520, FLANGE
Подробнее >
040 FEED PUMP DRIVE

040 FEED PUMP DRIVE

1Артикул: 430215-00724, FLANGE
2Артикул: 130418-00466, GEAR
3Артикул: 140101-00765, BEARING,BALL
Подробнее >
047 MUFFLER

047 MUFFLER

1Артикул: 240103-00462, SILENCER
2Артикул: 110931-00896, HOUSING;SILENCER
3Артикул: 430220-00010, OUTLET;SILENCER
Подробнее >
КРЫШКА РАСПРЕДЕЛИТЕЛЬНЫХ ШЕСТЕРЕН

КРЫШКА РАСПРЕДЕЛИТЕЛЬНЫХ ШЕСТЕРЕН

1Артикул: 110508-08925, COVER;FRONT
2Артикул: 401107-01135, SEAL
3Артикул: 120501-02046, PIN
Подробнее >
НАБОР ДЛЯ РЕМОНТА - ПОРШЕНЬ И ВКЛАДЫШ

НАБОР ДЛЯ РЕМОНТА - ПОРШЕНЬ И ВКЛАДЫШ

1Артикул: 101529-00240, KIT,REPAIR
2Артикул: -, PISTON
3Артикул: 401003-00357, RING,PISTON
Подробнее >
МАСЛЯНЫЙ НАСОС

МАСЛЯНЫЙ НАСОС

1Артикул: 400915-00150, PUMP,OIL
2Артикул: 120705-00733, SCREW;FLANGE
3Артикул: 110949-00317, SLEEVE,GUIDE
Подробнее >
ПРОКЛАДКА КАБЕЛЯ

ПРОКЛАДКА КАБЕЛЯ

1Артикул: 460103-00602, DUCT
2Артикул: 460103-00603, DUCT
3Артикул: 460103-00413, DUCT
Подробнее >
НАСОС ПОДАЧИ

НАСОС ПОДАЧИ

1Артикул: 400908-00009, PUMP,FEED
2Артикул: 400916-00254, . PUMP,HAND
3Артикул: 401002-00749, . RING,O
Подробнее >
КОМПЛЕКТ ПРОКЛАДОК - ГОЛОВКА ЦИЛИНДРА

КОМПЛЕКТ ПРОКЛАДОК - ГОЛОВКА ЦИЛИНДРА

1Артикул: 400602-00657, GASKET ASSY;CYL HEAD
2Артикул: 400602-00510, GASKET
3Артикул: 400602-00511, GASKET
Подробнее >
038 BLEED PIPE ENGINE

038 BLEED PIPE ENGINE

1Артикул: 420210-01201, PIPE ASSY
2Артикул: 430208-00222, CONNECTION;INSERT
3Артикул: 120203-00290, CLAMP
Подробнее >