+7 (701) 588 50 05 Телефон для связи
RU

WhatsApp

Позвонить

10 КОРПУСНЫЕ ДЕТАЛИ в Алматы

СИДЕНИЕ В СБОРЕ- МЕХАНИЧЕСКАЯ ПОДВЕСКА

СИДЕНИЕ В СБОРЕ- МЕХАНИЧЕСКАЯ ПОДВЕСКА

1Артикул: K1006125A, SEAT ASS`Y-MECHANIC SUS
2Артикул: K1051872, SEAT;MECHANICAL SUSPENSE
3Артикул: 4901-9036, SEAT
Подробнее >
1245 MIRROR-CABIN [5191~]

1245 MIRROR-CABIN [5191~]

1Артикул: K1050865, MIRROR ASS`Y
2Артикул: 110969-00004, MIRROR ASS`Y
3Артикул: K1051992, MIRROR;REAR VIEW(L.H)
Подробнее >
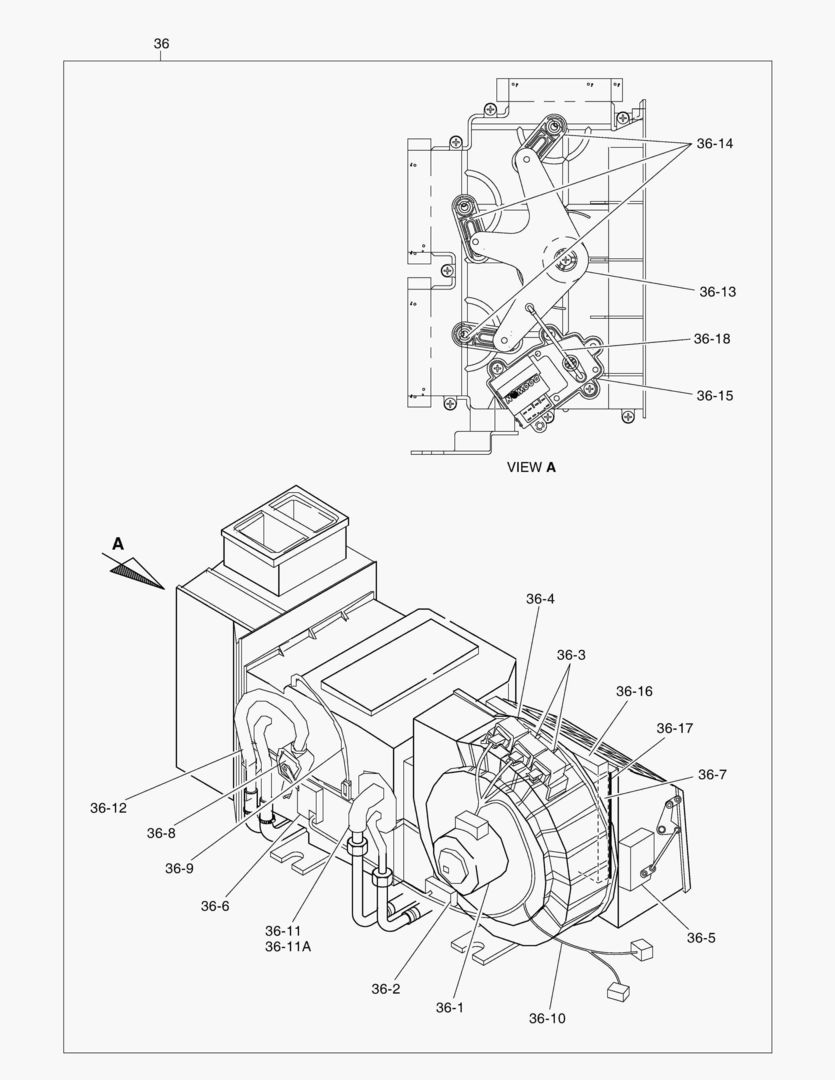
УСТАНОВКА ГЕНЕРАТОРА ПЕРЕМЕННОГО ТОКА

УСТАНОВКА ГЕНЕРАТОРА ПЕРЕМЕННОГО ТОКА

1Артикул: K1024097A, ALTERNATOR
2Артикул: S5102703, WASHER
3Артикул: 2114-1058D54, WASHER
Подробнее >
ЭЛЕКТРИЧЕСКИЕ ЗАПЧАСТИ - КАБИНА

ЭЛЕКТРИЧЕСКИЕ ЗАПЧАСТИ - КАБИНА

1Артикул: K1024082H, ELECTRIC PARTS
2Артикул: 300619-00485B, ELECTRIC ASSY;CABIN
3Артикул: 300619-00485C, ELECTRIC ASSY;CABIN
Подробнее >
1391 ELECTRIC BOX - FNR LEVER [5191~]

1391 ELECTRIC BOX - FNR LEVER [5191~]

1Артикул: K1024080H, ELECTRIC;BOX
2Артикул: 300619-00486A, ELECTRIC ASSY;ELEC BOX
3Артикул: 300619-00486B, ELECTRIC ASSY;ELEC BOX
Подробнее >
ПУЛЬТ УПРАВЛЕНИЯ

ПУЛЬТ УПРАВЛЕНИЯ

1Артикул: K1016711E, CONTROL STAND - MONO
2Артикул: 110953-00004, STAND ASSY
3Артикул: 110953-00004A, STAND ASSY
Подробнее >
1390 ELECTRIC BOX - FNR LEVER [5001~5190]

1390 ELECTRIC BOX - FNR LEVER [5001~5190]

1Артикул: K1024080B, ELECTRIC;BOX
2Артикул: K1024080C, ELECTRIC;BOX
3Артикул: K1006134C, SUPPORT
Подробнее >
ТРУБОПРОВОД В СБОРЕ

ТРУБОПРОВОД В СБОРЕ

1Артикул: K1016782A, DUCT ASS`Y
2Артикул: 460103-00833, DUCT ASS`Y
3Артикул: 2213-9002, DUCT;FOOT
Подробнее >
1191 PILOT PIPING - 3 SPOOL [5840~]

1191 PILOT PIPING - 3 SPOOL [5840~]

1Артикул: K1024390E, PILOT PIPING - 3 SPOOL
2Артикул: 195-03416, BRACKET
3Артикул: K1010139, RUBBER
Подробнее >
КАБИНА(2) - ВНУТРЕННИЕ ЛИСТЫ

КАБИНА(2) - ВНУТРЕННИЕ ЛИСТЫ

1Артикул: K1016629A, CABIN ASS`Y
2Артикул: K1016629B, CABIN ASS`Y
3Артикул: K1016629C, CABIN ASS`Y
Подробнее >
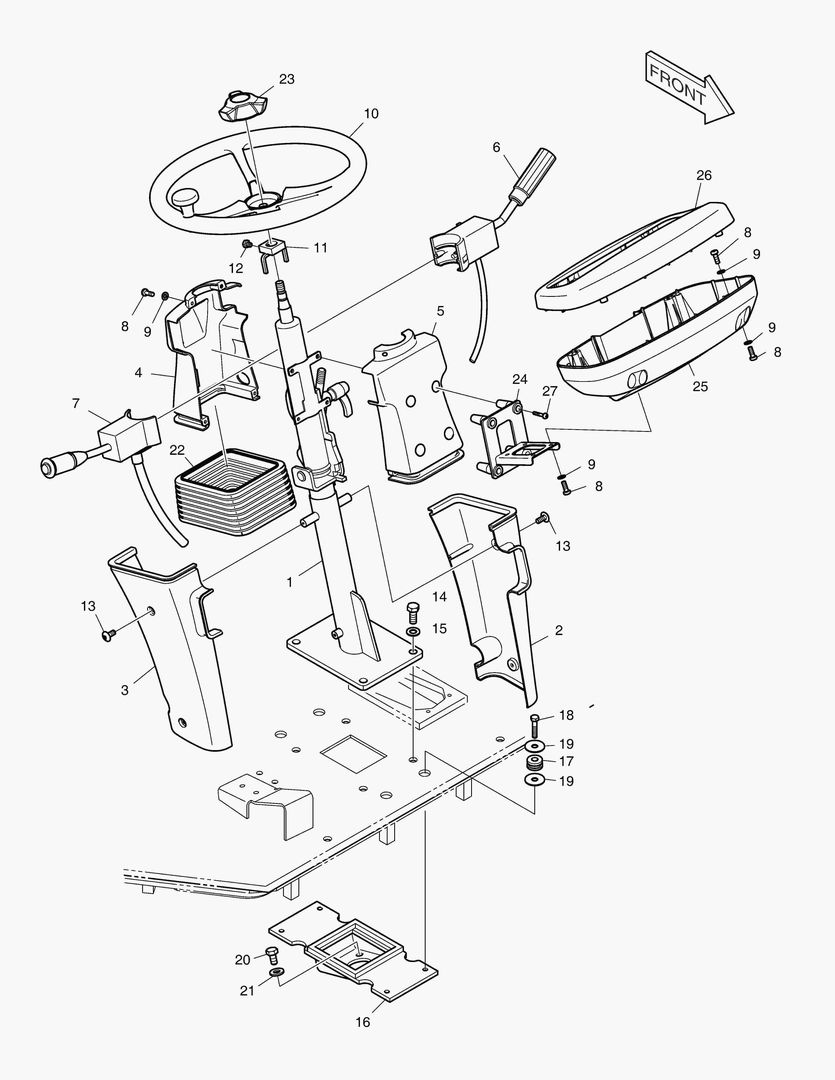
РУЛЕВОЕ УПРАВЛЕНИЕ В СБОРЕ

РУЛЕВОЕ УПРАВЛЕНИЕ В СБОРЕ

1Артикул: K1016774C, STEERING COLUMN ASS`Y
2Артикул: 190109-00029, COLUMN ASSY,STEERING
3Артикул: 190109-00029B, COLUMN ASSY,STEERING
Подробнее >
ДИСТАНЦИОННЫЙ ТРУБОПРОВОД ПРОВЕРКИ ДАВЛЕНИЯ

ДИСТАНЦИОННЫЙ ТРУБОПРОВОД ПРОВЕРКИ ДАВЛЕНИЯ

1Артикул: K1017400, REMOTE PRESS CHECK PIPING
2Артикул: K1006648, CHECK
3Артикул: 120-00297, . SCREW COUPLING
Подробнее >
УСТАНОВКА ДЖОЙСТИКА - ПОВОРОТНЫЙ РЫЧАГ

УСТАНОВКА ДЖОЙСТИКА - ПОВОРОТНЫЙ РЫЧАГ

1Артикул: K1010015A, LEVER;FINGER 3-SPOOL
2Артикул: 101101-00288, LEVER ASSY
3Артикул: K1006100, COVER
Подробнее >
УСТАНОВКА КАБИНЫ

УСТАНОВКА КАБИНЫ

1Артикул: K1024017C, CABIN MOUNTING
2Артикул: 160626-00020, MOUNT ASSY,CABIN
3Артикул: 2161-9057, CABIN MOUNT
Подробнее >
1401 ELECTRIC BOX - FINGER REMOCON [5191~]

1401 ELECTRIC BOX - FINGER REMOCON [5191~]

1Артикул: K1024081H, ELECTRIC BOX
2Артикул: 300619-00487A, ELECTRIC ASSY;ELEC BOX_TWO LEVER
3Артикул: 300619-00487B, ELECTRIC ASSY;ELEC BOX_TWO LEVER
Подробнее >
1361 BAFFLE ASS`Y [10167~]

1361 BAFFLE ASS`Y [10167~]

1Артикул: K1018986B, BAFFLE ASS`Y
2Артикул: 110502-00924A, COVER,BAFFLE
3Артикул: 110502-00924B, COVER,BAFFLE
Подробнее >
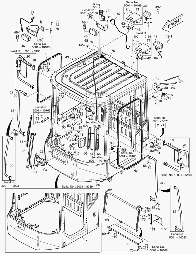
КАБИНА(4) - ДВЕРЬ В СБОРЕ(ПРАВОСТОРОННИЙ)

КАБИНА(4) - ДВЕРЬ В СБОРЕ(ПРАВОСТОРОННИЙ)

1Артикул: K1016629A, CABIN ASS`Y
2Артикул: K1016629B, CABIN ASS`Y
3Артикул: K1016629C, CABIN ASS`Y
Подробнее >
КАБИНА(5) - СТЕКЛО

КАБИНА(5) - СТЕКЛО

1Артикул: K1016629A, CABIN ASS`Y
2Артикул: K1016629B, CABIN ASS`Y
3Артикул: K1016629C, CABIN ASS`Y
Подробнее >
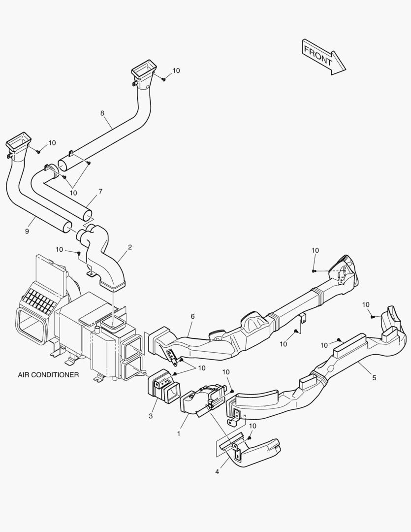
КОНДИЦИОНЕР(1)

КОНДИЦИОНЕР(1)

1Артикул: K1024079C, AIRCONDITION (1)
2Артикул: 440213-00039, VENTILATION ASSY;CABIN
3Артикул: 440213-00039E, VENTILATION ASSY
Подробнее >
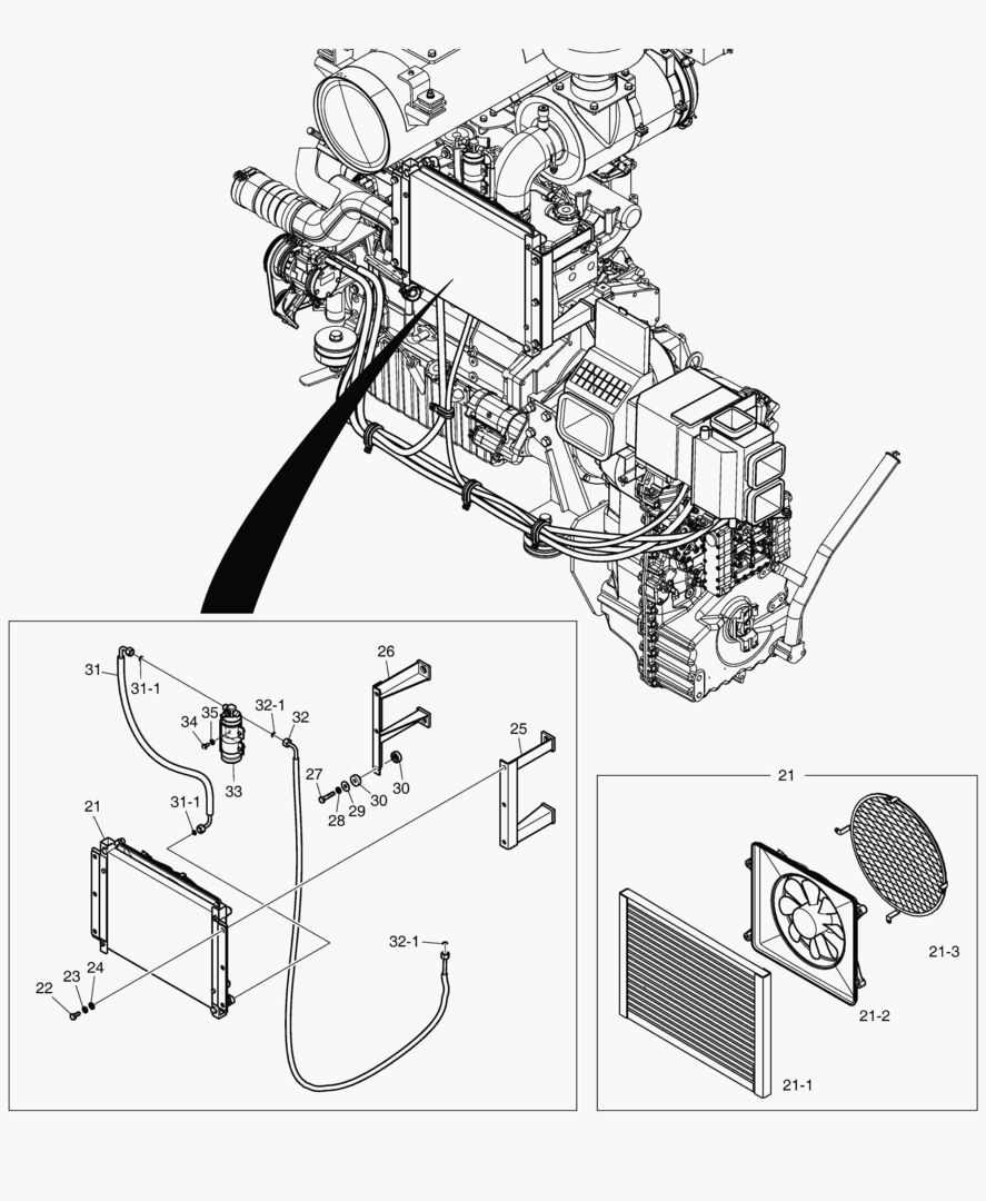
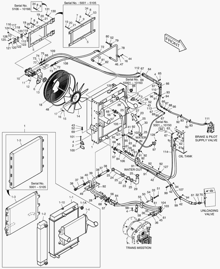
1210 COOLER PIPING [5001~10166]

1210 COOLER PIPING [5001~10166]

1Артикул: K1016269K, COOLER PIPING
2Артикул: 420212-01697, PIPING,COOLER
3Артикул: K1014334B, RADIATOR
Подробнее >
КРЫШКА ДВИГАТЕЛЯ В СБОРЕ

КРЫШКА ДВИГАТЕЛЯ В СБОРЕ

1Артикул: K1023187L, ENGINE COVER ASS`Y
2Артикул: K1023211B, SUPPORT;OIL TANK
3Артикул: K1023211C, SUPPORT;OIL TANK
Подробнее >
1211 COOLER PIPING [10167~]

1211 COOLER PIPING [10167~]

1Артикул: 420212-01697, PIPING,COOLER
2Артикул: K1004146, DAMPER
3Артикул: S0511866, BOLT,HEX;M10X1.5X20
Подробнее >
1200 BRAKE PIPING

1200 BRAKE PIPING

1Артикул: K1016270A, BRAKE PIPING
2Артикул: K1017622, BRAKE & PILOT SUPPLY VALVE
3Артикул: S2213666, BOLT
Подробнее >
1440 ELECTRIC PARTS(1) - BATTERY & REAR LAMP

1440 ELECTRIC PARTS(1) - BATTERY & REAR LAMP

1Артикул: K1024075B, ELECTRIC PARTS-REAR FRAME
2Артикул: 300619-00880, ELECTRIC ASSY;REAR FRAME
3Артикул: 506-00006, BATTERY
Подробнее >
1420 ELECTRIC PARTS - ENGINE [5001~5575]

1420 ELECTRIC PARTS - ENGINE [5001~5575]

1Артикул: K1024077B, ELECTRIC PARTS - ENGINE
2Артикул: 544-00007, RELAY;PREHEAT
3Артикул: 527-00005, . FUSE;PREHEAT RELAY
Подробнее >
1350 COUNTER WEIGHT & REAR LAMP

1350 COUNTER WEIGHT & REAR LAMP

1Артикул: K1018852C, COUNTER WEIGHT & REAR LAMP ASS`Y
2Артикул: 160702-00173, WEIGHT ASSY,COUNTER
3Артикул: K1018851A, COUNTER WEIGHT
Подробнее >
1461 ELECTRIC PARTS(3) - WIRING [10164~]

1461 ELECTRIC PARTS(3) - WIRING [10164~]

1Артикул: 300619-00875, ELECTRIC ASSY;WIRING
2Артикул: 310207-00772G, HARNESS,MAIN
3Артикул: 310207-00772H, HARNESS,MAIN
Подробнее >
1451 ELECTRIC PARTS(2) - FRONT [10164~]

1451 ELECTRIC PARTS(2) - FRONT [10164~]

1Артикул: 300619-00591, ELECTRIC ASSY;CHASSIS
2Артикул: 300726-00002, HORN,HIGH
3Артикул: 300726-00003, HORN,LOW
Подробнее >
ПАТРУБКИ РУЛЕВОГО УПРАВЛЕНИЯ

ПАТРУБКИ РУЛЕВОГО УПРАВЛЕНИЯ

1Артикул: K1024247, STEERING PIPING ASS`Y
2Артикул: 420-00172, VALVE;CUSHION
3Артикул: S0508866, BOLT;M8X1.25X20
Подробнее >
РЕЗЕРВУАР ДЛЯ МАСЛА

РЕЗЕРВУАР ДЛЯ МАСЛА

1Артикул: K1016434H, OIL TANK ASS`Y
2Артикул: 450105-00497, OIL TANK ASS`Y
3Артикул: K1016436C, TANK;OIL
Подробнее >
РЕКУЛИРУЮЩИЙ КЛАПАН ТРУБОПРОВОДА - 3 КАТУШКИ

РЕКУЛИРУЮЩИЙ КЛАПАН ТРУБОПРОВОДА - 3 КАТУШКИ

1Артикул: K1016296A, CONTROL VALVE PIPING (3-SPOOL)
2Артикул: 420-00142, CONTROL VALVE(3-SPOOL)
3Артикул: 195-01320, SUPPORT;CONTROL V/V
Подробнее >
1140 AXLE & DRIVE SHAFT

1140 AXLE & DRIVE SHAFT

1Артикул: K1018081E, AXLE & DRIVE SHAFT ASS`Y
2Артикул: 190101-00045, AXLE & DRIVE SHAFT ASSY
3Артикул: 211-00065, AXLE;FRONT
Подробнее >
1460 ELECTRIC PARTS(3) - WIRING [5001~10163]

1460 ELECTRIC PARTS(3) - WIRING [5001~10163]

1Артикул: K1024078E, ELECTRIC PRATS (3) - WIRING
2Артикул: 300619-00875, ELECTRIC ASSY;WIRING
3Артикул: K1018772B, HARNESS;MAIN
Подробнее >
КАБИНА(1)-КОРПУС

КАБИНА(1)-КОРПУС

1Артикул: K1016629A, CABIN ASS`Y
2Артикул: K1016629B, CABIN ASS`Y
3Артикул: K1016629C, CABIN ASS`Y
Подробнее >
1160 MAIN PIPING

1160 MAIN PIPING

1Артикул: K1017041E, MAIN PIPING ASS`Y
2Артикул: K1015172A, PUMP;MAIN
3Артикул: 4420-9555, UNIT;STEERING
Подробнее >
1400 ELECTRIC BOX - FINGER REMOCON [5001~5190]

1400 ELECTRIC BOX - FINGER REMOCON [5001~5190]

1Артикул: K1024081B, ELECTRIC BOX
2Артикул: K1024081C, ELECTRIC BOX
3Артикул: K1006134C, SUPPORT
Подробнее >
КАБИНА(3) - ДВЕРЬ В СБОРЕ(ЛЕВОСТОРОННИЙ)

КАБИНА(3) - ДВЕРЬ В СБОРЕ(ЛЕВОСТОРОННИЙ)

1Артикул: K1016629A, CABIN ASS`Y
2Артикул: K1016629B, CABIN ASS`Y
3Артикул: K1016629C, CABIN ASS`Y
Подробнее >
1190 PILOT PIPING - 3 SPOOL [5001~5839]

1190 PILOT PIPING - 3 SPOOL [5001~5839]

1Артикул: K1024390C, PILOT PIPING - 3 SPOOL
2Артикул: K1003380A, VALVE;JOYSTICK
3Артикул: 195-03416, BRACKET
Подробнее >
КОНДИЦИОНЕР(3)

КОНДИЦИОНЕР(3)

1Артикул: K1024079A, AIRCONDITION (2)
2Артикул: 440213-00039, VENTILATION ASSY;CABIN
3Артикул: 440213-00039E, VENTILATION ASSY
Подробнее >
1360 BAFFLE ASS`Y [5001~10166]

1360 BAFFLE ASS`Y [5001~10166]

1Артикул: K1018986B, BAFFLE ASS`Y
2Артикул: K1018980B, COVER;BAFFLE
3Артикул: 110502-00924, COVER,BAFFLE
Подробнее >
1100 FRAME

1100 FRAME

1Артикул: K1018526N, FRAME
2Артикул: 160609-00066, FRAME ASSY
3Артикул: K1018206B, FRAME;FRONT
Подробнее >
УСТАНОВКА ДЖОЙСТИКА - 3-Й РЫЧАГ

УСТАНОВКА ДЖОЙСТИКА - 3-Й РЫЧАГ

1Артикул: K1010016B, LEVER;FNR
2Артикул: 101101-00064, LEVER ASSY
3Артикул: 101101-00064B, LEVER ASSY
Подробнее >
1380 FENDER & LADDER

1380 FENDER & LADDER

1Артикул: K1018620E, FENDER & LADDER
2Артикул: 180307-00043, FENDER & LADDER ASSY
3Артикул: 621-02127, FENDER;FRONT(R.H)
Подробнее >
1150 WHEEL ASS`Y [5001~10166]

1150 WHEEL ASS`Y [5001~10166]

1Артикул: 276-00075F3, WHEEL ASS`Y
2Артикул: 276-00076, WHEEL ASS`Y(R.H)
3Артикул: 4278-9040, . RIM
Подробнее >
КОНДИЦИОНЕР(2)

КОНДИЦИОНЕР(2)

1Артикул: K1024079A, AIRCONDITION (2)
2Артикул: 440213-00039, VENTILATION ASSY;CABIN
3Артикул: 440213-00039E, VENTILATION ASSY
Подробнее >
1450 ELECTRIC PARTS(2) - FRONT [5001~10163]

1450 ELECTRIC PARTS(2) - FRONT [5001~10163]

1Артикул: K1024076A, ELECTRIC PARTS (2) - FRONT
2Артикул: 300619-00591, ELECTRIC ASSY;CHASSIS
3Артикул: 516-00014, HORN;HIGH
Подробнее >
1130 FUEL TANK

1130 FUEL TANK

1Артикул: K1016435G, FUEL TANK ASS`Y
2Артикул: 450103-00081, TANK ASSY,FUEL
3Артикул: K1023557B, TANK;FUEL
Подробнее >
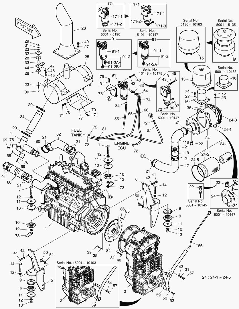
МОНТАЖ ДВИГАТЕЛЯ

МОНТАЖ ДВИГАТЕЛЯ

1Артикул: K1017225E, ENGINE MOUNTING
2Артикул: 150109-00100, ENGINE ASSY
3Артикул: K1017399, ENGINE (TIER-3)
Подробнее >
1421 ELECTRIC PARTS - ENGINE [5576~]

1421 ELECTRIC PARTS - ENGINE [5576~]

1Артикул: 300619-01125, ELECTRIC ASSY;ENGINE
2Артикул: 301202-00067, RELAY,PRE HEATER
3Артикул: DS0025033, BOLT
Подробнее >