+7 (701) 588 50 05 Телефон для связи
RU

WhatsApp

Позвонить

КОРПУСНЫЕ ДЕТАЛИ в Алматы

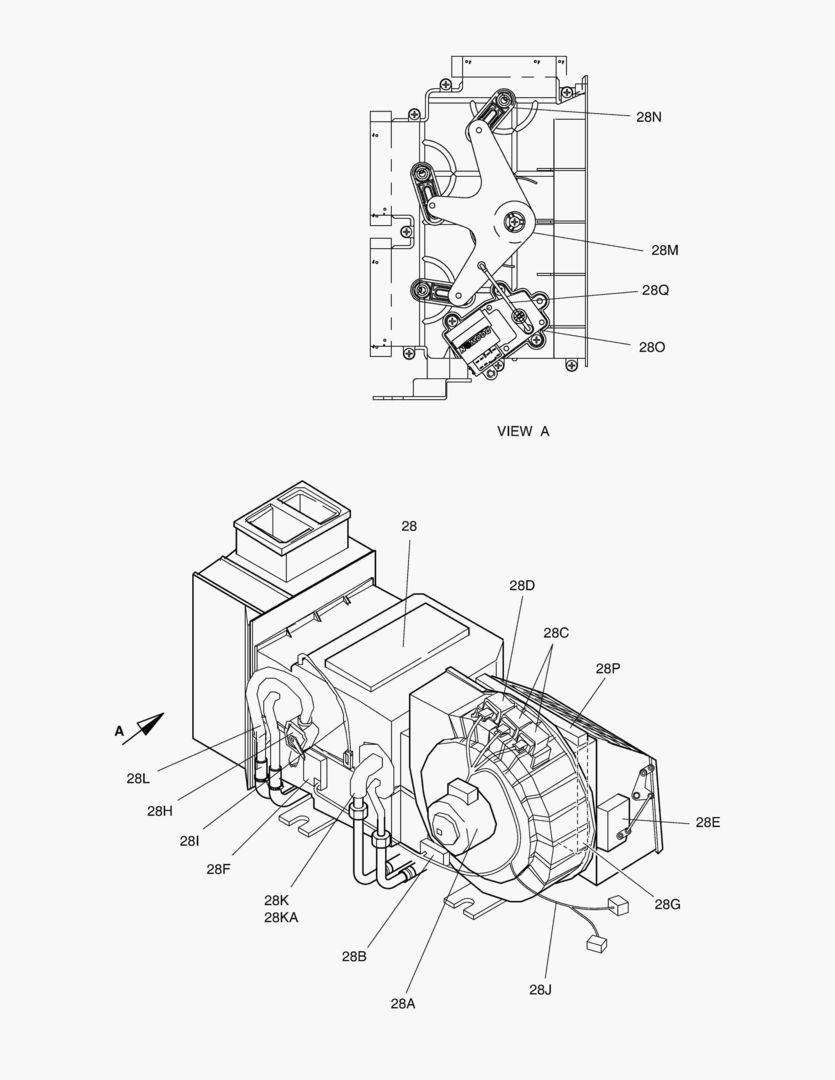
КОНДИЦИОНЕР(3) - БЛОК КОНДИЦИОНЕРА

КОНДИЦИОНЕР(3) - БЛОК КОНДИЦИОНЕРА

1Артикул: 920-00031, COOLER & HEATER ASS`Y
2Артикул: 920-00031A, COOLER & HEATER ASS`Y
3Артикул: 4920-9050A, UNIT;AIRCON
Подробнее >
1161 MAIN PIPING [3340~]

1161 MAIN PIPING [3340~]

1Артикул: 420212-01569, PIPING,MAIN
2Артикул: 401-00081A, MAIN PUMP
3Артикул: 4420-9555, UNIT;STEERING
Подробнее >
1100 FRAME

1100 FRAME

1Артикул: K1000748, FRAME ASS`Y
2Артикул: K1000748C, FRAME ASS`Y
3Артикул: 606-00086A, FRAME;FRONT
Подробнее >
ЭЛЕКТРИЧЕСКИЕ ЗАПЧАСТИ(4) - АККУМУЛЯТОР

ЭЛЕКТРИЧЕСКИЕ ЗАПЧАСТИ(4) - АККУМУЛЯТОР

1Артикул: 500-00064, ELECTRIC PARTS(4)
2Артикул: 300619-00194, ELECTRIC ASSY
3Артикул: 2506-6008, BATTERY
Подробнее >
ЭЛЕКТРИЧЕСКИЕ ЗАПЧАСТИ(7) - СОПРЯЖЕННЫЕ ДЕТАЛИ

ЭЛЕКТРИЧЕСКИЕ ЗАПЧАСТИ(7) - СОПРЯЖЕННЫЕ ДЕТАЛИ

1Артикул: 500-00064, ELECTRIC PARTS(4)
2Артикул: 300619-00194, ELECTRIC ASSY
3Артикул: 2544-9015, RELAY;PREHEAT
Подробнее >
КОНДИЦИОНЕР(1)

КОНДИЦИОНЕР(1)

1Артикул: 920-00031, COOLER & HEATER ASS`Y
2Артикул: 920-00031A, COOLER & HEATER ASS`Y
3Артикул: 2543-9031A, PANEL;AIRCON CONTROL
Подробнее >
1130 FUEL TANK

1130 FUEL TANK

1Артикул: 470-00090, FUEL TANK ASS`Y
2Артикул: 470-00058C, TANK;FUEL
3Артикул: 470-00058E, TANK;FUEL
Подробнее >
ЭЛЕКТРОШКАФ В СБОРЕ(1) - ЭЛЕКТРОШКАФ

ЭЛЕКТРОШКАФ В СБОРЕ(1) - ЭЛЕКТРОШКАФ

1Артикул: 4512-1141E, ELECTRIC BOX ASS`Y
2Артикул: 4512-1142B, SUPPORT ASS`Y
3Артикул: 4627-1920A, PLATE;SEAT
Подробнее >
РЕКУЛИРУЮЩИЙ КЛАПАН ТРУБОПРОВОДА - 2 КАТУШКИ

РЕКУЛИРУЮЩИЙ КЛАПАН ТРУБОПРОВОДА - 2 КАТУШКИ

1Артикул: 400-00553A, CONTROL VALVE PIPING
2Артикул: 420212-03679, PIPING,FRONT;(2-SPOOL)
3Артикул: 421-00001, CONTROL VALVE-2 SPOOL
Подробнее >
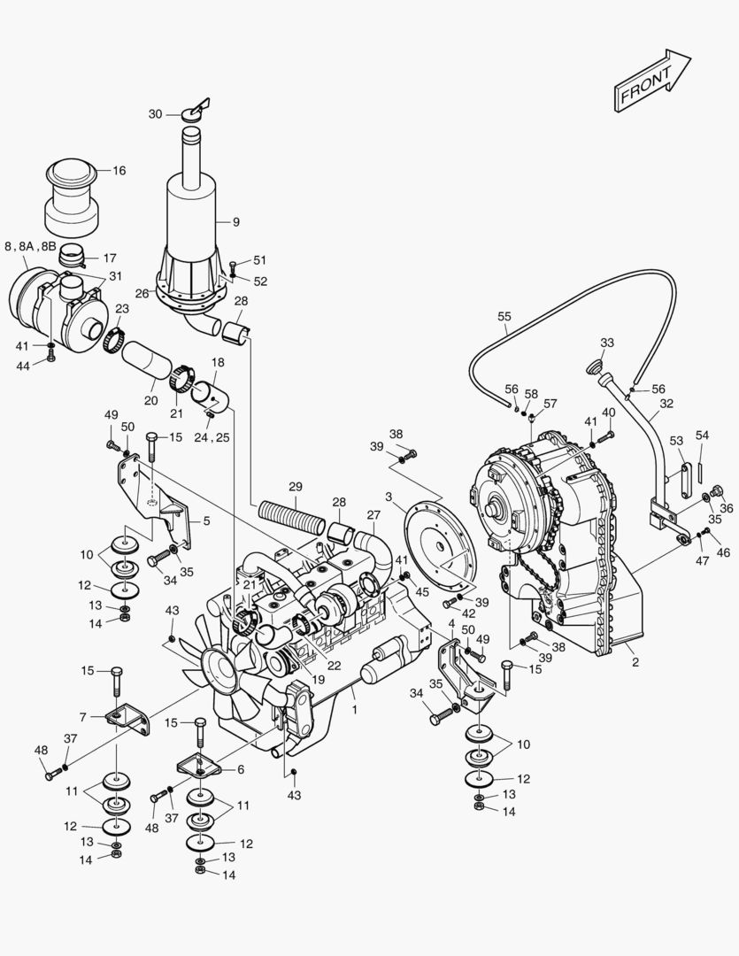
МОНТАЖ ДВИГАТЕЛЯ

МОНТАЖ ДВИГАТЕЛЯ

1Артикул: K1000686, ENGINE & TRANSMISSION ASS`Y
2Артикул: K1000686A, ENGINE & TRANSMISSION ASS`Y
3Артикул: K1000686B, ENGINE & TRANSMISSION ASS`Y
Подробнее >
РЕШЕТКА РИДИАТОРА

РЕШЕТКА РИДИАТОРА

1Артикул: 623-00061A, GRILL;RADIATOR ASS`Y
2Артикул: 623-00020B, GRILLE;RADIATOR
3Артикул: 195-02380, BRACKET
Подробнее >
1170 STEER PIPING

1170 STEER PIPING

1Артикул: K1001275, STEERING PIPING
2Артикул: 420-00172, VALVE;CUSHION
3Артикул: S0508853, BOLT;M8X1.25X20
Подробнее >
КОНДИЦИОНЕР(2)

КОНДИЦИОНЕР(2)

1Артикул: 920-00031, COOLER & HEATER ASS`Y
2Артикул: 920-00031A, COOLER & HEATER ASS`Y
3Артикул: 440213-00016, VENTILATION ASSY
Подробнее >
ЭЛЕКТРИЧЕСКИЕ ЗАПЧАСТИ(1) - ИЗМЕРИТЕЛЬНАЯ ПРИБОРНАЯ ПАНЕЛЬ

ЭЛЕКТРИЧЕСКИЕ ЗАПЧАСТИ(1) - ИЗМЕРИТЕЛЬНАЯ ПРИБОРНАЯ ПАНЕЛЬ

1Артикул: K1001240A, ELECTRIC PARTS(1)
2Артикул: K1001240B, ELECTRIC PARTS(1)
3Артикул: K1001240C, ELECTRIC PARTS(1)
Подробнее >
ЭЛЕКТРОПРОВОДКА(3) - ПЕРЕДНЯЯ РАМА

ЭЛЕКТРОПРОВОДКА(3) - ПЕРЕДНЯЯ РАМА

1Артикул: 500-00065, ELECTRIC PARTS
2Артикул: 300619-00195, ELECTRIC ASSY;(3)
3Артикул: 530-00447, HARNESS;FRONT FRAME
Подробнее >
ЭЛЕКТРИЧЕСКИЕ ЗАПЧАСТИ(6) - ФРОНТАЛЬНЫЕ ЧАСТИ

ЭЛЕКТРИЧЕСКИЕ ЗАПЧАСТИ(6) - ФРОНТАЛЬНЫЕ ЧАСТИ

1Артикул: 500-00064, ELECTRIC PARTS(4)
2Артикул: 300619-00194, ELECTRIC ASSY
3Артикул: 2516-9015, HORN(H.F)
Подробнее >
1250 CABIN(1)

1250 CABIN(1)

1Артикул: 622-00392, CABIN ASS`Y
2Артикул: 220101-00562A, CABIN ASSY
3Артикул: 220101-00562B, CABIN ASSY
Подробнее >
УСТАНОВКА КАБИНЫ

УСТАНОВКА КАБИНЫ

1Артикул: 621-01440, CABIN MOUNTING
2Артикул: 2161-9057, CABIN MOUNT
3Артикул: 2120-2166D2, BOLT
Подробнее >
РЕЗЕРВУАР ДЛЯ МАСЛА

РЕЗЕРВУАР ДЛЯ МАСЛА

1Артикул: 470-00064, OIL TANK ASS`Y
2Артикул: 470-00063H, TANK;OIL
3Артикул: 2471-9051B, ELEMENT;FILTER
Подробнее >
ЭЛЕКТРОПРОВОДКА(4) - СОПРЯЖЕННЫЕ ДЕТАЛИ

ЭЛЕКТРОПРОВОДКА(4) - СОПРЯЖЕННЫЕ ДЕТАЛИ

1Артикул: 500-00065, ELECTRIC PARTS
2Артикул: 300619-00195, ELECTRIC ASSY;(3)
3Артикул: 599-00025, WIRING DIAGRAM
Подробнее >
1300 SEAT

1300 SEAT

1Артикул: 4901-9036, SEAT
2Артикул: 175932, UPPER ASS`Y
3Артикул: 175933, BACK COVER
Подробнее >
1270 CABIN(3)

1270 CABIN(3)

1Артикул: 622-00392, CABIN ASS`Y
2Артикул: 220101-00562A, CABIN ASSY
3Артикул: 220101-00562B, CABIN ASSY
Подробнее >
ПУЛЬТ УПРАВЛЕНИЯ

ПУЛЬТ УПРАВЛЕНИЯ

1Артикул: 195-02899, CONTROL STAND
2Артикул: 195-02899A, CONTROL STAND
3Артикул: 621-03049, PLATE;FLOOR
Подробнее >
ЛИСТЫ В СБОРЕ

ЛИСТЫ В СБОРЕ

1Артикул: 621-03178, SHEET ASS`Y;INTERIOR
2Артикул: 4627-1628A, SHEET;INTERIOR
3Артикул: 4627-1629A, SHEET;INTERIOR
Подробнее >
ЭЛЕКТРОПРОВОДКА(1) - АККУМУЛЯТОР

ЭЛЕКТРОПРОВОДКА(1) - АККУМУЛЯТОР

1Артикул: 500-00065, ELECTRIC PARTS
2Артикул: 300619-00195, ELECTRIC ASSY;(3)
3Артикул: 2550-1014D1, TERMINAL,BATTERY(+)
Подробнее >
КРЫШКА ДВИГАТЕЛЯ

КРЫШКА ДВИГАТЕЛЯ

1Артикул: 621-01294A, COVER ASS`Y
2Артикул: 110508-05032, COVER ASSY
3Артикул: 622-00138B, DOOR(R.H)
Подробнее >
УПРАВЛЕНИЕ ДВИГАТЕЛЕМ В СБОРЕ

УПРАВЛЕНИЕ ДВИГАТЕЛЕМ В СБОРЕ

1Артикул: 201-00077, ENGINE CONTROL
2Артикул: 150126-00062, CONTROL ASSY,ENGINE
3Артикул: 134-00028, PEDAL ASS`Y
Подробнее >
РУЛЕВОЕ УПРАВЛЕНИЕ В СБОРЕ

РУЛЕВОЕ УПРАВЛЕНИЕ В СБОРЕ

1Артикул: 303-00022A, STEERING COLUMN ASS`Y
2Артикул: 303-00022B, STEERING COLUMN ASS`Y
3Артикул: 303-00023, COLUMN
Подробнее >
КАБЕЛЬ АКСЕЛЕРАТОРА

КАБЕЛЬ АКСЕЛЕРАТОРА

1Артикул: K1000666, REMOTE PRESSURE CHECK PIPING
2Артикул: 420212-05055, PIPING,REMOTE PRESS CHECK
3Артикул: 284-00007A, CHECK PORTS ASS`Y
Подробнее >
1185 CONTROL VALVE PIPING - 2SPOOL [3009~]

1185 CONTROL VALVE PIPING - 2SPOOL [3009~]

1Артикул: K1007133, CONTROL VALVE PIPING
2Артикул: K1007133A, CONTROL VALVE PIPING
3Артикул: 420212-03680, PIPING,FRONT;(2-SPOOL)
Подробнее >
ЭЛЕКТРОПРОВОДКА(2) - ДВИГАТЕЛЬ

ЭЛЕКТРОПРОВОДКА(2) - ДВИГАТЕЛЬ

1Артикул: 500-00065, ELECTRIC PARTS
2Артикул: 300619-00195, ELECTRIC ASSY;(3)
3Артикул: 530-00131A, HARNESS;ENGINE
Подробнее >
ПЕРЕДНИЙ ТРУБОПРОВОД СМАЗОЧНОЙ СИСТЕМЫ

ПЕРЕДНИЙ ТРУБОПРОВОД СМАЗОЧНОЙ СИСТЕМЫ

1Артикул: 400-00683, LUBRICATION PIPING
2Артикул: S6710041, NIPPLE,GREASE
3Артикул: 181-00366, REDUCER
Подробнее >
1160 MAIN PIPING [3001~3339]

1160 MAIN PIPING [3001~3339]

1Артикул: 400-01453, MAIN PIPING
2Артикул: 400-01453C, MAIN PIPING
3Артикул: 401-00081, MAIN PUMP
Подробнее >
1370 FENDER & LADDER

1370 FENDER & LADDER

1Артикул: 621-01365, FENDER LADDER ASS`Y
2Артикул: 621-01370A, FENDER;FRONT(R.H)
3Артикул: 621-01371A, FENDER;FRONT(L.H)
Подробнее >
1140 AXLE & DRIVE SHAFT

1140 AXLE & DRIVE SHAFT

1Артикул: 211-00163B, AXLE & DRIVE SHAFT ASS`Y
2Артикул: 211-00167, AXLE;FRONT
3Артикул: 211-00167A, AXLE;FRONT
Подробнее >
ЭЛЕКТРИЧЕСКИЕ ЗАПЧАСТИ(3) - КАБИНА

ЭЛЕКТРИЧЕСКИЕ ЗАПЧАСТИ(3) - КАБИНА

1Артикул: K1001240A, ELECTRIC PARTS(1)
2Артикул: K1001240B, ELECTRIC PARTS(1)
3Артикул: K1001240C, ELECTRIC PARTS(1)
Подробнее >
ТРУБОПРОВОД В СБОРЕ

ТРУБОПРОВОД В СБОРЕ

1Артикул: 4627-1350E, DUCT ASS`Y;AIRCON HEATER
2Артикул: 627-00014A, DUCT;FOOT DEF.
3Артикул: 627-00012, DUCT;FACE(R.H.)
Подробнее >
1340 COUNTER WEIGHT & BATTERY BOX

1340 COUNTER WEIGHT & BATTERY BOX

1Артикул: 600-00064, COUNTER WEIGHT & BATTERY BOX
2Артикул: 160702-00403, WEIGHT ASSY,COUNTER
3Артикул: 624-00020E, WEIGHT;COUNTER
Подробнее >
1200 BRAKE PIPING

1200 BRAKE PIPING

1Артикул: K1000667, BRAKE PIPING ASS`Y
2Артикул: K1000667B, BRAKE PIPING ASS`Y
3Артикул: K1000667C, PIPING,BRAKE
Подробнее >
ЭЛЕКТРОШКАФ В СБОРЕ(2) - ЭЛЕКТРИЧЕСКИЕ ЗАПЧАСТИ

ЭЛЕКТРОШКАФ В СБОРЕ(2) - ЭЛЕКТРИЧЕСКИЕ ЗАПЧАСТИ

1Артикул: 500-00062, ELECTRIC BOX ASS`Y
2Артикул: 300619-00888, ELECTRIC ASSY;ELECTRIC BOX
3Артикул: 300619-00888A, ELECTRIC ASSY;ELECTRIC BOX
Подробнее >
ТУБОПРОВОД ОБОГРЕВАТЕЛЯ

ТУБОПРОВОД ОБОГРЕВАТЕЛЯ

1Артикул: 920-00031, COOLER & HEATER ASS`Y
2Артикул: 920-00031A, COOLER & HEATER ASS`Y
3Артикул: 2185-1308D10, HOSE
Подробнее >
ЭЛЕКТРИЧЕСКИЕ ЗАПЧАСТИ(5) - ДВИГАТЕЛЬ

ЭЛЕКТРИЧЕСКИЕ ЗАПЧАСТИ(5) - ДВИГАТЕЛЬ

1Артикул: 500-00064, ELECTRIC PARTS(4)
2Артикул: 2547-6028, SENSOR,TEMPERATURE
3Артикул: 2502-9007B, ALTERNATOR 24V 60A
Подробнее >
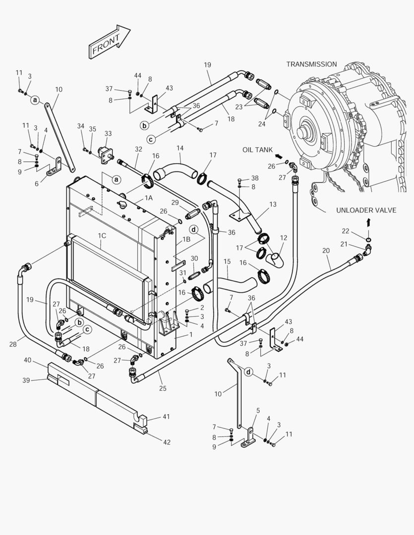
ОХЛАЖДАЮЩИЙ ТРУБОПРОВОД

ОХЛАЖДАЮЩИЙ ТРУБОПРОВОД

1Артикул: 400-00584, COOLER PIPING
2Артикул: 420212-02540, PIPING,COOLER
3Артикул: 202-00037B, RADIATOR ASS`Y
Подробнее >
1191 PILOT PIPING - 2SPOOL [3012~]

1191 PILOT PIPING - 2SPOOL [3012~]

1Артикул: K1009861, PILOT PIPING
2Артикул: 420212-03683, PIPING,PILOT
3Артикул: 426-00105, VALVE;REMOCON
Подробнее >
КОЛЕСА В СБОРЕ

КОЛЕСА В СБОРЕ

1Артикул: K1000768AF1, WHEEL ASS`Y
2Артикул: K1000769, WHEEL ASS`Y
3Артикул: K1000769A, WHEEL ASS`Y
Подробнее >
ЭЛЕКТРИЧЕСКИЕ ЗАПЧАСТИ(2) - КОРОБКА ПЕРЕКЛЮЧАТЕЛЕЙ

ЭЛЕКТРИЧЕСКИЕ ЗАПЧАСТИ(2) - КОРОБКА ПЕРЕКЛЮЧАТЕЛЕЙ

1Артикул: K1001240A, ELECTRIC PARTS(1)
2Артикул: K1001240B, ELECTRIC PARTS(1)
3Артикул: K1001240C, ELECTRIC PARTS(1)
Подробнее >
1190 PILOT PIPING - 2SPOOL [3001~3011]

1190 PILOT PIPING - 2SPOOL [3001~3011]

1Артикул: 400-01526, PILOT PIPING
2Артикул: 426-00105, VALVE;REMOCON
3Артикул: S2204861, BOLT
Подробнее >
1260 CABIN(2)

1260 CABIN(2)

1Артикул: 622-00392, CABIN ASS`Y
2Артикул: 220101-00562A, CABIN ASSY
3Артикул: 220101-00562B, CABIN ASSY
Подробнее >