+7 (701) 588 50 05 Телефон для связи
RU

WhatsApp

Позвонить

10 КОРПУСНЫЕ ДЕТАЛИ в Алматы

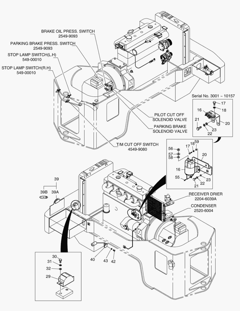
ЭЛЕКТРОПРОВОДКА(2) - ДВИГАТЕЛЬ

ЭЛЕКТРОПРОВОДКА(2) - ДВИГАТЕЛЬ

1Артикул: 500-00036, ELECTRIC PARTS(3)
2Артикул: 300619-00217, ELECTRIC ASSY;(3)
3Артикул: 530-00073B, HARNESS;ENGINE
Подробнее >
ЭЛЕКТРИЧЕСКИЕ ЗАПЧАСТИ(5) - ДВИГАТЕЛЬ

ЭЛЕКТРИЧЕСКИЕ ЗАПЧАСТИ(5) - ДВИГАТЕЛЬ

1Артикул: 500-00035, ELECTRIC PARTS(2)
2Артикул: 300619-00216, ELECTRIC PARTS(2)
3Артикул: 2547-6028, SENSOR,TEMPERATURE
Подробнее >
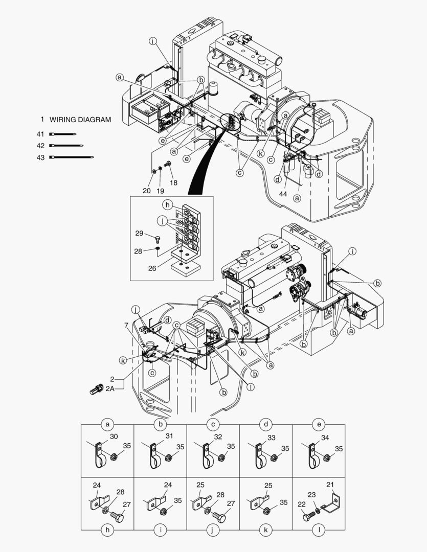
ЭЛЕКТРОПРОВОДКА(4) - СОПРЯЖЕННЫЕ ДЕТАЛИ

ЭЛЕКТРОПРОВОДКА(4) - СОПРЯЖЕННЫЕ ДЕТАЛИ

1Артикул: 500-00036A, ELECTRIC PARTS(3)
2Артикул: 300619-00217, ELECTRIC ASSY;(3)
3Артикул: 599-00017E, WIRING DIAGRAM
Подробнее >
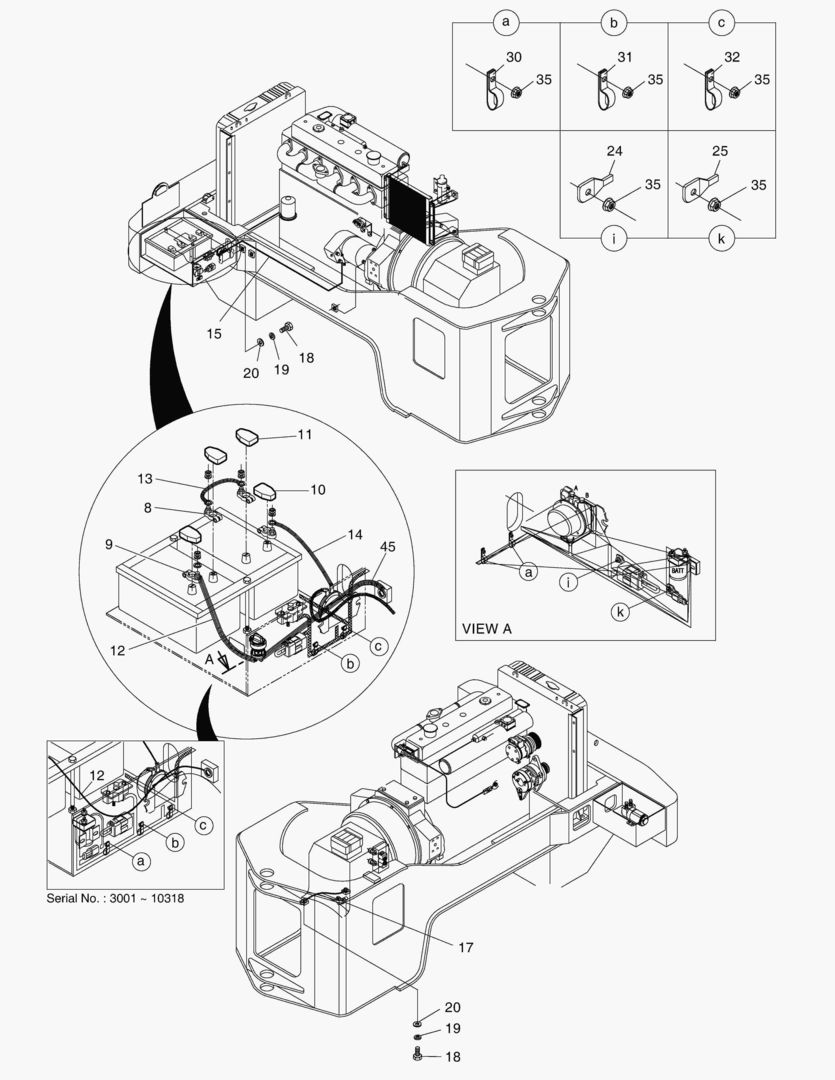
ЭЛЕКТРОПРОВОДКА(1) - АККУМУЛЯТОР

ЭЛЕКТРОПРОВОДКА(1) - АККУМУЛЯТОР

1Артикул: 500-00036, ELECTRIC PARTS(3)
2Артикул: 300619-00217, ELECTRIC ASSY;(3)
3Артикул: 2550-1014D1, TERMINAL,BATTERY(+)
Подробнее >
ЭЛЕКТРИЧЕСКИЕ ЗАПЧАСТИ(2) - КОРОБКА ПЕРЕКЛЮЧАТЕЛЕЙ

ЭЛЕКТРИЧЕСКИЕ ЗАПЧАСТИ(2) - КОРОБКА ПЕРЕКЛЮЧАТЕЛЕЙ

1Артикул: 500-00281C, ELECTRIC PARTS
2Артикул: 300619-00215, ELECTRIC ASSY;(1)
3Артикул: 2549-9098, SWITCH;ROCKER
Подробнее >
ЭЛЕКТРИЧЕСКИЕ ЗАПЧАСТИ(4) - АККУМУЛЯТОР

ЭЛЕКТРИЧЕСКИЕ ЗАПЧАСТИ(4) - АККУМУЛЯТОР

1Артикул: 500-00035, ELECTRIC PARTS(2)
2Артикул: 300619-00216, ELECTRIC PARTS(2)
3Артикул: 506-00003, BATTERY
Подробнее >
1350 FENDER & LADDER

1350 FENDER & LADDER

1Артикул: 621-00555A, FENDER
2Артикул: 180307-00241, FENDER & LADDER ASSY
3Артикул: 180307-00411, FENDER & LADDER ASSY
Подробнее >
УПРАВЛЕНИЕ ДВИГАТЕЛЕМ В СБОРЕ

УПРАВЛЕНИЕ ДВИГАТЕЛЕМ В СБОРЕ

1Артикул: 201-00045A, ENGINE CONTROL
2Артикул: 150126-00065, CONTROL ASSY,ENGINE
3Артикул: 2523-9016, MOTOR,E/G STOP
Подробнее >
1140 AXLE & DRIVE SHAFT

1140 AXLE & DRIVE SHAFT

1Артикул: 211-00129G, AXLE & DRIVE SHAFT ASS`Y
2Артикул: 211-00130C, AXLE;FRONT
3Артикул: 190102-00025A, AXLE,FRONT;LSD
Подробнее >
КРЫШКА ДВИГАТЕЛЯ

КРЫШКА ДВИГАТЕЛЯ

1Артикул: 110508-00402, COVER ASSY
2Артикул: 622-00061E, DOOR;R.H
3Артикул: 2125-9053, . LOCK
Подробнее >
КОНДИЦИОНЕР(2)

КОНДИЦИОНЕР(2)

1Артикул: 920-00014, COOLER & HEATER ASS`Y
2Артикул: 2520-6004, CONDENSER ASS`Y
3Артикул: 2520-6005, . CONDENSER CORE
Подробнее >
ПУЛЬТ УПРАВЛЕНИЯ - ОДИН РЫЧАГ

ПУЛЬТ УПРАВЛЕНИЯ - ОДИН РЫЧАГ

1Артикул: 195-02788C, CONTROL STAND
2Артикул: 621-02927, PLATE;FLOOR
3Артикул: 195-02786, BRACKET
Подробнее >
ЭЛЕКТРИЧЕСКИЕ ЗАПЧАСТИ(1) - ИЗМЕРИТЕЛЬНАЯ ПРИБОРНАЯ ПАНЕЛЬ

ЭЛЕКТРИЧЕСКИЕ ЗАПЧАСТИ(1) - ИЗМЕРИТЕЛЬНАЯ ПРИБОРНАЯ ПАНЕЛЬ

1Артикул: 500-00281C, ELECTRIC PARTS
2Артикул: 300619-00215, ELECTRIC ASSY;(1)
3Артикул: 539-00012B, PANEL;GAUGE
Подробнее >
РУЛЕВОЕ УПРАВЛЕНИЕ В СБОРЕ

РУЛЕВОЕ УПРАВЛЕНИЕ В СБОРЕ

1Артикул: 303-00022B, STEERING COLUMN ASS`Y
2Артикул: 303-00023, COLUMN
3Артикул: S0515053, BOLT;M12X1.75X25
Подробнее >
ЭЛЕКТРИЧЕСКИЕ ЗАПЧАСТИ(7) - СОПРЯЖЕННЫЕ ДЕТАЛИ

ЭЛЕКТРИЧЕСКИЕ ЗАПЧАСТИ(7) - СОПРЯЖЕННЫЕ ДЕТАЛИ

1Артикул: 500-00035, ELECTRIC PARTS(2)
2Артикул: 300619-00216, ELECTRIC PARTS(2)
3Артикул: 544-00007, RELAY;PREHEAT
Подробнее >
1115 AIR CLEANER

1115 AIR CLEANER

1Артикул: 204-00007, AIR CLEANER
2Артикул: -, COVER,REAR
3Артикул: -, OULET PIPE
Подробнее >
МОНТАЖ ДВИГАТЕЛЯ

МОНТАЖ ДВИГАТЕЛЯ

1Артикул: 150109-00346, ENGINE & TRANSMISSION ASSY
2Артикул: EBILE, ENGINE ASS`Y
3Артикул: 210-00038, TRANSMISSION ASS`Y
Подробнее >
ОХЛАЖДАЮЩИЙ ТРУБОПРОВОД

ОХЛАЖДАЮЩИЙ ТРУБОПРОВОД

1Артикул: 400-01457A, COOLER PIPING
2Артикул: 420212-02696, PIPING,COOLER
3Артикул: 195-01921B, BRACKET
Подробнее >
ТРУБОПРОВОД СЕРВОУПРАВЛЕНИЯ - 2 КАТУШКИ

ТРУБОПРОВОД СЕРВОУПРАВЛЕНИЯ - 2 КАТУШКИ

1Артикул: K1008574, PILOT PIPING
2Артикул: 426-00104, VALVE;REMOCON
3Артикул: S2204861, BOLT
Подробнее >
ТРУБОПРОВОД В СБОРЕ

ТРУБОПРОВОД В СБОРЕ

1Артикул: 4627-1350E, DUCT ASS`Y;AIRCON HEATER
2Артикул: 627-00014A, DUCT;FOOT DEF.
3Артикул: 627-00012, DUCT;FACE(R.H.)
Подробнее >
ЭЛЕКТРОШКАФ В СБОРЕ(1) - ЭЛЕКТРОШКАФ

ЭЛЕКТРОШКАФ В СБОРЕ(1) - ЭЛЕКТРОШКАФ

1Артикул: 512-00036, ELECTRIC BOX ASS`Y
2Артикул: 4512-1142B, SUPPORT ASS`Y
3Артикул: 627-00064, PLATE;SEAT
Подробнее >
1190 BRAKE PIPING

1190 BRAKE PIPING

1Артикул: 400-01825G, BRAKE PIPING ASSY
2Артикул: 420-00179C, VALVE;BRAKE PEDAL
3Артикул: 420-00079C, BRAKE & PILOT VALVE
Подробнее >
РЕЗЕРВУАР ДЛЯ МАСЛА

РЕЗЕРВУАР ДЛЯ МАСЛА

1Артикул: 450105-00101, TANK ASSY,OIL
2Артикул: 450105-00099, TANK,OIL
3Артикул: 2471-9051B, ELEMENT;FILTER
Подробнее >
1160 STEER PIPING

1160 STEER PIPING

1Артикул: 400-00304, STEER PIPING
2Артикул: 4420-9470A, STEERING UNIT
3Артикул: 2181-4133D46, ADAPTER
Подробнее >
ЛИСТЫ В СБОРЕ

ЛИСТЫ В СБОРЕ

1Артикул: 621-03178, SHEET ASS`Y;INTERIOR
2Артикул: 4627-1628A, SHEET;INTERIOR
3Артикул: 4627-1629A, SHEET;INTERIOR
Подробнее >
КОНДИЦИОНЕР(3) - БЛОК КОНДИЦИОНЕРА

КОНДИЦИОНЕР(3) - БЛОК КОНДИЦИОНЕРА

1Артикул: 4920-9050B, UNIT;AIRCON
2Артикул: K1040112, MOTOR;BLOWER
3Артикул: 545-00003, RESISTOR;BLOWER
Подробнее >
РЕКУЛИРУЮЩИЙ КЛАПАН ТРУБОПРОВОДА - 2 КАТУШКИ

РЕКУЛИРУЮЩИЙ КЛАПАН ТРУБОПРОВОДА - 2 КАТУШКИ

1Артикул: K1007582, CONTROL VALVE PIPING
2Артикул: K1007986, CONTROL VALVE-2 SPOOL
3Артикул: K1007579, SUPPORT
Подробнее >
ЭЛЕКТРОПРОВОДКА(3) - ПЕРЕДНЯЯ РАМА

ЭЛЕКТРОПРОВОДКА(3) - ПЕРЕДНЯЯ РАМА

1Артикул: 500-00036, ELECTRIC PARTS(3)
2Артикул: 300619-00217, ELECTRIC ASSY;(3)
3Артикул: 530-00445, HARNESS;FRONT FRAME
Подробнее >
ЭЛЕКТРОШКАФ В СБОРЕ(2) - ЭЛЕКТРИЧЕСКИЕ ЗАПЧАСТИ

ЭЛЕКТРОШКАФ В СБОРЕ(2) - ЭЛЕКТРИЧЕСКИЕ ЗАПЧАСТИ

1Артикул: 500-00033G, ELECTRIC BOX ASS`Y
2Артикул: 300619-00894, ELECTRIC ASSY;ELECTRIC BOX
3Артикул: 300619-00894A, ELECTRIC ASSY;ELECTRIC BOX
Подробнее >
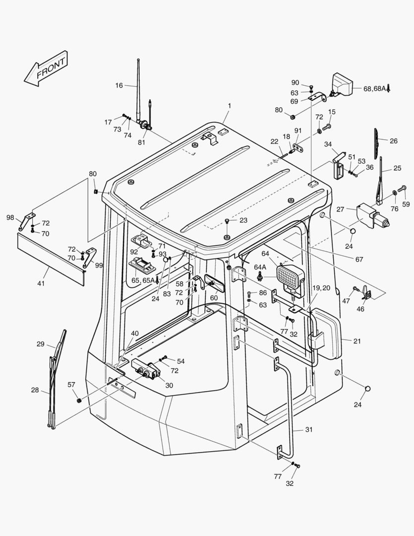
1240 CABIN(2)

1240 CABIN(2)

1Артикул: 622-00392A, CABIN ASS`Y
2Артикул: 220101-00562, CABIN ASSY
3Артикул: 220101-00562A, CABIN ASSY
Подробнее >
ЭЛЕКТРИЧЕСКИЕ ЗАПЧАСТИ(6) - ФРОНТАЛЬНЫЕ ЧАСТИ

ЭЛЕКТРИЧЕСКИЕ ЗАПЧАСТИ(6) - ФРОНТАЛЬНЫЕ ЧАСТИ

1Артикул: 500-00035, ELECTRIC PARTS(2)
2Артикул: 300619-00216, ELECTRIC PARTS(2)
3Артикул: 2516-9015, HORN(H.F)
Подробнее >
УСТАНОВКА СИДЕНЬЯ

УСТАНОВКА СИДЕНЬЯ

1Артикул: 901-00039, SEAT ASS`Y
2Артикул: 901-00036, SEAT
3Артикул: 2114-1898D2, WASHER
Подробнее >
1230 CABIN(1)

1230 CABIN(1)

1Артикул: 622-00392A, CABIN ASS`Y
2Артикул: 220101-00562, CABIN ASSY
3Артикул: 220101-00562A, CABIN ASSY
Подробнее >
ЗАПЧАСТИ ДЛЯ ТРОПИЧЕСКОЙ ЧАСТИ

ЗАПЧАСТИ ДЛЯ ТРОПИЧЕСКОЙ ЧАСТИ

1Артикул: K1000016A, TROPICAL PARTS-OPT.
2Артикул: 420212-02758, PIPING,COOLER;TROPICAL KIT
3Артикул: 202-00115, RADIATOR ASS`Y
Подробнее >
УСТАНОВКА КАБИНЫ

УСТАНОВКА КАБИНЫ

1Артикул: 621-00759, CABIN MOUNTING
2Артикул: 2161-9057, CABIN MOUNT
3Артикул: S0512066, BOLT M10X1.5X25
Подробнее >
КОЛЕСА В СБОРЕ - ТРЕУГОЛЬНИК

КОЛЕСА В СБОРЕ - ТРЕУГОЛЬНИК

1Артикул: K1011149, WHEEL ASS`Y
2Артикул: 278-00105A, WHEEL ASSY;26.5X25X20PR
3Артикул: 2.422-00007, . VALVE
Подробнее >
1100 FRAME

1100 FRAME

1Артикул: 600-00181E, FRAME ASS`Y
2Артикул: 160620-00296, FRAME ASSY,MAIN
3Артикул: 606-00071C, FRAME;FRONT
Подробнее >
ДЕФЛЕКТОР В СБОРЕ

ДЕФЛЕКТОР В СБОРЕ

1Артикул: 464-00032A, BAFFLE ASS`Y
2Артикул: 182-00016, PIPE
3Артикул: 464-00029C, BAFFLE
Подробнее >
1320 COUNTER WEIGHT & BATTERY BOX

1320 COUNTER WEIGHT & BATTERY BOX

1Артикул: 600-00036, REAR END ASS`Y
2Артикул: 160702-00335, WEIGHT ASSY,COUNTER
3Артикул: 160702-00335A, WEIGHT ASSY,COUNTER
Подробнее >
ЭЛЕКТРИЧЕСКИЕ ЗАПЧАСТИ(3) - КАБИНА

ЭЛЕКТРИЧЕСКИЕ ЗАПЧАСТИ(3) - КАБИНА

1Артикул: 500-00281C, ELECTRIC PARTS
2Артикул: 300619-00215, ELECTRIC ASSY;(1)
3Артикул: 570-00002, BOX;FUSE(2)
Подробнее >
1130 FUEL TANK

1130 FUEL TANK

1Артикул: 470-00039B, FUEL TANK ASS`Y
2Артикул: 450103-00281, TANK ASSY,FUEL
3Артикул: 470-00038J, TANK;FUEL
Подробнее >
1250 CABIN(3)

1250 CABIN(3)

1Артикул: 622-00392A, CABIN ASS`Y
2Артикул: 220101-00562, CABIN ASSY
3Артикул: 220101-00562A, CABIN ASSY
Подробнее >
КАБЕЛЬ АКСЕЛЕРАТОРА

КАБЕЛЬ АКСЕЛЕРАТОРА

1Артикул: 400-01822, REMOTE PRESSURE CHECK PIPING
2Артикул: 284-00007A, CHECK PORTS ASS`Y
3Артикул: 120-00003, . SCREW;COUPLING
Подробнее >
КОНДИЦИОНЕР(1)

КОНДИЦИОНЕР(1)

1Артикул: 920-00014, COOLER & HEATER ASS`Y
2Артикул: 2543-9031A, PANEL;AIRCON CONTROL
3Артикул: S3450583, SCREW
Подробнее >
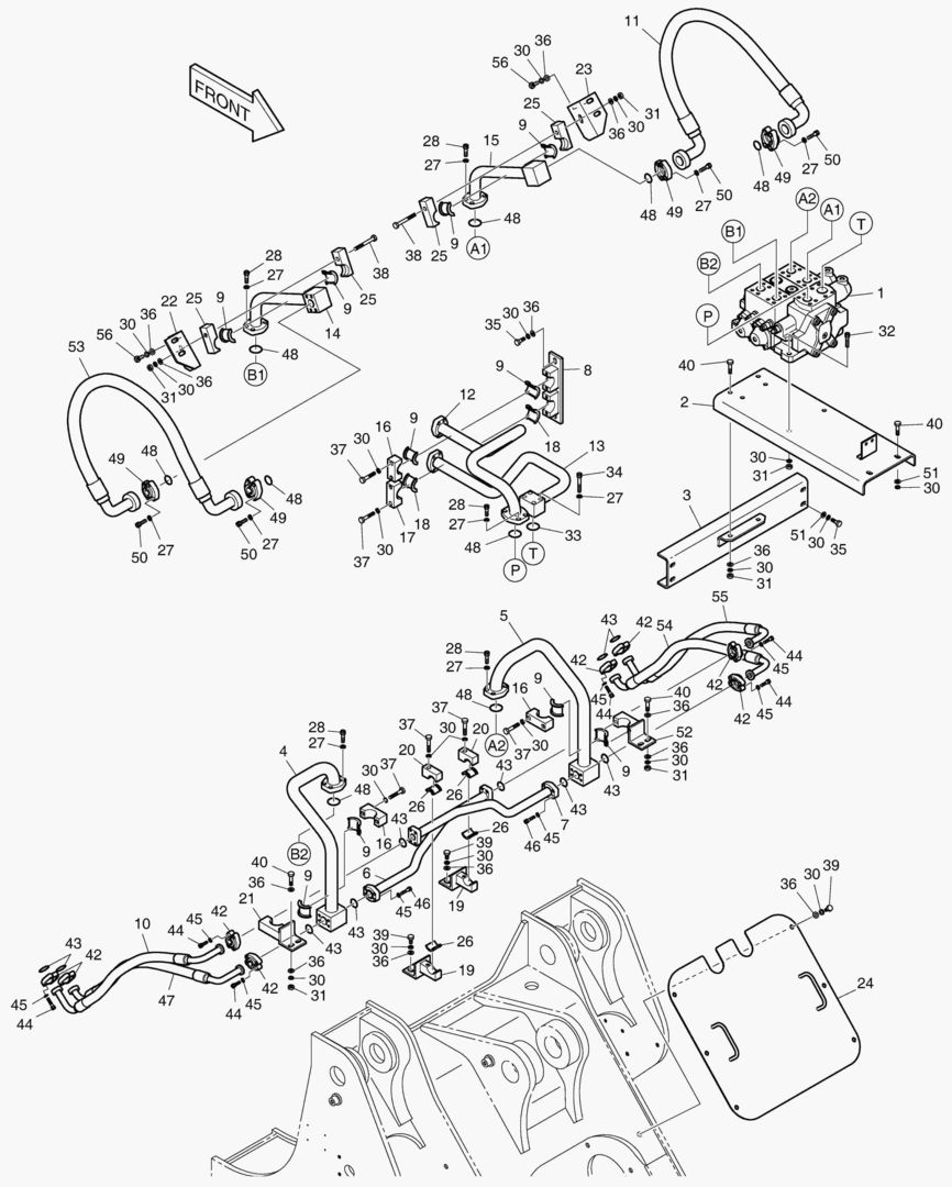
1150 MAIN PIPING

1150 MAIN PIPING

1Артикул: 400-01811A, MAIN PIPING
2Артикул: 401-00156, MAIN PUMP
3Артикул: 401-00158, PUMP;PILOT & STEER
Подробнее >