+7 (701) 588 50 05 Телефон для связи
RU

WhatsApp

Позвонить

10 КОРПУСНЫЕ ДЕТАЛИ в Алматы

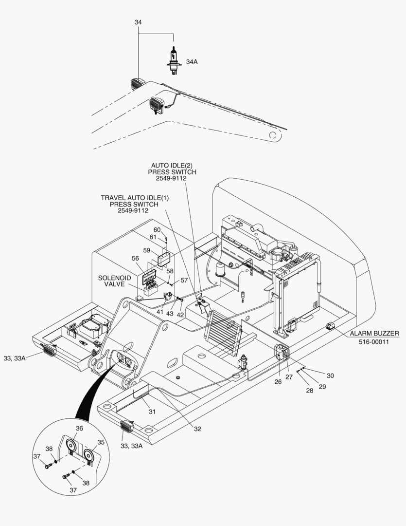
1630 ELECTRIC PARTS(1)-GAUGE & SWITCH PANEL

1630 ELECTRIC PARTS(1)-GAUGE & SWITCH PANEL

1Артикул: 500-00213, ELECTRIC PARTS(2)
2Артикул: 500-00213B, ELECTRIC PARTS(2)
3Артикул: 500-00213E, ELECTRIC PARTS(2)
Подробнее >
1415 SEAT-EXCEPT EUROPE & U.S.A

1415 SEAT-EXCEPT EUROPE & U.S.A

1Артикул: 901-00033, SEAT
2Артикул: H28000-100, CUSHION ASS`Y
3Артикул: H28000-200, BACK ASS`Y
Подробнее >
ЭЛЕКТРОПРОВОДКА(2)-ДВИГАТЕЛЬ

ЭЛЕКТРОПРОВОДКА(2)-ДВИГАТЕЛЬ

1Артикул: 500-00215A, ELECTRIC WIRING(2)
2Артикул: 530-00327, HARNESS;ENGINE
3Артикул: 530-00327A, HARNESS;ENGINE
Подробнее >
ГЛАВНАЯ МАГИСТРАЛЬ(5)-ХОД

ГЛАВНАЯ МАГИСТРАЛЬ(5)-ХОД

1Артикул: 400-01208, MAIN PIPING
2Артикул: 2184-1201D35, HOSE PF3/4-1400L
3Артикул: 2184-1202D88, HOSE PF3/4-1650L
Подробнее >
ЭЛЕКТРОШКАФ В СБОРЕ-ЭЛЕКТРИЧЕСКИЕ ЗАПЧАСТИ

ЭЛЕКТРОШКАФ В СБОРЕ-ЭЛЕКТРИЧЕСКИЕ ЗАПЧАСТИ

1Артикул: 500-00212, ELECTRIC BOX ASS`Y
2Артикул: 500-00212A, ELECTRIC BOX ASS`Y
3Артикул: 500-00212B, ELECTRIC BOX ASS`Y
Подробнее >
ГЛАВНАЯ МАГИСТРАЛЬ(3)-РУКОЯТЬ.КОВШ

ГЛАВНАЯ МАГИСТРАЛЬ(3)-РУКОЯТЬ.КОВШ

1Артикул: 400-01208, MAIN PIPING
2Артикул: 2184-1197D46, HOSE PF3/4-1375L
3Артикул: 2184-1197D13, HOSE 3/4-1300L
Подробнее >
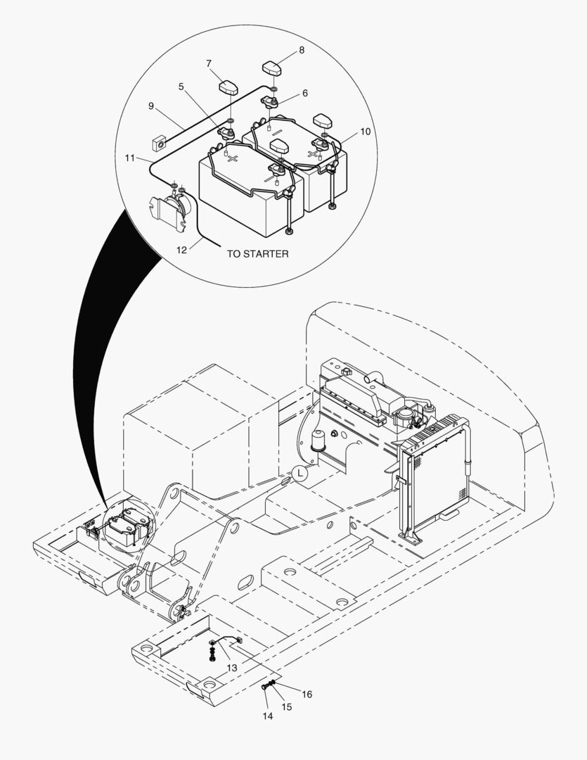
ЭЛЕКТРОПРОВОДКА(1)-АККУМУЛЯТОР

ЭЛЕКТРОПРОВОДКА(1)-АККУМУЛЯТОР

1Артикул: 500-00215, ELECTRIC WIRING(1)
2Артикул: 2550-1014D1, TERMINAL,BATTERY(+)
3Артикул: 2550-1014D2, TERMINAL,BATTERY(-)
Подробнее >
ТУБОПРОВОД МАСЛЯНОГО РАДИАТОРА(2)

ТУБОПРОВОД МАСЛЯНОГО РАДИАТОРА(2)

1Артикул: 400-01207, OIL COOLER PIPING
2Артикул: 140-01370A, PIPE;SUCTION
3Артикул: 2185-1002D105, HOSE ASSY,HYDRAULIC
Подробнее >
1100 MAIN FRAME

1100 MAIN FRAME

1Артикул: 600-00131, MAIN FRAME ASS`Y
2Артикул: 600-00131B, MAIN FRAME ASS`Y
3Артикул: 603-00255, FRAME;MAIN
Подробнее >
РЕЗЕРВУАР ДЛЯ МАСЛА

РЕЗЕРВУАР ДЛЯ МАСЛА

1Артикул: 470-00129, OIL TANK ASS`Y
2Артикул: 470-00130A, TANK;OIL
3Артикул: 470-00130B, TANK;OIL
Подробнее >
1480 CABIN(3)

1480 CABIN(3)

1Артикул: 622-00177J, CABIN ASS`Y
2Артикул: 622-00177K, CABIN ASS`Y
3Артикул: 622-00177L, CABIN ASS`Y
Подробнее >
КРОНШТЕЙН(1)

КРОНШТЕЙН(1)

1Артикул: 195-02386, SUPPORT ASS`Y
2Артикул: 195-02386A, SUPPORT ASS`Y
3Артикул: 195-00154B, SUPPORT
Подробнее >
КРЫШКА ОБОГРЕВАТЕЛЯ

КРЫШКА ОБОГРЕВАТЕЛЯ

1Артикул: 621-01917C, HEATER COVER ASS`Y
2Артикул: 621-01917E, HEATER COVER ASS`Y
3Артикул: 621-01917G, HEATER COVER ASS`Y
Подробнее >
1400 SEAT MOUNTING-EUROPE & U.S.A

1400 SEAT MOUNTING-EUROPE & U.S.A

1Артикул: 901-00031, SEAT MOUNTING
2Артикул: 901-00031A, SEAT MOUNTING
3Артикул: 901-00029, SEAT
Подробнее >
ПУЛЬТ УПРАВЛЕНИЯ-ПРАВОСТОРОННИЙ

ПУЛЬТ УПРАВЛЕНИЯ-ПРАВОСТОРОННИЙ

1Артикул: 195-01710G, STAND ASS`Y
2Артикул: 195-01710H, STAND ASS`Y
3Артикул: 195-01710J, STAND ASS`Y
Подробнее >
1460 CABIN(1)

1460 CABIN(1)

1Артикул: 622-00177J, CABIN ASS`Y
2Артикул: 622-00177K, CABIN ASS`Y
3Артикул: 622-00177L, CABIN ASS`Y
Подробнее >
ЗАПАСНОЙ БАК

ЗАПАСНОЙ БАК

1Артикул: 201-00134, ENGINE ASS`Y
2Артикул: 201-00134A, ENGINE ASS`Y
3Артикул: 2470-9016, TANK;RESERVE
Подробнее >
1750 COOLER & HEATER ASS`Y(2)-ENGINE PART

1750 COOLER & HEATER ASS`Y(2)-ENGINE PART

1Артикул: 920-00109, COOLER ASS`Y(2)-ENGINE PART
2Артикул: 2208-6013B, COMPRESSOR
3Артикул: S0557153, BOLT
Подробнее >
ОБТЕКАЕМАЯ ПОДКУЗОВНАЯ ПАНЕЛЬ

ОБТЕКАЕМАЯ ПОДКУЗОВНАЯ ПАНЕЛЬ

1Артикул: 621-02487, UNDER COVER ASS`Y
2Артикул: 621-00269, COVER PL 1.6
3Артикул: 621-00270, COVER PL 1.6
Подробнее >
НАСОСНАЯ УСТАНОВКА

НАСОСНАЯ УСТАНОВКА

1Артикул: 401-00364, PUMP INSTALLATION
2Артикул: 401-00369, PUMP;MAIN
3Артикул: S5102603, WASHER
Подробнее >
ТРУБОПРОВОД СЕРВОУПРАВЛЕНИЯ(4)

ТРУБОПРОВОД СЕРВОУПРАВЛЕНИЯ(4)

1Артикул: 400-01097, PILOT PIPING
2Артикул: 181-00742A, CONNECTOR SUB ASS`Y
3Артикул: 621-02299A, . PLATE
Подробнее >
ГЛАВНАЯ МАГИСТРАЛЬ(4)-ПОВОРОТ

ГЛАВНАЯ МАГИСТРАЛЬ(4)-ПОВОРОТ

1Артикул: 400-01208, MAIN PIPING
2Артикул: 2184-1202D57, HOSE PF3/4-500L
3Артикул: 2184-1202D40, HOSE PF3/4-600L
Подробнее >
ЭЛЕКТРИЧЕСКИЕ ЗАПЧАСТИ(2)-СТАНДАРТНЫЙ ПРАВОСТОРОННИЙ

ЭЛЕКТРИЧЕСКИЕ ЗАПЧАСТИ(2)-СТАНДАРТНЫЙ ПРАВОСТОРОННИЙ

1Артикул: 500-00213, ELECTRIC PARTS(2)
2Артикул: 500-00213B, ELECTRIC PARTS(2)
3Артикул: 500-00213E, ELECTRIC PARTS(2)
Подробнее >
1155 AIR CLEANER

1155 AIR CLEANER

1Артикул: 2204-9039A, CLEANER;AIR
2Артикул: -, BODY
3Артикул: 2474-9054A, ELEMENT;INNER
Подробнее >
ВОЗДУХООЧИСТИТЕЛЬ

ВОЗДУХООЧИСТИТЕЛЬ

1Артикул: 204-00057B, AIR CLEANR ASS`Y
2Артикул: 2204-9039A, CLEANER;AIR
3Артикул: 2124-1593A, BAND;AIR CLEANER
Подробнее >
1180 FUEL TANK

1180 FUEL TANK

1Артикул: 470-00126A, FUEL TANK ASS`Y
2Артикул: 470-00125, TANK;FUEL
3Артикул: 470-00125A, TANK;FUEL
Подробнее >
ТРУБОПРОВОД СЕРВОУПРАВЛЕНИЯ-КЛАПАН УСТРОЙСТВО УПРАВЛЕНИЯ SUB.

ТРУБОПРОВОД СЕРВОУПРАВЛЕНИЯ-КЛАПАН УСТРОЙСТВО УПРАВЛЕНИЯ SUB.

1Артикул: 400-01098A, PILOT PIPING;CONTROL VALVE SUB
2Артикул: S8000141, O-RING
3Артикул: S8000111, O-RING
Подробнее >
ТРУБОПРОВОД СМАЗОЧНОЙ СИСТЕМЫ

ТРУБОПРОВОД СМАЗОЧНОЙ СИСТЕМЫ

1Артикул: 400-00148, LUBRICATION PIPING
2Артикул: 2184-1046D52, HOSE
3Артикул: 2182-1820, PIPE
Подробнее >
ПОВОРОТНОЕ УСТРОЙСТВО В СБОРЕ

ПОВОРОТНОЕ УСТРОЙСТВО В СБОРЕ

1Артикул: 401-00387, SWING DEVICE ASS`Y
2Артикул: 401-00387B, SWING DEVICE ASS`Y
3Артикул: 401-00036G, SWING DEVICE SUB ASS`Y
Подробнее >
КАБИНА В СБОРЕ

КАБИНА В СБОРЕ

1Артикул: 622-00197J, CABIN ASS`Y
2Артикул: 622-00197L, CABIN ASS`Y
3Артикул: 622-00197M, CABIN ASS`Y
Подробнее >
КРОНШТЕЙН(2)-КОНДЕНСАТОР

КРОНШТЕЙН(2)-КОНДЕНСАТОР

1Артикул: 195-02264, SUPPORT ASS`Y
2Артикул: 2197-2132, SUPPORT
3Артикул: 2197-2133, SUPPORT
Подробнее >
1530 COVER(2)

1530 COVER(2)

1Артикул: 621-02478, COVER ASS`Y
2Артикул: 622-00304, SIDE DOOR ASS`Y(R.H)
3Артикул: 622-00304A, SIDE DOOR ASS`Y(R.H)
Подробнее >
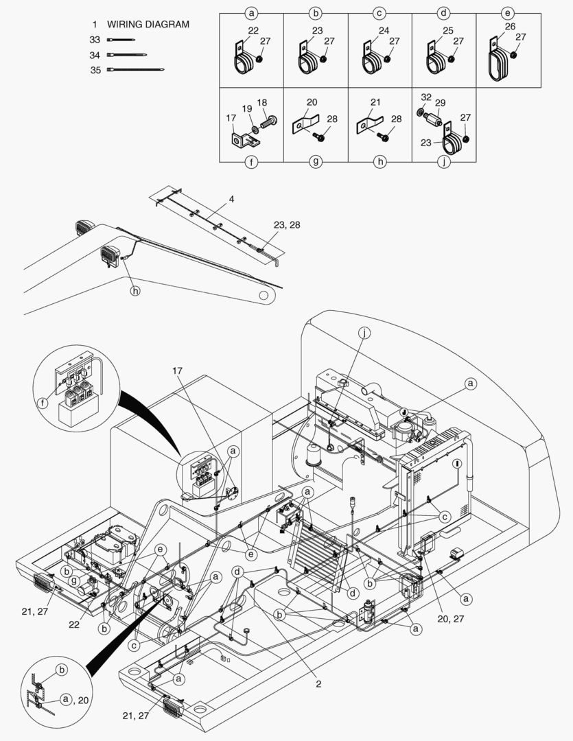
ЭЛЕКТРОПРОВОДКА(3)-СОПРЯЖЕННЫЕ ДЕТАЛИ

ЭЛЕКТРОПРОВОДКА(3)-СОПРЯЖЕННЫЕ ДЕТАЛИ

1Артикул: 500-00215, ELECTRIC WIRING(1)
2Артикул: 599-00054, WIRING DIAGRAM
3Артикул: 599-00054A, WIRING DIAGRAM
Подробнее >
ТРУБОПРОВОД СЕРВОУПРАВЛЕНИЯ(5)

ТРУБОПРОВОД СЕРВОУПРАВЛЕНИЯ(5)

1Артикул: 400-01097, PILOT PIPING
2Артикул: S8000141, O-RING
3Артикул: S8000111, O-RING
Подробнее >
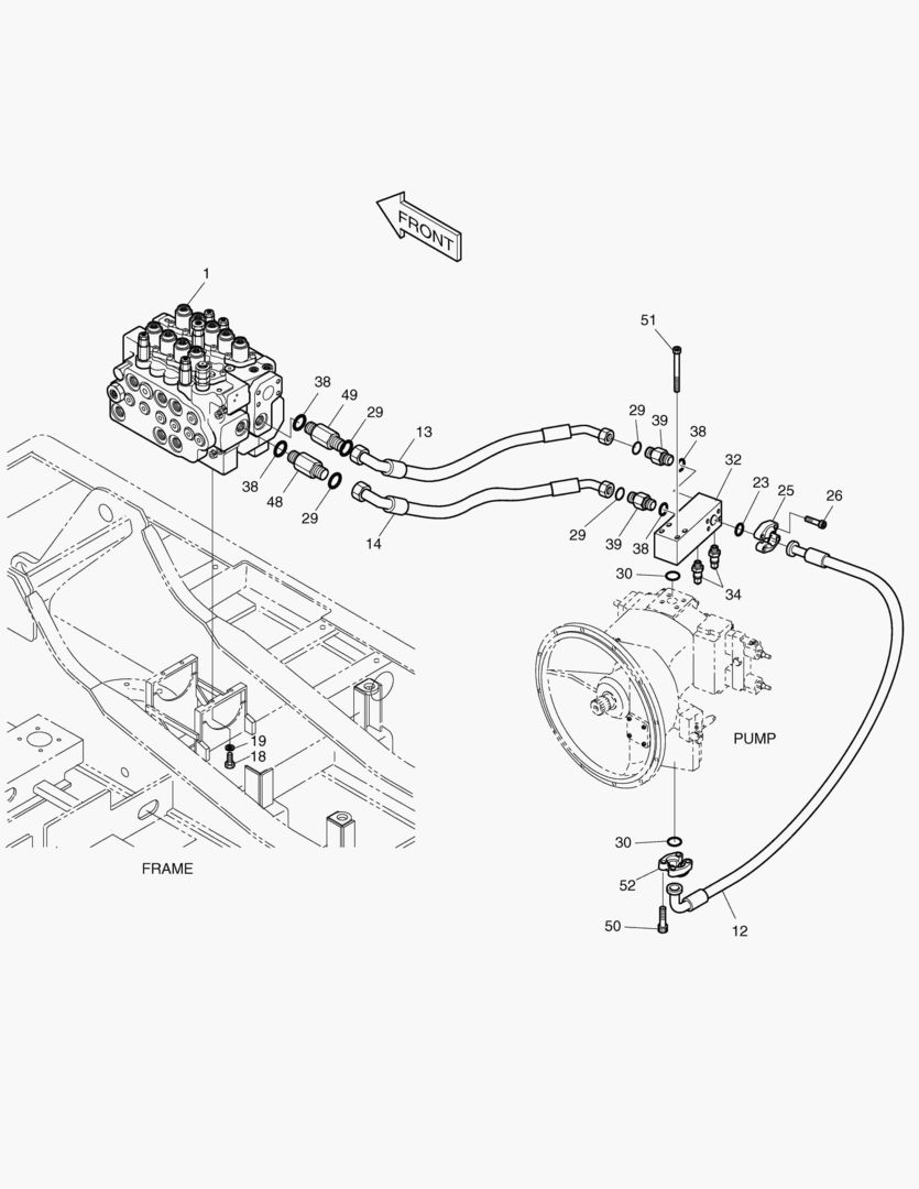
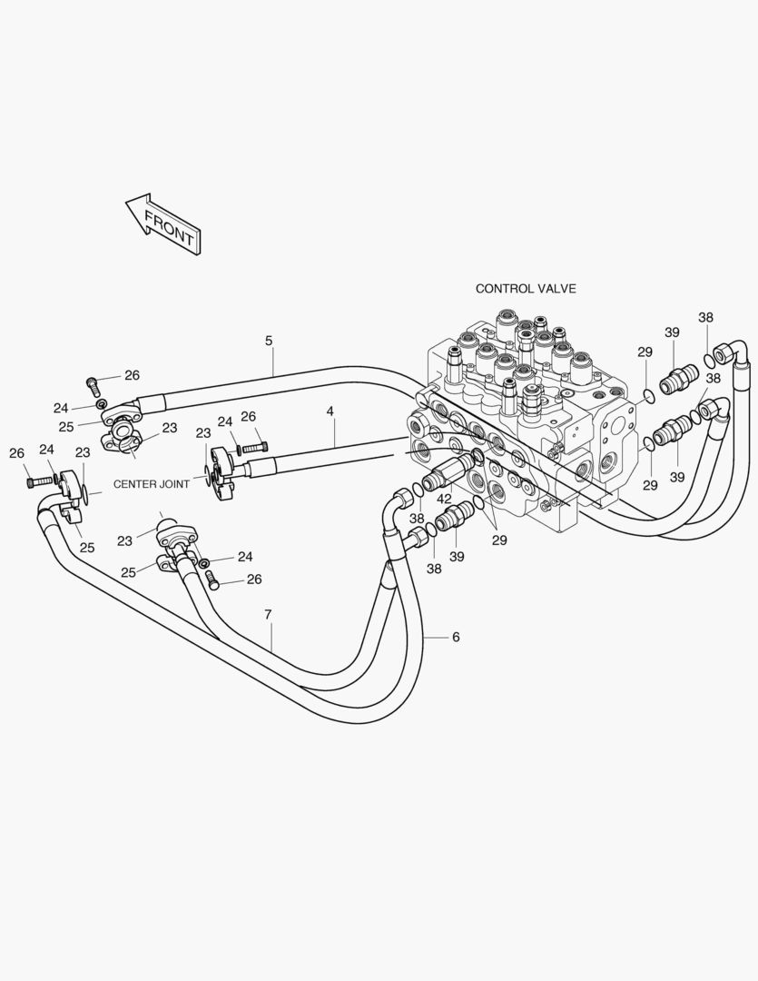
ГЛАВНАЯ МАГИСТРАЛЬ(1)-НАСОС

ГЛАВНАЯ МАГИСТРАЛЬ(1)-НАСОС

1Артикул: 400-01208, MAIN PIPING
2Артикул: 426-E0060B, CONTROL VALVE
3Артикул: 426-E0060C, CONTROL VALVE
Подробнее >
КРЫШКА ТРУБОПРОВОДА

КРЫШКА ТРУБОПРОВОДА

1Артикул: 621-01885C, DUCT & DUCT COVER ASS`Y
2Артикул: 2213-1097, DUCT;FOOT REAR
3Артикул: 2213-1095, DUCT;FACE REAR
Подробнее >
ЭЛЕКТРИЧЕСКИЕ ЗАПЧАСТИ(6)-ДВИГАТЕЛЬ

ЭЛЕКТРИЧЕСКИЕ ЗАПЧАСТИ(6)-ДВИГАТЕЛЬ

1Артикул: 500-00214A, ELECTRIC PARTS(6)
2Артикул: 544-00007, RELAY;PREHEAT
3Артикул: S0504653, BOLT
Подробнее >
ЭЛЕКТРИЧЕСКИЕ ЗАПЧАСТИ(3)-СТАНДАРТНЫЙ ЛЕВОСТОРОННИЙ

ЭЛЕКТРИЧЕСКИЕ ЗАПЧАСТИ(3)-СТАНДАРТНЫЙ ЛЕВОСТОРОННИЙ

1Артикул: 500-00213, ELECTRIC PARTS(2)
2Артикул: 500-00213B, ELECTRIC PARTS(2)
3Артикул: 500-00213E, ELECTRIC PARTS(2)
Подробнее >
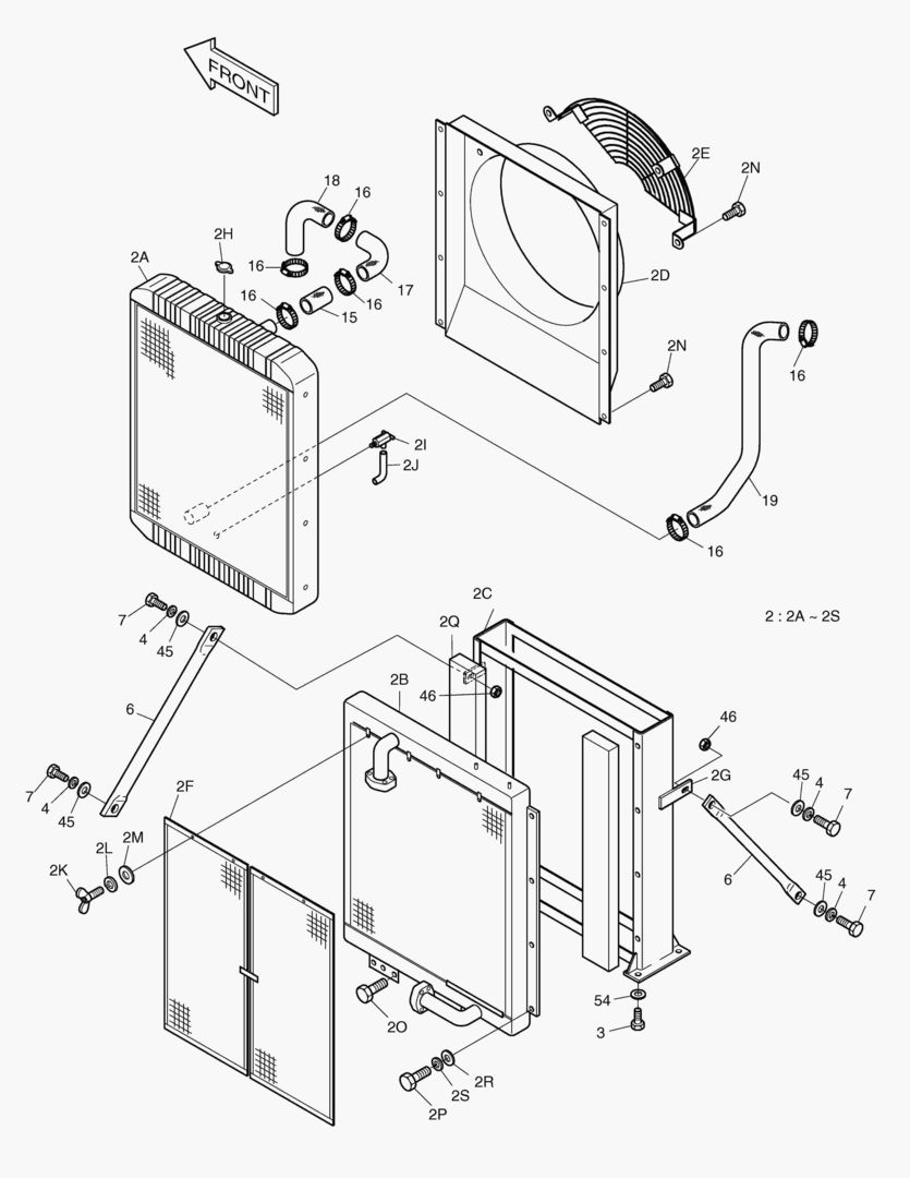
1120 RADIATOR

1120 RADIATOR

1Артикул: 201-00134, ENGINE ASS`Y
2Артикул: 201-00134A, ENGINE ASS`Y
3Артикул: 202-00012E, RADIATOR ASS`Y
Подробнее >
ЭЛЕКТРИЧЕСКИЕ ЗАПЧАСТИ(7)-СОПРЯЖЕННЫЕ ДЕТАЛИ

ЭЛЕКТРИЧЕСКИЕ ЗАПЧАСТИ(7)-СОПРЯЖЕННЫЕ ДЕТАЛИ

1Артикул: 500-00214, ELECTRIC PARTS(5)
2Артикул: 2554-9005A, TANK;WINDOW WASHER
3Артикул: 2195-1534, BRACKET
Подробнее >
ТРУБОПРОВОД СЕРВОУПРАВЛЕНИЯ(1)

ТРУБОПРОВОД СЕРВОУПРАВЛЕНИЯ(1)

1Артикул: 400-01097, PILOT PIPING
2Артикул: 471-00075A, FILTER;PILOT
3Артикул: -, . HEAD
Подробнее >
1405 SEAT-EUROPE & U.S.A

1405 SEAT-EUROPE & U.S.A

1Артикул: 901-00029, SEAT
2Артикул: 901-00029A, SEAT
3Артикул: 185184, UPPER ASS`Y
Подробнее >
АКУСТИЧЕСКАЯ НОПЛАСТОВАЯ ИЗОЛЯЦИЯ В СБОРЕ

АКУСТИЧЕСКАЯ НОПЛАСТОВАЯ ИЗОЛЯЦИЯ В СБОРЕ

1Артикул: 161-00527, ACOUSTIC FOAM ASS`Y
2Артикул: 621-02536, COVER
3Артикул: 621-02535, COVER
Подробнее >
КРЫШКА(4)

КРЫШКА(4)

1Артикул: 621-02478, COVER ASS`Y
2Артикул: 621-02499A, BATTERY COVER ASS`Y
3Артикул: 621-02499B, BATTERY COVER ASS`Y
Подробнее >
ТУБОПРОВОД МАСЛЯНОГО РАДИАТОРА(1)

ТУБОПРОВОД МАСЛЯНОГО РАДИАТОРА(1)

1Артикул: 400-01207, OIL COOLER PIPING
2Артикул: 140-00128, PIPE
3Артикул: 2140-1185A, PIPE
Подробнее >
ТРУБОПРОВОД СЕРВОУПРАВЛЕНИЯ(2)

ТРУБОПРОВОД СЕРВОУПРАВЛЕНИЯ(2)

1Артикул: 400-01097, PILOT PIPING
2Артикул: 2426-9039B, VALVE;PILOT
3Артикул: 2426-9039C, VALVE;PILOT
Подробнее >
ТРУБОПРОВОД СЕРВОУПРАВЛЕНИЯ-НАПОЛЬНАЯ ПЛИТА SUB.(1)

ТРУБОПРОВОД СЕРВОУПРАВЛЕНИЯ-НАПОЛЬНАЯ ПЛИТА SUB.(1)

1Артикул: 400-01136A, PILOT PIPING;FLOOR PLATE SUB.
2Артикул: 420-00342A, REMOTE CONTROL VALVE(L.H)
3Артикул: 420-00342B, REMOTE CONTROL VALVE(L.H)
Подробнее >
1470 CABIN(2)

1470 CABIN(2)

1Артикул: 622-00177J, CABIN ASS`Y
2Артикул: 622-00177K, CABIN ASS`Y
3Артикул: 622-00177L, CABIN ASS`Y
Подробнее >
1490 CABIN(4)

1490 CABIN(4)

1Артикул: 622-00177J, CABIN ASS`Y
2Артикул: 622-00177K, CABIN ASS`Y
3Артикул: 622-00177L, CABIN ASS`Y
Подробнее >
БЛОК КОНДИЦИОНЕРА

БЛОК КОНДИЦИОНЕРА

1Артикул: 920-00020B, UNIT;AIRCON
2Артикул: 920-00020C, UNIT;AIRCON
3Артикул: 2538-6015, MOTOR;BLOWER 24V
Подробнее >
КРЫШКА(5)

КРЫШКА(5)

1Артикул: 621-02478, COVER ASS`Y
2Артикул: 2627-1735B, COVER;ENGINE
3Артикул: 1.162-00001, . RUBBER;CUSHION(8M)
Подробнее >
ТРУБОПРОВОД СЕРВОУПРАВЛЕНИЯ(3)

ТРУБОПРОВОД СЕРВОУПРАВЛЕНИЯ(3)

1Артикул: 400-01097, PILOT PIPING
2Артикул: 420-00330B, SOLENOID VALVE
3Артикул: 420-00330C, VALVE;SOLENOID
Подробнее >
1570 BAFFLE

1570 BAFFLE

1Артикул: 464-00081, BAFFLE ASS`Y
2Артикул: 464-00082, COVER
3Артикул: 464-00082A, COVER
Подробнее >
ГЛАВНАЯ МАГИСТРАЛЬ(2)-СТРЕЛА

ГЛАВНАЯ МАГИСТРАЛЬ(2)-СТРЕЛА

1Артикул: 400-01208, MAIN PIPING
2Артикул: 140-00136A, PIPE
3Артикул: 140-00137, PIPE
Подробнее >
ТУБОПРОВОД МАСЛЯНОГО РАДИАТОРА(3)

ТУБОПРОВОД МАСЛЯНОГО РАДИАТОРА(3)

1Артикул: 400-01207, OIL COOLER PIPING
2Артикул: 2184-1036D105, HOSE PF1-750L
3Артикул: 2184-1036D293, HOSE PF1/2-600L
Подробнее >
УПРАВЛЕНИЕ ДВИГАТЕЛЕМ В СБОРЕ

УПРАВЛЕНИЕ ДВИГАТЕЛЕМ В СБОРЕ

1Артикул: 133-00182, ENGINE CONTROL ASS`Y
2Артикул: 2197-1777A, BRACKET
3Артикул: S0711853, BOLT M10X1.25X20
Подробнее >
1140 MUFFLER

1140 MUFFLER

1Артикул: 201-00134, ENGINE ASS`Y
2Артикул: 201-00134A, ENGINE ASS`Y
3Артикул: 120-00276, BOLT M8X1.25X12
Подробнее >
1730 COOLER & HEATER ASS`Y(1)-CABIN PART

1730 COOLER & HEATER ASS`Y(1)-CABIN PART

1Артикул: 920-00108, COOLER ASS`Y(1)-CABIN PART
2Артикул: 543-00049, PANEL;AIRCON CONTROL
3Артикул: S3450583, SCREW
Подробнее >
ТРУБОПРОВОД СЕРВОУПРАВЛЕНИЯ-НАПОЛЬНАЯ ПЛИТА SUB.(2)

ТРУБОПРОВОД СЕРВОУПРАВЛЕНИЯ-НАПОЛЬНАЯ ПЛИТА SUB.(2)

1Артикул: 400-01136A, PILOT PIPING;FLOOR PLATE SUB.
2Артикул: 420-00030, PEDAL VALVE
3Артикул: S2212266, BOLT
Подробнее >
КРЫШКА(3)

КРЫШКА(3)

1Артикул: 621-02478, COVER ASS`Y
2Артикул: 621-00231C, COVER
3Артикул: 621-00232A, COVER
Подробнее >
ЭЛЕКТРИЧЕСКИЕ ЗАПЧАСТИ(5)-АККУМУЛЯТОР

ЭЛЕКТРИЧЕСКИЕ ЗАПЧАСТИ(5)-АККУМУЛЯТОР

1Артикул: 500-00214, ELECTRIC PARTS(5)
2Артикул: 2506-1104, BATTERY
3Артикул: 2161-1061, CUSHION
Подробнее >
КАБИНА(5)

КАБИНА(5)

1Артикул: 622-00177J, CABIN ASS`Y
2Артикул: 622-00177K, CABIN ASS`Y
3Артикул: 622-00177L, CABIN ASS`Y
Подробнее >
1410 SEAT MOUNTING-EXCEPT EUROPE & U.S.A

1410 SEAT MOUNTING-EXCEPT EUROPE & U.S.A

1Артикул: 901-00035, SEAT MOUNTING
2Артикул: 901-00033, SEAT
3Артикул: S2209061, BOLT;SOCKET
Подробнее >
1520 COVER(1)

1520 COVER(1)

1Артикул: 621-02478, COVER ASS`Y
2Артикул: 622-00307, SIDE DOOR ASS`Y(L.H)
3Артикул: 622-00307A, SIDE DOOR ASS`Y(L.H)
Подробнее >
КРЕПЛЕНИЕ КАБИНЫ В СБОРЕ

КРЕПЛЕНИЕ КАБИНЫ В СБОРЕ

1Артикул: 622-00296, CABIN MOUNT ASS`Y
2Артикул: 2161-2216, COVER;FOOT REST(L.H)
3Артикул: 2161-2235, COVER;FOOT REST(R.H)
Подробнее >
ЭЛЕКТРОШКАФ В СБОРЕ

ЭЛЕКТРОШКАФ В СБОРЕ

1Артикул: 512-00031, ELECTRIC BOX ASS`Y
2Артикул: 2512-1118B, ELECTRIC BOX
3Артикул: 2891-1266A, PLATE
Подробнее >
МОНТАЖ ДВИГАТЕЛЯ

МОНТАЖ ДВИГАТЕЛЯ

1Артикул: 201-00134, ENGINE ASS`Y
2Артикул: 201-00134A, ENGINE ASS`Y
3Артикул: 201-00136, ENGINE-DB58TIS
Подробнее >
1390 SEAT & ELECTRIC BOX

1390 SEAT & ELECTRIC BOX

1Артикул: 195-01710G, STAND ASS`Y
2Артикул: 195-01710H, STAND ASS`Y
3Артикул: 195-01710J, STAND ASS`Y
Подробнее >
ПУЛЬТ УПРАВЛЕНИЯ-ЛЕВОСТОРОННИЙ

ПУЛЬТ УПРАВЛЕНИЯ-ЛЕВОСТОРОННИЙ

1Артикул: 195-01710G, STAND ASS`Y
2Артикул: 195-01710H, STAND ASS`Y
3Артикул: 195-01710K, STAND ASS`Y
Подробнее >
ЭЛЕКТРИЧЕСКИЕ ЗАПЧАСТИ(4)-КАБИНА

ЭЛЕКТРИЧЕСКИЕ ЗАПЧАСТИ(4)-КАБИНА

1Артикул: 500-00213, ELECTRIC PARTS(2)
2Артикул: 500-00213B, ELECTRIC PARTS(2)
3Артикул: 500-00213E, ELECTRIC PARTS(2)
Подробнее >