+7 (701) 588 50 05 Телефон для связи
RU

WhatsApp

Позвонить

10 КОРПУСНЫЕ ДЕТАЛИ в Алматы

1340 PILOT PIPING(3) [13240~17093]

1340 PILOT PIPING(3) [13240~17093]

1Артикул: K1044664A, PILOT PIPING
2Артикул: 420212-10191, PIPING,PILOT
3Артикул: 2549-9112, SWITCH;PRESSURE
Подробнее >
БЛОК КОНДИЦИОНЕРА

БЛОК КОНДИЦИОНЕРА

1Артикул: 920-00127A, UNIT;AIR CON. & HEATING
2Артикул: 440205-00095, CONDITIONER,AIR
3Артикул: 440205-00095A, CONDITIONER,AIR
Подробнее >
БОКОВАЯ ДВЕРЬ - ЛЕВОСТОРОННИЙ

БОКОВАЯ ДВЕРЬ - ЛЕВОСТОРОННИЙ

1Артикул: K1039799B, COVER ASS`Y
2Артикул: 110508-23571, COVER ASSY
3Артикул: 110508-23571A, COVER ASSY
Подробнее >
1860 PILOT PIPING(5) - SWING [17094~]

1860 PILOT PIPING(5) - SWING [17094~]

1Артикул: 420212-13885, PIPING,PILOT
2Артикул: 2549-9112, SWITCH;PRESSURE
3Артикул: 301413-00287, SWITCH,PRESSURE
Подробнее >
1840 PILOT PIPING(3) - ARM [17094~]

1840 PILOT PIPING(3) - ARM [17094~]

1Артикул: 420212-13885, PIPING,PILOT
2Артикул: DS2092112, HOSE
3Артикул: 2181-1951D16, TEE
Подробнее >
ПУЛЬТ УПРАВЛЕНИЯ - ПРАВОСТОРОННИЙ

ПУЛЬТ УПРАВЛЕНИЯ - ПРАВОСТОРОННИЙ

1Артикул: 220111-00023, STAND ASSY,CONTROL
2Артикул: 220111-00023A, STAND ASSY,CONTROL;RH
3Артикул: 220111-00023B, STAND ASSY,CONTROL;RH
Подробнее >
КРЫШКА ОБОГРЕВАТЕЛЯ

КРЫШКА ОБОГРЕВАТЕЛЯ

1Артикул: 650103-00002A, REAR ASSY;COVER
2Артикул: 650103-00002B, REAR ASSY;COVER
3Артикул: 650103-00002C, REAR ASSY;COVER
Подробнее >
1360 PILOT PIPING(5) [13240~17093]

1360 PILOT PIPING(5) [13240~17093]

1Артикул: K1044664A, PILOT PIPING
2Артикул: 420212-10191, PIPING,PILOT
3Артикул: 2181-1951D6, TEE
Подробнее >
ТРУБОПРОВОД СМАЗОЧНОЙ СИСТЕМЫ

ТРУБОПРОВОД СМАЗОЧНОЙ СИСТЕМЫ

1Артикул: K1007600B, LUBRICATION PIPING
2Артикул: K1007665B, PIPE,GREASE
3Артикул: 2181-1925, ELBOW
Подробнее >
1230 OIL COOLER PIPING(1) [13240~17093]

1230 OIL COOLER PIPING(1) [13240~17093]

1Артикул: 420212-00225, PIPING,OIL COOLER
2Артикул: 420218-00104A, PIPE,SUCTION
3Артикул: 420218-00299, PIPE,SUCTION
Подробнее >
1710 ELECTRIC PARTS - CABIN [13240~17257]

1710 ELECTRIC PARTS - CABIN [13240~17257]

1Артикул: 300619-00056E, ELECTRIC ASSY;CABIN
2Артикул: 300619-00056G, ELECTRIC ASSY,CABIN
3Артикул: 300619-00056H, ELECTRIC ASSY,CABIN
Подробнее >
КРЫШКА АККУМУЛЯТОРА

КРЫШКА АККУМУЛЯТОРА

1Артикул: 110508-00244, COVER ASSY
2Артикул: 110503-00016C, COVER ASSY,BATTERY
3Артикул: 110503-00016E, COVER ASSY,BATTERY
Подробнее >
АКУСТИЧЕСКАЯ НОПЛАСТОВАЯ ИЗОЛЯЦИЯ

АКУСТИЧЕСКАЯ НОПЛАСТОВАЯ ИЗОЛЯЦИЯ

1Артикул: K1045987A, FOAM ASS`Y
2Артикул: K1000485A, FOAM;POLYURETHANE
3Артикул: K1000488A, FOAM;POLYURETHANE
Подробнее >
1610 BAFFLE

1610 BAFFLE

1Артикул: 110958-00014, SUPPORT & BAFFLE ASSY
2Артикул: K1049826, SUPPORT
3Артикул: 110958-04029A, SUPPORT
Подробнее >
CAC ТРУБОПРОВОД

CAC ТРУБОПРОВОД

1Артикул: K1046072, CAC PIPING
2Артикул: K1012144, PIPE
3Артикул: K1038559, HOSE
Подробнее >
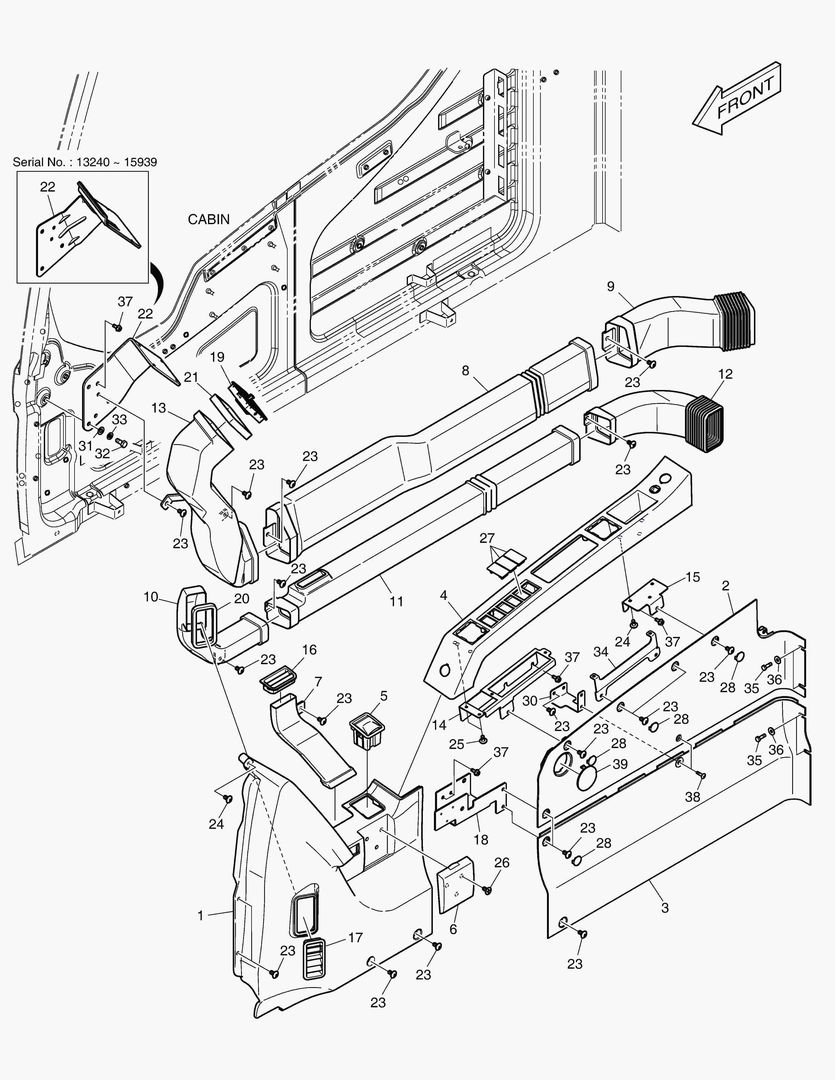
1520 CABIN(4)

1520 CABIN(4)

1Артикул: 220101-00192K, CABIN ASSY
2Артикул: 220101-00192L, CABIN ASSY
3Артикул: 220101-00192M, CABIN ASSY
Подробнее >
1170 AIR CLEANER [13240~17753]

1170 AIR CLEANER [13240~17753]

1Артикул: K1000965E, AIR CLEANER ASS`Y
2Артикул: 400414-00099, CLEANER ASSY,AIR
3Артикул: 400414-00508, CLEANER ASSY,AIR
Подробнее >
ТРУБОПРОВОД СЕРВОУПРАВЛЕНИЯ(8)

ТРУБОПРОВОД СЕРВОУПРАВЛЕНИЯ(8)

1Артикул: 420212-02892B, PIPING PILOT
2Артикул: 420212-02892G, PIPING,PILOT
3Артикул: 420212-02892H, PIPING,PILOT
Подробнее >
1881 PILOT PIPING(7) - OTHERS [18574~]

1881 PILOT PIPING(7) - OTHERS [18574~]

1Артикул: 420212-13885, PIPING,PILOT
2Артикул: DS2371085, TEE
3Артикул: DS2347006, TEE
Подробнее >
1830 PILOT PIPING(2) - BOOM [17094~18573]

1830 PILOT PIPING(2) - BOOM [17094~18573]

1Артикул: 420212-13885, PIPING,PILOT
2Артикул: 2181-1951D6, TEE
3Артикул: 2181-1951D16, TEE
Подробнее >
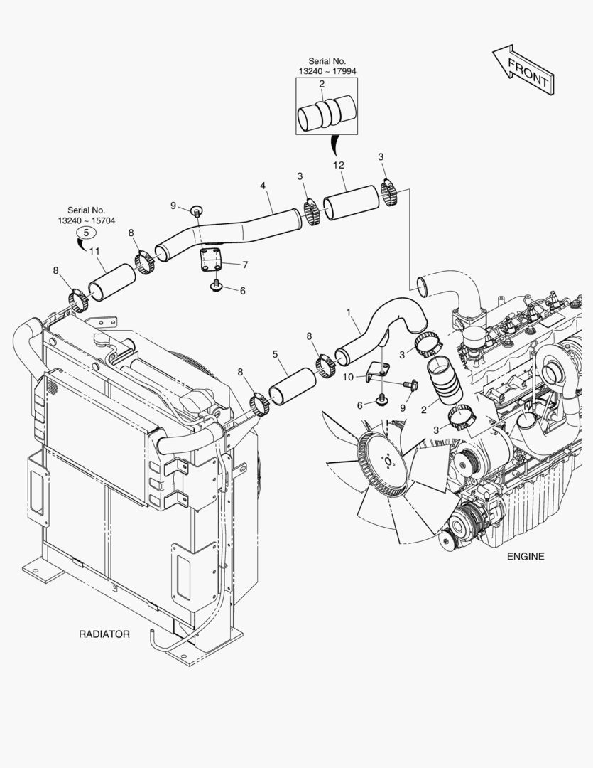
ОПОРТНЫЙ УЗЕЛ РАДИАТОРА

ОПОРТНЫЙ УЗЕЛ РАДИАТОРА

1Артикул: 150109-00018, ENGINE ASSY
2Артикул: K1000752C, RADIATOR ASS`Y
3Артикул: 440211-00584, RADIATOR ASSY
Подробнее >
ЧЕХОЛ КРЫШКИ

ЧЕХОЛ КРЫШКИ

1Артикул: 621-03732C, ROOF COVER ASSY
2Артикул: 621-03727B, COVER,ROOF
3Артикул: 123-00516B, LOCK ASSY
Подробнее >
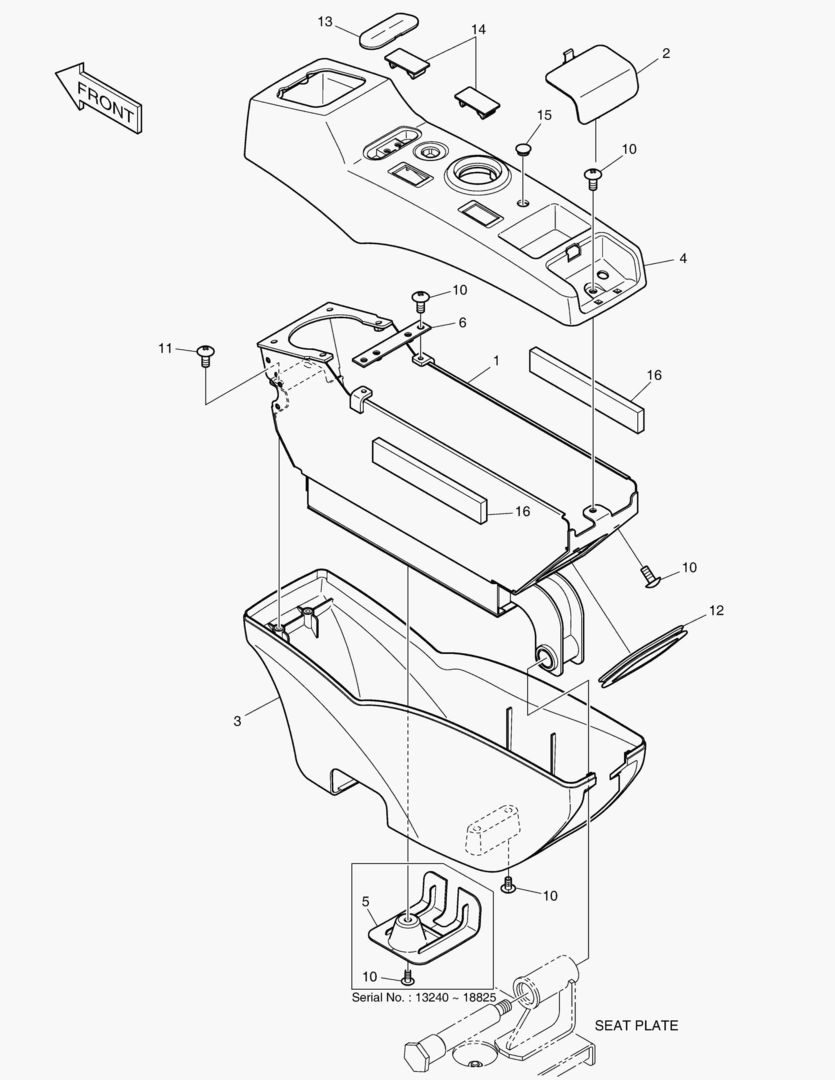
ПЛАСТИНА СИДЕНЬЯ

ПЛАСТИНА СИДЕНЬЯ

1Артикул: K1002229A, SEAT PLATE
2Артикул: K1002230A, BRACKET
3Артикул: K1002231A, PLATE
Подробнее >
1711 ELECTRIC PARTS - CABIN [17258~]

1711 ELECTRIC PARTS - CABIN [17258~]

1Артикул: 300619-00515N, ELECTRIC ASSY;CABIN
2Артикул: 300619-00515P, ELECTRIC ASSY;CABIN
3Артикул: 300619-00515R, ELECTRIC ASSY;CABIN
Подробнее >
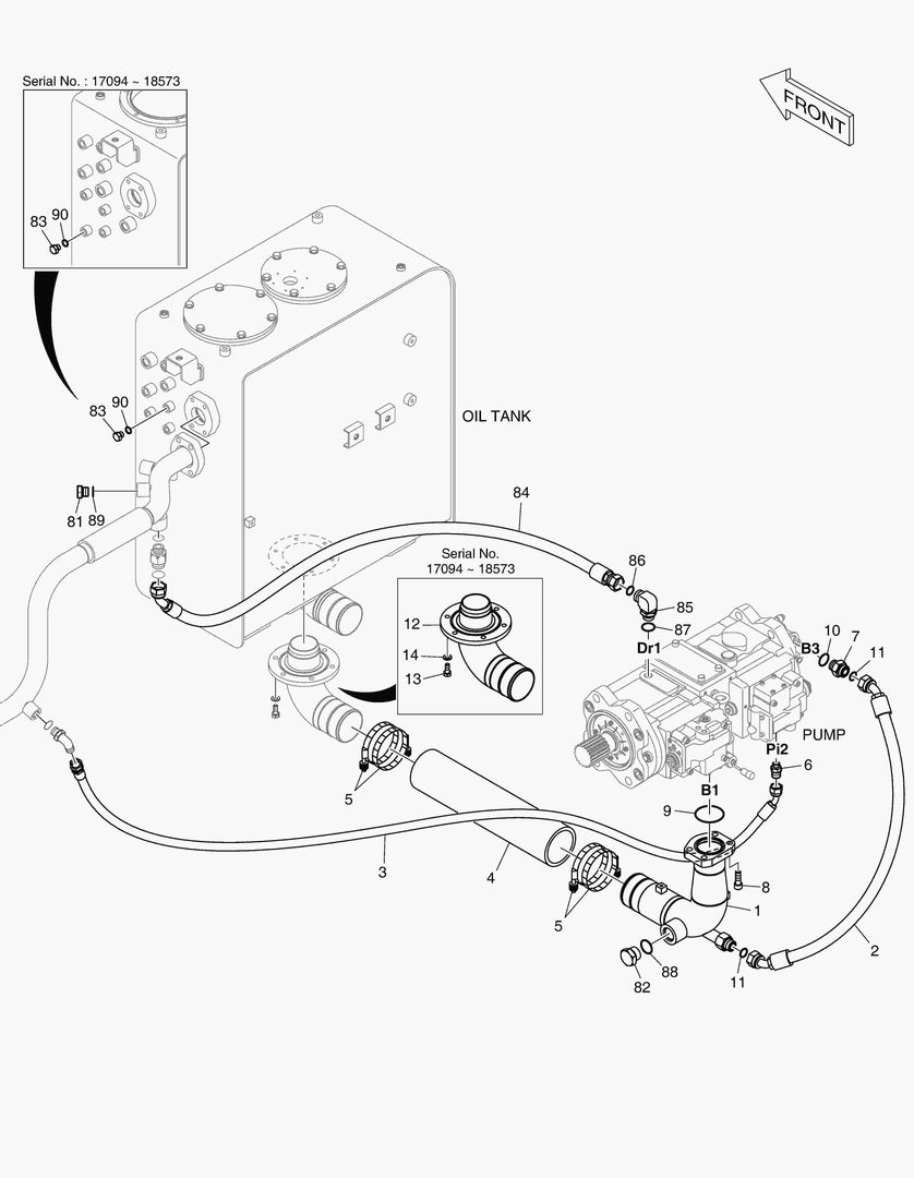
1221 OIL TANK [18574~]

1221 OIL TANK [18574~]

1Артикул: K1046833, OIL TANK ASS`Y
2Артикул: -, TANK ASSY,OIL;SUB
3Артикул: 450105-00782B, . TANK,OIL
Подробнее >
КРЫШКА ТРУБОПРОВОДА

КРЫШКА ТРУБОПРОВОДА

1Артикул: 110517-00370, COVER ASSY,SIDE
2Артикул: 110517-00370A, COVER ASSY,SIDE
3Артикул: 110517-00368B, COVER ASSY,SIDE
Подробнее >
МОНТАЖ ДВИГАТЕЛЯ

МОНТАЖ ДВИГАТЕЛЯ

1Артикул: 150109-00018, ENGINE ASSY
2Артикул: K1000967A, ENGINE-DB58TIS
3Артикул: 110427-00210, BRACKET
Подробнее >
1870 PILOT PIPING(6) - TRAVEL [17094~]

1870 PILOT PIPING(6) - TRAVEL [17094~]

1Артикул: 420212-13885, PIPING,PILOT
2Артикул: 2181-1702D10, ELBOW
3Артикул: 2181-1702D4, ELBOW
Подробнее >
ТОПЛИВНЫЕ ТРУБОПРОВОДЫ

ТОПЛИВНЫЕ ТРУБОПРОВОДЫ

1Артикул: K1007631B, FUEL PIPING
2Артикул: K1013251, SEPARATOR;WATER
3Артикул: K1044605, PRE FUEL FILTER ASS`Y
Подробнее >
1500 CABIN(2)

1500 CABIN(2)

1Артикул: 220101-00192K, CABIN ASSY
2Артикул: 220101-00192L, CABIN ASSY
3Артикул: 220101-00192M, CABIN ASSY
Подробнее >
УСТАНОВКА ГЕНЕРАТОРА ПЕРЕМЕННОГО ТОКА

УСТАНОВКА ГЕНЕРАТОРА ПЕРЕМЕННОГО ТОКА

1Артикул: 300619-01893, ALTERNATOR MOUNTING
2Артикул: S5102703, WASHER
3Артикул: DS0401188, WASHER
Подробнее >
1201 FUEL TANK [18574~]

1201 FUEL TANK [18574~]

1Артикул: 450103-00131, TANK ASSY,FUEL
2Артикул: -, TANK ASSY,FUEL;SUB
3Артикул: 450103-00150C, . TANK,FUEL
Подробнее >
1650 COVER

1650 COVER

1Артикул: 110508-00244, COVER ASSY
2Артикул: K1049827, COVER
3Артикул: 110508-31349, COVER,MUFFLER
Подробнее >
1320 PILOT PIPING(1) [13240~17093]

1320 PILOT PIPING(1) [13240~17093]

1Артикул: K1044664A, PILOT PIPING
2Артикул: 420212-10191, PIPING,PILOT
3Артикул: 471-00075A, FILTER;PILOT
Подробнее >
1770 ELECTRIC WIRING [13240~19556]

1770 ELECTRIC WIRING [13240~19556]

1Артикул: 300619-00265, ELECTRIC ASSY;WIRING
2Артикул: 310207-01176A, HARNESS,MAIN
3Артикул: 310207-01176B, HARNESS,MAIN
Подробнее >
ПОДСТАВКА ДЛЯ НОГ - ЛЕВОСТОРОННИЙ

ПОДСТАВКА ДЛЯ НОГ - ЛЕВОСТОРОННИЙ

1Артикул: K1002082, FOOT REST(L.H)
2Артикул: 220107-00038, REST,FOOT(L.H)
3Артикул: 195-02949A, BRACKET,FOOT REST(L.H)
Подробнее >
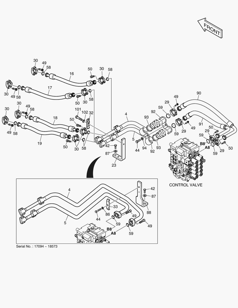
1271 MAIN PIPING(1) - PUMP [17094~]

1271 MAIN PIPING(1) - PUMP [17094~]

1Артикул: 420212-13878, PIPING,MAIN
2Артикул: 2181-9081, FLANGE
3Артикул: 114-00425, SPACER
Подробнее >
РУКОЯТКА В СБОРЕ

РУКОЯТКА В СБОРЕ

1Артикул: 110925-00007, HANDLE ASSY,OUTER
2Артикул: 172-00053B, . HANDLE,OUTER
3Артикул: 2120-2166D2, . BOLT
Подробнее >
1681 UNDER COVER [18444~]

1681 UNDER COVER [18444~]

1Артикул: 110513-01417, COVER ASSY,UNDER
2Артикул: 110513-02046, COVER,UNDER
3Артикул: 110513-02047, COVER,UNDER
Подробнее >
1490 CABIN(1)

1490 CABIN(1)

1Артикул: 220101-00192K, CABIN ASSY
2Артикул: 220101-00192L, CABIN ASSY
3Артикул: 220101-00192M, CABIN ASSY
Подробнее >
КРЫШКА ДВИГАТЕЛЯ

КРЫШКА ДВИГАТЕЛЯ

1Артикул: K1046071C, COVER ASS`Y
2Артикул: 110506-00047, COVER,ENGINE
3Артикул: 110506-00256, BONNET,ENGINE
Подробнее >
1150 MUFFLER

1150 MUFFLER

1Артикул: 150109-00018, ENGINE ASSY
2Артикул: K1006245, COVER
3Артикул: K1016432, BRACKET
Подробнее >
1280 MAIN PIPING(2) - BOOM [13240~17093]

1280 MAIN PIPING(2) - BOOM [13240~17093]

1Артикул: 420212-00576, PIPING,MAIN
2Артикул: 140-01601C, PIPE;BOOM UP
3Артикул: 140-01602C, PIPE;BOOM DOWN
Подробнее >
1831 PILOT PIPING(2) - BOOM [18574~]

1831 PILOT PIPING(2) - BOOM [18574~]

1Артикул: 420212-13885, PIPING,PILOT
2Артикул: 2181-1951D6, TEE
3Артикул: 2181-1951D16, TEE
Подробнее >
1300 MAIN PIPING(4) - SWING [13240~17093]

1300 MAIN PIPING(4) - SWING [13240~17093]

1Артикул: 420212-00576, PIPING,MAIN
2Артикул: DS2045337, HOSE
3Артикул: DS2026420, HOSE,HYDRAULIC
Подробнее >
1301 MAIN PIPING(4) - SWING [17094~]

1301 MAIN PIPING(4) - SWING [17094~]

1Артикул: 420212-13878, PIPING,MAIN
2Артикул: DS2026496, HOSE
3Артикул: DS2026499, HOSE
Подробнее >
1680 UNDER COVER [13240~18443]

1680 UNDER COVER [13240~18443]

1Артикул: K1045932, UNDER COVER ASS`Y
2Артикул: K1000591A, COVER;UNDER
3Артикул: K1000592A, COVER;UNDER
Подробнее >
ЛИСТ НАСТИЛА

ЛИСТ НАСТИЛА

1Артикул: 250106-00125A, PLATE ASSY,FLOOR
2Артикул: 250106-00125B, PLATE ASSY,FLOOR
3Артикул: 250106-00125C, PLATE ASSY,FLOOR
Подробнее >
СКОЛЬЗЯЩАЯ ПЛИТА СИДЕНИЯ

СКОЛЬЗЯЩАЯ ПЛИТА СИДЕНИЯ

1Артикул: K1002204C, SEAT PLATE ASS`Y
2Артикул: 621-03011E, SEAT PLATE ASS`Y
3Артикул: 621-02895C, . PLATE
Подробнее >
1231 OIL COOLER PIPING(1) [17094~]

1231 OIL COOLER PIPING(1) [17094~]

1Артикул: 420212-13916, PIPING,OIL COOLER
2Артикул: 420218-00299, PIPE,SUCTION
3Артикул: 420218-00299A, PIPE,SUCTION
Подробнее >
ЭЛЕКТРИЧЕСКИЕ ЗАПЧАСТИ - ПУЛЬТ УПРАВЛЕНИЯ

ЭЛЕКТРИЧЕСКИЕ ЗАПЧАСТИ - ПУЛЬТ УПРАВЛЕНИЯ

1Артикул: 300619-00793A, ELECTRIC ASSY,STAND
2Артикул: 300619-03715, ELECTRIC ASSY,STAND
3Артикул: 300619-03715A, ELECTRIC ASSY,STAND
Подробнее >
1220 OIL TANK [13240~18573]

1220 OIL TANK [13240~18573]

1Артикул: K1046833, OIL TANK ASS`Y
2Артикул: K1046831, TANK;OIL
3Артикул: 450105-00782, TANK,OIL
Подробнее >
ТУБОПРОВОД ОБОГРЕВАТЕЛЯ(2)

ТУБОПРОВОД ОБОГРЕВАТЕЛЯ(2)

1Артикул: K1045898, AIR CONDITIONER
2Артикул: 2181-2774, NIPPLE;HOSE
3Артикул: DS2228012, ADAPTER
Подробнее >
ТРУБОПРОВОД СЕРВОУПРАВЛЕНИЯ(6)

ТРУБОПРОВОД СЕРВОУПРАВЛЕНИЯ(6)

1Артикул: 420212-02892B, PIPING PILOT
2Артикул: 420212-02892G, PIPING,PILOT
3Артикул: 420212-02892H, PIPING,PILOT
Подробнее >
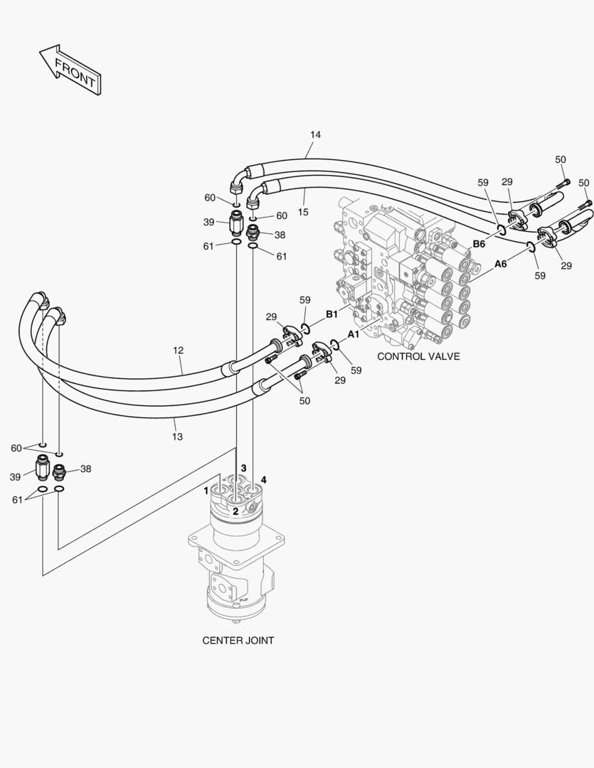
1310 MAIN PIPING(5) - CENTER JOINT [13240~17093]

1310 MAIN PIPING(5) - CENTER JOINT [13240~17093]

1Артикул: 420212-00576, PIPING,MAIN
2Артикул: DS2026146, HOSE
3Артикул: DS2026129, HOSE
Подробнее >
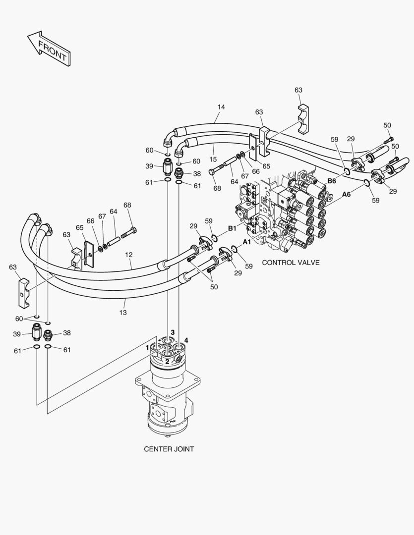
ОПОРА НАСОСА

ОПОРА НАСОСА

1Артикул: 400911-00005, PUMP INSTALLATION
2Артикул: 400914-00754, PUMP INSTALLATION ASSY
3Артикул: 400914-00212, PUMP,MAIN
Подробнее >
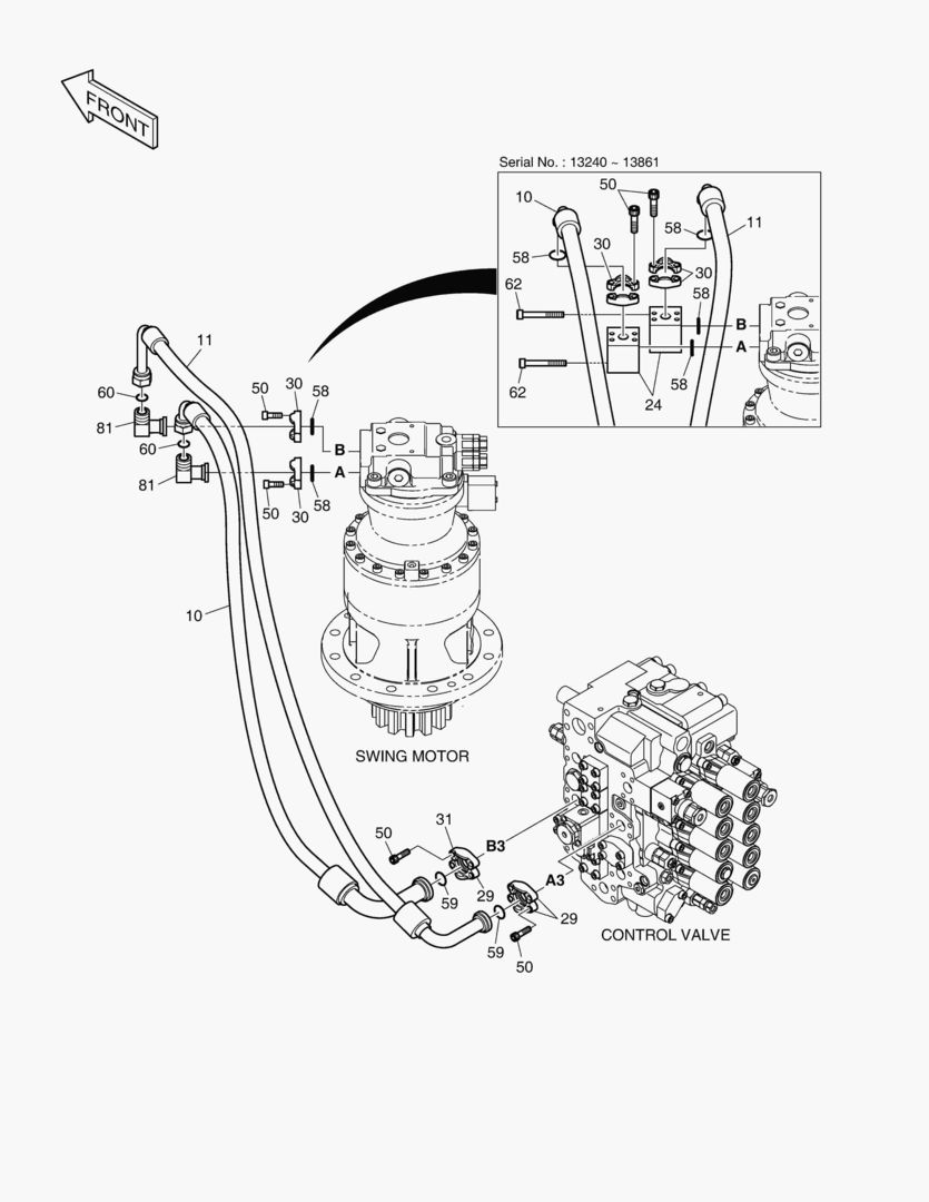
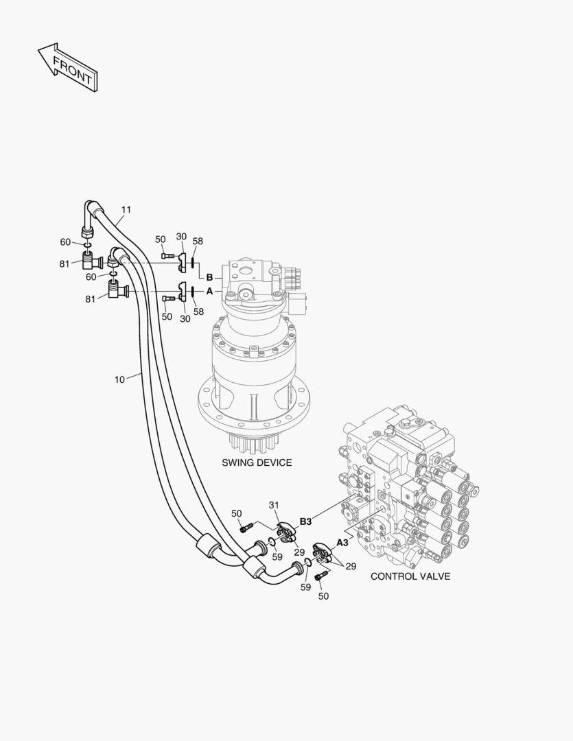
ГИДРОМОТОР ПОВОРОТА ПЛАТФОРМЫ

ГИДРОМОТОР ПОВОРОТА ПЛАТФОРМЫ

1Артикул: 401-00477J, SWING DEVICE ASS`Y
2Артикул: 170301-00111B, DEVICE,SWING;SUB
3Артикул: 170301-00111C, DEVICE,SWING
Подробнее >
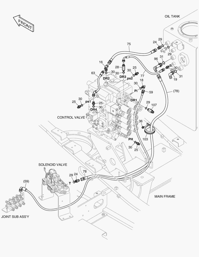
1880 PILOT PIPING(7) - OTHERS [17094~18573]

1880 PILOT PIPING(7) - OTHERS [17094~18573]

1Артикул: 420212-13885, PIPING,PILOT
2Артикул: 2181-2281D21, TEE
3Артикул: 2181-1702D4, ELBOW
Подробнее >
1100 MAIN FRAME

1100 MAIN FRAME

1Артикул: 160620-00073, FRAME,MAIN
2Артикул: 160620-00074M, FRAME,MAIN
3Артикул: 160620-00074N, FRAME,MAIN
Подробнее >
УСТАНОВКА КАБИНЫ

УСТАНОВКА КАБИНЫ

1Артикул: 621-03224B, CABIN MOUNT
2Артикул: 161-00010, RUBBER,MOUNT
3Артикул: 161-00011, RUBBER,MOUNT
Подробнее >
ЭЛЕКТРИЧЕСКИЕ ЗАПЧАСТИ - РАБОЧАЯ ФАРА

ЭЛЕКТРИЧЕСКИЕ ЗАПЧАСТИ - РАБОЧАЯ ФАРА

1Артикул: K1044917, ELECTRIC PARTS;LAMP
2Артикул: 301005-01586, LAMP ASSY,WORKING
3Артикул: 301005-00132, LAMP,WORKING(HALOGEN)
Подробнее >
ПОДСТАВКА ДЛЯ НОГ - ПРАВОСТОРОННИЙ

ПОДСТАВКА ДЛЯ НОГ - ПРАВОСТОРОННИЙ

1Артикул: K1002083, FOOT REST(R.H)
2Артикул: 220107-00039, REST,FOOT(R.H)
3Артикул: 195-02948A, BRACKET,FOOT REST(R.H)
Подробнее >
1820 PILOT PIPING(1) - PUMP [17094~]

1820 PILOT PIPING(1) - PUMP [17094~]

1Артикул: 420212-13885, PIPING,PILOT
2Артикул: 400407-00006, FILTER,PILOT
3Артикул: 400407-00008, FILTER,PILOT
Подробнее >
1350 PILOT PIPING(4) [13240~17093]

1350 PILOT PIPING(4) [13240~17093]

1Артикул: K1044664A, PILOT PIPING
2Артикул: 420212-10191, PIPING,PILOT
3Артикул: 2181-1951D16, TEE
Подробнее >
1850 PILOT PIPING(4) - BUCKET [17094~]

1850 PILOT PIPING(4) - BUCKET [17094~]

1Артикул: 420212-13885, PIPING,PILOT
2Артикул: 2181-1126D7, ADAPTER
3Артикул: S8000141, O-RING
Подробнее >
РУКОЯТКА - КАБИНА

РУКОЯТКА - КАБИНА

1Артикул: K1038240, HANDLE ASSY
2Артикул: K1038247, HANDLE
3Артикул: 2120-2166D4, BOLT
Подробнее >
1200 FUEL TANK [13240~18573]

1200 FUEL TANK [13240~18573]

1Артикул: 450103-00131, TANK ASSY,FUEL
2Артикул: 450103-00150B, TANK,FUEL
3Артикул: 450103-00150C, TANK,FUEL
Подробнее >
1290 MAIN PIPING(3) - ARM, BUCKET [13240~17093]

1290 MAIN PIPING(3) - ARM, BUCKET [13240~17093]

1Артикул: 420212-00576, PIPING,MAIN
2Артикул: 2181-9078, FLANGE
3Артикул: 2181-9083, FLANGE
Подробнее >
УСТАНОВКА СИДЕНЬЯ

УСТАНОВКА СИДЕНЬЯ

1Артикул: K1002084A, SEAT MOUNTING
2Артикул: 901-00045, SEAT ASS`Y
3Артикул: S2208866, BOLT,SOCKET M8X1.25X20
Подробнее >
ТУБОПРОВОД ОБОГРЕВАТЕЛЯ(1)

ТУБОПРОВОД ОБОГРЕВАТЕЛЯ(1)

1Артикул: K1001331E, AIR CONDITIONER
2Артикул: 440213-00486C, VENTILATION ASSY,CABIN
3Артикул: 440213-00486E, VENTILATION ASSY,CABIN
Подробнее >
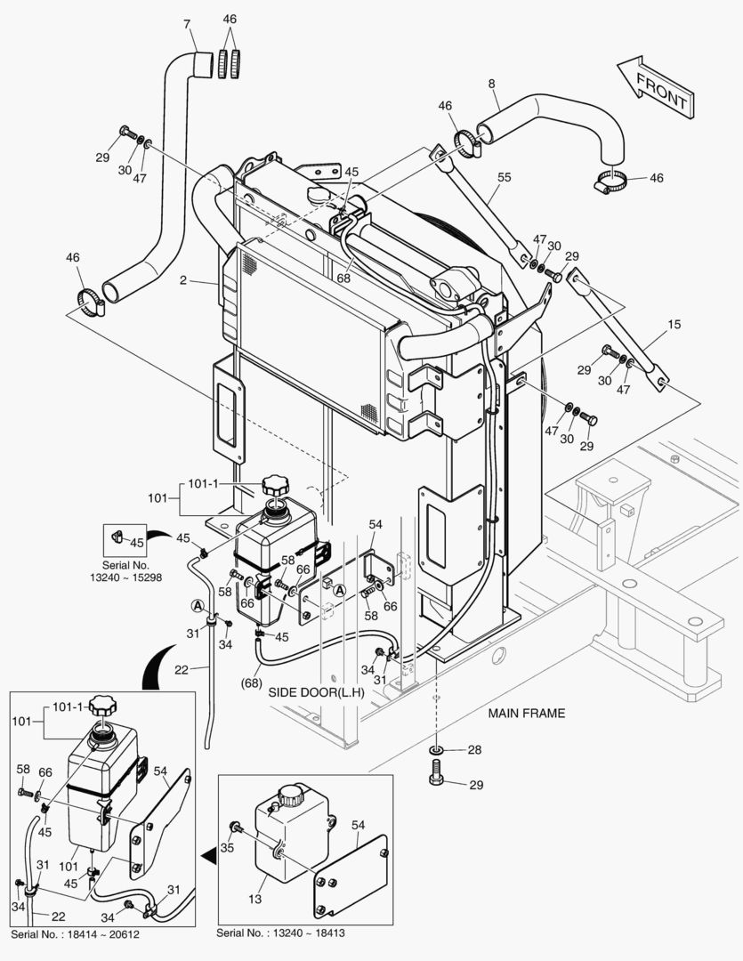
1140 RADIATOR

1140 RADIATOR

1Артикул: K1000752C, RADIATOR ASS`Y
2Артикул: 440211-00584, RADIATOR ASSY
3Артикул: 440211-00584B, RADIATOR ASSY
Подробнее >
1291 MAIN PIPING(3) - ARM, BUCKET [17094~]

1291 MAIN PIPING(3) - ARM, BUCKET [17094~]

1Артикул: 420212-13878, PIPING,MAIN
2Артикул: DS2040683, HOSE
3Артикул: DS2040684, HOSE
Подробнее >
ЭЛЕКТРИЧЕСКИЕ ЗАПЧАСТИ - АНАЛОГИ

ЭЛЕКТРИЧЕСКИЕ ЗАПЧАСТИ - АНАЛОГИ

1Артикул: K1046733A, ELECTRIC PARTS;CHASSIS
2Артикул: 2506-1104, BATTERY
3Артикул: K1025096, BATTERY
Подробнее >
1450 SEAT

1450 SEAT

1Артикул: 901-00045, SEAT ASS`Y
2Артикул: K9001695, UPPER ASS`Y
3Артикул: K9001201, BACK COVER
Подробнее >
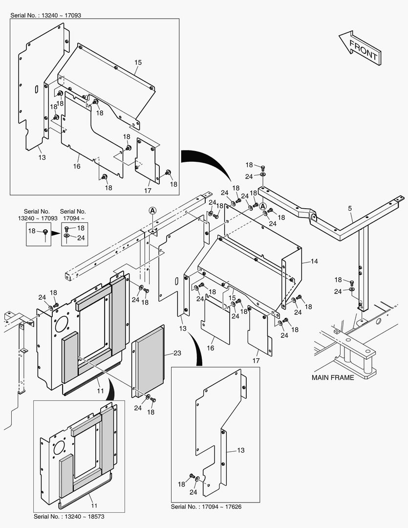
ЭЛЕКТРОШКАФ В СБОРЕ

ЭЛЕКТРОШКАФ В СБОРЕ

1Артикул: 300619-00514B, ELECTRIC ASSY;EBOX
2Артикул: 300619-02577, ELECTRIC ASSY,E-BOX
3Артикул: 300619-02577A, ELECTRIC ASSY,E-BOX
Подробнее >
1705 EPOS

1705 EPOS

1Артикул: 300619-01153H, ELECTRIC ASSY;EPOS
2Артикул: 300619-01153K, ELECTRIC ASSY;EPOS
3Артикул: 300619-01153L, ELECTRIC ASSY;EPOS,DX225LCA
Подробнее >
ПРОТИВОВЕС - 4.1ТОНН

ПРОТИВОВЕС - 4.1ТОНН

1Артикул: 160702-00048, WEIGHT ASSY,COUNTER;4.1ton
2Артикул: 160702-00048A, WEIGHT ASSY,COUNTER;4.1ton
3Артикул: 160702-00048B, WEIGHT ASSY,COUNTER
Подробнее >
ТРУБОПРОВОД СЕРВОУПРАВЛЕНИЯ(7)

ТРУБОПРОВОД СЕРВОУПРАВЛЕНИЯ(7)

1Артикул: 420212-02892B, PIPING PILOT
2Артикул: 420212-02892G, PIPING,PILOT
3Артикул: 420212-02892H, PIPING,PILOT
Подробнее >
1311 MAIN PIPING(5) - CENTER JOINT [17094~]

1311 MAIN PIPING(5) - CENTER JOINT [17094~]

1Артикул: 420212-13878, PIPING,MAIN
2Артикул: DS2026146, HOSE
3Артикул: DS2026129, HOSE
Подробнее >
1330 PILOT PIPING(2) [13240~17093]

1330 PILOT PIPING(2) [13240~17093]

1Артикул: K1044664A, PILOT PIPING
2Артикул: 420212-10191, PIPING,PILOT
3Артикул: 2460-9057A, ACCUMULATOR
Подробнее >
1510 CABIN(3)

1510 CABIN(3)

1Артикул: 220101-00192K, CABIN ASSY
2Артикул: 220101-00192L, CABIN ASSY
3Артикул: 220101-00192M, CABIN ASSY
Подробнее >
КОВРИК НА ПОЛУ КУЗОВА

КОВРИК НА ПОЛУ КУЗОВА

1Артикул: 110935-00069, MAT;FLOOR
2Артикул: 110935-00069A, MAT,FLOOR
3Артикул: 110935-00069B, MAT,FLOOR
Подробнее >
ПУЛЬТ УПРАВЛЕНИЯ - ЛЕВОСТОРОННИЙ

ПУЛЬТ УПРАВЛЕНИЯ - ЛЕВОСТОРОННИЙ

1Артикул: 220111-00022, STAND ASSY,CONTROL
2Артикул: 220111-00022A, STAND ASSY,CONTROL;LH
3Артикул: 220111-00022B, STAND ASSY,CONTROL
Подробнее >
КОНДИЦИОНЕР

КОНДИЦИОНЕР

1Артикул: K1001332G, AIR CONDITIONER
2Артикул: 2204-6039A, RECEIVER DRIER
3Артикул: 300720-00003, DRYER,RECEIVER
Подробнее >
ТУБОПРОВОД МАСЛЯНОГО РАДИАТОРА(2)

ТУБОПРОВОД МАСЛЯНОГО РАДИАТОРА(2)

1Артикул: 420212-00225, PIPING,OIL COOLER
2Артикул: 420212-13915, PIPING,OIL COOLER
3Артикул: 420202-00015, PIPE
Подробнее >
ТУБОПРОВОД МАСЛЯНОГО РАДИАТОРА(3)

ТУБОПРОВОД МАСЛЯНОГО РАДИАТОРА(3)

1Артикул: K1039406A, OIL COOLER PIPING
2Артикул: 420212-13915, PIPING,OIL COOLER
3Артикул: 140-02009A, PIPE
Подробнее >
1281 MAIN PIPING(2) - BOOM [17094~]

1281 MAIN PIPING(2) - BOOM [17094~]

1Артикул: 420212-13878, PIPING,MAIN
2Артикул: 140-01601C, PIPE;BOOM UP
3Артикул: 420207-04123, PIPE
Подробнее >
ЭЛЕКТРИЧЕСКИЕ ЗАПЧАСТИ - ДВИГАТЕЛЬ

ЭЛЕКТРИЧЕСКИЕ ЗАПЧАСТИ - ДВИГАТЕЛЬ

1Артикул: K1001328C, ELECTRIC PARTS;ENGINE
2Артикул: 301202-00067, RELAY,PRE HEATER
3Артикул: 2547-9038B, SENSOR,WATER TEMP
Подробнее >
1270 MAIN PIPING(1) - PUMP [13240~17093]

1270 MAIN PIPING(1) - PUMP [13240~17093]

1Артикул: 420212-00576, PIPING,MAIN
2Артикул: 140-01484B, PIPE
3Артикул: 140-01485B, PIPE
Подробнее >
1600 SUPPORT

1600 SUPPORT

1Артикул: 110958-00014, SUPPORT & BAFFLE ASSY
2Артикул: K1038954B, SUPPORT
3Артикул: 110958-03426, SUPPORT
Подробнее >
1771 ELECTRIC WIRING [19557~]

1771 ELECTRIC WIRING [19557~]

1Артикул: 300619-00265, ELECTRIC ASSY;WIRING
2Артикул: 310207-01176M, HARNESS,MAIN
3Артикул: K1000814, . DIODE
Подробнее >
БОКОВАЯ ДВЕРЬ - ПРАВОСТОРОННИЙ

БОКОВАЯ ДВЕРЬ - ПРАВОСТОРОННИЙ

1Артикул: 110508-00244, COVER ASSY
2Артикул: 110982-00103C, DOOR ASSY,SIDE;(R.H)
3Артикул: 110982-00103E, DOOR ASSY,SIDE;R.H
Подробнее >
УПРАВЛЕНИЕ ДВИГАТЕЛЕМ

УПРАВЛЕНИЕ ДВИГАТЕЛЕМ

1Артикул: K1046113A, ENGINE CONTROL ASS`Y
2Артикул: 2197-1777A, BRACKET
3Артикул: S0711866, BOLT
Подробнее >