+7 (701) 588 50 05 Телефон для связи
RU

WhatsApp

Позвонить

10 КОРПУСНЫЕ ДЕТАЛИ в Алматы

1130 FUEL TANK

1130 FUEL TANK

1Артикул: 4470-2112, FUEL TANK ASS`Y
2Артикул: 4470-2111B, TANK;FUEL
3Артикул: 4470-2111C, TANK;FUEL
Подробнее >
1210 CONTROL VALVE PIPING-2 SPOOL STD. [1001~1140]

1210 CONTROL VALVE PIPING-2 SPOOL STD. [1001~1140]

1Артикул: 4400-1939F1, CONTROL VALVE PIPING
2Артикул: 4182-1713A, PIPE
3Артикул: 4182-1714A, PIPE
Подробнее >
ЭЛЕКТРОПРОВОДКА(2)-ДВИГАТЕЛЬ

ЭЛЕКТРОПРОВОДКА(2)-ДВИГАТЕЛЬ

1Артикул: 4500-1221, ELECTRIC PARTS(3)
2Артикул: 4530-1696, HARNESS;ENGINE
3Артикул: 4530-1696A, HARNESS;ENGINE
Подробнее >
ФЕНДЕРНАЯ ЛЕСТНИЦА

ФЕНДЕРНАЯ ЛЕСТНИЦА

1Артикул: 4627-1138, FENDER LADDER
2Артикул: 4627-1140A, FENDER;FRONT(L.H.)
3Артикул: 4627-1140B, FENDER;FRONT(L.H.)
Подробнее >
КОНДИЦИОНЕР(1)

КОНДИЦИОНЕР(1)

1Артикул: 4920-1090, AIR CONDITIONER(1)
2Артикул: 2549-9098, SWITCH;ROCKER
3Артикул: 2190-2036D8, INSERT;AIRCON
Подробнее >
1165 AXLE & DRIVE SHAFT-LOCAL AXLE

1165 AXLE & DRIVE SHAFT-LOCAL AXLE

1Артикул: 4211-1011F6, AXLE & DRIVE SHAFT ASS`Y
2Артикул: S0571561, BOLT M20X2.5X140
3Артикул: 4114-4116, WASHER;HARD M20
Подробнее >
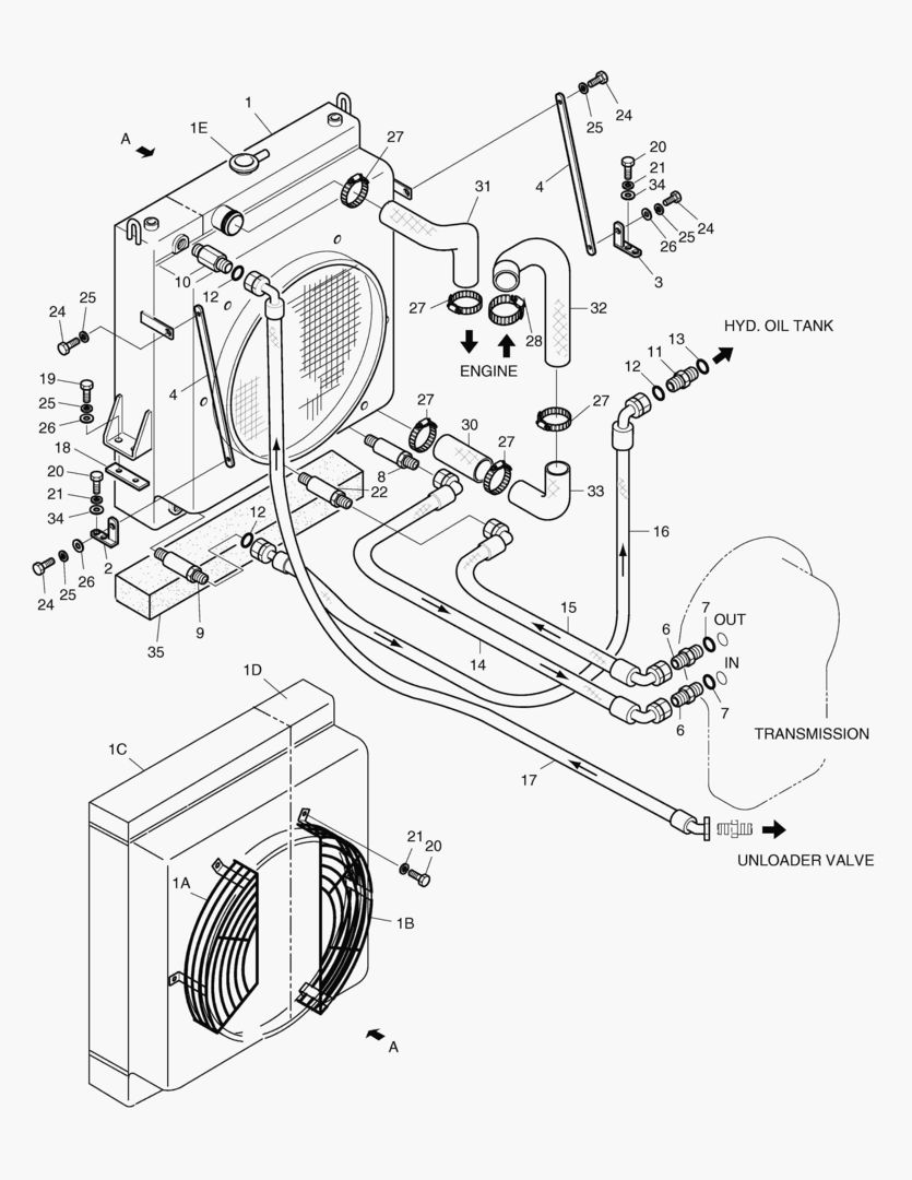
ТРУБОПРОВОД ОХЛАДИТЕЛЯ

ТРУБОПРОВОД ОХЛАДИТЕЛЯ

1Артикул: 4202-1023, COOLING PIPING
2Артикул: 4202-9071A, RADIATOR ASS`Y
3Артикул: 4623-1180C, . FAN;GUARD
Подробнее >
ТУБОПРОВОД ОБОГРЕВАТЕЛЯ

ТУБОПРОВОД ОБОГРЕВАТЕЛЯ

1Артикул: 4400-1964, HEATER PIPING
2Артикул: 2181-1160A, ADAPTER
3Артикул: 2181-1161A, ADAPTER
Подробнее >
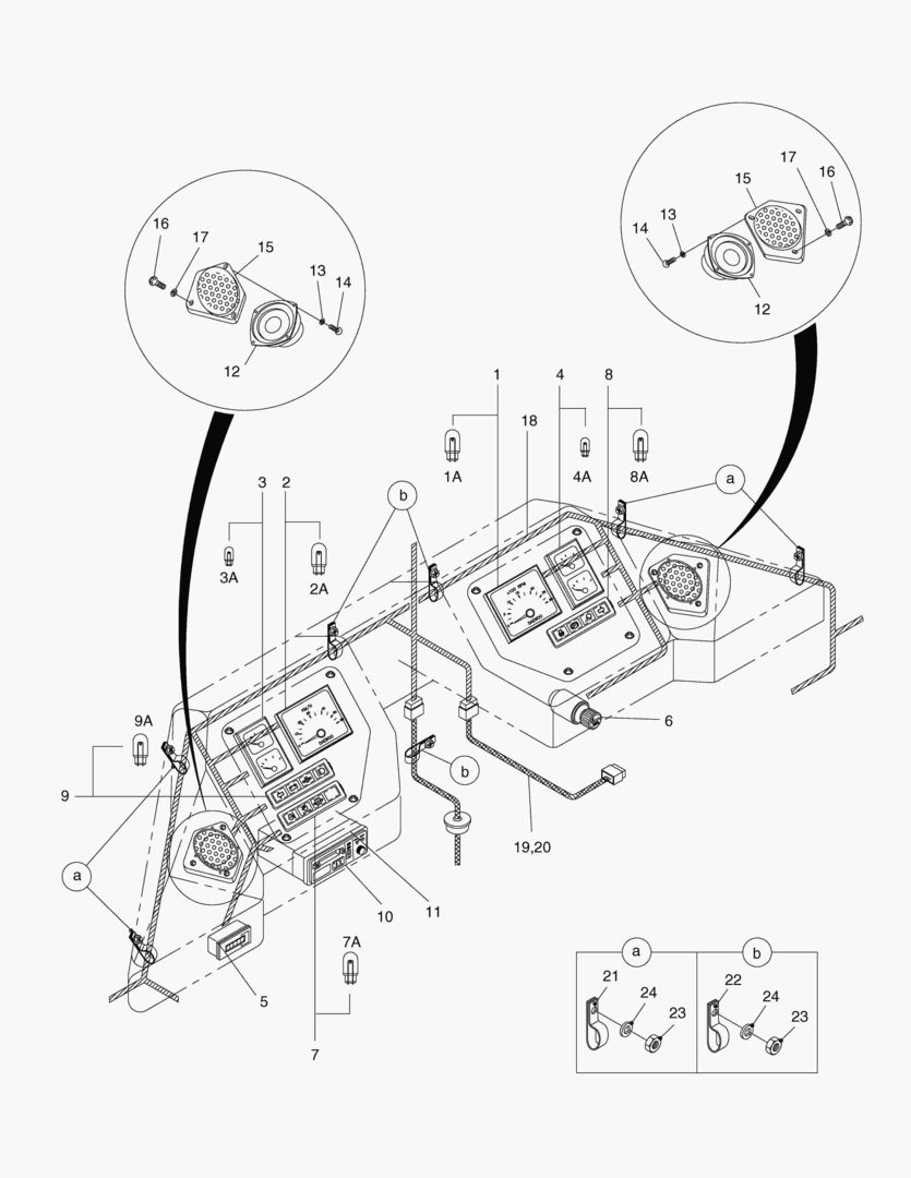
ЭЛЕКТРИЧЕСКИЕ ЗАПЧАСТИ(2)-ИЗМЕРИТЕЛЬНАЯ ПРИБОРНАЯ ПАНЕЛЬ

ЭЛЕКТРИЧЕСКИЕ ЗАПЧАСТИ(2)-ИЗМЕРИТЕЛЬНАЯ ПРИБОРНАЯ ПАНЕЛЬ

1Артикул: 4500-1219, ELECTRIC PARTS(1)
2Артикул: 4528-9050, METER;TACHO
3Артикул: 4528-9050A, METER;TACHO
Подробнее >
1265 BRAKE PIPING-LOCAL AXLE [1001~1185]

1265 BRAKE PIPING-LOCAL AXLE [1001~1185]

1Артикул: 4400-1957F2, BRAKE PIPING
2Артикул: 4420-9455A, BRAKE VALVE
3Артикул: 4420-9557, DUAL ACC.CHARGING VALVE
Подробнее >
СМАЗКА ТРУБОПРОВОДА

СМАЗКА ТРУБОПРОВОДА

1Артикул: 4400-1995, GREASE PIPING
2Артикул: S6710041, NIPPLE,GREASE
3Артикул: 2181-4112, ADAPTER
Подробнее >
ЭЛЕКТРОПРОВОДКА(3)-АНАЛОГИ

ЭЛЕКТРОПРОВОДКА(3)-АНАЛОГИ

1Артикул: 4500-1221, ELECTRIC PARTS(3)
2Артикул: 4599-1134, WIRING DIAGRAM
3Артикул: 4599-1134A, WIRING DIAGRAM
Подробнее >
1380 CAB(3) [1001~1068]

1380 CAB(3) [1001~1068]

1Артикул: 4622-4039G, CABIN ASS`Y
2Артикул: 4903-4012B, GLASS
3Артикул: 2198-1051, RUBBER;H 5500L
Подробнее >
1370 CAB(2) [1001~1068]

1370 CAB(2) [1001~1068]

1Артикул: 4622-4039G, CABIN ASS`Y
2Артикул: 4622-4033C, DOOR ASS`Y(L.H.)
3Артикул: 4622-4032C, . DOOR(L.H.)
Подробнее >
ТРУБОПРОВОД СМАЗОЧНОЙ СИСТЕМЫ

ТРУБОПРОВОД СМАЗОЧНОЙ СИСТЕМЫ

1Артикул: 4400-1961F1, PIPING;LUBRICATION REAR AXLE PIVOTS
2Артикул: S0508753, BOLT
3Артикул: S5102503, WASHER
Подробнее >
КОНДИЦИОНЕР(2)

КОНДИЦИОНЕР(2)

1Артикул: 4920-1090, AIR CONDITIONER(1)
2Артикул: 4185-1731, HOSE;COMPRESSOR
3Артикул: 2180-1219, WASHER,SEAL
Подробнее >
ЭЛЕКТРИЧЕСКИЕ ЗАПЧАСТИ(8)-СОПРЯЖЕННЫЕ ДЕТАЛИ

ЭЛЕКТРИЧЕСКИЕ ЗАПЧАСТИ(8)-СОПРЯЖЕННЫЕ ДЕТАЛИ

1Артикул: 4500-1220, ELECTRIC PARTS(2)
2Артикул: 4516-1108, BUZZER;BACK
3Артикул: 2534-9049B, LAMP;HEAD
Подробнее >
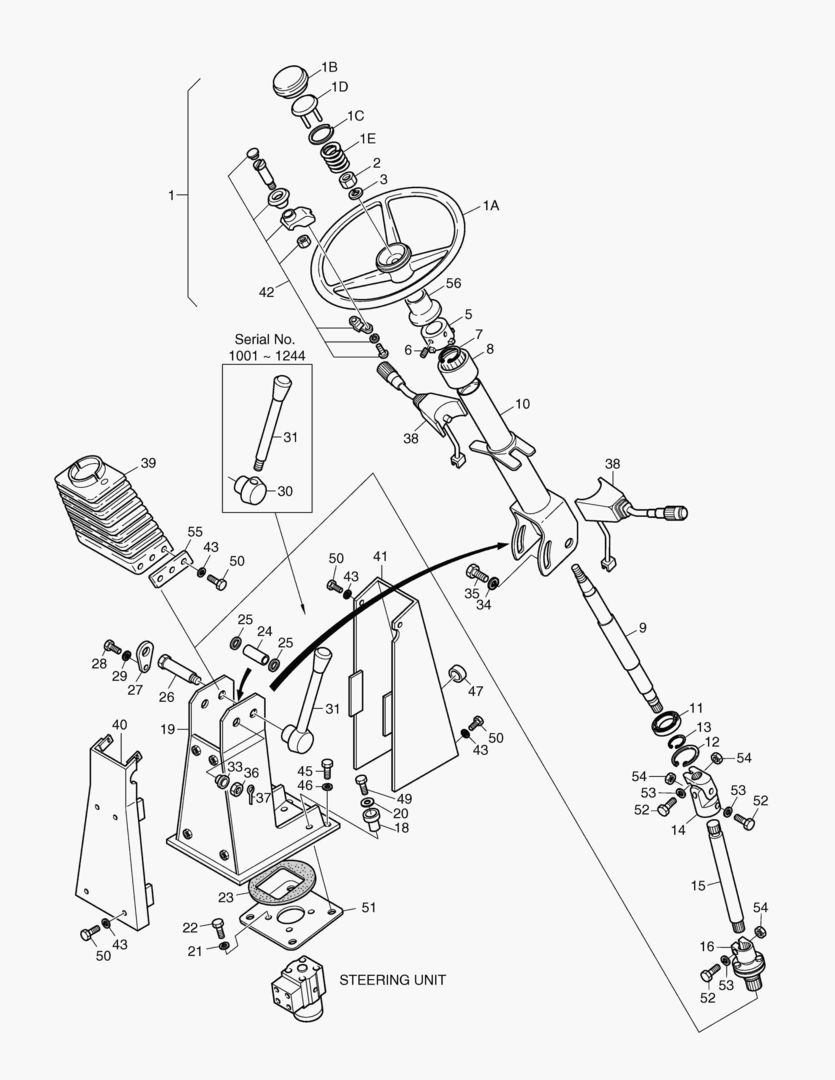
РУЛЕВОЕ УПРАВЛЕНИЕ

РУЛЕВОЕ УПРАВЛЕНИЕ

1Артикул: 4305-1013, STEERING
2Артикул: 4305-1013A, STEERING
3Артикул: 4305-1013B, STEERING
Подробнее >
КАБЕЛЬ АКСЕЛЕРАТОРА

КАБЕЛЬ АКСЕЛЕРАТОРА

1Артикул: 4400-1960, REMOTE PRESSURE CHECK PIPING
2Артикул: 4423-1451, BLOCK
3Артикул: S0559153, BOLT M10X1.5X80
Подробнее >
1266 BRAKE PIPING-LOCAL AXLE [1186~1239]

1266 BRAKE PIPING-LOCAL AXLE [1186~1239]

1Артикул: 400-00095, BRAKE PIPING
2Артикул: 4420-9455A, BRAKE VALVE
3Артикул: 4474-9061, PILOT FILTER
Подробнее >
ЭЛЕКТРИЧЕСКИЕ ЗАПЧАСТИ(6)-СОПРЯЖЕННЫЙ ДВИГАТЕЛЬ

ЭЛЕКТРИЧЕСКИЕ ЗАПЧАСТИ(6)-СОПРЯЖЕННЫЙ ДВИГАТЕЛЬ

1Артикул: 4500-1220, ELECTRIC PARTS(2)
2Артикул: 4547-9028A, SENSOR;WATER TEMP
3Артикул: S8180251, PACKING
Подробнее >
1350 CAB MOUNTS & COVER ASS`Y [1001~1068]

1350 CAB MOUNTS & COVER ASS`Y [1001~1068]

1Артикул: 4622-1379, CAB MOUNTS & COVER ASS`Y
2Артикул: 2120-2208D3, BOLT;SOCKET M24X3.0X170
3Артикул: 2161-9413, RUBBER;FRONT
Подробнее >
ТОПЛИВНЫЙ НАСОС - ОПЦИЯ

ТОПЛИВНЫЙ НАСОС - ОПЦИЯ

1Артикул: 4400-1766, FUEL TRANSFER PUMP ASS`Y
2Артикул: 2401-1278, PUMP;FUEL FILLER
3Артикул: 2401-1278A, PUMP;FUEL FILLER
Подробнее >
1240 PILOT PIPING-3 SPOOL OPT. [1001~1140]

1240 PILOT PIPING-3 SPOOL OPT. [1001~1140]

1Артикул: 4400-1959F2, PILOT PIPING ASS`Y(OPT.)
2Артикул: 4420-9443, PILOT VALVE
3Артикул: 4420-1263, VALVE;REMOCON
Подробнее >
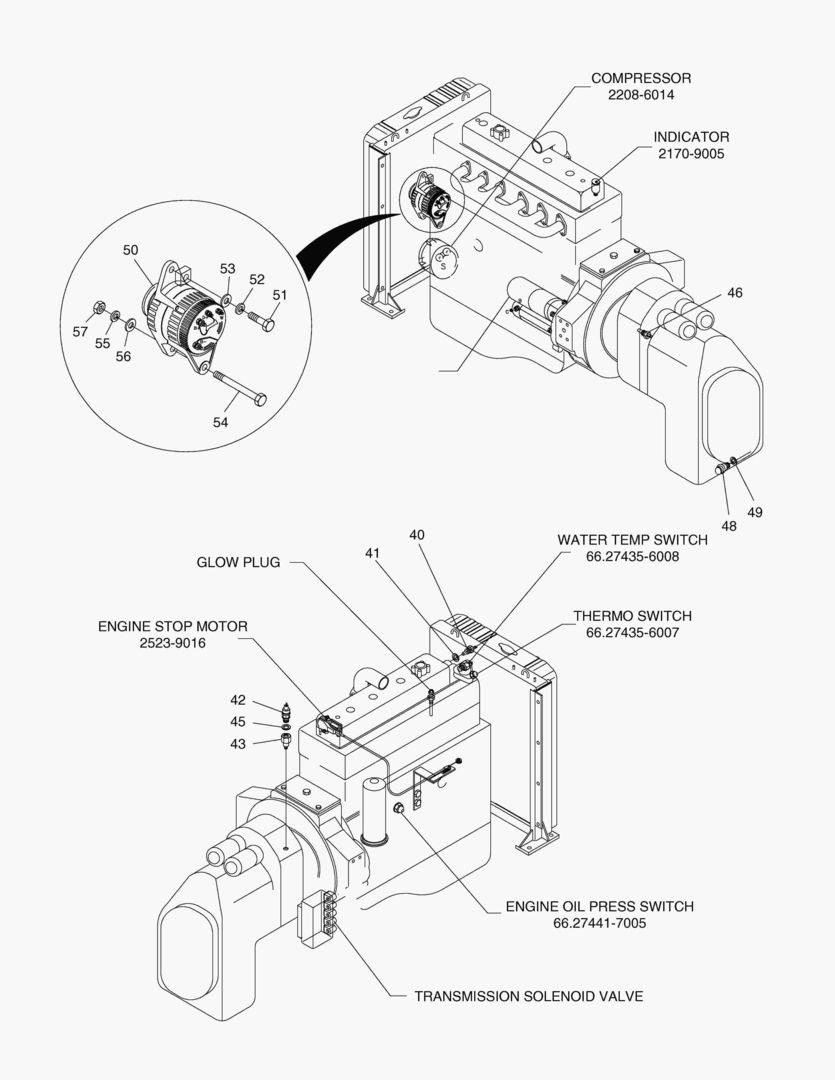
1575 ALTERNATOR [1157~]

1575 ALTERNATOR [1157~]

1Артикул: 2502-9009, ALTERNATOR(50A)
2Артикул: 0-35100-0300, ROTOR ASS`Y
3Артикул: 1-33923-0790, . COLLAR
Подробнее >
1251 STEERING PIPING [1069~]

1251 STEERING PIPING [1069~]

1Артикул: 4400-2069, STEERING PIPING
2Артикул: 4420-9199, VALVE;CUSHION
3Артикул: 420-00172, VALVE;CUSHION
Подробнее >
ЭЛЕКТРИЧЕСКИЕ ЗАПЧАСТИ(1)-ЭЛЕКТРОШКАФ

ЭЛЕКТРИЧЕСКИЕ ЗАПЧАСТИ(1)-ЭЛЕКТРОШКАФ

1Артикул: 4500-1218, ELECTRIC BOX
2Артикул: 4500-1218B, ELECTRIC BOX
3Артикул: 4500-1218C, ELECTRIC BOX
Подробнее >
ЭЛЕКТРОПРОВОДКА(1)-АККУМУЛЯТОР

ЭЛЕКТРОПРОВОДКА(1)-АККУМУЛЯТОР

1Артикул: 4500-1221, ELECTRIC PARTS(3)
2Артикул: 1550-1004, TERMINAL;BATTERY(+)
3Артикул: 2550-1014D1, TERMINAL,BATTERY(+)
Подробнее >
ВЕНТИЛЯЦИОННАЯ УСТАНОВКА

ВЕНТИЛЯЦИОННАЯ УСТАНОВКА

1Артикул: 4920-1049B, A.H.U ASS`Y
2Артикул: 4920-1049E, A.H.U ASS`Y
3Артикул: 2920-9031B, UNIT;AIR HANDLING
Подробнее >
КРЫШКА В СБОРЕ - ИЗ СТАЛИ

КРЫШКА В СБОРЕ - ИЗ СТАЛИ

1Артикул: 4197-2073F1B, CONTROL STAND ASS`Y
2Артикул: 4197-2073F1C, CONTROL STAND ASS`Y
3Артикул: 4197-2073F1E, CONTROL STAND ASS`Y
Подробнее >
ПРОТИВОВЕС и АККУМУЛЯТОРНАЯ КОРОБКА

ПРОТИВОВЕС и АККУМУЛЯТОРНАЯ КОРОБКА

1Артикул: 4600-1123, REAR END ASS`Y
2Артикул: 4624-4012E, COUNTER;WEIGHT
3Артикул: 4624-4012G, COUNTER;WEIGHT
Подробнее >
ЭЛЕКТРИЧЕСКИЕ ЗАПЧАСТИ(7)-ФРОНТАЛЬНЫЕ ЧАСТИ

ЭЛЕКТРИЧЕСКИЕ ЗАПЧАСТИ(7)-ФРОНТАЛЬНЫЕ ЧАСТИ

1Артикул: 4500-1220, ELECTRIC PARTS(2)
2Артикул: 2516-9015, HORN(H.F)
3Артикул: 2516-9016, HORN(L.F)
Подробнее >
1360 CAB(1) [1001~1068]

1360 CAB(1) [1001~1068]

1Артикул: 4622-4039G, CABIN ASS`Y
2Артикул: 4622-4034G, CABIN BODY
3Артикул: 4195-4850A, SUPPORT
Подробнее >
1396 SEAT [1106~]

1396 SEAT [1106~]

1Артикул: 4901-9036, SEAT
2Артикул: 175932, UPPER ASS`Y
3Артикул: 175933, BACK COVER
Подробнее >
ЛИСТ НАСТИЛА - ИЗ СТАЛИ

ЛИСТ НАСТИЛА - ИЗ СТАЛИ

1Артикул: 4197-2073F1B, CONTROL STAND ASS`Y
2Артикул: 4197-2073F1C, CONTROL STAND ASS`Y
3Артикул: 4197-2073F1E, CONTROL STAND ASS`Y
Подробнее >
1211 CONTROL VALVE PIPING-2 SPOOL(TOSHIBA) [1141~]

1211 CONTROL VALVE PIPING-2 SPOOL(TOSHIBA) [1141~]

1Артикул: 4400-2050F1, CONTROL VALVE PIPING
2Артикул: 4182-1713A, PIPE
3Артикул: 4182-1714A, PIPE
Подробнее >
ПУЛЬТ УПРАВЛЕНИЯ - ИЗ СТАЛИ

ПУЛЬТ УПРАВЛЕНИЯ - ИЗ СТАЛИ

1Артикул: 4197-2073F1B, CONTROL STAND ASS`Y
2Артикул: 4197-2073F1C, CONTROL STAND ASS`Y
3Артикул: 4197-2073F1E, CONTROL STAND ASS`Y
Подробнее >
1230 PILOT PIPING-2 SPOOL STD. [1001~1140]

1230 PILOT PIPING-2 SPOOL STD. [1001~1140]

1Артикул: 4400-1959F1, PILOT PIPING ASS`Y(STD.)
2Артикул: 4420-9443, PILOT VALVE
3Артикул: 4420-1263, VALVE;REMOCON
Подробнее >
1267 BRAKE PIPING-LOCAL AXLE [1240~]

1267 BRAKE PIPING-LOCAL AXLE [1240~]

1Артикул: 400-00095, BRAKE PIPING
2Артикул: 4420-9455A, BRAKE VALVE
3Артикул: 4474-9061, PILOT FILTER
Подробнее >
1320 CONTROL STAND-FOR ROPS CABIN [1001~1068]

1320 CONTROL STAND-FOR ROPS CABIN [1001~1068]

1Артикул: 4197-2271C, CONTROL STAND ASS`Y
2Артикул: 4195-3983E, SUPPORT ASS`Y
3Артикул: 4195-3981E, . SUPPORT
Подробнее >
1261 BRAKE PIPING [1276~]

1261 BRAKE PIPING [1276~]

1Артикул: 4400-1957F1, BRAKE PIPING
2Артикул: 4420-9455A, BRAKE VALVE
3Артикул: 420-00231B, BRAKE & PILOT SUPPLY VALVE
Подробнее >
КРЫШКА ДВИГАТЕЛЯ

КРЫШКА ДВИГАТЕЛЯ

1Артикул: 4622-1456, ENGINE COVER
2Артикул: 4622-1459B, DOOR(R.H.)
3Артикул: 4622-1459C, DOOR(R.H.)
Подробнее >
КРЫЛО В СБОРЕ-ДЛЯ ЕВРОПЫ

КРЫЛО В СБОРЕ-ДЛЯ ЕВРОПЫ

1Артикул: 621-01125, FENDER ASS`Y
2Артикул: 621-01128, FENDER;FULL(R.H)
3Артикул: 621-01131, FENDER;FULL(L.H)
Подробнее >
1241 PILOT PIPING-3 SPOOL OPT.(TOSHIBA) [1141~]

1241 PILOT PIPING-3 SPOOL OPT.(TOSHIBA) [1141~]

1Артикул: 4400-2052F2, PILOT PIPING ASS`Y(OPT.)
2Артикул: 4420-1263, VALVE;REMOCON
3Артикул: 426-00105, VALVE;REMOCON
Подробнее >
ЭЛЕКТРИЧЕСКИЕ ЗАПЧАСТИ(4)-КАБИНА

ЭЛЕКТРИЧЕСКИЕ ЗАПЧАСТИ(4)-КАБИНА

1Артикул: 4500-1219, ELECTRIC PARTS(1)
2Артикул: 2538-9005, MOTOR;WIPER
3Артикул: S3450833, SCREW
Подробнее >
1250 STEERING PIPING [1001~1068]

1250 STEERING PIPING [1001~1068]

1Артикул: 4400-1956, STEERING PIPING
2Артикул: 4182-1727, PIPE
3Артикул: 4182-1728, PIPE
Подробнее >
1330 FRONT PANEL ASS`Y-FOR ROPS CABIN [1001~1068]

1330 FRONT PANEL ASS`Y-FOR ROPS CABIN [1001~1068]

1Артикул: 4197-2271C, CONTROL STAND ASS`Y
2Артикул: S0508853, BOLT;M8X1.25X20
3Артикул: S5102503, WASHER
Подробнее >
ЭЛЕКТРИЧЕСКИЕ ЗАПЧАСТИ-CE ОПЦИЯ

ЭЛЕКТРИЧЕСКИЕ ЗАПЧАСТИ-CE ОПЦИЯ

1Артикул: 4500-1245, ELECTRIC PARTS-OPT
2Артикул: 2534-1141, LAMP;HEAD
3Артикул: 2534-1141A, LAMP;HEAD
Подробнее >
1180 AXLE & DRIVE SHAFT-OPT.

1180 AXLE & DRIVE SHAFT-OPT.

1Артикул: 4211-1011F4, AXLE & DRIVE SHAFT ASS`Y
2Артикул: 4211-9046, AXLE;REAR
3Артикул: 4197-2042B, PIVOT BEARING;REAR
Подробнее >
1310 FLOOR PLATE-FOR ROPS CABIN [1001~1068]

1310 FLOOR PLATE-FOR ROPS CABIN [1001~1068]

1Артикул: 4197-2271C, CONTROL STAND ASS`Y
2Артикул: 2901-9026, SEAT
3Артикул: 4512-1106C, ELECTRIC BOX ASS`Y
Подробнее >
ТРУБОПРОВОД СМАЗОЧНОЙ СИСТЕМЫ-ЛОКАЛЬНАЯ ОСЬ

ТРУБОПРОВОД СМАЗОЧНОЙ СИСТЕМЫ-ЛОКАЛЬНАЯ ОСЬ

1Артикул: 4400-1961F2, PIPING;LUBRICATION REAR AXLE PIVOTS
2Артикул: S0508753, BOLT
3Артикул: S5102503, WASHER
Подробнее >
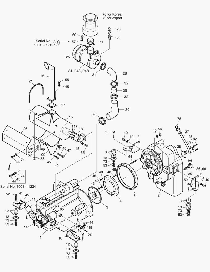
1110 ENGINE & TRANSMISSION

1110 ENGINE & TRANSMISSION

1Артикул: 4201-1083, ENGINE & TRANSMISSION
2Артикул: 4201-9074, ENGINE-DB58T
3Артикул: 4210-9012, TRANSMISSION
Подробнее >
1155 AXLE & DRIVE SHAFT-LOCAL AXLE

1155 AXLE & DRIVE SHAFT-LOCAL AXLE

1Артикул: 4211-1011F5, AXLE & DRIVE SHAFT ASS`Y
2Артикул: S0571561, BOLT M20X2.5X140
3Артикул: 4114-4116, WASHER;HARD M20
Подробнее >
1440 CAB(2) - STEEL [1069~]

1440 CAB(2) - STEEL [1069~]

1Артикул: 4622-1474E, CABIN ASS`Y
2Артикул: 4622-1474G, CABIN ASS`Y
3Артикул: 4622-1474H, CABIN ASS`Y
Подробнее >
ПРОБЛЕСКОВЫЙ МАЯЧОК-ОПЦИЯ

ПРОБЛЕСКОВЫЙ МАЯЧОК-ОПЦИЯ

1Артикул: 4534-1170, ROTATING BEACON
2Артикул: 2549-9098, SWITCH;ROCKER
3Артикул: 2190-2036D10, INSERT;ROTATING BEACON
Подробнее >
1220 CONTROL VALVE PIPING-3 SPOOL OPT. [1001~1140]

1220 CONTROL VALVE PIPING-3 SPOOL OPT. [1001~1140]

1Артикул: 4400-1939F2, CONTROL VALVE PIPING(OPT)
2Артикул: 4182-1713A, PIPE
3Артикул: 4182-1714A, PIPE
Подробнее >
ЭЛЕКТРИЧЕСКИЕ ЗАПЧАСТИ(5)-АККУМУЛЯТОР

ЭЛЕКТРИЧЕСКИЕ ЗАПЧАСТИ(5)-АККУМУЛЯТОР

1Артикул: 4500-1220, ELECTRIC PARTS(2)
2Артикул: 2506-1104, BATTERY
3Артикул: 506-00002, BATTERY 100AH
Подробнее >
1150 AXLE & DRIVE SHAFT-STD.

1150 AXLE & DRIVE SHAFT-STD.

1Артикул: 4211-1011F1, AXLE & DRIVE SHAFT ASS`Y
2Артикул: 4211-9045, AXLE;FRONT
3Артикул: 4211-9046, AXLE;REAR
Подробнее >
РЕЗЕРВУАР ДЛЯ МАСЛА

РЕЗЕРВУАР ДЛЯ МАСЛА

1Артикул: 4470-2110, OIL TANK ASS`Y
2Артикул: 4470-2109B, TANK;OIL
3Артикул: 2474-9008, ELEMENT;FILTER
Подробнее >
1260 BRAKE PIPING [1001~1275]

1260 BRAKE PIPING [1001~1275]

1Артикул: 4400-1957, BRAKE PIPING
2Артикул: 4400-1957F1, BRAKE PIPING
3Артикул: 4420-9455A, BRAKE VALVE
Подробнее >
ПЕРЕДНЯЯ ПАНЕЛЬ В СБОРЕ - ИЗ СТАЛИ

ПЕРЕДНЯЯ ПАНЕЛЬ В СБОРЕ - ИЗ СТАЛИ

1Артикул: 4197-2073F1B, CONTROL STAND ASS`Y
2Артикул: 4197-2073F1C, CONTROL STAND ASS`Y
3Артикул: 4197-2073F1E, CONTROL STAND ASS`Y
Подробнее >
ЭЛЕКТРОПРОВОДКА(4)-ПЕРЕДНЯЯ РАМА

ЭЛЕКТРОПРОВОДКА(4)-ПЕРЕДНЯЯ РАМА

1Артикул: 4500-1221, ELECTRIC PARTS(3)
2Артикул: 4530-1697, HARNESS;FRONT FRAME
3Артикул: 4530-1697A, HARNESS;FRONT FRAME
Подробнее >
ЭЛЕКТРИЧЕСКИЕ ЗАПЧАСТИ(3)-КОРОБКА ПЕРЕКЛЮЧАТЕЛЕЙ

ЭЛЕКТРИЧЕСКИЕ ЗАПЧАСТИ(3)-КОРОБКА ПЕРЕКЛЮЧАТЕЛЕЙ

1Артикул: 4500-1219, ELECTRIC PARTS(1)
2Артикул: 2549-1136, SWITCH;STARTER
3Артикул: 2172-1082, . KEY;STARTER SWITCH
Подробнее >
1170 AXLE & DRIVE SHAFT-OPT.

1170 AXLE & DRIVE SHAFT-OPT.

1Артикул: 4211-1011F3, AXLE & DRIVE SHAFT ASS`Y
2Артикул: 4211-9045, AXLE;FRONT
3Артикул: 4211-9046, AXLE;REAR
Подробнее >
1160 AXLE & DRIVE SHAFT-OPT.

1160 AXLE & DRIVE SHAFT-OPT.

1Артикул: 4211-1011F2, AXLE & DRIVE SHAFT ASS`Y
2Артикул: 4211-9045, AXLE;FRONT
3Артикул: 4211-9046, AXLE;REAR
Подробнее >
1450 CAB(3) - STEEL [1069~]

1450 CAB(3) - STEEL [1069~]

1Артикул: 4622-1474E, CABIN ASS`Y
2Артикул: 4622-1474G, CABIN ASS`Y
3Артикул: 4622-1474H, CABIN ASS`Y
Подробнее >
УПРАВЛЕНИЕ ДВИГАТЕЛЕМ

УПРАВЛЕНИЕ ДВИГАТЕЛЕМ

1Артикул: 4201-1089, ENGINE CONTROL
2Артикул: 4134-9401, PEDAL ASS`Y
3Артикул: S0504853, BOLT;M6X1.0X20
Подробнее >
1395 SEAT [1001~1105]

1395 SEAT [1001~1105]

1Артикул: 2901-9026, SEAT
2Артикул: 172526, HEAD REST
3Артикул: 172517, SEAT UPPER
Подробнее >
1221 CONTROL VALVE PIPING-3 SPOOL(TOSHIBA) [1141~]

1221 CONTROL VALVE PIPING-3 SPOOL(TOSHIBA) [1141~]

1Артикул: 4400-2050F2, CONTROL VALVE PIPING
2Артикул: 4182-1713A, PIPE
3Артикул: 4182-1714A, PIPE
Подробнее >
1200 MAIN PIPING

1200 MAIN PIPING

1Артикул: 4400-1946, MAIN PIPING
2Артикул: 4401-9423A, PUMP;MAIN
3Артикул: 4420-9555, UNIT;STEERING
Подробнее >
1100 FRAME

1100 FRAME

1Артикул: 4600-1100, FRAME ASS`Y
2Артикул: 4606-1015B, FRAME;REAR
3Артикул: 4606-1015C, FRAME;REAR
Подробнее >
1340 COVER ASS`Y-FOR ROPS CABIN [1001~1068]

1340 COVER ASS`Y-FOR ROPS CABIN [1001~1068]

1Артикул: 4197-2271C, CONTROL STAND ASS`Y
2Артикул: 2125-1082, CASE;LOWER
3Артикул: 2125-1081, CASE;UPPER
Подробнее >
ПОДДЕРЖКА ПЕРЕДНЕЙ ЛАМПЫ

ПОДДЕРЖКА ПЕРЕДНЕЙ ЛАМПЫ

1Артикул: 4197-2464, FRONT LAMP SUPPORT
2Артикул: 4197-2462, SUPPORT(R.H.)
3Артикул: 4197-2462A, SUPPORT(R.H.)
Подробнее >
1231 PILOT PIPING-2 SPOOL STD.(TOSHIBA) [1141~]

1231 PILOT PIPING-2 SPOOL STD.(TOSHIBA) [1141~]

1Артикул: 4400-2052F1, PILOT PIPING ASS`Y
2Артикул: 4420-1263, VALVE;REMOCON
3Артикул: 426-00105, VALVE;REMOCON
Подробнее >
1430 CAB(1) - STEEL [1069~]

1430 CAB(1) - STEEL [1069~]

1Артикул: 4622-1474E, CABIN ASS`Y
2Артикул: 4622-1474G, CABIN ASS`Y
3Артикул: 4622-1474H, CABIN ASS`Y
Подробнее >