+7 (701) 588 50 05 Телефон для связи
RU

WhatsApp

Позвонить

10 КОРПУСНЫЕ ДЕТАЛИ в Алматы

ГИДРОСИСТЕМА ТОРМОЗОВ(2)

ГИДРОСИСТЕМА ТОРМОЗОВ(2)

1Артикул: 420212-00314, BRAKE PIPING
2Артикул: K1028004, VALVE;BRAKE SUPPLY
3Артикул: 2471-9062, FILTER;PILOT
Подробнее >
ТРУБОПРОВОД СЕРВОУПРАВЛЕНИЯ(8) - 2 ПУТИ

ТРУБОПРОВОД СЕРВОУПРАВЛЕНИЯ(8) - 2 ПУТИ

1Артикул: K1036501A, PILOT PIPING;2 WAY
2Артикул: 422-00010A, VALVE;SOLENOID
3Артикул: K9001354, . SPOOL,SOLENOID
Подробнее >
ПАТРУБКИ РУЛЕВОГО УПРАВЛЕНИЯ

ПАТРУБКИ РУЛЕВОГО УПРАВЛЕНИЯ

1Артикул: K1037674B, STEERING PIPING
2Артикул: 420212-00775, PIPING,STEERING
3Артикул: 2181-1126D6, ADAPTER
Подробнее >
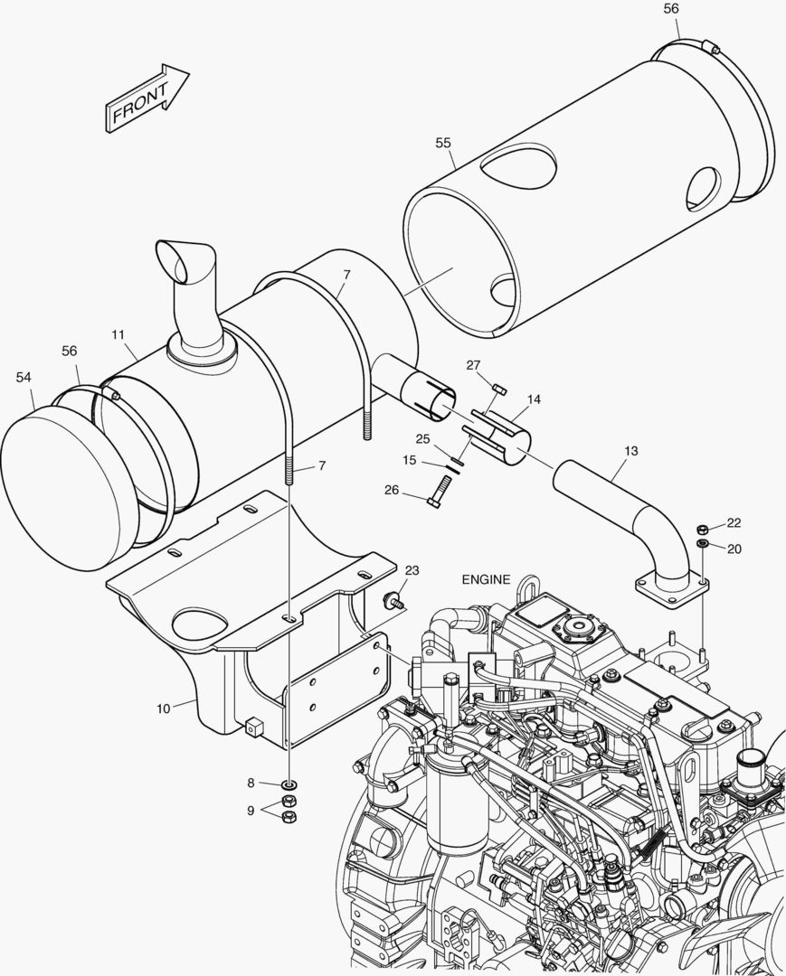
1150 MUFFLER

1150 MUFFLER

1Артикул: K1026239K, ENGINE MOUNTING ASS`Y
2Артикул: K1042600, BOLT;U
3Артикул: 2114-1058D45, WASHER
Подробнее >
ТРУБОПРОВОД СЕРВОУПРАВЛЕНИЯ(6)

ТРУБОПРОВОД СЕРВОУПРАВЛЕНИЯ(6)

1Артикул: K1036671A, PIPING,PILOT
2Артикул: 420212-00594A, PIPING,PILOT
3Артикул: K1027929, VALVE,JOYSTICK;LH
Подробнее >
1630 SUPPORT & BONNET ASS`Y

1630 SUPPORT & BONNET ASS`Y

1Артикул: K1055429, ARCH & BONNET
2Артикул: 110501-00030, ARCH & BONNET ASSY
3Артикул: K1037717B, SUPPORT ASS`Y
Подробнее >
ОБТЕКАЕМАЯ ПОДКУЗОВНАЯ ПАНЕЛЬ

ОБТЕКАЕМАЯ ПОДКУЗОВНАЯ ПАНЕЛЬ

1Артикул: K1055430, UNDER COVER ASS`Y
2Артикул: DS0025002, BOLT;SET
3Артикул: S0508566, BOLT
Подробнее >
1380 BOOM SWING

1380 BOOM SWING

1Артикул: 160620-00082, BOOM SWING ASS`Y
2Артикул: K1027301, PIN
3Артикул: 2123-2335B, PIN
Подробнее >
ПУЛЬТ УПРАВЛЕНИЯ - ПРАВОСТОРОННИЙ

ПУЛЬТ УПРАВЛЕНИЯ - ПРАВОСТОРОННИЙ

1Артикул: K1026614E, CONTROL STAND(R.H)
2Артикул: K1030746E, BRACKET;STAND(R.H)
3Артикул: K1026130C, CASE;LOWER
Подробнее >
ЭЛЕКТРИЧЕСКИЕ ЗАПЧАСТИ - КАБИНА

ЭЛЕКТРИЧЕСКИЕ ЗАПЧАСТИ - КАБИНА

1Артикул: 300619-00064, ELECTRIC PARTS;CABIN
2Артикул: 300619-00064A, ELECTRIC ASSY;CABIN
3Артикул: K1026074A, CONTROL UNIT(12V)
Подробнее >
ТРУБОПРОВОД СЕРВОУПРАВЛЕНИЯ(4) - ПОВОРОТ СТРЕЛЫ

ТРУБОПРОВОД СЕРВОУПРАВЛЕНИЯ(4) - ПОВОРОТ СТРЕЛЫ

1Артикул: K1051247A, PILOT PIPING
2Артикул: 2181-1126D14, ADAPTER
3Артикул: 2181-1126D34, ADAPTER
Подробнее >
ОПОРА НАСОСА

ОПОРА НАСОСА

1Артикул: K1026428, PUMP MOUNTING
2Артикул: 229-00010B, COVER,PUMP
3Артикул: 401-00358B, PUMP;MAIN
Подробнее >
1550 SEAT

1550 SEAT

1Артикул: K1030598, SEAT
2Артикул: K9005688, SUSPENSION
3Артикул: K9005689, REST;HEAD
Подробнее >
ЗАДНЯЯ КРЫШКА - ТРУБОПРОВОД

ЗАДНЯЯ КРЫШКА - ТРУБОПРОВОД

1Артикул: K1026133E, REAR COVER
2Артикул: K1026134C, COVER;REAR(L.H)
3Артикул: K1028405C, COVER;PILLAR
Подробнее >
УПРАВЛЕНИЕ ДВИГАТЕЛЕМ

УПРАВЛЕНИЕ ДВИГАТЕЛЕМ

1Артикул: K1051417, ENGINE CONTROL
2Артикул: K1007119, PEDAL;ACCELERATOR
3Артикул: K1045016A, VALVE,PEDAL
Подробнее >
КОЛОНКА В СБОРЕ

КОЛОНКА В СБОРЕ

1Артикул: K9006379, COLUMN;STEERING
2Артикул: K9002298, NUT
3Артикул: K9002299, WASHER
Подробнее >
РУЛЬ В СБОРЕ

РУЛЬ В СБОРЕ

1Артикул: 190203-00001, STEERING WHEEL ASS`Y
2Артикул: K1029046B, COLUMN;STEERING
3Артикул: 190109-00013, COLUMN ASSY,STEERING
Подробнее >
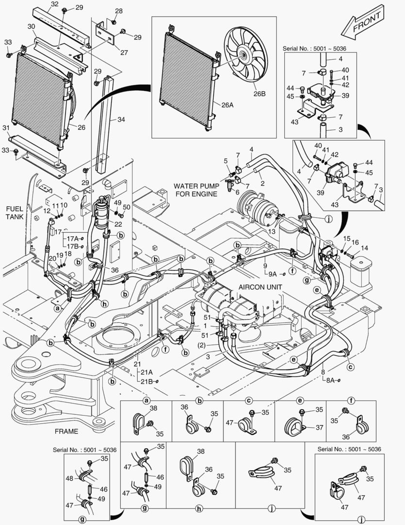
ОПОРТНЫЙ УЗЕЛ РАДИАТОРА

ОПОРТНЫЙ УЗЕЛ РАДИАТОРА

1Артикул: K1026239K, ENGINE MOUNTING ASS`Y
2Артикул: 150109-00149, ENGINE ASSY
3Артикул: K1027714A, FAN;COOLING
Подробнее >
РУЛЕВАЯ КОЛОНКА В СБОРЕ

РУЛЕВАЯ КОЛОНКА В СБОРЕ

1Артикул: K1029046B, COLUMN;STEERING
2Артикул: 190109-00013, COLUMN ASSY,STEERING
3Артикул: K9006368, PANEL
Подробнее >
1500 CABIN(3)

1500 CABIN(3)

1Артикул: K1029926H-C, CABIN ASS`Y
2Артикул: K1026161C-B, SLIDE DOOR ASS`Y
3Артикул: -, . FRAME;SLIDE DOOR
Подробнее >
ГИДРОСИСТЕМА ТОРМОЗОВ(1)

ГИДРОСИСТЕМА ТОРМОЗОВ(1)

1Артикул: K1051427, BRAKE PIPING
2Артикул: 420212-00617, PIPING,BRAKE
3Артикул: K1027055, VALVE;BRAKE PEDAL
Подробнее >
ТРУБОПРОВОД СЕРВОУПРАВЛЕНИЯ(3)

ТРУБОПРОВОД СЕРВОУПРАВЛЕНИЯ(3)

1Артикул: K1051246A, PILOT PIPING
2Артикул: S5102303, WASHER
3Артикул: S0553863, BOLT
Подробнее >
1160 AIR CLEANER

1160 AIR CLEANER

1Артикул: K1042617B, AIR CLEANER ASS`Y
2Артикул: 400414-00050, CLEANER ASSY,AIR
3Артикул: 204-00030, CLEANER;AIR
Подробнее >
ЭЛЕКТРИЧЕСКИЕ ЗАПЧАСТИ - СОПРЯЖЕННЫЕ ДЕТАЛИ

ЭЛЕКТРИЧЕСКИЕ ЗАПЧАСТИ - СОПРЯЖЕННЫЕ ДЕТАЛИ

1Артикул: K1055540, ELECTRIC;CHASSIS
2Артикул: 300619-00121, ELECTRIC ASSY
3Артикул: 300619-00121A, ELECTRIC ASSY;CHASSIS
Подробнее >
ЭЛЕКТРИЧЕСКИЕ ЗАПЧАСТИ - ПУЛЬТ УПРАВЛЕНИЯ

ЭЛЕКТРИЧЕСКИЕ ЗАПЧАСТИ - ПУЛЬТ УПРАВЛЕНИЯ

1Артикул: K1055528, STAND ELECTRIC PARTS
2Артикул: 300619-00356, ELECTRIC ASSY,STAND
3Артикул: K1029701A, HARNESS;CONTROL STAND(L.H)
Подробнее >
ТРУБОПРОВОД СЕРВОУПРАВЛЕНИЯ - ГИДРОЗАМОК

ТРУБОПРОВОД СЕРВОУПРАВЛЕНИЯ - ГИДРОЗАМОК

1Артикул: K1036864B, PILOT PIPING;LOCK VALVE
2Артикул: 2181-1951D1, TEE
3Артикул: 2181-1951D14, TEE
Подробнее >
1110 COUNTER WEIGHT

1110 COUNTER WEIGHT

1Артикул: K1054036, COUNTER WEIGHT ASS`Y
2Артикул: K1026957B-N, WEIGHT;COUNTER
3Артикул: K1027730-N, PLATE
Подробнее >
1730 WORKING LAMP

1730 WORKING LAMP

1Артикул: K1055541, WORKING LAMP
2Артикул: 300619-00357, ELECTRIC ASSY;WORKING LAMP
3Артикул: K1036398, HARNESS;WORK LAMP
Подробнее >
ТРУБОПРОВОД СЕРВОУПРАВЛЕНИЯ(1)

ТРУБОПРОВОД СЕРВОУПРАВЛЕНИЯ(1)

1Артикул: K1051246A, PILOT PIPING
2Артикул: S5102503, WASHER
3Артикул: 2181-1126D14, ADAPTER
Подробнее >
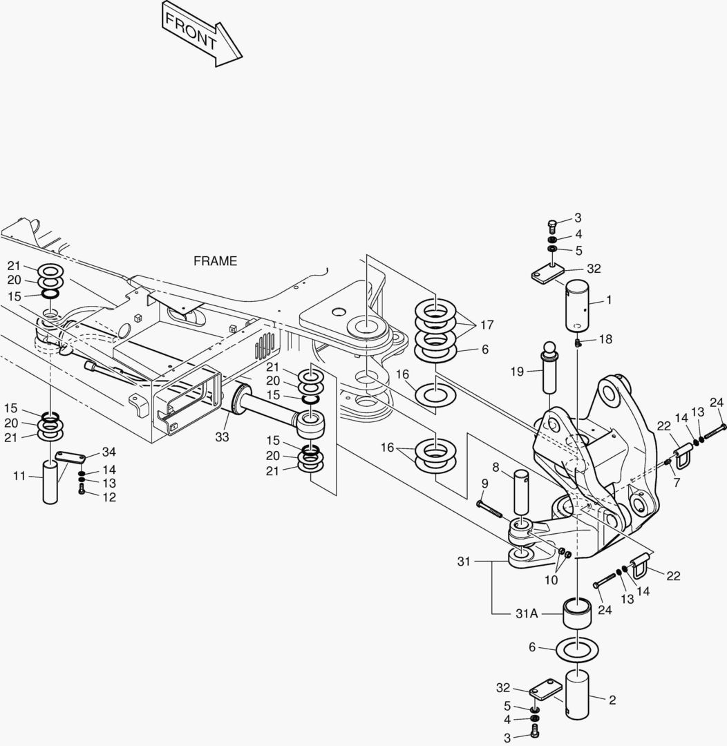
1100 MAIN FRAME

1100 MAIN FRAME

1Артикул: 160620-00081, SWING BODY
2Артикул: 2160-1004D13, BUSHING
3Артикул: 2160-1201D14, BUSHING
Подробнее >
ОСНОВАНИЕ СИДЕНЬЯ

ОСНОВАНИЕ СИДЕНЬЯ

1Артикул: K1026443E, OPERATOR SEAT BASE
2Артикул: K1026125A, BRACKET;SEAT MOUNT
3Артикул: K1040096, RAIL
Подробнее >
ПУЛЬТ УПРАВЛЕНИЯ - ЛЕВОСТОРОННИЙ

ПУЛЬТ УПРАВЛЕНИЯ - ЛЕВОСТОРОННИЙ

1Артикул: K1026613H, CONTROL STAND(L.H)
2Артикул: K1027869H, BRACKET;STAND(L.H)
3Артикул: K1026129C, CASE;UPPER(L.H)
Подробнее >
ГИДРОСИСТЕМА ТОРМОЗОВ(3)

ГИДРОСИСТЕМА ТОРМОЗОВ(3)

1Артикул: K1051459, BRAKE PIPING;2 WAY
2Артикул: DS2093006, HOSE
3Артикул: K1028003A, VALVE;PILOT SUPPLY
Подробнее >
КОНДИЦИОНЕР - ШАССИ

КОНДИЦИОНЕР - ШАССИ

1Артикул: K1055542, VENTILATION;CHASSIS
2Артикул: 440213-00073, VENTILATION ASSY;CHASSIS
3Артикул: 440213-00073A, VENTILATION ASSY;CHASSIS
Подробнее >
ЛИСТ НАСТИЛА - ЗАДНИЙ

ЛИСТ НАСТИЛА - ЗАДНИЙ

1Артикул: K1036577B, FLOOR PLATE ASS`Y
2Артикул: 250106-00045, PLATE ASSY,FLOOR
3Артикул: 250106-00045A, PLATE ASSY,FLOOR
Подробнее >
ТРУБОПРОВОД СЕРВОУПРАВЛЕНИЯ(7)

ТРУБОПРОВОД СЕРВОУПРАВЛЕНИЯ(7)

1Артикул: K1036855, PILOT PIPING
2Артикул: 420212-01149, PIPING,PILOT;BOOM SWING
3Артикул: DS2094283, HOSE ASSY,HYDRAULIC
Подробнее >
УСТАНОВКА КАБИНЫ

УСТАНОВКА КАБИНЫ

1Артикул: K1026093A, CABIN MOUNTING
2Артикул: 161-00284, RUBBER;CABIN MOUNTING
3Артикул: 120-00255, BOLT
Подробнее >
1480 CABIN(1)

1480 CABIN(1)

1Артикул: K1029926H-C, CABIN ASS`Y
2Артикул: -, BODY;CABIN
3Артикул: K1026102C, SASH ASS`Y(R.H)
Подробнее >
КОМПРЕССОР - КОНДИЦИОНЕР

КОМПРЕССОР - КОНДИЦИОНЕР

1Артикул: K1055472, COMPRESSOR MOUNTING
2Артикул: 2208-6012B, COMPRESSOR ASS`Y
3Артикул: K1012818A, PULLEY ASS`Y;IDLE
Подробнее >
КРЫШКА АККУМУЛЯТОРА

КРЫШКА АККУМУЛЯТОРА

1Артикул: K1055429, ARCH & BONNET
2Артикул: 110501-00030, ARCH & BONNET ASSY
3Артикул: DS0025032, BOLT
Подробнее >
ТРУБОПРОВОД СМАЗОЧНОЙ СИСТЕМЫ

ТРУБОПРОВОД СМАЗОЧНОЙ СИСТЕМЫ

1Артикул: K1037558A, LUBRICATION PIPING
2Артикул: 2181-1110D30, ADAPTER
3Артикул: DS2093197, HOSE
Подробнее >
ТРУБОПРОВОД СЕРВОУПРАВЛЕНИЯ(5)

ТРУБОПРОВОД СЕРВОУПРАВЛЕНИЯ(5)

1Артикул: K1036671A, PIPING,PILOT
2Артикул: 420212-00594A, PIPING,PILOT
3Артикул: K1027928, VALVE,JOYSTICK(R.H)
Подробнее >
ТУБОПРОВОД МАСЛЯНОГО РАДИАТОРА(1)

ТУБОПРОВОД МАСЛЯНОГО РАДИАТОРА(1)

1Артикул: K1055365, OIL COOLER PIPING
2Артикул: S8000141, O-RING
3Артикул: S8000181, O-RING
Подробнее >
1680 SIDE MIRROR

1680 SIDE MIRROR

1Артикул: K1055431, SIDE MIRROR
2Артикул: K1040606, MIRROR,SIDE
3Артикул: K1013269-N, STAY;MIRROR
Подробнее >
АКУСТИЧЕСКАЯ НОПЛАСТОВАЯ ИЗОЛЯЦИЯ

АКУСТИЧЕСКАЯ НОПЛАСТОВАЯ ИЗОЛЯЦИЯ

1Артикул: K1051071, ACOUSTIC FOAM
2Артикул: 180102-00091, FOAM ASSY,ACOUSTIC
3Артикул: K1029215B, FOAM
Подробнее >
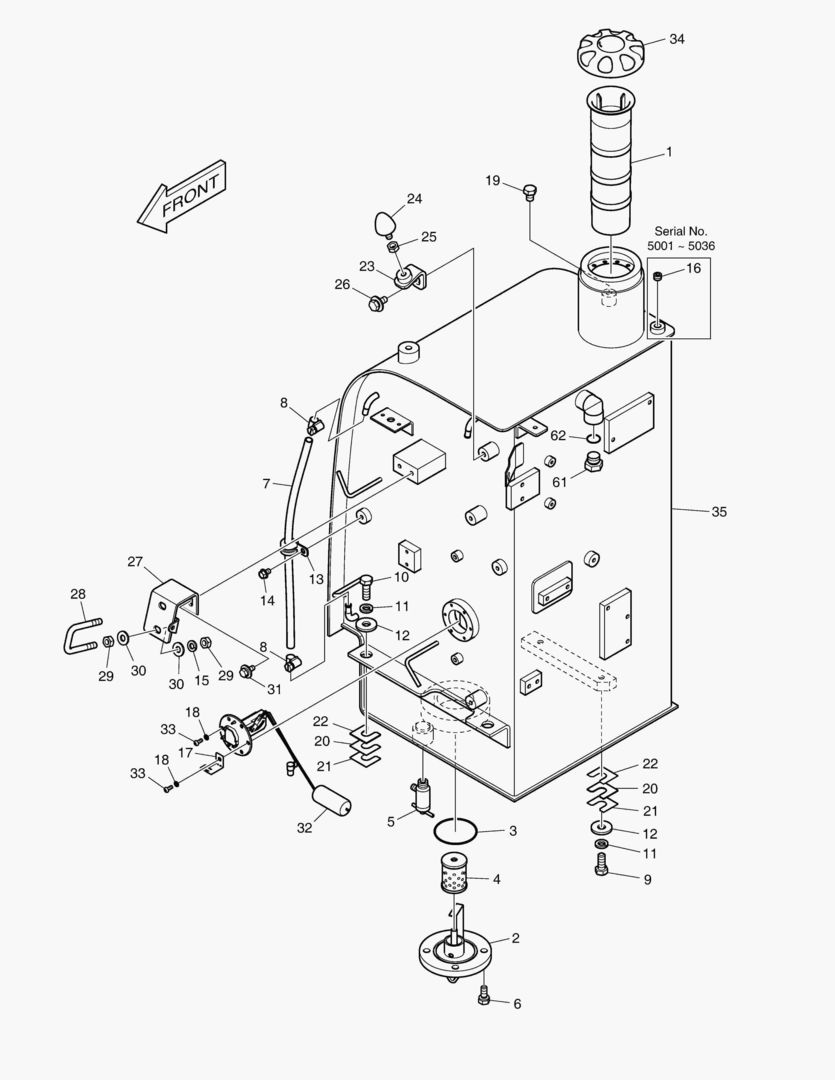
1180 FUEL TANK

1180 FUEL TANK

1Артикул: K1055358, FUEL TANK ASS`Y
2Артикул: 450103-00039, TANK ASSY,FUEL
3Артикул: 471-00105A, FILTER,FUEL STRAINER
Подробнее >
КРЫШКИ ЛОТКА

КРЫШКИ ЛОТКА

1Артикул: K1027437C, BAFFLE COVER ASS`Y
2Артикул: 110901-00011, BAFFLE ASSY
3Артикул: K1029174B, COVER;BAFFLE
Подробнее >
ГЛАВНАЯ МАГИСТРАЛЬ(6) - 2 ПУТИ

ГЛАВНАЯ МАГИСТРАЛЬ(6) - 2 ПУТИ

1Артикул: K1055371, MAIN PIPING;2WAY
2Артикул: 420212-00816, MAIN PIPING,TWO WAY
3Артикул: 420-00291, VALVE,SWITCH
Подробнее >
ГЛАВНАЯ МАГИСТРАЛЬ(7)

ГЛАВНАЯ МАГИСТРАЛЬ(7)

1Артикул: K1037593B, MAIN PIPING;QUICK CLAMP
2Артикул: K1037569, BLOCK
3Артикул: 2181-1126D14, ADAPTER
Подробнее >
1510 CABIN(4)

1510 CABIN(4)

1Артикул: K1029926H-C, CABIN ASS`Y
2Артикул: 534-00051, LAMP,ROOM
3Артикул: 2515-1021D6, . BULB
Подробнее >
ГИДРОМОТОР ПОВОРОТА ПЛАТФОРМЫ

ГИДРОМОТОР ПОВОРОТА ПЛАТФОРМЫ

1Артикул: K1037626A, SWING DEVICE ASS`Y
2Артикул: K1026305B, MOTOR;SWING
3Артикул: S0521666, BOLT
Подробнее >
ГЛАВНАЯ МАГИСТРАЛЬ(5) - ПОВОРОТ СТРЕЛЫ

ГЛАВНАЯ МАГИСТРАЛЬ(5) - ПОВОРОТ СТРЕЛЫ

1Артикул: 420212-00296, MAIN PIPING
2Артикул: K1036660B, CONTROL VALVE
3Артикул: 2181-1126D33, ADAPTER
Подробнее >
СИГНАЛИЗАЦИЯ О ПЕРЕГРУЗКЕ

СИГНАЛИЗАЦИЯ О ПЕРЕГРУЗКЕ

1Артикул: K1036709A, OVERLOAD WARNING
2Артикул: 2549-9115, SWITCH;ROCKER(12V)
3Артикул: K9000354, . LAMP;PILOT
Подробнее >
ГЛАВНАЯ МАГИСТРАЛЬ(4)

ГЛАВНАЯ МАГИСТРАЛЬ(4)

1Артикул: K1055370, MAIN PIPING
2Артикул: 2181-1126D6, ADAPTER
3Артикул: S8000181, O-RING
Подробнее >
1470 SIDE MIRROR

1470 SIDE MIRROR

1Артикул: K1055723, SIDE MIRROR
2Артикул: K1029838-C, STAY;MIRROR
3Артикул: 2120-2166D3, BOLT
Подробнее >
ЭЛЕКТРОПРОВОДКА

ЭЛЕКТРОПРОВОДКА

1Артикул: K1033648E, ELECTRIC WIRING
2Артикул: 300619-00260, ELECTRIC ASSY;WIRING
3Артикул: K1029699G, HARNESS;MAIN
Подробнее >
КОНДИЦИОНЕР - КАБИНА

КОНДИЦИОНЕР - КАБИНА

1Артикул: K1036607A, AIR CONDITIONER;CABIN
2Артикул: 440213-00056, VENTILATION ASSY,CABIN
3Артикул: 440213-00056A, VENTILATION ASSY,CABIN
Подробнее >
ГЛАВНАЯ МАГИСТРАЛЬ(2)

ГЛАВНАЯ МАГИСТРАЛЬ(2)

1Артикул: 420212-00378, MAIN PIPING
2Артикул: 2181-1126D6, ADAPTER
3Артикул: 2181-1126D7, ADAPTER
Подробнее >
УСТАНОВКА СИДЕНЬЯ

УСТАНОВКА СИДЕНЬЯ

1Артикул: K1030797, SEAT ASSY
2Артикул: K1030598, SEAT
3Артикул: S2208866, BOLT,SOCKET M8X1.25X20
Подробнее >
ГЛАВНАЯ МАГИСТРАЛЬ(3)

ГЛАВНАЯ МАГИСТРАЛЬ(3)

1Артикул: K1055370, MAIN PIPING
2Артикул: 2181-1126D33, ADAPTER
3Артикул: S8000181, O-RING
Подробнее >
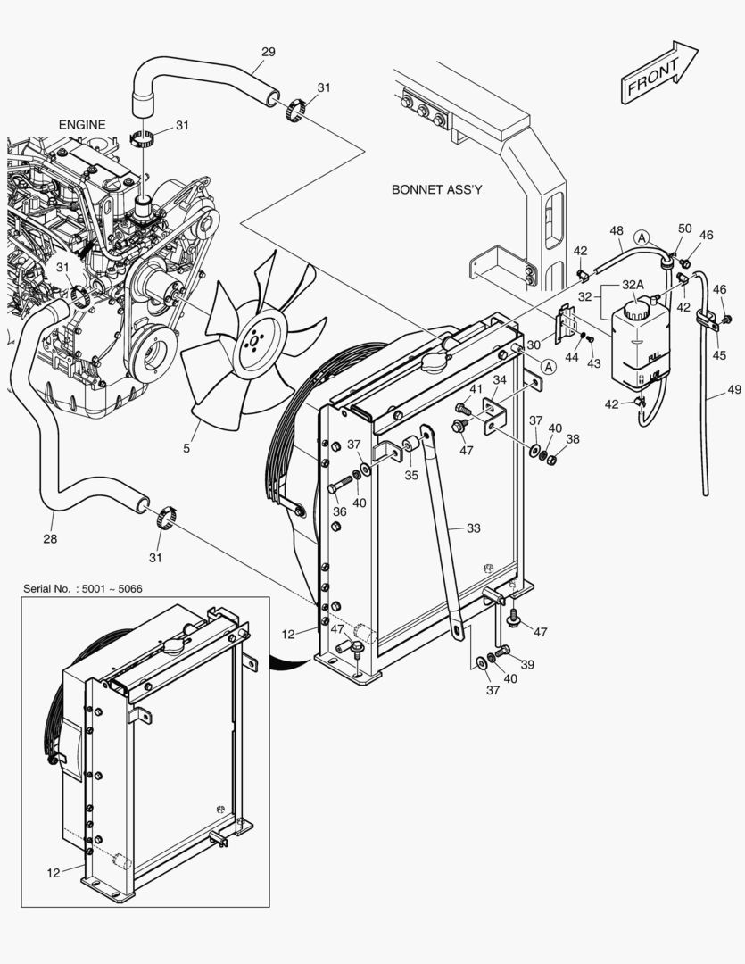
1140 RADIATOR

1140 RADIATOR

1Артикул: K1040079B, RADIATOR ASS`Y
2Артикул: 440211-00013A, RADIATOR ASSY
3Артикул: K9006313, RADIATOR
Подробнее >
МОНТАЖ ДВИГАТЕЛЯ

МОНТАЖ ДВИГАТЕЛЯ

1Артикул: K1026239K, ENGINE MOUNTING ASS`Y
2Артикул: K1026766B, BRACKET;ENGINE MOUNT
3Артикул: K1026767B, BRACKET;ENGINE MOUNT
Подробнее >
ТОПЛИВНЫЕ ТРУБОПРОВОДЫ

ТОПЛИВНЫЕ ТРУБОПРОВОДЫ

1Артикул: K1051059, FUEL PIPING
2Артикул: 420212-01374, PIPING,FUEL
3Артикул: DS2105011, HOSE;FUEL
Подробнее >
ЛИСТ НАСТИЛА - ФРОНТАЛЬНЫЙ

ЛИСТ НАСТИЛА - ФРОНТАЛЬНЫЙ

1Артикул: K1030611, FLOOR PLATE ASS`Y
2Артикул: K1027903, PLATE;FLOOR
3Артикул: 2120-2166D2, BOLT
Подробнее >
КОВРИК НА ПОЛУ КУЗОВА

КОВРИК НА ПОЛУ КУЗОВА

1Артикул: K1030606A, MAT;FLOOR
Подробнее >
ТРУБОПРОВОД СЕРВОУПРАВЛЕНИЯ(2)

ТРУБОПРОВОД СЕРВОУПРАВЛЕНИЯ(2)

1Артикул: K1051246A, PILOT PIPING
2Артикул: 420212-01153, PIPING,PILOT
3Артикул: K1050271, VALVE,SHUTTLE
Подробнее >
ФИЛЬТР КОНДИЦИОНЕРА

ФИЛЬТР КОНДИЦИОНЕРА

1Артикул: K1036580, AIRCON FILTER ASS`Y
2Артикул: K1026454A, PLATE
3Артикул: 2120-2166D53, SCREW
Подробнее >
ТУБОПРОВОД МАСЛЯНОГО РАДИАТОРА(2)

ТУБОПРОВОД МАСЛЯНОГО РАДИАТОРА(2)

1Артикул: K1055365, OIL COOLER PIPING
2Артикул: K1027154-N, PIPE;SUCTION
3Артикул: 2180-1026D28, O-RING
Подробнее >
ГЛАВНАЯ МАГИСТРАЛЬ(1)

ГЛАВНАЯ МАГИСТРАЛЬ(1)

1Артикул: K1055370, MAIN PIPING
2Артикул: 420212-00378, MAIN PIPING
3Артикул: 2181-1126D6, ADAPTER
Подробнее >
БОКОВАЯ КРЫШКА - ТРУБОПРОВОД

БОКОВАЯ КРЫШКА - ТРУБОПРОВОД

1Артикул: K1041239A, SIDE COVER ASS`Y
2Артикул: K1041243A, COVER;SWITCH
3Артикул: K1026151C, COVER;SIDE(FRONT)
Подробнее >
1490 CABIN(2)

1490 CABIN(2)

1Артикул: K1029926H-C, CABIN ASS`Y
2Артикул: K1026163H-B, DOOR ASS`Y
3Артикул: -, . BODY;DOOR
Подробнее >
РЕЗЕРВУАР ДЛЯ МАСЛА

РЕЗЕРВУАР ДЛЯ МАСЛА

1Артикул: 450105-00016, OIL TANK ASS`Y
2Артикул: 119-00027A, GAUGE,LEVEL
3Артикул: K1027763, FILTER;SUCTION
Подробнее >