+7 (701) 588 50 05 Телефон для связи
RU

WhatsApp

Позвонить

КОРПУСНЫЕ ДЕТАЛИ в Алматы

РЕЗЕРВУАР ДЛЯ МАСЛА

РЕЗЕРВУАР ДЛЯ МАСЛА

1Артикул: 450105-00639, TANK ASSY,OIL
2Артикул: 450105-00699E, TANK,OIL
3Артикул: 400504-00225, ELEMENT,RETURN FILTER
Подробнее >
ПАТРУБКИ РУЛЕВОГО УПРАВЛЕНИЯ (1)

ПАТРУБКИ РУЛЕВОГО УПРАВЛЕНИЯ (1)

1Артикул: 420212-11581, PIPING,STEERING
2Артикул: 400911-00202, PUMP,STEERING
3Артикул: 420218-00373A, PIPE,SUCTION
Подробнее >
1450 CABIN(5) - DOOR ASS`Y(R.H)

1450 CABIN(5) - DOOR ASS`Y(R.H)

1Артикул: 220101-01608C, CABIN ASSY
2Артикул: 220101-01608E, CABIN ASSY;WITHOUT ROOF
3Артикул: 220101-01608G, CABIN ASSY;WITHOUT ROOF
Подробнее >
ПОВОРОТНЫЙ ПРЕДОХРАНИТЕЛЬ ВЕНТИЛЯТОРА

ПОВОРОТНЫЙ ПРЕДОХРАНИТЕЛЬ ВЕНТИЛЯТОРА

1Артикул: 420212-12012, PIPING,COOLER;ENGINE
2Артикул: K1004146, DAMPER
3Артикул: S0511866, BOLT,HEX;M10X1.5X20
Подробнее >
1210 AXLE & DRIVE SHAFT

1210 AXLE & DRIVE SHAFT

1Артикул: 190101-00306, AXLE & DRIVE SHAFT ASSY
2Артикул: 130716-00075A, SHAFT,PROPELLER;FRONT
3Артикул: 130716-00132, SHAFT,PROPELLER;FRONT
Подробнее >
СИСТЕМА ИЗОЛЯЦИИ НАГРУЗКИ

СИСТЕМА ИЗОЛЯЦИИ НАГРУЗКИ

1Артикул: 420212-11915, PIPING,LIS
2Артикул: 410147-00001A, VALVE,LIS
3Артикул: K1015422, ACCUMULATOR
Подробнее >
КОНДИЦИОНЕР - КАБИНА

КОНДИЦИОНЕР - КАБИНА

1Артикул: 440213-00339B, VENTILATION ASSY,CABIN
2Артикул: 440213-00339C, VENTILATION ASSY,CABIN
3Артикул: 440205-00035C, CONDITIONER,AIR
Подробнее >
1230 MAIN PIPING

1230 MAIN PIPING

1Артикул: 420212-11580, PIPING,MAIN
2Артикул: 400911-00201A, PUMP,HYDRAULIC
3Артикул: 410111-00172, VALVE;RELIEF & CHECK
Подробнее >
КРЫШКА ДВИГАТЕЛЯ

КРЫШКА ДВИГАТЕЛЯ

1Артикул: 110508-21495, COVER ASSY
2Артикул: 110958-03142E, SUPPORT,OIL TANK
3Артикул: 110508-21503C, COVER,TOP;SCR E/G
Подробнее >
ТРУБОПРОВОД СЕРВОУПРАВЛЕНИЯ - ДЖОЙСТИК

ТРУБОПРОВОД СЕРВОУПРАВЛЕНИЯ - ДЖОЙСТИК

1Артикул: 220101-01301B, CABIN SUB ASSY,3SP
2Артикул: 410113-00156A, VALVE ASSY,JOYSTICK
3Артикул: DS2012230, HOSE
Подробнее >
1670 ELECTRIC PARTS - BATTERY & REAR LAMP

1670 ELECTRIC PARTS - BATTERY & REAR LAMP

1Артикул: 300619-02625, ELECTRIC ASSY;REAR FRAME
2Артикул: 300101-00327, BATTERY
3Артикул: 110406-02986A, BRACKET,BATTERY
Подробнее >
1440 CABIN(4) - DOOR ASS`Y(L.H)

1440 CABIN(4) - DOOR ASS`Y(L.H)

1Артикул: 220101-01608C, CABIN ASSY
2Артикул: 220101-01608E, CABIN ASSY;WITHOUT ROOF
3Артикул: 220101-01608G, CABIN ASSY;WITHOUT ROOF
Подробнее >
ТРУБОПРОВОД СЕРВОУПРАВЛЕНИЯ - 3-Й РЫЧАГ

ТРУБОПРОВОД СЕРВОУПРАВЛЕНИЯ - 3-Й РЫЧАГ

1Артикул: 420212-11909, PIPING,PILOT
2Артикул: 250201-00413, PLATE
3Артикул: 250201-05103, PLATE
Подробнее >
1630 FENDER

1630 FENDER

1Артикул: 180307-00728, FENDER & LADDER ASSY
2Артикул: 180307-00138B, FENDER,FRONT(L.H)
3Артикул: 180307-00510, FENDER,FRONT(R.H)
Подробнее >
ТРУБОПРОВОД В СБОРЕ

ТРУБОПРОВОД В СБОРЕ

1Артикул: 460103-00302A, DUCT ASSY
2Артикул: 460103-00023C, DUCT,FOOT
3Артикул: 460103-00024B, DUCT
Подробнее >
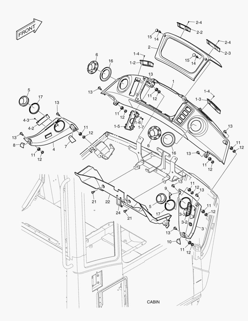
КРЫШКА В СБОРЕ - ПЕРЕДНЯЯ

КРЫШКА В СБОРЕ - ПЕРЕДНЯЯ

1Артикул: 110508-20254C, COVER ASSY,FRONT
2Артикул: 220204-00336A, DASHBOARD,FRT
3Артикул: 430218-00302A, . NOZZLE,DUCT(L.H)
Подробнее >
ГИДРОСИСТЕМА ТОРМОЗОВ(2)

ГИДРОСИСТЕМА ТОРМОЗОВ(2)

1Артикул: 420212-11917, PIPING,BRAKE
2Артикул: 410116-01024, VALVE;ACC. CHARGING
3Артикул: 100201-01627, BLOCK
Подробнее >
ДВИГАТЕЛЬ (EU)

ДВИГАТЕЛЬ (EU)

1Артикул: 150109-02340, ENGINE ASSY;TIER4F(EU)
2Артикул: 150109-01518B, ENGINE ASSY
Подробнее >
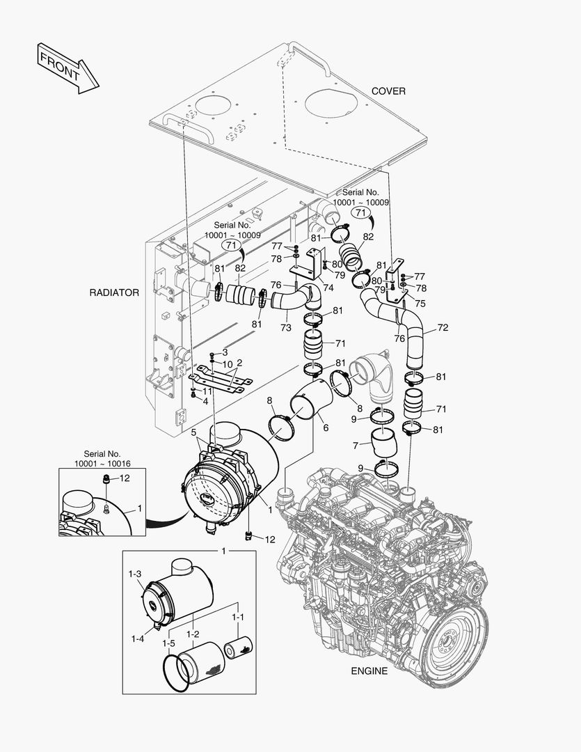
ТУБОПРОВОД МАСЛЯНОГО РАДИАТОРА (2)

ТУБОПРОВОД МАСЛЯНОГО РАДИАТОРА (2)

1Артикул: 420212-11879, PIPING,COOLER;HYDRAULIC
2Артикул: 400702-00017A, MOTOR,FAN
3Артикул: 401107-01177, . SEAL KIT;FAN MOTOR
Подробнее >
ПУЛЬТ УПРАВЛЕНИЯ

ПУЛЬТ УПРАВЛЕНИЯ

1Артикул: 220111-00063K, STAND ASSY,CONTROL
2Артикул: 220106-00036E, REST,ARM;CONTROL STAND
3Артикул: 110958-01756K, SUPPORT,CONTROL VALVE
Подробнее >
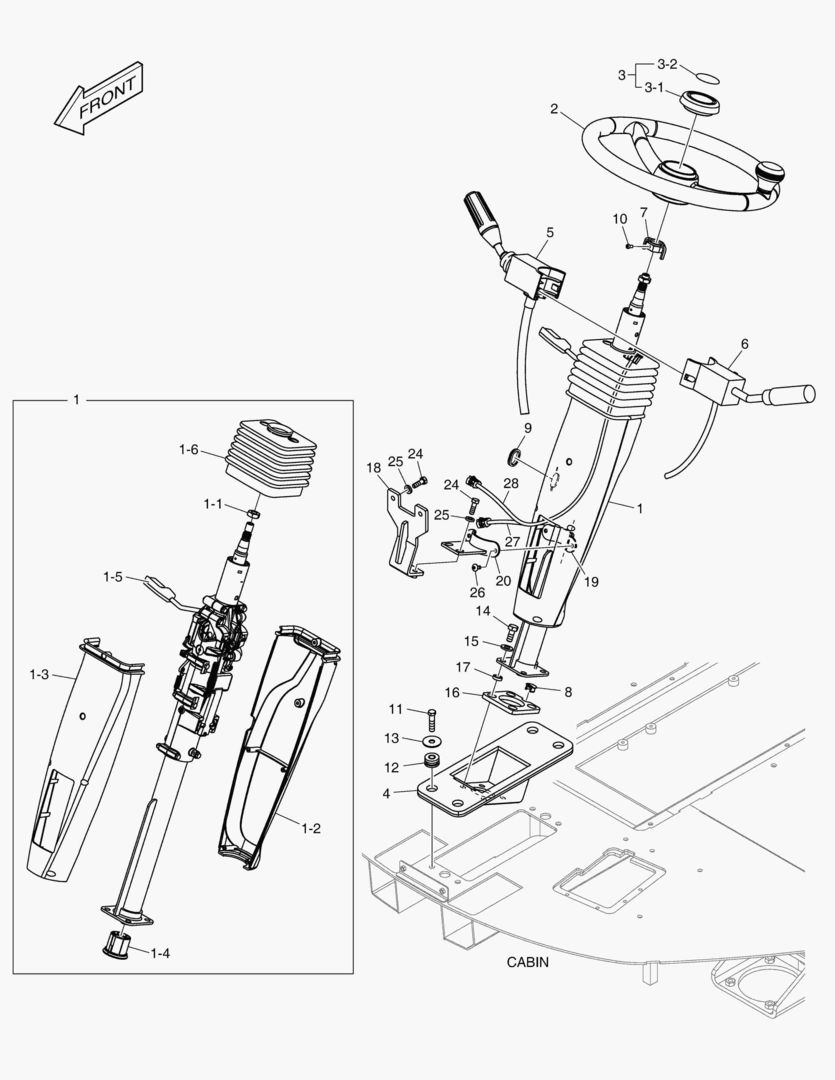
РУЛЕВОЕ УПРАВЛЕНИЕ В СБОРЕ

РУЛЕВОЕ УПРАВЛЕНИЕ В СБОРЕ

1Артикул: 190109-00102A, COLUMN ASSY,STEERING
2Артикул: 190109-00067B, COLUMN ASSY,STEERING
3Артикул: 120307-00216, . NUT,HEX
Подробнее >
КОВРИК НА ПОЛУ КУЗОВА

КОВРИК НА ПОЛУ КУЗОВА

1Артикул: 110935-00616, MAT
2Артикул: 110935-00610, MAT,FLOOR(HYD,LH BREAK PEDAL)
3Артикул: 110935-00610A, MAT,FLOOR;HYDRAURIC STAND
Подробнее >
УСТАНОВКА КАБИНЫ

УСТАНОВКА КАБИНЫ

1Артикул: 220101-01337, CABIN ASSY,MOUNT
2Артикул: 2161-9057, CABIN MOUNT
3Артикул: S0512266, BOLT M10X1.5X30
Подробнее >
ЭЛЕКТРИЧЕСКИЕ ЗАПЧАСТИ - ДВИГАТЕЛЬ

ЭЛЕКТРИЧЕСКИЕ ЗАПЧАСТИ - ДВИГАТЕЛЬ

1Артикул: 300619-02634, ELECTRIC ASSY;ENGINE
2Артикул: 120106-00701, BOLT
3Артикул: 2553-1275D127, CABLE,BATTERY
Подробнее >
1650 ELECTRIC PARTS(2) - CABIN

1650 ELECTRIC PARTS(2) - CABIN

1Артикул: 300619-02673E, ELECTRIC ASSY;CABIN
2Артикул: 300619-02673G, ELECTRIC ASSY;CABIN
3Артикул: 301423-00011, SWITCH,ROCKER;HAZARD
Подробнее >
ЭЛЕКТРИЧЕСКИЕ ЗАПЧАСТИ(1) - КАБИНА

ЭЛЕКТРИЧЕСКИЕ ЗАПЧАСТИ(1) - КАБИНА

1Артикул: 300619-02674G, ELECTRIC ASSY
2Артикул: 301419-00106, SWITCH,STARTER
3Артикул: 301419-00435, SWITCH,STARTER
Подробнее >
1540 SEAT ASS`Y - AIR SUSPENSION

1540 SEAT ASS`Y - AIR SUSPENSION

1Артикул: 220110-00091A, SEAT;AIR SUS
2Артикул: 180304-00036, CUSHION;BACKREST
3Артикул: 180304-00037, CUSHION;SEAT
Подробнее >
РЕКУЛИРУЮЩИЙ КЛАПАН ТРУБОПРОВОДА

РЕКУЛИРУЮЩИЙ КЛАПАН ТРУБОПРОВОДА

1Артикул: 420212-11903, PIPING,FRONT
2Артикул: 410128-00042A, VALVE,BYPASS;5 BAR
3Артикул: 100201-02032, BLOCK,CONTACT
Подробнее >
1160 TRANSMISSION

1160 TRANSMISSION

1Артикул: 130902-02216, TRANSMISSION ASSY
2Артикул: 130902-02208B, TRANSMISSION
3Артикул: 120804-00076, WASHER,HARD
Подробнее >
1620 FENDER & LADDER

1620 FENDER & LADDER

1Артикул: 180307-00727, FENDER & LADDER ASSY
2Артикул: 101582-00005B, RAIL,HAND(L.H)
3Артикул: 101582-00141A, RAIL,HAND(R.H)
Подробнее >
ОСНОВАНИЕ СИДЕНЬЯ

ОСНОВАНИЕ СИДЕНЬЯ

1Артикул: 160102-00032H, BASE ASSY,SEAT
2Артикул: 160102-00033H, BASE,SEAT
3Артикул: 160102-00006A, BASE,SEAT;COVER
Подробнее >
1420 CABIN(2) - BODY

1420 CABIN(2) - BODY

1Артикул: 220101-01608C, CABIN ASSY
2Артикул: 220101-01608E, CABIN ASSY;WITHOUT ROOF
3Артикул: 220101-01608G, CABIN ASSY;WITHOUT ROOF
Подробнее >
РЕШЕТКА РАДИАТОРА В СБОРЕ

РЕШЕТКА РАДИАТОРА В СБОРЕ

1Артикул: 110508-09962B, COVER ASSY,GRILL
2Артикул: 110508-09962C, GRILL ASSY,RADIATOR
3Артикул: -, GRILL,RADIATOR
Подробнее >
ПОДСТАВКА ДЛЯ НОГ

ПОДСТАВКА ДЛЯ НОГ

1Артикул: 220107-00052C, REST,FOOT;ASSY
2Артикул: 110406-03613C, BRACKET,FOOT REST
3Артикул: 220107-00053A, REST,FOOT;RUBBER PAD
Подробнее >
АВАРИЙНОЕ РУЛЕВОЕ УПРАВЛЕНИЕ - ЭЛЕКТРИКА

АВАРИЙНОЕ РУЛЕВОЕ УПРАВЛЕНИЕ - ЭЛЕКТРИКА

1Артикул: 300619-01678A, ELEC ASSY,EMR STEERING
2Артикул: 300619-04438, ELECTRIC ASSY,EME STEER
3Артикул: 537-00039B, TIMER;EMR STEERING
Подробнее >
ТУБОПРОВОД МАСЛЯНОГО РАДИАТОРА (1)

ТУБОПРОВОД МАСЛЯНОГО РАДИАТОРА (1)

1Артикул: 420212-12012, PIPING,COOLER;ENGINE
2Артикул: S5102503, WASHER
3Артикул: S8500079, CLAMP
Подробнее >
ДЕФЛЕКТОР В СБОРЕ

ДЕФЛЕКТОР В СБОРЕ

1Артикул: 110502-01034, COVER ASSY,BAFFLE
2Артикул: 110502-01058A, COVER,BAFFLE
3Артикул: 110502-01390A, COVER,BAFFLE
Подробнее >
1190 FUEL TANK

1190 FUEL TANK

1Артикул: 450103-00541, TANK ASSY,FUEL
2Артикул: 450103-00542C, TANK,FUEL
3Артикул: 420204-00324A, PIPE,FUEL
Подробнее >
1270 EMERGENCY STEERING

1270 EMERGENCY STEERING

1Артикул: 420212-11582, PIPING,EMERGENCY STEER
2Артикул: 400917-00025, PUMP ASSY,POWER STEERING
3Артикул: 400917-00025A, PUMP,STEERING;EMERGENCY PUMP
Подробнее >
МОНТАЖ ДВИГАТЕЛЯ(1)

МОНТАЖ ДВИГАТЕЛЯ(1)

1Артикул: 150109-02338, ENGINE ASSY
2Артикул: 180204-00078, RUBBER,ENGINE MOUNTING
3Артикул: 110427-00573C, BRACKET,ENGINE MOUNTING
Подробнее >
1530 AIR SUSPENSE

1530 AIR SUSPENSE

1Артикул: 220110-00090E, SEAT ASSY;AIR SUS
2Артикул: 220110-00091A, SEAT;AIR SUS
3Артикул: 110406-03024B, BRACKET,SEAT;TLV(R.H)
Подробнее >
1150 ENGINE MOUNTING(3)

1150 ENGINE MOUNTING(3)

1Артикул: 240103-00951, MUFFLER ASSY
2Артикул: 420203-00641, PIPE,EXHAUST
3Артикул: 420203-00640A, PIPE,EXHAUST
Подробнее >
КОНДИЦИОНЕР - ШАССИ

КОНДИЦИОНЕР - ШАССИ

1Артикул: 440213-00572, VENTILATION;SCR
2Артикул: 124-00208D4, CLIP
3Артикул: 124-00208D6, CLIP
Подробнее >
БЛОК КОНДИЦИОНЕРА

БЛОК КОНДИЦИОНЕРА

1Артикул: 440205-00035C, CONDITIONER,AIR
2Артикул: 440205-00035E, CONDITIONER,AIR
3Артикул: 300506-00048, MOTOR,BLOWER
Подробнее >
1100 FRAME

1100 FRAME

1Артикул: 160609-03399, FRAME
2Артикул: 160612-00207E, FRAME,FRONT
3Артикул: 160612-00207G, FRAME,FRONT
Подробнее >
КОЛЕСА В СБОРЕ

КОЛЕСА В СБОРЕ

1Артикул: 900141-00536, WHEEL ASSY;26.5R25 VJT(L3)
2Артикул: 900141-01087, WHEEL & TIRE ASSY;BRI 26.5R25(L3)
3Артикул: 900141-00752, WHEEL ASSY(26.5X25X20PR)
Подробнее >
МОНТАЖ ДВИГАТЕЛЯ(2)

МОНТАЖ ДВИГАТЕЛЯ(2)

1Артикул: 400414-00625, CLEANER ASSY;AIR
2Артикул: 204-00066, AIR CLEANER
3Артикул: 400414-00585, CLEANER,AIR
Подробнее >
ЭЛЕКТРИЧЕСКИЕ ЗАПЧАСТИ - ПРОВОДКА

ЭЛЕКТРИЧЕСКИЕ ЗАПЧАСТИ - ПРОВОДКА

1Артикул: 300619-02629, WIRING GROUP,ELECTRIC
2Артикул: 124-00209D7, CLIP
3Артикул: 2550-1014D1, TERMINAL,BATTERY(+)
Подробнее >
ЭЛЕКТРИЧЕСКИЕ ЗАПЧАСТИ - ФРОНТАЛЬНЫЙ

ЭЛЕКТРИЧЕСКИЕ ЗАПЧАСТИ - ФРОНТАЛЬНЫЙ

1Артикул: 300619-02626, ELECTRIC ASSY;FRONT FRAME
2Артикул: 110406-02674, BRACKET
3Артикул: K1001029, BOLT
Подробнее >
1570 COUNTER WEIGHT & REAR LAMP

1570 COUNTER WEIGHT & REAR LAMP

1Артикул: 160702-00895, WEIGHT ASSY,COUNTER
2Артикул: 110503-00273, COVER,BATTERY(L.H)
3Артикул: 110503-00275, COVER,BATTERY(R.H)
Подробнее >
ПАТРУБКИ РУЛЕВОГО УПРАВЛЕНИЯ (2)

ПАТРУБКИ РУЛЕВОГО УПРАВЛЕНИЯ (2)

1Артикул: 420212-11581, PIPING,STEERING
2Артикул: 300402-00196, AMPLIFIER;FLOW
3Артикул: 410127-00376, VALVE,DUAL CROSS RELIEF
Подробнее >
ТОПЛИВНЫЕ ТРУБОПРОВОДЫ

ТОПЛИВНЫЕ ТРУБОПРОВОДЫ

1Артикул: 420212-15818, PIPING,FUEL
2Артикул: 400403-00172, FILTER,PRE FUEL
3Артикул: 400508-00063, . FILTER,PRE FUEL
Подробнее >
КОНДИЦИОНЕР - ШАССИ

КОНДИЦИОНЕР - ШАССИ

1Артикул: 440213-00572, VENTILATION;SCR
2Артикул: 124-00208D4, CLIP
3Артикул: 124-00208D6, CLIP
Подробнее >
КАБИНА(1) - КОРПУС

КАБИНА(1) - КОРПУС

1Артикул: 220101-01608C, CABIN ASSY
2Артикул: 220101-01608E, CABIN ASSY;WITHOUT ROOF
3Артикул: 220101-01608G, CABIN ASSY;WITHOUT ROOF
Подробнее >
РЕКУЛИРУЮЩИЙ КЛАПАН ТРУБОПРОВОДА - 3-Й КАТУШКИ

РЕКУЛИРУЮЩИЙ КЛАПАН ТРУБОПРОВОДА - 3-Й КАТУШКИ

1Артикул: 420212-11906, PIPING,FRONT;3SP,PILOT
2Артикул: 410105-00921, VALVE,MAIN CONTROL
3Артикул: 410105-00931, VALVE,CONTROL;3RD
Подробнее >
ДЕФЛЕКТОР В СБОРЕ

ДЕФЛЕКТОР В СБОРЕ

1Артикул: 110502-01034, COVER ASSY,BAFFLE
2Артикул: 110502-01058B, COVER,BAFFLE
3Артикул: 110502-01390A, COVER,BAFFLE
Подробнее >
1240 BRAKE PEDAL VALVE & STEER UNIT

1240 BRAKE PEDAL VALVE & STEER UNIT

1Артикул: 220101-01297C, CABIN SUB ASSY;STEER UNIT
2Артикул: 220101-01297E, CABIN SUB ASSY;STEER UNIT
3Артикул: 190202-00008A, STEERING UNIT
Подробнее >
КАБИНА(3) - ВНУТРЕННИЕ ЛИСТЫ

КАБИНА(3) - ВНУТРЕННИЕ ЛИСТЫ

1Артикул: 220101-01608C, CABIN ASSY
2Артикул: 220101-01608E, CABIN ASSY;WITHOUT ROOF
3Артикул: 220101-01608G, CABIN ASSY;WITHOUT ROOF
Подробнее >
ПРЕДОХРАНИТЕЛЬ РАДИАТОРА

ПРЕДОХРАНИТЕЛЬ РАДИАТОРА

1Артикул: 110508-21495, COVER ASSY
2Артикул: K1005351, STOPPER;SIDE DOOR
3Артикул: K1004630, KEY,CYLINDER
Подробнее >
ГИДРОСИСТЕМА ТОРМОЗОВ(1)

ГИДРОСИСТЕМА ТОРМОЗОВ(1)

1Артикул: 420212-11917, PIPING,BRAKE
2Артикул: 400911-00042A, PUMP;FAN
3Артикул: 410120-00052A, VALVE,BRAKE PILOT SUPPLY
Подробнее >
КРЫШКА В СБОРЕ - ЗАДНЯЯ

КРЫШКА В СБОРЕ - ЗАДНЯЯ

1Артикул: 220204-00191G, COVER ASSY,CABIN
2Артикул: 220204-00191H, COVER ASSY,CABIN
3Артикул: 110508-11811E, INTERIOR ASSY,REAR(L.H)
Подробнее >
ДВИГАТЕЛЬ (США)

ДВИГАТЕЛЬ (США)

1Артикул: 150109-02339, ENGINE ASSY;TIER4F
2Артикул: 150109-01318B, ENGINE ASSY
Подробнее >
ВОЗДУХООЧИСТИТЕЛЬ - PRE ОЧИСТИТЕЛЬ

ВОЗДУХООЧИСТИТЕЛЬ - PRE ОЧИСТИТЕЛЬ

1Артикул: 400415-00042, CLEANER,PRE
2Артикул: 400415-00045, CLEANER,PRE
3Артикул: 430208-00654, CONNECTER
Подробнее >
1460 CABIN(6) - GLASS

1460 CABIN(6) - GLASS

1Артикул: 220101-01608C, CABIN ASSY
2Артикул: 220101-01608E, CABIN ASSY;WITHOUT ROOF
3Артикул: 220101-01608G, CABIN ASSY;WITHOUT ROOF
Подробнее >