+7 (701) 588 50 05 Телефон для связи
RU

WhatsApp

Позвонить

10 КОРПУСНЫЕ ДЕТАЛИ в Алматы

ТРУБОПРОВОД СЕРВОУПРАВЛЕНИЯ(4)

ТРУБОПРОВОД СЕРВОУПРАВЛЕНИЯ(4)

1Артикул: 420212-05144, PIPING,PILOT
2Артикул: K1057340, SENSOR,PRESSURE
3Артикул: 2181-2815D4, ELBOW
Подробнее >
1500 CABIN(1)

1500 CABIN(1)

1Артикул: 220101-00344G, CABIN ASSY
2Артикул: 220101-00344H, CABIN ASSY
3Артикул: 220101-00344K, CABIN ASSY
Подробнее >
12 В РАЗЪЕМ

12 В РАЗЪЕМ

1Артикул: 300619-00098A, ELECTRIC ASSY
2Артикул: 300612-00001A, CONVERTER,DC
3Артикул: S3450953, SCREW
Подробнее >
1740 AUDIO [1001~2221]

1740 AUDIO [1001~2221]

1Артикул: 300637-00021, PLAYER,CD(24V HANDS)
2Артикул: 300637-00014, PLAYER,CD(24V)
Подробнее >
КРЫШКА - МЕСТО НАСОСА

КРЫШКА - МЕСТО НАСОСА

1Артикул: 110508-09765, COVER ASSY
2Артикул: 110508-09765A, COVER ASSY,PUMP
3Артикул: 110982-00274C, DOOR ASSY,SIDE(R.H)
Подробнее >
ТРУБОПРОВОД СЕРВОУПРАВЛЕНИЯ(8)

ТРУБОПРОВОД СЕРВОУПРАВЛЕНИЯ(8)

1Артикул: 420212-05215A, PIPING,PILOT
2Артикул: 420212-05215C, PIPING,PILOT
3Артикул: 420212-05215E, PIPING,CABIN
Подробнее >
ТУБОПРОВОД МАСЛЯНОГО РАДИАТОРА(1)

ТУБОПРОВОД МАСЛЯНОГО РАДИАТОРА(1)

1Артикул: 420212-05187, PIPING,OIL COOLER
2Артикул: 420218-00199A, PIPE,SUCTION
3Артикул: 420218-00199B, PIPE,SUCTION
Подробнее >
ОБТЕКАЕМАЯ ПОДКУЗОВНАЯ ПАНЕЛЬ

ОБТЕКАЕМАЯ ПОДКУЗОВНАЯ ПАНЕЛЬ

1Артикул: 110513-00112, COVER ASSY,UNDER
2Артикул: 110513-00260A, COVER,UNDER;CABIN
3Артикул: 110513-00261, COVER,UNDER
Подробнее >
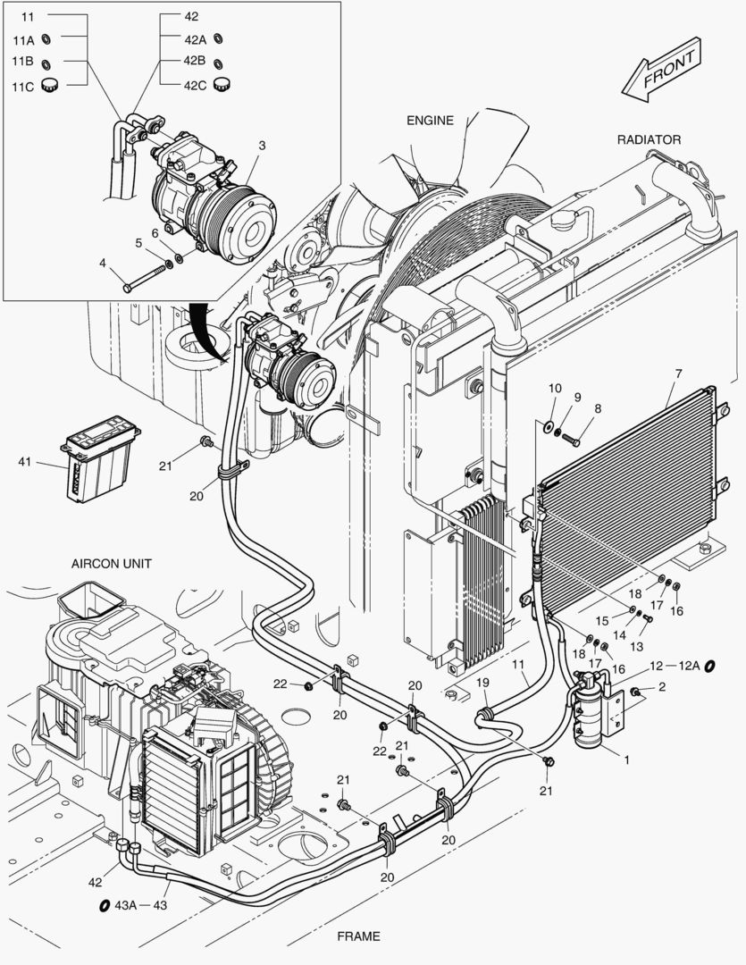
КОНДИЦИОНЕР(2)

КОНДИЦИОНЕР(2)

1Артикул: 440213-00256, VENTILATION;(AIR CON.)
2Артикул: 2204-6039A, RECEIVER DRIER
3Артикул: 300720-00003, DRYER,RECEIVER
Подробнее >
ГЛАВНАЯ МАГИСТРАЛЬ(4) - ПОВОРОТ

ГЛАВНАЯ МАГИСТРАЛЬ(4) - ПОВОРОТ

1Артикул: 420212-05201, PIPING,MAIN
2Артикул: DS2045674, HOSE
3Артикул: DS2026427, HOSE
Подробнее >
ЭЛЕКТРИЧЕСКИЕ ЗАПЧАСТИ - ПУЛЬТ УПРАВЛЕНИЯ

ЭЛЕКТРИЧЕСКИЕ ЗАПЧАСТИ - ПУЛЬТ УПРАВЛЕНИЯ

1Артикул: 300619-01086B, ELECTRIC ASSY
2Артикул: 301419-00106, SWITCH,STARTER
3Артикул: 110702-00151, . KEY,START SWITCH
Подробнее >
РЕЗЕРВУАР ДЛЯ МАСЛА

РЕЗЕРВУАР ДЛЯ МАСЛА

1Артикул: 450105-00257, TANK ASSY,OIL
2Артикул: 450105-00111E, TANK,OIL
3Артикул: K1011675A, COVER
Подробнее >
ГЛАВНАЯ МАГИСТРАЛЬ(2) - СТРЕЛА

ГЛАВНАЯ МАГИСТРАЛЬ(2) - СТРЕЛА

1Артикул: 420212-05201, PIPING,MAIN
2Артикул: 420207-00260A, PIPE
3Артикул: 420207-00260B, PIPE,BOOM UP;-16-12
Подробнее >
ПОРУЧЕНЬ

ПОРУЧЕНЬ

1Артикул: 101582-00203, RAIL,HAND;ASSY
2Артикул: 101582-00225, RAIL,HAND
3Артикул: 101582-00225A, RAIL,HAND
Подробнее >
1440 SUSPENSION

1440 SUSPENSION

1Артикул: 190112-00001B, SUSPENSION ASSY
2Артикул: 190112-00001C, SUSPENSION ASSY
3Артикул: 190112-00009A, SUSPENSION;SEAT
Подробнее >
УСТАНОВКА КАБИНЫ

УСТАНОВКА КАБИНЫ

1Артикул: 180204-00059C, CABIN MOUNT
2Артикул: 180204-00059E, RUBBER,CABIN MOUNT;MIDDLE
3Артикул: 180204-00059G, RUBBER,CABIN MOUNT
Подробнее >
КОВРИК НА ПОЛУ КУЗОВА

КОВРИК НА ПОЛУ КУЗОВА

1Артикул: 110935-00044B, MAT,FLOOR
2Артикул: 110935-00044C, MAT,FLOOR
3Артикул: 110935-00044E, MAT,FLOOR
Подробнее >
КОНДИЦИОНЕР(1)

КОНДИЦИОНЕР(1)

1Артикул: 440213-00255, VENTILATION;CHASSIS
2Артикул: 547-00024A, SENSOR
3Артикул: 2197-1661, BRACKET
Подробнее >
1510 CABIN(2)

1510 CABIN(2)

1Артикул: 220101-00344G, CABIN ASSY
2Артикул: 220101-00344H, CABIN ASSY
3Артикул: 220101-00344K, CABIN ASSY
Подробнее >
КРЫШКА ОБОГРЕВАТЕЛЯ

КРЫШКА ОБОГРЕВАТЕЛЯ

1Артикул: 220204-00022C, COVER ASSY;REAR
2Артикул: 220204-00022E, COVER ASSY;REAR
3Артикул: 220204-00022G, COVER ASSY;REAR
Подробнее >
CAC ТРУБОПРОВОД

CAC ТРУБОПРОВОД

1Артикул: 420212-00995, PIPING,CAC
2Артикул: 420101-00146A, HOSE,AIR;CAC
3Артикул: 420101-00146B, HOSE,AIR;CAC
Подробнее >
ПОДСТАВКА ДЛЯ НОГ - ЛЕВОСТОРОННИЙ

ПОДСТАВКА ДЛЯ НОГ - ЛЕВОСТОРОННИЙ

1Артикул: 220107-00017, REST,FOOT;(L.H)
2Артикул: 220107-00017A, REST,FOOT;L.H
3Артикул: 220107-00012A, REST,FOOT;(L.H)
Подробнее >
ТРУБОПРОВОД СЕРВОУПРАВЛЕНИЯ(2)

ТРУБОПРОВОД СЕРВОУПРАВЛЕНИЯ(2)

1Артикул: 420212-05144, PIPING,PILOT
2Артикул: 2460-9057A, ACCUMULATOR
3Артикул: 430225-00027, TEE
Подробнее >
1460 SEAT

1460 SEAT

1Артикул: 220110-00029B, SEAT,OPERATOR
2Артикул: 220110-00029C, SEAT,OPERATOR
3Артикул: 220110-00029E, SEAT,OPERATOR
Подробнее >
ЗАЩИТНОЕ ОГРАЖДЕНИЕ

ЗАЩИТНОЕ ОГРАЖДЕНИЕ

1Артикул: 101582-00372, GUARD RAIL ASS`Y
2Артикул: 101582-00290, RAIL,GUARD
3Артикул: 101582-00291, RAIL,GUARD
Подробнее >
ТУБОПРОВОД МАСЛЯНОГО РАДИАТОРА(2)

ТУБОПРОВОД МАСЛЯНОГО РАДИАТОРА(2)

1Артикул: 420212-05187, PIPING,OIL COOLER
2Артикул: 420207-00401A, PIPE;RETURN
3Артикул: 420207-00484C, PIPE,OIL COOLER
Подробнее >
ГЛАВНАЯ МАГИСТРАЛЬ(5) - ЦЕНТРАЛЬНОЕ СОЕДИНЕНИЕ

ГЛАВНАЯ МАГИСТРАЛЬ(5) - ЦЕНТРАЛЬНОЕ СОЕДИНЕНИЕ

1Артикул: 420212-05361, PIPING,MAIN
2Артикул: DS20131824, HOSE
3Артикул: DS2026181, HOSE
Подробнее >
ТРУБОПРОВОД СМАЗОЧНОЙ СИСТЕМЫ

ТРУБОПРОВОД СМАЗОЧНОЙ СИСТЕМЫ

1Артикул: K1007600B, LUBRICATION PIPING
2Артикул: K1007665B, PIPE,GREASE
3Артикул: 2181-1925, ELBOW
Подробнее >
ЧЕХОЛ КРЫШКИ

ЧЕХОЛ КРЫШКИ

1Артикул: 220204-00047A, COVER ASSY,CABIN;ROOF
2Артикул: 220204-00047B, COVER ASSY,CABIN
3Артикул: K1056035, COVER;ROOF
Подробнее >
ЭЛЕКТРОПРОВОДКА

ЭЛЕКТРОПРОВОДКА

1Артикул: 300619-01209, ELECTRIC ASSY;WIRING
2Артикул: 310207-01730A, HARNESS,MAIN
3Артикул: 310207-01730B, HARNESS,MAIN
Подробнее >
ЭЛЕКТРИЧЕСКИЕ ЗАПЧАСТИ - ДВИГАТЕЛЬ

ЭЛЕКТРИЧЕСКИЕ ЗАПЧАСТИ - ДВИГАТЕЛЬ

1Артикул: 300619-01477, ELECTRIC ASSY
2Артикул: 310207-01651B, HARNESS,ENGINE
3Артикул: 310207-01651C, HARNESS,ENGINE
Подробнее >
ТРУБОПРОВОД СЕРВОУПРАВЛЕНИЯ(3)

ТРУБОПРОВОД СЕРВОУПРАВЛЕНИЯ(3)

1Артикул: 420212-05144, PIPING,PILOT
2Артикул: 181-00121D2, TEE
3Артикул: 2181-2815D4, ELBOW
Подробнее >
УСТАНОВКА ГЕНЕРАТОРА ПЕРЕМЕННОГО ТОКА

УСТАНОВКА ГЕНЕРАТОРА ПЕРЕМЕННОГО ТОКА

1Артикул: 300619-00891, ELECTRIC ASSY
2Артикул: 300619-01786, ALTERNATOR ASSY
3Артикул: S0760853, BOLT
Подробнее >
ГЛАВНАЯ МАГИСТРАЛЬ(3) - РУКОЯТЬ, КОВШ

ГЛАВНАЯ МАГИСТРАЛЬ(3) - РУКОЯТЬ, КОВШ

1Артикул: 420212-01159, PIPING,MAIN;MONO
2Артикул: DS20401178, HOSE ASSY,HYDRAULIC
3Артикул: DS2040696, HOSE
Подробнее >
ТОПЛИВНЫЕ ТРУБОПРОВОДЫ

ТОПЛИВНЫЕ ТРУБОПРОВОДЫ

1Артикул: 420212-01054, PIPING,FUEL
2Артикул: DS2508001, ADAPTER
3Артикул: 124-00208D2, CLIP
Подробнее >
ТУБОПРОВОД МАСЛЯНОГО РАДИАТОРА(3)

ТУБОПРОВОД МАСЛЯНОГО РАДИАТОРА(3)

1Артикул: 420212-05187, PIPING,OIL COOLER
2Артикул: 420207-01489, PIPE
3Артикул: 181-00121D10, TEE
Подробнее >
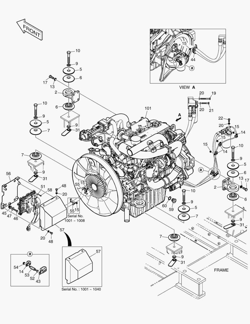
МОНТАЖ ДВИГАТЕЛЯ

МОНТАЖ ДВИГАТЕЛЯ

1Артикул: 150109-00138, ENGINE ASSY
2Артикул: 110427-00215, BRACKET,ENGINE MOUNTING
3Артикул: 110427-00215A, BRACKET
Подробнее >
1100 MAIN FRAME

1100 MAIN FRAME

1Артикул: 160620-00144, FRAME ASSY,MAIN
2Артикул: 160620-00145C, FRAME,MAIN
3Артикул: 160620-00145E, FRAME,MAIN
Подробнее >
ЭЛЕКТРИЧЕСКИЕ ЗАПЧАСТИ - КАБИНА

ЭЛЕКТРИЧЕСКИЕ ЗАПЧАСТИ - КАБИНА

1Артикул: 300619-01085E, ELECTRIC ASSY
2Артикул: 300619-01085G, ELECTRIC ASSY
3Артикул: 300619-01085H, ELECTRIC ASSY
Подробнее >
1110 COUNTER WEIGHT

1110 COUNTER WEIGHT

1Артикул: 160702-00138, WEIGHT ASSY,COUNTER
2Артикул: K1039519, WASHER;HARD
3Артикул: 120804-00073A, WASHER
Подробнее >
1170 AIR CLEANER

1170 AIR CLEANER

1Артикул: 400414-00046, CLEANER,AIR
2Артикул: 400414-00193, CLEANER ASSY,AIR
3Артикул: 474-00039, . ELEMENT,INNER
Подробнее >
ГИДРОМОТОР ПОВОРОТА ПЛАТФОРМЫ

ГИДРОМОТОР ПОВОРОТА ПЛАТФОРМЫ

1Артикул: 170301-00039, DEVICE ASSY,SWING
2Артикул: 170301-00041A, DEVICE ASSY,SWING
3Артикул: 170301-00041B, DEVICE ASSY,SWING
Подробнее >
1650 COVER

1650 COVER

1Артикул: 110508-00344, COVER ASS`Y
2Артикул: 110508-00761A, COVER;RADIATOR
3Артикул: 110508-00762C, COVER
Подробнее >
КРЫШКА В СБОРЕ

КРЫШКА В СБОРЕ

1Артикул: 110508-00344, COVER ASS`Y
2Артикул: 110506-00057B, COVER,ENGINE
3Артикул: DS1001091, SPRING,GAS
Подробнее >
ЭЛЕКТРИЧЕСКИЕ ЗАПЧАСТИ - РАБОЧАЯ ФАРА

ЭЛЕКТРИЧЕСКИЕ ЗАПЧАСТИ - РАБОЧАЯ ФАРА

1Артикул: 300619-01188, ELECTRIC ASSY;WORKING LAMP
2Артикул: 301005-00132, LAMP,WORKING(HALOGEN)
3Артикул: 2515-1016D4, . BULB,HALOGEN
Подробнее >
КРЫШКА АККУМУЛЯТОРА

КРЫШКА АККУМУЛЯТОРА

1Артикул: 110508-00344, COVER ASS`Y
2Артикул: 621-03657B, COVER;TANK
3Артикул: 110503-00118B, COVER ASSY,BATTERY
Подробнее >
ТРУБОПРОВОД СЕРВОУПРАВЛЕНИЯ(7)

ТРУБОПРОВОД СЕРВОУПРАВЛЕНИЯ(7)

1Артикул: 420212-05215A, PIPING,PILOT
2Артикул: 420212-05215C, PIPING,PILOT
3Артикул: 420212-05215E, PIPING,CABIN
Подробнее >
БЛОК КОНДИЦИОНЕРА

БЛОК КОНДИЦИОНЕРА

1Артикул: 440205-00033, CONDITIONER,AIR
2Артикул: K1002206, MOTOR,BLOWER 24V
3Артикул: K1002207, POWER FET
Подробнее >
АКУСТИЧЕСКАЯ НОПЛАСТОВАЯ ИЗОЛЯЦИЯ

АКУСТИЧЕСКАЯ НОПЛАСТОВАЯ ИЗОЛЯЦИЯ

1Артикул: 180102-00066, FOAM ASSY,ACOUSTIC
2Артикул: 180102-00183A, FOAM;RADIATOR
3Артикул: 180102-00324, FOAM
Подробнее >
БОКОВАЯ ДВЕРЬ - ЛЕВОСТОРОННИЙ

БОКОВАЯ ДВЕРЬ - ЛЕВОСТОРОННИЙ

1Артикул: 110508-00344, COVER ASS`Y
2Артикул: 110982-00275C, DOOR ASSY,SIDE(L.H)
3Артикул: 110982-00275E, DOOR ASSY,SIDE;LH
Подробнее >
ЛИСТ НАСТИЛА

ЛИСТ НАСТИЛА

1Артикул: 250106-00120B, PLATE ASSY,FLOOR
2Артикул: 250106-00120C, PLATE ASSY,FLOOR
3Артикул: 250106-00120G, PLATE ASSY,FLOOR
Подробнее >
1520 CABIN(3)

1520 CABIN(3)

1Артикул: 220101-00344G, CABIN ASSY
2Артикул: 220101-00344H, CABIN ASSY
3Артикул: 220101-00344K, CABIN ASSY
Подробнее >
1600 SUPPORT

1600 SUPPORT

1Артикул: 110958-00164, SUPPORT & BAFFLE ASSY
2Артикул: 110958-00360, SUPPORT
3Артикул: 110958-00360A, SUPPORT
Подробнее >
1530 CABIN(4)

1530 CABIN(4)

1Артикул: 220101-00344G, CABIN ASSY
2Артикул: 220101-00344H, CABIN ASSY
3Артикул: 220101-00344K, CABIN ASSY
Подробнее >
СКОЛЬЗЯЩАЯ ПЛИТА СИДЕНИЯ

СКОЛЬЗЯЩАЯ ПЛИТА СИДЕНИЯ

1Артикул: 250110-00054A, PLATE ASSY,SEAT
2Артикул: 250110-00054C, PLATE ASSY,SEAT
3Артикул: 250110-00054E, PLATE ASSY,SEAT
Подробнее >
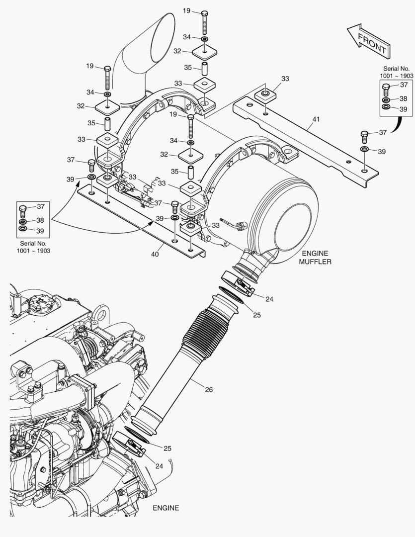
1150 MUFFLER

1150 MUFFLER

1Артикул: 150109-00138, ENGINE ASSY
2Артикул: S0559066, BOLT M10X1.5X75
3Артикул: 120202-00053, CLAMP,HOSE
Подробнее >
ТРУБОПРОВОД СЕРВОУПРАВЛЕНИЯ(1)

ТРУБОПРОВОД СЕРВОУПРАВЛЕНИЯ(1)

1Артикул: 420212-05144, PIPING,PILOT
2Артикул: 471-00075A, FILTER;PILOT
3Артикул: 400407-00006, FILTER,PILOT
Подробнее >
КРЫШКА ТРУБОПРОВОДА

КРЫШКА ТРУБОПРОВОДА

1Артикул: 110517-00363A, COVER ASSY,SIDE
2Артикул: 110517-00363B, COVER ASSY,SIDE
3Артикул: 110517-00363C, COVER ASSY,SIDE
Подробнее >
ПУЛЬТ УПРАВЛЕНИЯ - ЛЕВОСТОРОННИЙ

ПУЛЬТ УПРАВЛЕНИЯ - ЛЕВОСТОРОННИЙ

1Артикул: 220111-00038B, STAND ASSY,CONTROL
2Артикул: 220111-00038C, STAND ASSY,CONTROL
3Артикул: 220111-00038E, STAND ASSY,CONTROL
Подробнее >
ПОДСТАВКА ДЛЯ НОГ - ПРАВОСТОРОННИЙ

ПОДСТАВКА ДЛЯ НОГ - ПРАВОСТОРОННИЙ

1Артикул: 220107-00016, REST,FOOT;(R.H)
2Артикул: 220107-00016A, REST,FOOT;R.H
3Артикул: 220107-00013A, REST,FOOT;(R.H)
Подробнее >
ГЛАВНАЯ МАГИСТРАЛЬ(1) - НАСОС

ГЛАВНАЯ МАГИСТРАЛЬ(1) - НАСОС

1Артикул: 420212-05201, PIPING,MAIN
2Артикул: DS2096026, HOSE ASSY,HYDRAULIC
3Артикул: 180308-00235, RUBBER
Подробнее >
РУКОЯТКА - КАБИНА

РУКОЯТКА - КАБИНА

1Артикул: 110925-00012B, HANDLE ASS`Y;DRIVER
2Артикул: 110925-00382, HANDLE ASSY
3Артикул: 110925-00013B, HANDLE,CABIN;OUTER
Подробнее >
ПЛАСТИНА СИДЕНЬЯ

ПЛАСТИНА СИДЕНЬЯ

1Артикул: 160102-00008, BASE ASS`Y,SEAT
2Артикул: 220204-00096A, COVER ASS`Y,SEAT BASE
3Артикул: 2120-2166D52, BOLT
Подробнее >
ПУЛЬТ УПРАВЛЕНИЯ - ПРАВОСТОРОННИЙ

ПУЛЬТ УПРАВЛЕНИЯ - ПРАВОСТОРОННИЙ

1Артикул: 220111-00046B, STAND ASSY,CONTROL(R.H)
2Артикул: 220111-00046C, STAND ASSY,CONTROL;RH
3Артикул: 220111-00046E, STAND ASSY,CONTROL;(R.H)
Подробнее >
ТРУБОПРОВОД СЕРВОУПРАВЛЕНИЯ(6)

ТРУБОПРОВОД СЕРВОУПРАВЛЕНИЯ(6)

1Артикул: 420212-05215A, PIPING,PILOT
2Артикул: 420212-05215C, PIPING,PILOT
3Артикул: 420212-05215E, PIPING,CABIN
Подробнее >
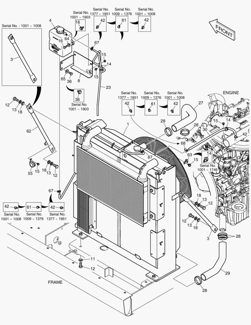
ОПОРТНЫЙ УЗЕЛ РАДИАТОРА

ОПОРТНЫЙ УЗЕЛ РАДИАТОРА

1Артикул: 150109-00138, ENGINE ASSY
2Артикул: 440211-00038A, RADIATOR ASSY
3Артикул: K1047774, STAY
Подробнее >
1140 RADIATOR

1140 RADIATOR

1Артикул: 440211-00038A, RADIATOR ASSY
2Артикул: 440211-00364, RADIATOR
3Артикул: K1010769, CAP,PRESSURE
Подробнее >
ОПОРА НАСОСА

ОПОРА НАСОСА

1Артикул: 400914-00231, PUMP INSTALLATION
2Артикул: 400914-00165A, PUMP,MAIN
3Артикул: 400914-00165B, PUMP,MAIN
Подробнее >
ТРУБОПРОВОД СЕРВОУПРАВЛЕНИЯ(9)

ТРУБОПРОВОД СЕРВОУПРАВЛЕНИЯ(9)

1Артикул: 420212-05223A, PIPING,PILOT
2Артикул: DS2113060, HOSE ASSY,HYDRAULIC
3Артикул: DS2113030, HOSE
Подробнее >
1200 FUEL TANK

1200 FUEL TANK

1Артикул: 450103-00072, TANK ASSY,FUEL
2Артикул: 450103-00087E, TANK,FUEL
3Артикул: 450103-00087G, TANK,FUEL
Подробнее >
ЭЛЕКТРИЧЕСКИЕ ЗАПЧАСТИ - АНАЛОГИ

ЭЛЕКТРИЧЕСКИЕ ЗАПЧАСТИ - АНАЛОГИ

1Артикул: 300619-01204, ELECTRIC ASSY;CHASSIS
2Артикул: 2506-6008, BATTERY
3Артикул: 110406-01312, BRACKET
Подробнее >
КАМЕРА ЗАДНЕГО ВИДА

КАМЕРА ЗАДНЕГО ВИДА

1Артикул: 300619-01242, ELECTRIC ASSY;REAR VIEW CAMERA
2Артикул: S5102503, WASHER
3Артикул: K1001029, BOLT
Подробнее >
БОКОВАЯ ДВЕРЬ - ПРАВОСТОРОННИЙ

БОКОВАЯ ДВЕРЬ - ПРАВОСТОРОННИЙ

1Артикул: 110508-00344, COVER ASS`Y
2Артикул: 621-03642C, COVER;TANK
3Артикул: DS0025015, BOLT
Подробнее >
СТОП СИГНАЛ В СБОРЕ

СТОП СИГНАЛ В СБОРЕ

1Артикул: 300619-01243, ELECTRIC ASSY;LAMP
2Артикул: S5102503, WASHER
3Артикул: K1055454, LAMP,HEAD
Подробнее >
УСТАНОВКА СИДЕНЬЯ

УСТАНОВКА СИДЕНЬЯ

1Артикул: 220110-00016B, SEAT ASSY,OPERATER
2Артикул: 220110-00016C, SEAT ASSY,OPERATER
3Артикул: 220110-00016E, SEAT ASSY,OPERATER
Подробнее >
ТРУБОПРОВОД СЕРВОУПРАВЛЕНИЯ(5)

ТРУБОПРОВОД СЕРВОУПРАВЛЕНИЯ(5)

1Артикул: 420212-05144, PIPING,PILOT
2Артикул: 2181-2815D6, ELBOW
3Артикул: 2181-4133D1, ADAPTER
Подробнее >