+7 (701) 588 50 05 Телефон для связи
RU

WhatsApp

Позвонить

10 КОРПУСНЫЕ ДЕТАЛИ в Алматы

1100 MAIN FRAME [5001~10876]

1100 MAIN FRAME [5001~10876]

1Артикул: 600-00166A, MAIN FRAME ASS`Y
2Артикул: 600-00166B, MAIN FRAME ASS`Y
3Артикул: 600-00166T, MAIN FRAME ASS`Y
Подробнее >
ПУЛЬТ УПРАВЛЕНИЯ - ЛЕВОСТОРОННИЙ

ПУЛЬТ УПРАВЛЕНИЯ - ЛЕВОСТОРОННИЙ

1Артикул: K1002202H, CONTROL STAND L.H.
2Артикул: 220111-00022, STAND ASSY,CONTROL
3Артикул: 220111-00022A, STAND ASSY,CONTROL;LH
Подробнее >
ГЛАВНАЯ МАГИСТРАЛЬ(4) - ПОВОРОТ

ГЛАВНАЯ МАГИСТРАЛЬ(4) - ПОВОРОТ

1Артикул: 400-01327A, MAIN PIPING
2Артикул: 423-00199, BLOCK,SPACER
3Артикул: S2212066, BOLT;SOCKET M10X1.5X25
Подробнее >
1310 PILOT PIPING(2) [5001~5379]

1310 PILOT PIPING(2) [5001~5379]

1Артикул: 400-01328B, PILOT PIPING
2Артикул: S0559066, BOLT M10X1.5X75
3Артикул: 2181-1951D5, TEE
Подробнее >
ЧЕХОЛ КРЫШКИ

ЧЕХОЛ КРЫШКИ

1Артикул: 621-03732C, ROOF COVER ASSY
2Артикул: 621-03727B, COVER,ROOF
3Артикул: 123-00516B, LOCK ASSY
Подробнее >
1131 RADIATOR MOUNTING [10911~]

1131 RADIATOR MOUNTING [10911~]

1Артикул: 150109-00339, ENGINE ASSY
2Артикул: 440211-00877B, RADIATOR ASSY
3Артикул: 440211-00877C, RADIATOR ASSY
Подробнее >
1711 ELECTRIC PARTS - ENGINE [9130~]

1711 ELECTRIC PARTS - ENGINE [9130~]

1Артикул: 300619-00112, ELECTRIC ASSY;ENGINE
2Артикул: 301202-00067, RELAY,PRE HEATER
3Артикул: 110406-01135, BRACKET,PREHEAT RELAY
Подробнее >
1130 RADIATOR MOUNTING [5001~10910]

1130 RADIATOR MOUNTING [5001~10910]

1Артикул: 201-00189J, ENGINE ASS`Y
2Артикул: 150109-00339, ENGINE ASSY
3Артикул: 202-00126B, RADIATOR ASS`Y
Подробнее >
РУКОЯТКА В СБОРЕ

РУКОЯТКА В СБОРЕ

1Артикул: 110925-00007, HANDLE ASSY,OUTER
2Артикул: 172-00053B, . HANDLE,OUTER
3Артикул: 2120-2166D2, . BOLT
Подробнее >
1670 ELECTRIC BOX ASS`Y [5001~9129]

1670 ELECTRIC BOX ASS`Y [5001~9129]

1Артикул: 500-00284B, ELECTRIC BOX ASS`Y
2Артикул: 500-00284C, ELECTRIC BOX ASS`Y
3Артикул: 500-00284E, ELECTRIC BOX ASS`Y
Подробнее >
ТРУБОПРОВОД СЕРВОУПРАВЛЕНИЯ(8)

ТРУБОПРОВОД СЕРВОУПРАВЛЕНИЯ(8)

1Артикул: 400-01343L, PILOT PIPING
2Артикул: 420212-00413B, PIPING,PILOT
3Артикул: 420212-00413C, PIPING,PILOT
Подробнее >
ЛИСТ НАСТИЛА

ЛИСТ НАСТИЛА

1Артикул: 622-00426G, FLOOR PLATE ASS`Y
2Артикул: 250106-00125, PLATE ASSY,FLOOR
3Артикул: 250106-00125A, PLATE ASSY,FLOOR
Подробнее >
ТРУБОПРОВОД СМАЗОЧНОЙ СИСТЕМЫ

ТРУБОПРОВОД СМАЗОЧНОЙ СИСТЕМЫ

1Артикул: K1002690, LUBRICATION PIPING
2Артикул: K1006979A, PIPE,GREASE
3Артикул: K1006980A, PIPE,GREASE
Подробнее >
1321 PILOT PIPING(3) [10477~]

1321 PILOT PIPING(3) [10477~]

1Артикул: 420212-01037, PIPING,PILOT
2Артикул: DS0025017, BOLT
3Артикул: S0511966, BOLT M10X1.5X22
Подробнее >
ПОДОГРЕВ СИДЕНЬЯ

ПОДОГРЕВ СИДЕНЬЯ

1Артикул: 500-00297, SEAT HEATER
2Артикул: 500-00297A, HEATER ASSY,SEAT;CABIN
3Артикул: 549-00101, SWITCH
Подробнее >
1762 ELECTRIC WIRING [10921~]

1762 ELECTRIC WIRING [10921~]

1Артикул: 300619-00293, ELECTRIC ASSY;WIRING
2Артикул: 310207-00233M, HARNESS,MAIN
3Артикул: 2548-1027, . DIODE
Подробнее >
ПУЛЬТ УПРАВЛЕНИЯ - ПРАВОСТОРОННИЙ

ПУЛЬТ УПРАВЛЕНИЯ - ПРАВОСТОРОННИЙ

1Артикул: K1005468E, CONTROL STAND-R.H.
2Артикул: 220111-00021, STAND ASSY,CONTROL
3Артикул: 220111-00021A, STAND ASSY,CONTROL;RH
Подробнее >
УСТАНОВКА ГЕНЕРАТОРА ПЕРЕМЕННОГО ТОКА

УСТАНОВКА ГЕНЕРАТОРА ПЕРЕМЕННОГО ТОКА

1Артикул: 500-00291A, ALTERNATOR MOUNTING
2Артикул: S5102703, WASHER
3Артикул: 2114-1058D54, WASHER
Подробнее >
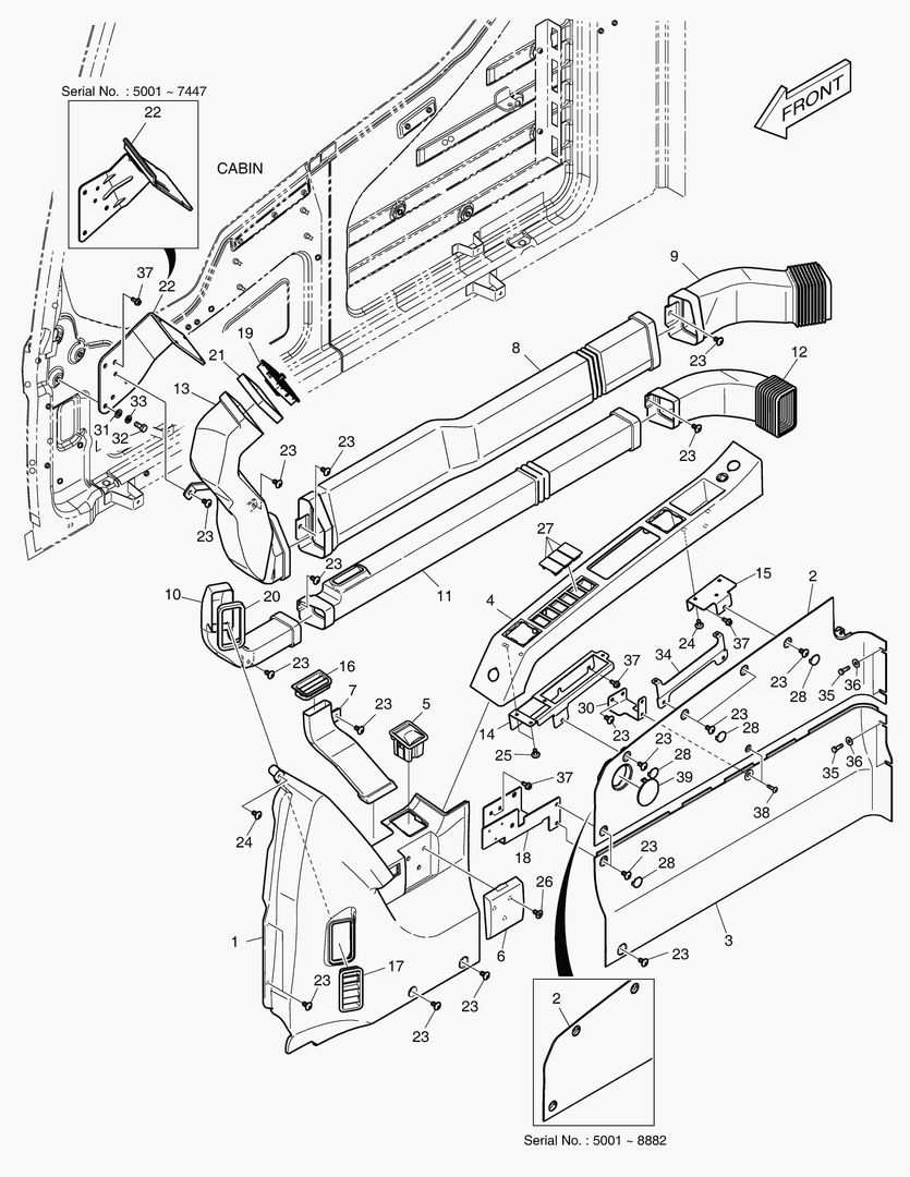
1495 HANDLE - CABIN [6973~]

1495 HANDLE - CABIN [6973~]

1Артикул: K1038240, HANDLE ASSY
2Артикул: K1038247, HANDLE
3Артикул: 2120-2166D4, BOLT
Подробнее >
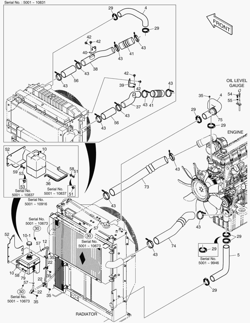
1135 RADIATOR [5001~10831]

1135 RADIATOR [5001~10831]

1Артикул: 202-00126B, RADIATOR ASS`Y
2Артикул: 202-00126C, RADIATOR ASS`Y
3Артикул: 202-00126E, RADIATOR ASS`Y
Подробнее >
КРЫШКА ДВИГАТЕЛЯ

КРЫШКА ДВИГАТЕЛЯ

1Артикул: 621-02719O, COVER ASS`Y
2Артикул: 110508-00213, COVER ASSY
3Артикул: K1002978B, COVER;ENGINE
Подробнее >
1301 PILOT PIPING(1) [5380~]

1301 PILOT PIPING(1) [5380~]

1Артикул: 400-01328E, PILOT PIPING(1)
2Артикул: 420212-01037, PIPING,PILOT
3Артикул: 195-02716B, BRACKET;FILTER
Подробнее >
БЛОК КОНДИЦИОНЕРА

БЛОК КОНДИЦИОНЕРА

1Артикул: 920-00127A, UNIT;AIR CON. & HEATING
2Артикул: 440205-00095, CONDITIONER,AIR
3Артикул: 440205-00095A, CONDITIONER,AIR
Подробнее >
1340 PILOT PIPING(5) [5001~10876]

1340 PILOT PIPING(5) [5001~10876]

1Артикул: 400-01328L, PILOT PIPING
2Артикул: 420212-01037, PIPING,PILOT
3Артикул: S8000111, O-RING
Подробнее >
1470 CABIN(2)

1470 CABIN(2)

1Артикул: 622-00351E, CABIN ASS`Y
2Артикул: 622-00351G, CABIN ASS`Y
3Артикул: 622-00351H, CABIN ASS`Y
Подробнее >
КОНДИЦИОНЕР(2)

КОНДИЦИОНЕР(2)

1Артикул: 920-00135B, AIR CONDITIONER(2)
2Артикул: 543-00107, CONTROL PANEL,AIR CON
3Артикул: 300611-01196, CONTROL PANEL,AIR CON
Подробнее >
ОПОРА НАСОСА

ОПОРА НАСОСА

1Артикул: 401-00468A, PUMP INSTALLATION
2Артикул: 401-00468G, PUMP INSTALLATION
3Артикул: 400914-00033, PUMP INSTALLATION
Подробнее >
ПРОТИВОВЕС - С ПЕНОПЛАСТОВЫМ КОНТЕЙНЕРОМ

ПРОТИВОВЕС - С ПЕНОПЛАСТОВЫМ КОНТЕЙНЕРОМ

1Артикул: K1045647, COUNTER WEIGHT ASS`Y
2Артикул: K1045647A, COUNTER WEIGHT SUB ASS`Y
3Артикул: 160702-00092, WEIGHT ASSY,COUNTER
Подробнее >
1231 OIL COOLER PIPING(2) [10832~]

1231 OIL COOLER PIPING(2) [10832~]

1Артикул: 420212-04788, PIPING,OIL COOLER
2Артикул: 140-01486E, PIPE
3Артикул: 420207-04278, PIPE
Подробнее >
ЭЛЕКТРИЧЕСКИЕ ЗАПЧАСТИ - РАБОЧАЯ ФАРА

ЭЛЕКТРИЧЕСКИЕ ЗАПЧАСТИ - РАБОЧАЯ ФАРА

1Артикул: 500-00289A, ELECTRIC PARTS-WORKING LAMP
2Артикул: 300619-01039, ELECTRIC ASSY
3Артикул: 534-00064, LAMP ASS`Y;WORKING
Подробнее >
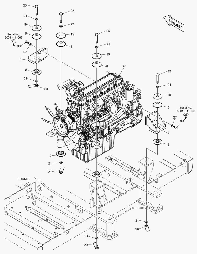
МОНТАЖ ДВИГАТЕЛЯ

МОНТАЖ ДВИГАТЕЛЯ

1Артикул: 201-00189A, ENGINE ASS`Y
2Артикул: 150109-00339, ENGINE ASSY
3Артикул: 195-02626B, BRACKET;ENGINE MOUNT
Подробнее >
1650 UNDER COVER [5001~10865]

1650 UNDER COVER [5001~10865]

1Артикул: 621-02648G, UNDER COVER ASS`Y
2Артикул: 110513-00793, COVER ASSY,UNDER
3Артикул: 621-02649B, COVER;UNDER
Подробнее >
1681 ELECTRIC PARTS - CABIN [10641~]

1681 ELECTRIC PARTS - CABIN [10641~]

1Артикул: 300619-02540, ELECTRIC ASSY;CABIN
2Артикул: 300619-02540C, ELECTRIC ASSY,CABIN
3Артикул: 300619-02534E, ELECTRIC ASSY;CABIN;NON ROPS
Подробнее >
1200 FUEL PIPING [5001~10831]

1200 FUEL PIPING [5001~10831]

1Артикул: K1002684A, FUEL PIPING
2Артикул: K1002684H, FUEL PIPING
3Артикул: DS2079157, HOSE
Подробнее >
1140 MUFFLER

1140 MUFFLER

1Артикул: 201-00189A, ENGINE ASS`Y
2Артикул: 201-00189G, ENGINE ASS`Y
3Артикул: 203-00095G, MUFFLER SUB ASS`Y
Подробнее >
1230 OIL COOLER PIPING(2) [5001~10831]

1230 OIL COOLER PIPING(2) [5001~10831]

1Артикул: 400-01326H, OIL COOLER PIPING
2Артикул: 420212-04788, PIPING,OIL COOLER
3Артикул: 140-01486C, PIPE
Подробнее >
1610 COVER

1610 COVER

1Артикул: 621-02719U, COVER ASS`Y
2Артикул: 110508-00213, COVER ASSY
3Артикул: 621-02672A, COVER
Подробнее >
1201 FUEL PIPING [10832~]

1201 FUEL PIPING [10832~]

1Артикул: K1002684H, FUEL PIPING
2Артикул: DS2105142, HOSE,FUEL
3Артикул: DS2116030, HOSE
Подробнее >
1460 CABIN(1)

1460 CABIN(1)

1Артикул: 622-00351E, CABIN ASS`Y
2Артикул: 622-00351G, CABIN ASS`Y
3Артикул: 622-00351H, CABIN ASS`Y
Подробнее >
ТУБОПРОВОД МАСЛЯНОГО РАДИАТОРА(1)

ТУБОПРОВОД МАСЛЯНОГО РАДИАТОРА(1)

1Артикул: 400-01326A, OIL COOLER PIPING
2Артикул: 420212-04788, PIPING,OIL COOLER
3Артикул: 140-01490C, PIPE;SUCTION
Подробнее >
ТРУБОПРОВОД СЕРВОУПРАВЛЕНИЯ(4)

ТРУБОПРОВОД СЕРВОУПРАВЛЕНИЯ(4)

1Артикул: 400-01328B, PILOT PIPING
2Артикул: 400-01328L, PILOT PIPING
3Артикул: 420212-01037, PIPING,PILOT
Подробнее >
ТРУБОПРОВОД СЕРВОУПРАВЛЕНИЯ(7)

ТРУБОПРОВОД СЕРВОУПРАВЛЕНИЯ(7)

1Артикул: 400-01343L, PILOT PIPING
2Артикул: 420212-00413B, PIPING,PILOT
3Артикул: 420212-00413C, PIPING,PILOT
Подробнее >
ГЛАВНАЯ МАГИСТРАЛЬ(5) - ХОД

ГЛАВНАЯ МАГИСТРАЛЬ(5) - ХОД

1Артикул: 400-01327H, MAIN PIPING
2Артикул: 2181-2170, BLOCK,SPACER
3Артикул: S2212266, BOLT
Подробнее >
1700 ELECTRIC PARTS - RELATED [5001~9878]

1700 ELECTRIC PARTS - RELATED [5001~9878]

1Артикул: 500-00287C, ELECTRIC PARTS-RELATED
2Артикул: 300619-00571, ELECTRIC ASSY;CHASSIS
3Артикул: 2506-6008, BATTERY
Подробнее >
1630 HANDRAIL [5001~10415]

1630 HANDRAIL [5001~10415]

1Артикул: 621-02719C, COVER ASS`Y
2Артикул: 621-02719Q, COVER ASS`Y
3Артикул: DS0401188, WASHER
Подробнее >
1671 ELECTRIC BOX ASS`Y [9130~]

1671 ELECTRIC BOX ASS`Y [9130~]

1Артикул: 300619-00295A, ELECTRIC ASSY;ELECTRIC BOX
2Артикул: 300619-00295B, ELECTRIC ASSY;ELECTRIC BOX
3Артикул: 300619-00295C, ELECTRIC ASSY,E-BOX
Подробнее >
КОНДИЦИОНЕР(1)

КОНДИЦИОНЕР(1)

1Артикул: 920-00134C, AIR CONDITIONER(1)
2Артикул: 440213-00477C, VENTILATION ASSY,CABIN
3Артикул: 440213-00477E, VENTILATION ASSY,CABIN
Подробнее >
1211 OIL TANK [10877~]

1211 OIL TANK [10877~]

1Артикул: 470-00183J, TANK ASSY,OIL
2Артикул: 450105-00944, TANK ASSY,OIL;SUB
3Артикул: 450105-00261B, . TANK,OIL
Подробнее >
1270 MAIN PIPING(3) - ARM & BUCKET

1270 MAIN PIPING(3) - ARM & BUCKET

1Артикул: 400-01327H, MAIN PIPING
2Артикул: 2181-2170, BLOCK,SPACER
3Артикул: 423-00199, BLOCK,SPACER
Подробнее >
ЭЛЕКТРИЧЕСКИЕ ЗАПЧАСТИ - ПУЛЬТ УПРАВЛЕНИЯ

ЭЛЕКТРИЧЕСКИЕ ЗАПЧАСТИ - ПУЛЬТ УПРАВЛЕНИЯ

1Артикул: 500-00286A, ELECTRIC PARTS-CONTROL STAND
2Артикул: 300619-00294, ELECTRIC ASSY,STAND
3Артикул: 300619-00328A, ELECTRIC ASSY,STAND
Подробнее >
БОКОВАЯ ДВЕРЬ - ПРАВОСТОРОННИЙ

БОКОВАЯ ДВЕРЬ - ПРАВОСТОРОННИЙ

1Артикул: 621-02719S, COVER ASS`Y
2Артикул: 110508-00213, COVER ASSY
3Артикул: K1001441E, SIDE DOOR ASS`Y (R.H)
Подробнее >
1425 SEAT

1425 SEAT

1Артикул: 901-00045, SEAT ASS`Y
2Артикул: K9001695, UPPER ASS`Y
3Артикул: K9001201, BACK COVER
Подробнее >
1701 ELECTRIC PARTS - RELATED [9879~]

1701 ELECTRIC PARTS - RELATED [9879~]

1Артикул: 300619-00571, ELECTRIC ASSY;CHASSIS
2Артикул: 2506-6008, BATTERY
3Артикул: 110406-01759, BRACKET,BATTERY
Подробнее >
1641 ACOUSTIC FOAM [10832~]

1641 ACOUSTIC FOAM [10832~]

1Артикул: 180102-01355, FOAM ASSY
2Артикул: 180102-01355A, FOAM ASSY
3Артикул: 180102-01385, FOAM
Подробнее >
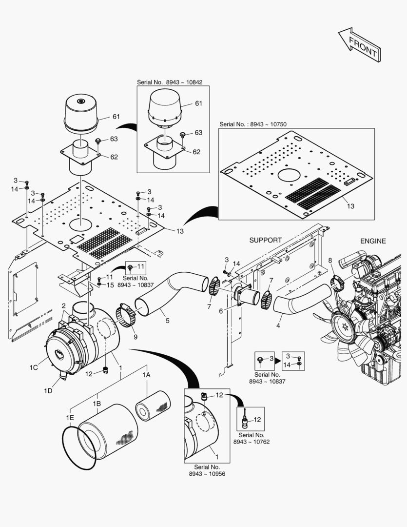
1160 AIR CLEANER [5001~8942]

1160 AIR CLEANER [5001~8942]

1Артикул: 204-00086C, AIR CLEANER ASS`Y
2Артикул: 400414-00025, CLEANER ASSY,AIR
3Артикул: 204-00066, AIR CLEANER
Подробнее >
1571 BAFFLE [10877~]

1571 BAFFLE [10877~]

1Артикул: 195-02540H, SUPPORT & BAFFLE ASS`Y
2Артикул: 110958-04032A, SUPPORT
3Артикул: 110502-01535, COVER,BAFFLE
Подробнее >
1651 UNDER COVER [10866~]

1651 UNDER COVER [10866~]

1Артикул: 110513-00793, COVER ASSY,UNDER
2Артикул: 110513-02019, COVER,UNDER
3Артикул: 110513-02020, COVER,UNDER
Подробнее >
СКОЛЬЗЯЩАЯ ПЛИТА СИДЕНИЯ

СКОЛЬЗЯЩАЯ ПЛИТА СИДЕНИЯ

1Артикул: K1002204C, SEAT PLATE ASS`Y
2Артикул: K1052181, SEAT PLATE ASS`Y
3Артикул: 621-03011E, SEAT PLATE ASS`Y
Подробнее >
1570 BAFFLE [5001~10876]

1570 BAFFLE [5001~10876]

1Артикул: 195-02540H, SUPPORT & BAFFLE ASS`Y
2Артикул: 195-02538E, SUPPORT
3Артикул: 195-02538G, SUPPORT
Подробнее >
КРЫШКА ТРУБОПРОВОДА

КРЫШКА ТРУБОПРОВОДА

1Артикул: 621-02902J, SIDE COVER ASS`Y
2Артикул: K1048688, SIDE COVER ASS`Y
3Артикул: 110517-00368, COVER ASSY,SIDE
Подробнее >
ГЛАВНАЯ МАГИСТРАЛЬ(1) - НАСОС

ГЛАВНАЯ МАГИСТРАЛЬ(1) - НАСОС

1Артикул: 400-01327G, MAIN PIPING
2Артикул: 420212-01524, PIPING,MAIN
3Артикул: 114-00425, SPACER
Подробнее >
1680 ELECTRIC PARTS - CABIN [5001~10640]

1680 ELECTRIC PARTS - CABIN [5001~10640]

1Артикул: 500-00285J, ELECTRIC PARTS-CABIN
2Артикул: 300619-00290, ELECTRIC ASSY;CABIN
3Артикул: 300619-00290A, ELECTRIC ASSY;CABIN (NON ROPS)
Подробнее >
УСТАНОВКА СИДЕНЬЯ

УСТАНОВКА СИДЕНЬЯ

1Артикул: K1002084A, SEAT MOUNTING
2Артикул: 901-00045, SEAT ASS`Y
3Артикул: S2208866, BOLT,SOCKET M8X1.25X20
Подробнее >
1600 BATTERY COVER [5001~10476]

1600 BATTERY COVER [5001~10476]

1Артикул: 621-02719X, COVER ASS`Y
2Артикул: 110508-00213, COVER ASSY
3Артикул: 621-02716C, BATTERY COVER ASS`Y
Подробнее >
1101 MAIN FRAME [10877~]

1101 MAIN FRAME [10877~]

1Артикул: 160620-00142, FRAME ASSY,MAIN
2Артикул: 160620-00769A, FRAME ASSY,MAIN
3Артикул: 160620-00769B, FRAME ASSY,MAIN
Подробнее >
1161 AIR CLEANER [8943~]

1161 AIR CLEANER [8943~]

1Артикул: 400414-00117, CLEANER ASSY,AIR
2Артикул: 204-00066, AIR CLEANER
3Артикул: 400414-00585, CLEANER,AIR
Подробнее >
УСТАНОВКА КАБИНЫ

УСТАНОВКА КАБИНЫ

1Артикул: 621-03223, CABIN MOUNT
2Артикул: 160626-00058, MOUNT ASSY,CABIN
3Артикул: 2161-9057, CABIN MOUNT
Подробнее >
1760 ELECTRIC WIRING [5001~9878]

1760 ELECTRIC WIRING [5001~9878]

1Артикул: 500-00290B, ELECTRIC WIRING
2Артикул: 300619-00293, ELECTRIC ASSY;WIRING
3Артикул: 530-00409H, HARNESS;MAIN
Подробнее >
БОКОВАЯ ДВЕРЬ - ЛЕВОСТОРОННИЙ

БОКОВАЯ ДВЕРЬ - ЛЕВОСТОРОННИЙ

1Артикул: 621-02719S, COVER ASS`Y
2Артикул: 110508-00213, COVER ASSY
3Артикул: DS0025015, BOLT
Подробнее >
1560 SUPPORT [5001~10876]

1560 SUPPORT [5001~10876]

1Артикул: 195-02540H, SUPPORT & BAFFLE ASS`Y
2Артикул: 195-02742C, SUPPORT
3Артикул: 195-02742E, SUPPORT
Подробнее >
1640 ACOUSTIC FOAM [5001~10832]

1640 ACOUSTIC FOAM [5001~10832]

1Артикул: 161-00583E, ACOUSTIC FORM ASS`Y
2Артикул: 161-00587, FOAM;POLYURETHANE
3Артикул: 161-00589B, FOAM;POLYURETHANE
Подробнее >
1341 PILOT PIPING(5) [10877~]

1341 PILOT PIPING(5) [10877~]

1Артикул: 420212-01037, PIPING,PILOT
2Артикул: S8000111, O-RING
3Артикул: S8000141, O-RING
Подробнее >
1480 CABIN(3)

1480 CABIN(3)

1Артикул: 622-00351E, CABIN ASS`Y
2Артикул: 622-00351G, CABIN ASS`Y
3Артикул: 622-00351H, CABIN ASS`Y
Подробнее >
1300 PILOT PIPING(1) [5001~5379]

1300 PILOT PIPING(1) [5001~5379]

1Артикул: 400-01328B, PILOT PIPING
2Артикул: K1000353A, BRACKET;FILTER
3Артикул: 198-00016, RUBBER
Подробнее >
ТРУБОПРОВОД СЕРВОУПРАВЛЕНИЯ(6)

ТРУБОПРОВОД СЕРВОУПРАВЛЕНИЯ(6)

1Артикул: 400-01343J, PILOT PIPING(2)
2Артикул: 420212-00413B, PIPING,PILOT
3Артикул: 420212-00413C, PIPING,PILOT
Подробнее >
КОВРИК НА ПОЛУ КУЗОВА

КОВРИК НА ПОЛУ КУЗОВА

1Артикул: K1002081, MAT;FLOOR
2Артикул: K1002081A, MAT;FLOOR
3Артикул: K1002081B, MAT;FLOOR
Подробнее >
ПОДСТАВКА ДЛЯ НОГ - ЛЕВОСТОРОННИЙ

ПОДСТАВКА ДЛЯ НОГ - ЛЕВОСТОРОННИЙ

1Артикул: K1002082, FOOT REST(L.H)
2Артикул: 220107-00038, REST,FOOT(L.H)
3Артикул: 195-02949A, BRACKET,FOOT REST(L.H)
Подробнее >
1490 CABIN(4)

1490 CABIN(4)

1Артикул: 622-00351E, CABIN ASS`Y
2Артикул: 622-00351G, CABIN ASS`Y
3Артикул: 622-00351H, CABIN ASS`Y
Подробнее >
ПОДСТАВКА ДЛЯ НОГ - ПРАВОСТОРОННИЙ

ПОДСТАВКА ДЛЯ НОГ - ПРАВОСТОРОННИЙ

1Артикул: K1002083, FOOT REST(R.H)
2Артикул: 220107-00039, REST,FOOT(R.H)
3Артикул: 195-02948A, BRACKET,FOOT REST(R.H)
Подробнее >
ПЛАСТИНА СИДЕНЬЯ

ПЛАСТИНА СИДЕНЬЯ

1Артикул: K1002229A, SEAT PLATE
2Артикул: K1002230A, BRACKET
3Артикул: K1002231A, PLATE
Подробнее >
CAC ТРУБОПРОВОД

CAC ТРУБОПРОВОД

1Артикул: 201-00189B, ENGINE ASS`Y
2Артикул: 201-00189L, ENGINE ASS`Y
3Артикул: 150109-00339, ENGINE ASSY
Подробнее >
1190 FUEL TANK [5001~10876]

1190 FUEL TANK [5001~10876]

1Артикул: 470-00184B, FUEL TANK ASS`Y
2Артикул: 470-00184K, FUEL TANK ASS`Y
3Артикул: 450103-00306, TANK ASSY,FUEL
Подробнее >
1730 ALTERNATOR [5001~10876]

1730 ALTERNATOR [5001~10876]

1Артикул: 2502-9009, ALTERNATOR(50A)
2Артикул: 0-35100-0300, ROTOR ASS`Y
3Артикул: 1-33923-0790, . COLLAR
Подробнее >
1191 FUEL TANK [10877~]

1191 FUEL TANK [10877~]

1Артикул: 450103-00306, TANK ASSY,FUEL
2Артикул: 450103-00752, TANK ASSY,FUEL;SUB
3Артикул: 450103-00752A, TANK ASSY,FUEL;SUB
Подробнее >
1631 HANDRAIL [10416~]

1631 HANDRAIL [10416~]

1Артикул: 110508-00213, COVER ASSY
2Артикул: S4012733, NUT
3Артикул: S0561066, BOLT M12X1.75X65
Подробнее >
ТУБОПРОВОД МАСЛЯНОГО РАДИАТОРА(3)

ТУБОПРОВОД МАСЛЯНОГО РАДИАТОРА(3)

1Артикул: 400-01326G, OIL COOLER PIPING
2Артикул: 420212-04788, PIPING,OIL COOLER
3Артикул: 2184-1036D304, HOSE
Подробнее >
КРЫШКА ОБОГРЕВАТЕЛЯ

КРЫШКА ОБОГРЕВАТЕЛЯ

1Артикул: 621-02896K, HEATER COVER
2Артикул: 650103-00002, REAR ASS`Y;COVER
3Артикул: 650103-00002A, REAR ASSY;COVER
Подробнее >
1761 ELECTRIC WIRING [9879~10920]

1761 ELECTRIC WIRING [9879~10920]

1Артикул: 300619-00293, ELECTRIC ASSY;WIRING
2Артикул: 310207-00233C, HARNESS,MAIN
3Артикул: 310207-00233E, HARNESS,MAIN
Подробнее >
1210 OIL TANK [5001~10876]

1210 OIL TANK [5001~10876]

1Артикул: 470-00183H, OIL TANK ASS`Y
2Артикул: 470-00183J, TANK ASSY,OIL
3Артикул: 470-00179B, TANK;OIL
Подробнее >
1136 RADIATOR [10832~]

1136 RADIATOR [10832~]

1Артикул: 440211-00877, RADIATOR ASSY
2Артикул: 440211-00877A, RADIATOR ASSY
3Артикул: 440211-00877B, RADIATOR ASSY
Подробнее >
1710 ELECTRIC PARTS - ENGINE [5001~9129]

1710 ELECTRIC PARTS - ENGINE [5001~9129]

1Артикул: 500-00288B, ELECTRIC PARTS-ENGINE
2Артикул: 300619-00112, ELECTRIC ASSY;ENGINE
3Артикул: 544-00007, RELAY;PREHEAT
Подробнее >
1110 COUNTER WEIGHT

1110 COUNTER WEIGHT

1Артикул: 624-00085J, COUNTER WEIGHT ASS`Y
2Артикул: 624-00085K, COUNTER WEIGHT ASS`Y
3Артикул: 160702-00082, WEIGHT,COUNTER;5.3TON
Подробнее >
1320 PILOT PIPING(3) [5001~10476]

1320 PILOT PIPING(3) [5001~10476]

1Артикул: 400-01328L, PILOT PIPING
2Артикул: 420212-01037, PIPING,PILOT
3Артикул: K1000354, PLATE
Подробнее >
1601 BATTERY COVER [10477~]

1601 BATTERY COVER [10477~]

1Артикул: 110508-00213, COVER ASSY
2Артикул: 110503-00009E, COVER ASSY,BATTERY
3Артикул: 110503-00009G, COVER ASSY,BATTERY
Подробнее >
1561 SUPPORT [10877~]

1561 SUPPORT [10877~]

1Артикул: 195-02540H, SUPPORT & BAFFLE ASS`Y
2Артикул: 110958-03772B, SUPPORT
3Артикул: 110958-04218, SUPPORT
Подробнее >
ГИДРОМОТОР ПОВОРОТА ПЛАТФОРМЫ

ГИДРОМОТОР ПОВОРОТА ПЛАТФОРМЫ

1Артикул: 401-00442A, SWING DEVICE INSTALLATION
2Артикул: 401-00442B, SWING DEVICE INSTALLATION
3Артикул: 401-00442H, SWING DEVICE INSTALLATION
Подробнее >
ГЛАВНАЯ МАГИСТРАЛЬ(2) - СТРЕЛА

ГЛАВНАЯ МАГИСТРАЛЬ(2) - СТРЕЛА

1Артикул: 400-01327A, MAIN PIPING
2Артикул: 420212-01524, PIPING,MAIN
3Артикул: 195-02572B, BRACKET;PIPE
Подробнее >
1311 PILOT PIPING(2) [5380~]

1311 PILOT PIPING(2) [5380~]

1Артикул: 400-01328L, PILOT PIPING
2Артикул: 420212-01037, PIPING,PILOT
3Артикул: S0560066, BOLT
Подробнее >