+7 (701) 588 50 05 Телефон для связи
RU

WhatsApp

Позвонить

10 КОРПУСНЫЕ ДЕТАЛИ в Алматы

МОНТАЖ ДВИГАТЕЛЯ

МОНТАЖ ДВИГАТЕЛЯ

1Артикул: 150109-02414, ENGINE MOUNTING ASSY
2Артикул: 110427-00923, BRACKET
3Артикул: S0771766, BOLT
Подробнее >
1610 BAFFLE

1610 BAFFLE

1Артикул: 110958-04292, SUPPORT & BAFFLE ASSY
2Артикул: 110958-04346A, SUPPORT
3Артикул: 110502-00670B, COVER,BAFFLE
Подробнее >
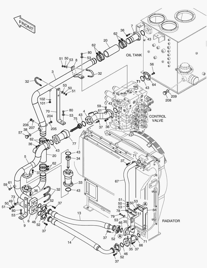
РЕЗЕРВУАР ДЛЯ МАСЛА

РЕЗЕРВУАР ДЛЯ МАСЛА

1Артикул: 450105-00953, TANK ASSY,OIL
2Артикул: 450105-00954, TANK,OIL
3Артикул: S0565466, BOLT M16X2.0X60
Подробнее >
ГЛАВНАЯ МАГИСТРАЛЬ(5) - ХОД

ГЛАВНАЯ МАГИСТРАЛЬ(5) - ХОД

1Артикул: 420212-11453, PIPING,MAIN
2Артикул: DS2040518, HOSE
3Артикул: DS2040391, HOSE
Подробнее >
КРЫШКА В СБОРЕ

КРЫШКА В СБОРЕ

1Артикул: 110508-30656, COVER ASSY
2Артикул: 110501-00449C, BONNET ASSY
3Артикул: 110501-00449E, BONNET ASSY
Подробнее >
ЛИСТ НАСТИЛА

ЛИСТ НАСТИЛА

1Артикул: 250106-00829A, PLATE ASSY,FLOOR
2Артикул: 2120-2166D55, BOLT
3Артикул: 2114-1898D17, WASHER
Подробнее >
ПРОТИВОВЕС - 8.5 ТОНН

ПРОТИВОВЕС - 8.5 ТОНН

1Артикул: 160702-01521, WEIGHT ASSY,COUNTER
2Артикул: 160702-01543A, WEIGHT,COUNTER(8.5TON)
3Артикул: -, . WEIGHT,COUNTER
Подробнее >
ОПОРА НАСОСА

ОПОРА НАСОСА

1Артикул: 400914-00683, PUMP INSTALLATION ASSY
2Артикул: 400914-00269, PUMP,MAIN
3Артикул: S0560566, BOLT M12X1.75X40
Подробнее >
ТРУБОПРОВОД СЕРВОУПРАВЛЕНИЯ(7)

ТРУБОПРОВОД СЕРВОУПРАВЛЕНИЯ(7)

1Артикул: 420212-08953G, PIPING,PILOT
2Артикул: 410113-00314A, VALVE,JOYSTICK(R.H)
3Артикул: DS2095001, HOSE
Подробнее >
ТУБОПРОВОД МАСЛЯНОГО РАДИАТОРА(3)

ТУБОПРОВОД МАСЛЯНОГО РАДИАТОРА(3)

1Артикул: 420212-05977, PIPING,OIL COOLER
2Артикул: DS20551407, HOSE
3Артикул: DS20551257, HOSE
Подробнее >
ЧЕХОЛ КРЫШКИ - ИЗ СТАЛИ

ЧЕХОЛ КРЫШКИ - ИЗ СТАЛИ

1Артикул: 621-03732C, ROOF COVER ASSY
2Артикул: 621-03727B, COVER,ROOF
3Артикул: 123-00516B, LOCK ASSY
Подробнее >
ЭЛЕКТРИЧЕСКИЕ ЗАПЧАСТИ - HEATED SEAT

ЭЛЕКТРИЧЕСКИЕ ЗАПЧАСТИ - HEATED SEAT

1Артикул: K1009396A, ELECTRIC,SEAT HEATER
2Артикул: 549-00101, SWITCH
3Артикул: K1002406D1, ACTUATOR,SWITCH
Подробнее >
1490 CABIN(1) - GLASS

1490 CABIN(1) - GLASS

1Артикул: 220101-01250G, CABIN ASSY
2Артикул: -, BODY,CABIN
3Артикул: 500119-00159, GLASS
Подробнее >
1570 FOOT REST - R.H

1570 FOOT REST - R.H

1Артикул: 220107-00039, REST,FOOT(R.H)
2Артикул: 195-02948A, BRACKET,FOOT REST(R.H)
3Артикул: 2120-2166D1, BOLT
Подробнее >
ТРУБОПРОВОД СЕРВОУПРАВЛЕНИЯ(8)

ТРУБОПРОВОД СЕРВОУПРАВЛЕНИЯ(8)

1Артикул: 420212-08953G, PIPING,PILOT
2Артикул: 420-00467A, VALVE,PEDAL
3Артикул: 2423-1470, BLOCK
Подробнее >
СКОЛЬЗЯЩАЯ ПЛИТА СИДЕНИЯ

СКОЛЬЗЯЩАЯ ПЛИТА СИДЕНИЯ

1Артикул: K1052181, SEAT PLATE ASS`Y
2Артикул: 621-03011E, SEAT PLATE ASS`Y
3Артикул: 621-02895C, . PLATE
Подробнее >
ГЛАВНАЯ МАГИСТРАЛЬ(2) - СТРЕЛА

ГЛАВНАЯ МАГИСТРАЛЬ(2) - СТРЕЛА

1Артикул: 420212-11453, PIPING,MAIN
2Артикул: 420207-04299, PIPE
3Артикул: 420207-04300, PIPE
Подробнее >
1560 FOOT REST - L.H

1560 FOOT REST - L.H

1Артикул: 220107-00038, REST,FOOT(L.H)
2Артикул: 195-02949A, BRACKET,FOOT REST(L.H)
3Артикул: 2120-2166D1, BOLT
Подробнее >
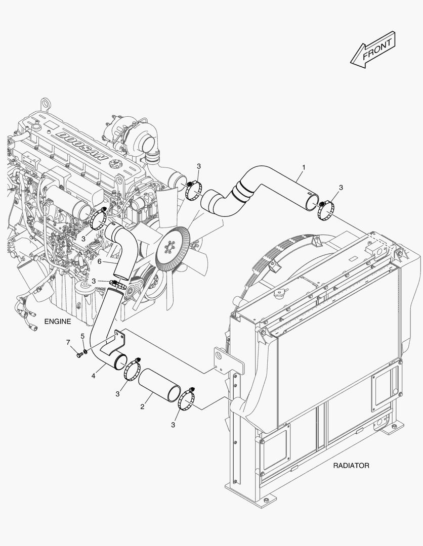
ОПОРТНЫЙ УЗЕЛ РАДИАТОРА

ОПОРТНЫЙ УЗЕЛ РАДИАТОРА

1Артикул: 150109-02416, ENGINE ASSY,COOLING
2Артикул: 440211-01016B, RADIATOR ASS`Y
3Артикул: 420109-01115A, HOSE
Подробнее >
1520 CABIN(4) - SIDE DOOR

1520 CABIN(4) - SIDE DOOR

1Артикул: 220101-01250G, CABIN ASSY
2Артикул: 625-00159B, STEP,CABIN DOOR
3Артикул: 2114-1898D14, WASHER
Подробнее >
ГЛАВНАЯ МАГИСТРАЛЬ(4) - ПОВОРОТ

ГЛАВНАЯ МАГИСТРАЛЬ(4) - ПОВОРОТ

1Артикул: 420212-11453, PIPING,MAIN
2Артикул: K1001958, BLOCK
3Артикул: DS2045721, HOSE
Подробнее >
1200 FUEL TANK

1200 FUEL TANK

1Артикул: 450103-00762, TANK ASSY,FUEL
2Артикул: 450103-00159G, TANK,FUEL
3Артикул: 301316-00016, SENDER,FUEL
Подробнее >
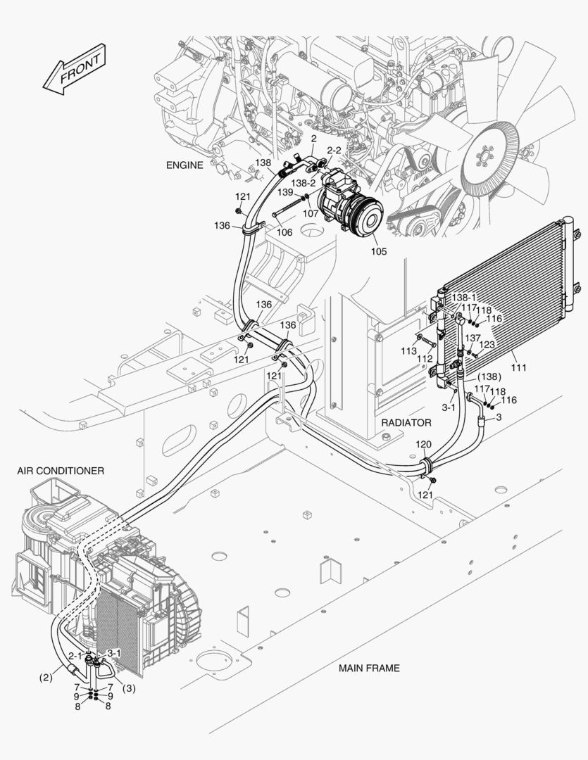
БЛОК КОНДИЦИОНЕРА

БЛОК КОНДИЦИОНЕРА

1Артикул: 440205-00095B, CONDITIONER,AIR
2Артикул: 440205-00095C, CONDITIONER,AIR
3Артикул: K1002206, MOTOR,BLOWER 24V
Подробнее >
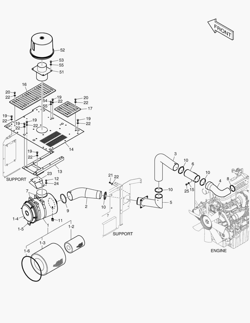
1170 AIR CLEANER

1170 AIR CLEANER

1Артикул: 400414-00646, CLEANER ASSY
2Артикул: 400414-00585, CLEANER,AIR
3Артикул: 474-00037, . ELEMENT,INNER
Подробнее >
ЭЛЕКТРОШКАФ В СБОРЕ

ЭЛЕКТРОШКАФ В СБОРЕ

1Артикул: 300619-04156A, ELECTRIC ASSY
2Артикул: 250201-02886, PLATE,ELECTRIC BOX
3Артикул: D913109, NUT
Подробнее >
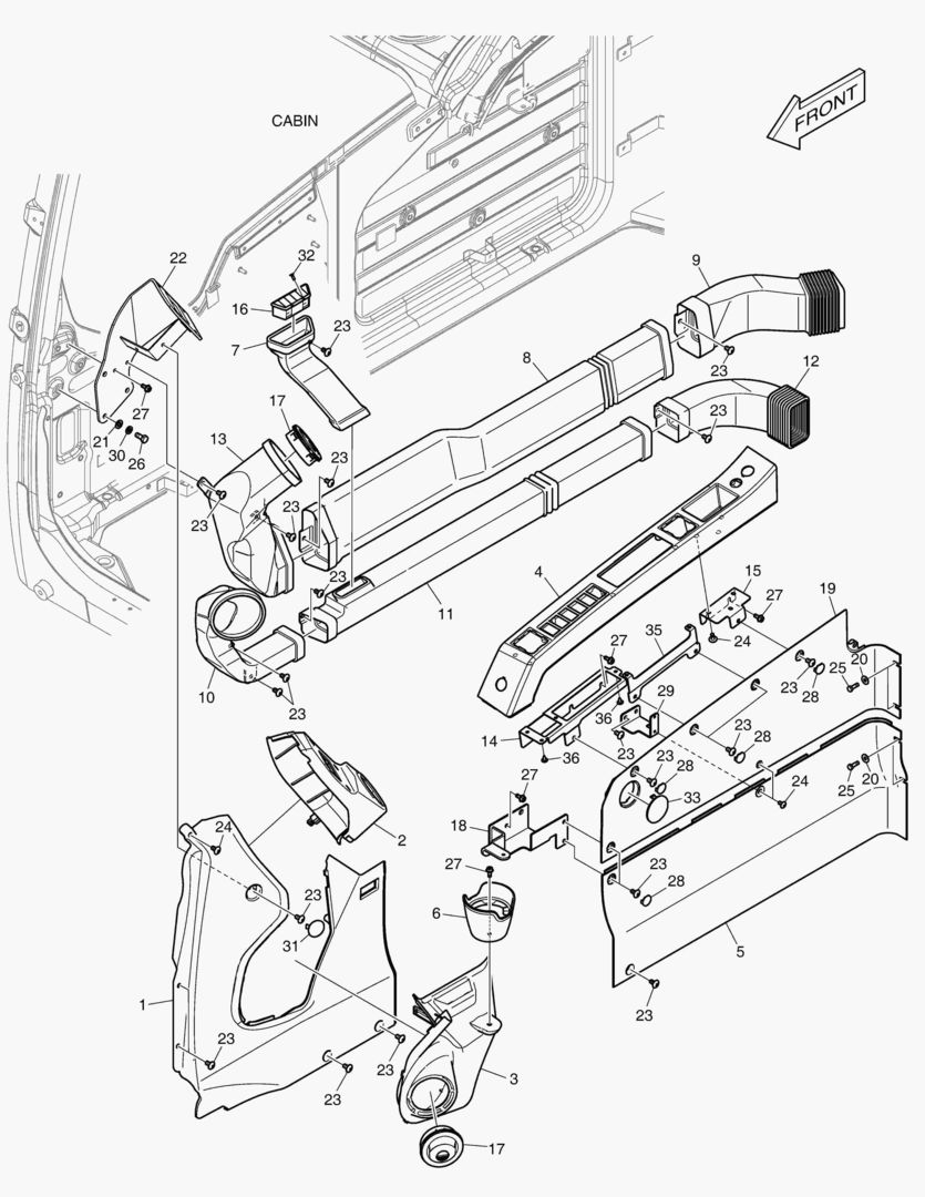
УСТАНОВКА КАБИНЫ

УСТАНОВКА КАБИНЫ

1Артикул: 160626-00989, MOUNT ASSY,CABIN
2Артикул: 161-00010, RUBBER,MOUNT
3Артикул: 161-00011, RUBBER,MOUNT
Подробнее >
КРЫШКА ОБОГРЕВАТЕЛЯ

КРЫШКА ОБОГРЕВАТЕЛЯ

1Артикул: 650103-00002G, REAR ASSY;COVER
2Артикул: 250120-00220, PLATE,REAR
3Артикул: 460103-00039B, DUCT,FOOT
Подробнее >
ТРУБОПРОВОД СЕРВОУПРАВЛЕНИЯ(5)

ТРУБОПРОВОД СЕРВОУПРАВЛЕНИЯ(5)

1Артикул: 420212-05979, PIPING,PILOT
2Артикул: S8000141, O-RING
3Артикул: 2181-1126D7, ADAPTER
Подробнее >
ЭЛЕКТРИЧЕСКИЕ ЗАПЧАСТИ - РАБОЧАЯ ФАРА

ЭЛЕКТРИЧЕСКИЕ ЗАПЧАСТИ - РАБОЧАЯ ФАРА

1Артикул: 300619-01044, ELECTRIC ASSY
2Артикул: 301005-00132, LAMP,WORKING(HALOGEN)
3Артикул: 2515-1016D4, . BULB,HALOGEN
Подробнее >
ПУЛЬТ УПРАВЛЕНИЯ - ПРАВОСТОРОННИЙ

ПУЛЬТ УПРАВЛЕНИЯ - ПРАВОСТОРОННИЙ

1Артикул: 110953-00032E, STAND ASSY(R.H)
2Артикул: 110431-00130, BRACKET,STAND(R.H)
3Артикул: 110508-15901, COVER,SWITCH(R.H)
Подробнее >
ЭЛЕКТРИЧЕСКИЕ ЗАПЧАСТИ - ПУЛЬТ УПРАВЛЕНИЯ

ЭЛЕКТРИЧЕСКИЕ ЗАПЧАСТИ - ПУЛЬТ УПРАВЛЕНИЯ

1Артикул: 300619-04259, ELECTRIC ASSY,STAND
2Артикул: 301419-00229, SWITCH,STARTER
3Артикул: 110702-00151, . KEY,START SWITCH
Подробнее >
1280 MAIN PIPING(3) - ARM & BUCKET

1280 MAIN PIPING(3) - ARM & BUCKET

1Артикул: 420212-11453, PIPING,MAIN
2Артикул: DS2040475, HOSE
3Артикул: DS2040487, HOSE
Подробнее >
КОНДИЦИОНЕР(1)

КОНДИЦИОНЕР(1)

1Артикул: 440213-00800, VENTILATION
2Артикул: 420102-01163, HOSE,SUCTION
3Артикул: K1011385, . O-RING
Подробнее >
1600 SUPPORT

1600 SUPPORT

1Артикул: 110958-04292, SUPPORT & BAFFLE ASSY
2Артикул: 110958-03777B, SUPPORT
3Артикул: 110958-04347A, SUPPORT
Подробнее >
КРЫШКА ТРУБОПРОВОДА

КРЫШКА ТРУБОПРОВОДА

1Артикул: 110517-00895C, COVER ASSY,SIDE
2Артикул: 110517-00206C, COVER,SIDE
3Артикул: 110517-00208G, COVER,SIDE
Подробнее >
ТРУБОПРОВОД СЕРВОУПРАВЛЕНИЯ(6)

ТРУБОПРОВОД СЕРВОУПРАВЛЕНИЯ(6)

1Артикул: 420212-08953G, PIPING,PILOT
2Артикул: 410113-00313A, VALVE,JOYSTICK(L.H)
3Артикул: DS2095001, HOSE
Подробнее >
КРЕСЛО - ОБОГРЕВАТЕЛЬ

КРЕСЛО - ОБОГРЕВАТЕЛЬ

1Артикул: 901-00047, SEAT ASS`Y
2Артикул: K9001200, UPPER ASS`Y
3Артикул: K9001201, BACK COVER
Подробнее >
РУКОЯТКА В СБОРЕ

РУКОЯТКА В СБОРЕ

1Артикул: 110925-00007, HANDLE ASSY,OUTER
2Артикул: 172-00053B, . HANDLE,OUTER
3Артикул: 2120-2166D2, . BOLT
Подробнее >
АКУСТИЧЕСКАЯ НОПЛАСТОВАЯ ИЗОЛЯЦИЯ

АКУСТИЧЕСКАЯ НОПЛАСТОВАЯ ИЗОЛЯЦИЯ

1Артикул: 180102-01669, FOAM ASSY
2Артикул: K1002731, FOAM;POLYURETHANE
3Артикул: 180102-01671, FOAM
Подробнее >
ТРУБОПРОВОД СЕРВОУПРАВЛЕНИЯ(2)

ТРУБОПРОВОД СЕРВОУПРАВЛЕНИЯ(2)

1Артикул: 420212-05979, PIPING,PILOT
2Артикул: 400804-00085, ACCUMULATOR
3Артикул: 110406-05417, BRACKET
Подробнее >
ОБТЕКАЕМАЯ ПОДКУЗОВНАЯ ПАНЕЛЬ

ОБТЕКАЕМАЯ ПОДКУЗОВНАЯ ПАНЕЛЬ

1Артикул: 110513-02251, UNDER COVER ASSY
2Артикул: 110513-00732C, COVER,UNDER
3Артикул: 110513-00733C, COVER,UNDER
Подробнее >
ТРУБОПРОВОД СЕРВОУПРАВЛЕНИЯ(3)

ТРУБОПРОВОД СЕРВОУПРАВЛЕНИЯ(3)

1Артикул: 420212-05979, PIPING,PILOT
2Артикул: 120804-00078, WASHER,HARD
3Артикул: S8000141, O-RING
Подробнее >
1670 BONNET

1670 BONNET

1Артикул: 110501-00449C, BONNET ASSY
2Артикул: 110501-00449E, BONNET ASSY
3Артикул: 110501-00450A, BONNET
Подробнее >
1510 CABIN(3) - ROOF

1510 CABIN(3) - ROOF

1Артикул: 220101-01250G, CABIN ASSY
2Артикул: 2120-2166D10, SCREW
3Артикул: 191-03166C, STRIKER PLATE ROOF
Подробнее >
ПОРУЧЕНЬ

ПОРУЧЕНЬ

1Артикул: 110508-30656, COVER ASSY
2Артикул: 101582-00266B, RAIL,HAND
3Артикул: 101582-00112E, . RAIL,HAND
Подробнее >
ТУБОПРОВОД МАСЛЯНОГО РАДИАТОРА(2)

ТУБОПРОВОД МАСЛЯНОГО РАДИАТОРА(2)

1Артикул: 420212-05977, PIPING,OIL COOLER
2Артикул: 420207-04294, PIPE
3Артикул: 420217-00505, PIPE
Подробнее >
ПЛАСТИНА СИДЕНЬЯ

ПЛАСТИНА СИДЕНЬЯ

1Артикул: K1002229A, SEAT PLATE
2Артикул: K1002230A, BRACKET
3Артикул: K1002231A, PLATE
Подробнее >
ЭЛЕКТРИЧЕСКИЕ ЗАПЧАСТИ - АНАЛОГИ

ЭЛЕКТРИЧЕСКИЕ ЗАПЧАСТИ - АНАЛОГИ

1Артикул: 300619-04212, ELECTRIC ASSY,CHASSIS
2Артикул: 2506-6008, BATTERY
3Артикул: 110406-05320, BRACKET
Подробнее >
УСТАНОВКА ГЕНЕРАТОРА ПЕРЕМЕННОГО ТОКА

УСТАНОВКА ГЕНЕРАТОРА ПЕРЕМЕННОГО ТОКА

1Артикул: K1009387A, ALTERNATOR MOUNTING
2Артикул: 300901-00221, ALTERNATOR ASSY
3Артикул: S5102703, WASHER
Подробнее >
КОНДИЦИОНЕР(2)

КОНДИЦИОНЕР(2)

1Артикул: 440213-00800, VENTILATION
2Артикул: 2185-1308D9, HOSE
3Артикул: 2185-1308D7, HOSE
Подробнее >
1790 AUDIO

1790 AUDIO

1Артикул: 300654-00039A, STEREO,CAR(RADIO/USB)
2Артикул: 300654-00067, STEREO,CAR
Подробнее >
1500 CABIN(2) - SLIDE DOOR

1500 CABIN(2) - SLIDE DOOR

1Артикул: 220101-01250G, CABIN ASSY
2Артикул: 162-00034B, STRIP,WEATHER
3Артикул: 2114-1898D14, WASHER
Подробнее >
БОКОВАЯ ДВЕРЬ - ЛЕВОСТОРОННИЙ

БОКОВАЯ ДВЕРЬ - ЛЕВОСТОРОННИЙ

1Артикул: 110508-30656, COVER ASSY
2Артикул: 110982-01197C, DOOR ASSY,SIDE;LH
3Артикул: 110958-04298C, . SUPPORT;LH
Подробнее >
ТРУБОПРОВОД СМАЗОЧНОЙ СИСТЕМЫ

ТРУБОПРОВОД СМАЗОЧНОЙ СИСТЕМЫ

1Артикул: K1002271B, LUBRICATION PIPING
2Артикул: K1002423A, PIPE
3Артикул: K1002424A, PIPE
Подробнее >
ТОПЛИВНЫЕ ТРУБОПРОВОДЫ

ТОПЛИВНЫЕ ТРУБОПРОВОДЫ

1Артикул: 420212-15979, PIPING,FUEL
2Артикул: DS2105143, HOSE,FUEL
3Артикул: S8470020, CLAMP
Подробнее >
1100 MAIN FRAME

1100 MAIN FRAME

1Артикул: 160620-00807, FRAME ASSY,MAIN
2Артикул: 120-00046A, BOLT
3Артикул: S0776266, BOLT
Подробнее >
ПУЛЬТ УПРАВЛЕНИЯ - ЛЕВОСТОРОННИЙ

ПУЛЬТ УПРАВЛЕНИЯ - ЛЕВОСТОРОННИЙ

1Артикул: 220111-00022C, STAND ASSY,CONTROL(L.H)
2Артикул: 110431-00132, BRACKET,STAND
3Артикул: 220204-00282, COVER,STAND
Подробнее >
1190 SWING DEVICE

1190 SWING DEVICE

1Артикул: 170301-00196, DEVICE ASSY,SWING
2Артикул: 170301-00001K, DEVICE ASSY,SWING
3Артикул: -, . DEVICE,SWING
Подробнее >
УПРАВЛЕНИЕ ДВИГАТЕЛЕМ В СБОРЕ

УПРАВЛЕНИЕ ДВИГАТЕЛЕМ В СБОРЕ

1Артикул: 150126-00123, CONTROL ASSY,ENGINE
2Артикул: 300513-00010, MOTOR,ENGINE CONTROL
3Артикул: 110508-24586, COVER
Подробнее >
БОКОВАЯ ДВЕРЬ - ПРАВОСТОРОННИЙ

БОКОВАЯ ДВЕРЬ - ПРАВОСТОРОННИЙ

1Артикул: 110508-30662, COVER ASSY;PUMP ROOM
2Артикул: 110982-01208C, DOOR ASSY,SIDE;RH
3Артикул: 110958-04811B, . SUPPORT;RH
Подробнее >
CAC ТРУБОПРОВОД

CAC ТРУБОПРОВОД

1Артикул: 420212-15991, PIPING,CAC
2Артикул: 420101-01603A, HOSE
3Артикул: 420101-01602, HOSE
Подробнее >
ТРУБОПРОВОД СЕРВОУПРАВЛЕНИЯ(1)

ТРУБОПРОВОД СЕРВОУПРАВЛЕНИЯ(1)

1Артикул: 420212-05979, PIPING,PILOT
2Артикул: 400407-00008, FILTER,PILOT
3Артикул: -, . HEAD
Подробнее >
КОВРИК НА ПОЛУ КУЗОВА

КОВРИК НА ПОЛУ КУЗОВА

1Артикул: 110935-00566, MAT ASSY,FLOOR
2Артикул: 110935-00069B, MAT,FLOOR
Подробнее >
ЭЛЕКТРИЧЕСКИЕ ЗАПЧАСТИ - ПРОВОДКА

ЭЛЕКТРИЧЕСКИЕ ЗАПЧАСТИ - ПРОВОДКА

1Артикул: 300619-04209, WIRING HARNESS
2Артикул: 110406-02760A, BRACKET
3Артикул: 110406-02674, BRACKET
Подробнее >
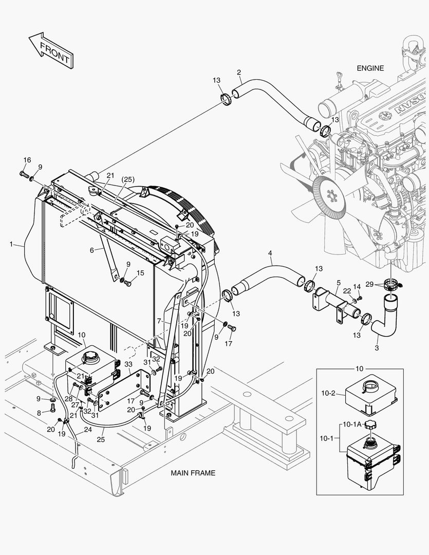
1140 RADIATOR

1140 RADIATOR

1Артикул: 440211-01016B, RADIATOR ASS`Y
2Артикул: 440211-01135, RADIATOR
3Артикул: 110910-00906, . CAP,RADIATOR
Подробнее >
КРЫШКА АККУМУЛЯТОРА

КРЫШКА АККУМУЛЯТОРА

1Артикул: 110508-30656, COVER ASSY
2Артикул: 110503-00244C, COVER ASSY,BATTERY
3Артикул: -, . COVER,BATTERY
Подробнее >
ТРУБОПРОВОД СЕРВОУПРАВЛЕНИЯ(4)

ТРУБОПРОВОД СЕРВОУПРАВЛЕНИЯ(4)

1Артикул: 420212-05979, PIPING,PILOT
2Артикул: S8000141, O-RING
3Артикул: 2181-1126D38, ADAPTER
Подробнее >
УСТАНОВКА СИДЕНЬЯ - ОБОГРЕВАТЕЛЬ

УСТАНОВКА СИДЕНЬЯ - ОБОГРЕВАТЕЛЬ

1Артикул: K1002085, SEAT MOUNTING
2Артикул: 901-00047, SEAT ASS`Y
3Артикул: S2208866, BOLT,SOCKET M8X1.25X20
Подробнее >
РАБОЧАЯ ФАРА - 2 ЛАМПЫ

РАБОЧАЯ ФАРА - 2 ЛАМПЫ

1Артикул: 300619-02733A, LAMP ASSY,WORKING(2 LAMP)
2Артикул: 534-00085, LAMP
3Артикул: 2515-1016D4, . BULB,HALOGEN
Подробнее >
ЭЛЕКТРИЧЕСКИЕ ЗАПЧАСТИ - КАБИНА

ЭЛЕКТРИЧЕСКИЕ ЗАПЧАСТИ - КАБИНА

1Артикул: 300619-04152B, ELECTRIC ASSY,CABIN
2Артикул: S5010313, WASHER
3Артикул: S3450983, SCREW
Подробнее >
ГЛАВНАЯ МАГИСТРАЛЬ(1) - НАСОС

ГЛАВНАЯ МАГИСТРАЛЬ(1) - НАСОС

1Артикул: 420212-11453, PIPING,MAIN
2Артикул: 410105-00754, VALVE,CONTROL
3Артикул: 410105-00754A, VALVE,MAIN CONTROL
Подробнее >
1640 COVER

1640 COVER

1Артикул: 110508-30656, COVER ASSY
2Артикул: 621-03025A, COVER;TANK
3Артикул: 110508-31054A, COVER,UPPER;RADIATOR
Подробнее >
1150 MUFFLER

1150 MUFFLER

1Артикул: 240103-00979, MUFFLER ASSY
2Артикул: 240103-00981B, MUFFLER ASSY
3Артикул: 110421-00155B, . BRACKET
Подробнее >
ТУБОПРОВОД МАСЛЯНОГО РАДИАТОРА(1)

ТУБОПРОВОД МАСЛЯНОГО РАДИАТОРА(1)

1Артикул: 420212-05977, PIPING,OIL COOLER
2Артикул: 420218-00171B, PIPE
3Артикул: DS2055883, HOSE
Подробнее >
РУКОЯТКА - КАБИНА

РУКОЯТКА - КАБИНА

1Артикул: K1038240, HANDLE ASSY
2Артикул: K1038247, HANDLE
3Артикул: 2120-2166D4, BOLT
Подробнее >