+7 (701) 588 50 05 Телефон для связи
RU

WhatsApp

Позвонить

10 КОРПУСНЫЕ ДЕТАЛИ в Алматы

1360 BAFFLE ASS`Y [5001~10080]

1360 BAFFLE ASS`Y [5001~10080]

1Артикул: K1015309B, BAFFLE ASS`Y
2Артикул: K1018490A, COVER;BAFFLE
3Артикул: 110502-00928, COVER,BAFFLE
Подробнее >
1161 MAIN PIPING [5029~]

1161 MAIN PIPING [5029~]

1Артикул: K1015144C, MAIN PIPING
2Артикул: 401-00081A, MAIN PUMP
3Артикул: 4420-9406, PRIORITY VALVE
Подробнее >
1210 COOLER PIPING [5001~10080]

1210 COOLER PIPING [5001~10080]

1Артикул: K1013798K, COOLER PIPING
2Артикул: 420212-02942, PIPING,COOLER
3Артикул: K1013857B, RADIATOR ASS`Y
Подробнее >
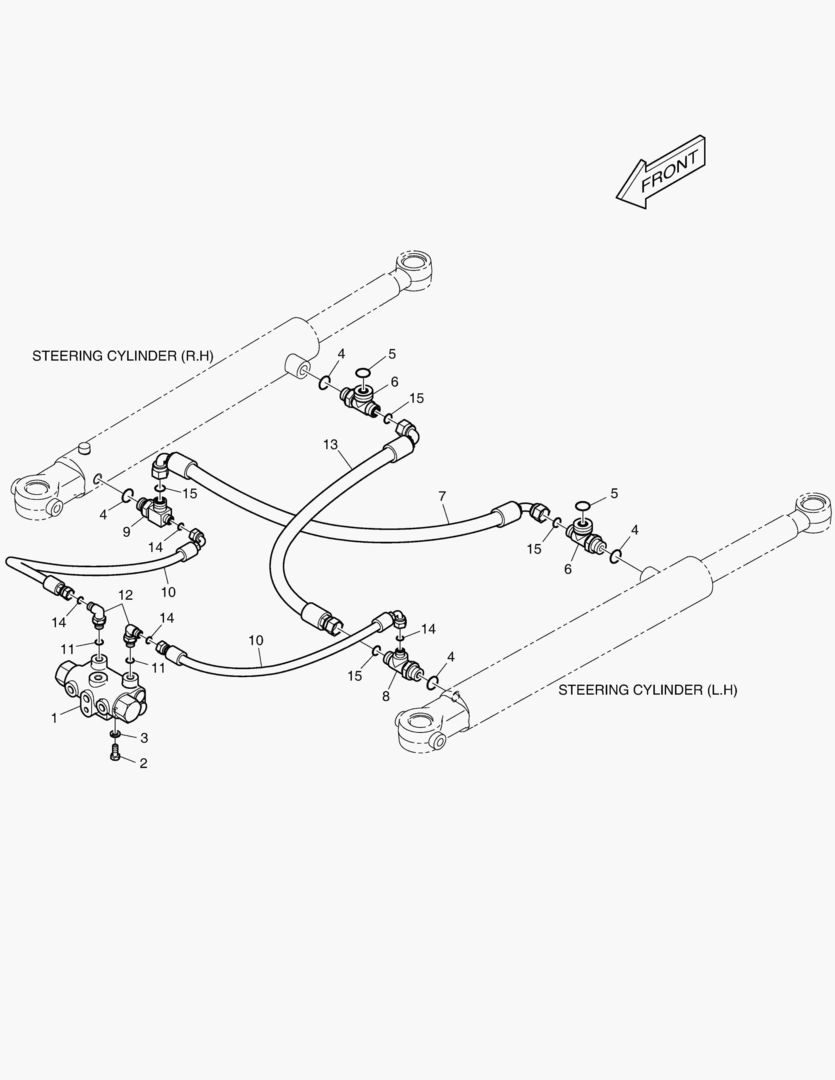
ПАТРУБКИ РУЛЕВОГО УПРАВЛЕНИЯ

ПАТРУБКИ РУЛЕВОГО УПРАВЛЕНИЯ

1Артикул: K1023670, STEERING PIPING ASS`Y
2Артикул: 420-00172, VALVE;CUSHION
3Артикул: S0508866, BOLT;M8X1.25X20
Подробнее >
1130 FUEL TANK

1130 FUEL TANK

1Артикул: K1013955H, FUEL TANK ASS`Y
2Артикул: 450103-00082, TANK ASSY,FUEL
3Артикул: K1013959B, TANK;FUEL
Подробнее >
КАБИНА(4) - ДВЕРЬ В СБОРЕ(ПРАВОСТОРОННИЙ)

КАБИНА(4) - ДВЕРЬ В СБОРЕ(ПРАВОСТОРОННИЙ)

1Артикул: K1016629E, CABIN ASS`Y
2Артикул: K1016629H, CABIN ASS`Y
3Артикул: 220101-00072A, CABIN ASSY
Подробнее >
1361 BAFFLE ASS`Y [10081~]

1361 BAFFLE ASS`Y [10081~]

1Артикул: K1015309B, BAFFLE ASS`Y
2Артикул: 110502-00928A, COVER,BAFFLE
3Артикул: 110502-00930A, COVER,BAFFLE
Подробнее >
1440 ELECTRIC PARTS(1) - BATTERY & REAR LAMP

1440 ELECTRIC PARTS(1) - BATTERY & REAR LAMP

1Артикул: K1015684A, ELECTRIC PARTS(1) - BATTERY & REAR LAMP
2Артикул: 300619-00876, ELECTRIC ASSY;REAR FRAME
3Артикул: 506-00006, BATTERY
Подробнее >
1100 FRAME

1100 FRAME

1Артикул: K1029711J, FRAME
2Артикул: K1029712A, FRAME;FRONT
3Артикул: 160613-00002, FRAME,FRONT
Подробнее >
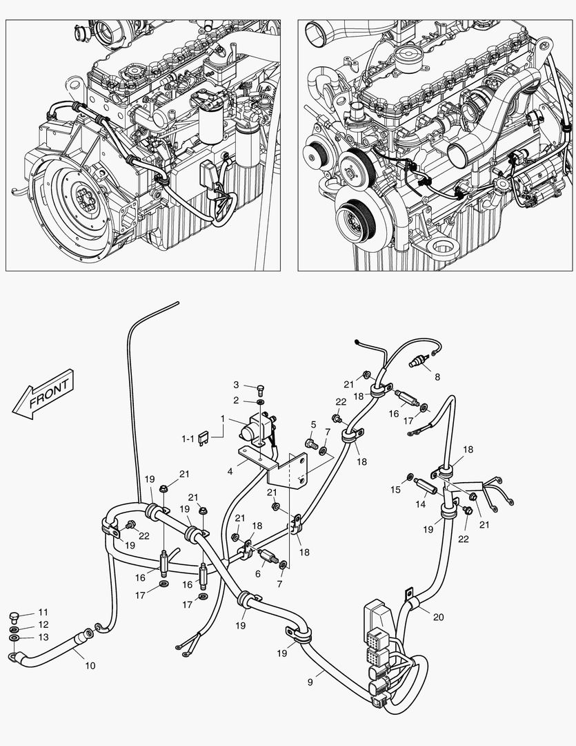
1420 ELECTRIC PARTS - ENGINE [5001~5028]

1420 ELECTRIC PARTS - ENGINE [5001~5028]

1Артикул: K1015687B, ELECTRIC PARTS - ENGINE
2Артикул: 544-00007, RELAY;PREHEAT
3Артикул: 527-00005, . FUSE;PREHEAT RELAY
Подробнее >
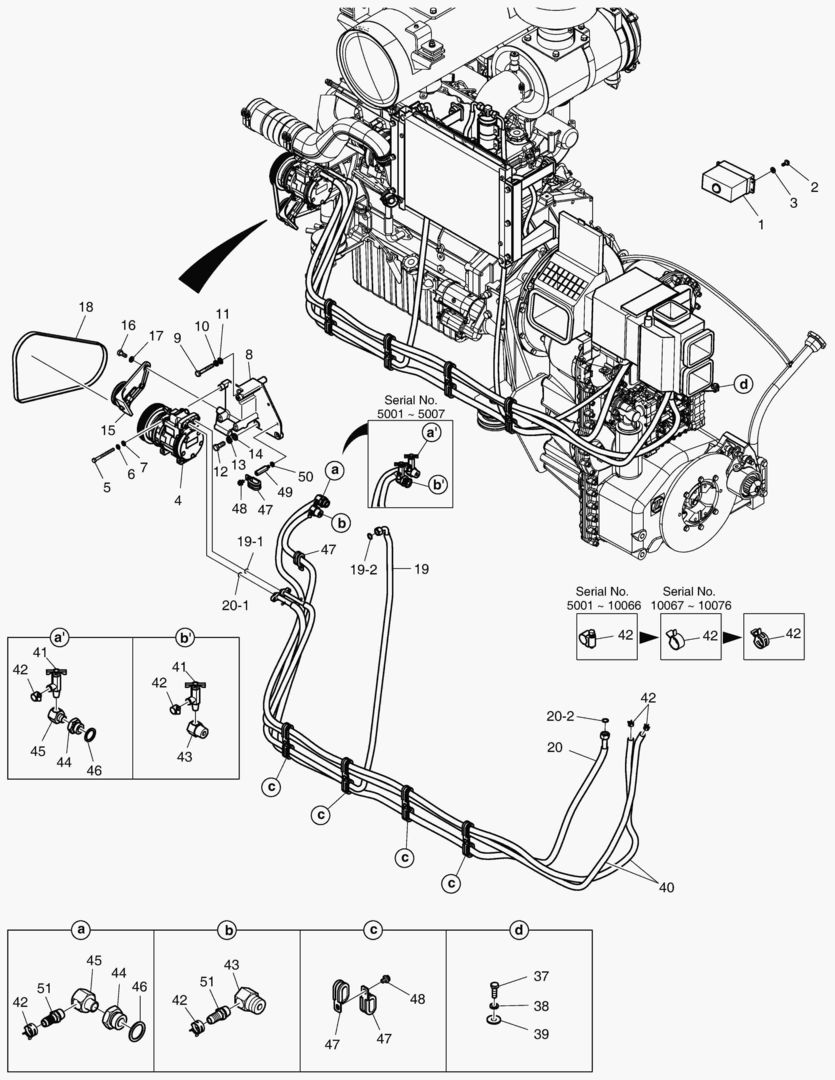
КОНДИЦИОНЕР(1)

КОНДИЦИОНЕР(1)

1Артикул: K1015689E, AIRCONDITION (1)
2Артикул: 440213-00038, VENTILATION ASSY;CABIN
3Артикул: 440213-00038E, VENTILATION ASSY,CABIN
Подробнее >
УСТАНОВКА ГЕНЕРАТОРА ПЕРЕМЕННОГО ТОКА

УСТАНОВКА ГЕНЕРАТОРА ПЕРЕМЕННОГО ТОКА

1Артикул: K1023699, ALTERNATOR MOUNTING
2Артикул: S5102703, WASHER
3Артикул: 2114-1058D54, WASHER
Подробнее >
1245 MIRROR-CABIN [5008~]

1245 MIRROR-CABIN [5008~]

1Артикул: K1050865, MIRROR ASS`Y
2Артикул: 110969-00004, MIRROR ASS`Y
3Артикул: K1051992, MIRROR;REAR VIEW(L.H)
Подробнее >
УСТАНОВКА КАБИНЫ

УСТАНОВКА КАБИНЫ

1Артикул: K1023929, CABIN MOUNTING
2Артикул: 160626-00019, MOUNT ASSY,CABIN
3Артикул: 2161-9057, CABIN MOUNT
Подробнее >
УСТАНОВКА ДЖОЙСТИКА - 3-Й РЫЧАГ

УСТАНОВКА ДЖОЙСТИКА - 3-Й РЫЧАГ

1Артикул: K1010016B, LEVER;FNR
2Артикул: 101101-00064, LEVER ASSY
3Артикул: 101101-00064B, LEVER ASSY
Подробнее >
1460 ELECTRIC PARTS(3) - WIRING [5001~10075]

1460 ELECTRIC PARTS(3) - WIRING [5001~10075]

1Артикул: K1015688J, ELECTRIC PRATS(3) - WIRING
2Артикул: 300619-00877, ELECTRIC ASSY;WIRING
3Артикул: K1027464, BRACKET;CONNECTOR
Подробнее >
1195 BRAKE PEDAL VALVE & STEER UNIT [5029~]

1195 BRAKE PEDAL VALVE & STEER UNIT [5029~]

1Артикул: 220101-00268A, BRAKE PEDAL V/V+STEERING
2Артикул: 220101-00268B, BRAKE PEDAL V/V+STEERING
3Артикул: 220101-00268C, BRAKE PEDAL V/V+STEERING
Подробнее >
СИДЕНИЕ В СБОРЕ- МЕХАНИЧЕСКАЯ ПОДВЕСКА

СИДЕНИЕ В СБОРЕ- МЕХАНИЧЕСКАЯ ПОДВЕСКА

1Артикул: K1006125A, SEAT ASS`Y-MECHANIC SUS
2Артикул: K1051872, SEAT;MECHANICAL SUSPENSE
3Артикул: 4901-9036, SEAT
Подробнее >
ТРУБОПРОВОД СЕРВОУПРАВЛЕНИЯ - 3 КАТУШКИ

ТРУБОПРОВОД СЕРВОУПРАВЛЕНИЯ - 3 КАТУШКИ

1Артикул: K1019023B, PILOT PIPING - 3 SPOOL
2Артикул: K1003380A, VALVE;JOYSTICK
3Артикул: K1023669A, BRACKET
Подробнее >
1350 COUNTER WEIGHT & REAR LAMP

1350 COUNTER WEIGHT & REAR LAMP

1Артикул: K1014189A, COUNTER WEIGHT & REAR LAMP ASS`Y
2Артикул: K1014132, COUNTER WEIGHT
3Артикул: 160702-00308, WEIGHT,COUNTER
Подробнее >
КАБИНА(5) - СТЕКЛО

КАБИНА(5) - СТЕКЛО

1Артикул: K1016629E, CABIN ASS`Y
2Артикул: K1016629H, CABIN ASS`Y
3Артикул: 220101-00072A, CABIN ASSY
Подробнее >
1380 FENDER & LADDER

1380 FENDER & LADDER

1Артикул: K1029670A, FENDER & LADDER
2Артикул: 180307-00070, FENDER & LADDER ASSY
3Артикул: K1030138A, FENDER;FRONT (R.H)
Подробнее >
1461 ELECTRIC PARTS(3) - WIRING [10076~]

1461 ELECTRIC PARTS(3) - WIRING [10076~]

1Артикул: 300619-00877, ELECTRIC ASSY;WIRING
2Артикул: 310207-00773H, HARNESS,MAIN
3Артикул: 310207-00773K, HARNESS,MAIN
Подробнее >
1400 ELECTRIC BOX - FINGER REMOCON [5001~5007]

1400 ELECTRIC BOX - FINGER REMOCON [5001~5007]

1Артикул: K1015693C, ELECTRIC BOX
2Артикул: K1006134C, SUPPORT
3Артикул: 2543-9015, CONTROLLER,STARTER
Подробнее >
КАБИНА(3) - ДВЕРЬ В СБОРЕ(ЛЕВОСТОРОННИЙ)

КАБИНА(3) - ДВЕРЬ В СБОРЕ(ЛЕВОСТОРОННИЙ)

1Артикул: K1016629E, CABIN ASS`Y
2Артикул: K1016629H, CABIN ASS`Y
3Артикул: 220101-00072A, CABIN ASSY
Подробнее >
1200 BRAKE PIPING

1200 BRAKE PIPING

1Артикул: K1015124A, BRAKE PIPING
2Артикул: 420-00079C, BRAKE & PILOT VALVE
3Артикул: S2213666, BOLT
Подробнее >
1390 ELECTRIC BOX - FNR LEVER [5001~5007]

1390 ELECTRIC BOX - FNR LEVER [5001~5007]

1Артикул: K1015692C, ELECTRIC;BOX
2Артикул: K1006134C, SUPPORT
3Артикул: 2543-9015, CONTROLLER,STARTER
Подробнее >
КАБИНА(2) - ВНУТРЕННИЕ ЛИСТЫ

КАБИНА(2) - ВНУТРЕННИЕ ЛИСТЫ

1Артикул: K1016629E, CABIN ASS`Y
2Артикул: K1016629H, CABIN ASS`Y
3Артикул: 220101-00072A, CABIN ASSY
Подробнее >
ЭЛЕКТРИЧЕСКИЕ ЗАПЧАСТИ(2) - ФРОНТАЛЬНЫЙ

ЭЛЕКТРИЧЕСКИЕ ЗАПЧАСТИ(2) - ФРОНТАЛЬНЫЙ

1Артикул: K1033024A, ELECTRIC PARTS(2) - FRONT
2Артикул: 300619-00598A, ELECTRIC ASSY;CHASSIS
3Артикул: 516-00014, HORN;HIGH
Подробнее >
РЕКУЛИРУЮЩИЙ КЛАПАН ТРУБОПРОВОДА - 3 КАТУШКИ

РЕКУЛИРУЮЩИЙ КЛАПАН ТРУБОПРОВОДА - 3 КАТУШКИ

1Артикул: K1029496C, CONTROL VALVE PIPING (3-SPOOL)
2Артикул: K1003041A, CONTROL VALVE-3 SPOOL
3Артикул: K1007124A, SUPPORT
Подробнее >
КРЫШКА ДВИГАТЕЛЯ В СБОРЕ

КРЫШКА ДВИГАТЕЛЯ В СБОРЕ

1Артикул: K1016126M, ENGINE COVER ASS`Y
2Артикул: 110508-00453, COVER ASSY
3Артикул: K1015828B, SUPPORT;OIL TANK
Подробнее >
МОНТАЖ ДВИГАТЕЛЯ

МОНТАЖ ДВИГАТЕЛЯ

1Артикул: K1015618C, ENGINE MOUNTING
2Артикул: 150109-00102, ENGINE & TRANSMISSION ASSY
3Артикул: K1014385, ENGINE(TIER-3)
Подробнее >
КАБИНА(1)-КОРПУС

КАБИНА(1)-КОРПУС

1Артикул: K1016629E, CABIN ASS`Y
2Артикул: K1016629H, CABIN ASS`Y
3Артикул: 220101-00072A, CABIN ASSY
Подробнее >
1421 ELECTRIC PARTS - ENGINE [5029~]

1421 ELECTRIC PARTS - ENGINE [5029~]

1Артикул: 300619-01132, ELECTRIC ASSY;ENGINE
2Артикул: 301202-00067, RELAY,PRE HEATER
3Артикул: DS0025033, BOLT
Подробнее >
УСТАНОВКА ДЖОЙСТИКА - ПОВОРОТНЫЙ РЫЧАГ

УСТАНОВКА ДЖОЙСТИКА - ПОВОРОТНЫЙ РЫЧАГ

1Артикул: K1010015A, LEVER;FINGER 3-SPOOL
2Артикул: 101101-00288, LEVER ASSY
3Артикул: K1006100A, COVER
Подробнее >
ПУЛЬТ УПРАВЛЕНИЯ

ПУЛЬТ УПРАВЛЕНИЯ

1Артикул: K1016711E, CONTROL STAND - MONO
2Артикул: 110953-00004A, STAND ASSY
3Артикул: 110953-00004B, STAND ASSY
Подробнее >
ДИСТАНЦИОННЫЙ ТРУБОПРОВОД ПРОВЕРКИ ДАВЛЕНИЯ

ДИСТАНЦИОННЫЙ ТРУБОПРОВОД ПРОВЕРКИ ДАВЛЕНИЯ

1Артикул: K1016014A, REMOTE PRESSURE CHECK PIPING
2Артикул: 420212-02974, PIPING,REMOTE PRESS CHECK
3Артикул: 420212-02974A, PIPING,REMOTE PRESS CHECK
Подробнее >
1401 ELECTRIC BOX - FINGER REMOCON [5008~]

1401 ELECTRIC BOX - FINGER REMOCON [5008~]

1Артикул: K1015693J, ELECTRIC BOX
2Артикул: 300619-00490A, ELECTRIC BOX(TWO LEVER)
3Артикул: 300619-00490B, ELECTRIC BOX(TWO LEVER)
Подробнее >
ТРУБОПРОВОД В СБОРЕ

ТРУБОПРОВОД В СБОРЕ

1Артикул: K1016782A, DUCT ASS`Y
2Артикул: 460103-00833, DUCT ASS`Y
3Артикул: 2213-9002, DUCT;FOOT
Подробнее >
1211 COOLER PIPING [10081~]

1211 COOLER PIPING [10081~]

1Артикул: 420212-02942, PIPING,COOLER
2Артикул: 440211-00111C, RADIATOR ASSY
3Артикул: 440211-01110, . RADIATOR ASSY
Подробнее >
ЭЛЕКТРИЧЕСКИЕ ЗАПЧАСТИ - КАБИНА

ЭЛЕКТРИЧЕСКИЕ ЗАПЧАСТИ - КАБИНА

1Артикул: K1015694J, ELECTRIC PARTS
2Артикул: 300619-00488B, ELECTRIC ASSY;CABIN
3Артикул: 300619-00488E, ELECTRIC ASSY
Подробнее >
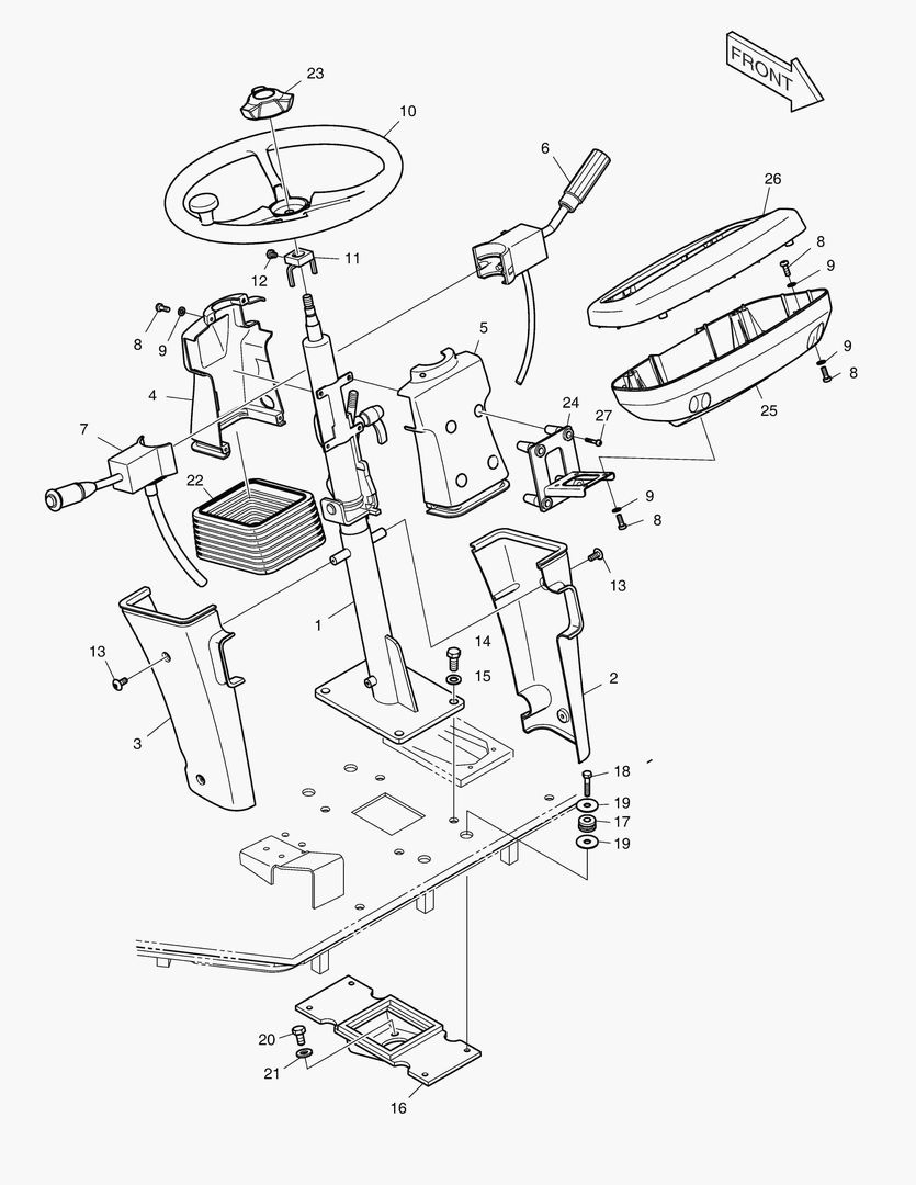
РУЛЕВОЕ УПРАВЛЕНИЕ В СБОРЕ

РУЛЕВОЕ УПРАВЛЕНИЕ В СБОРЕ

1Артикул: K1016774C, STEERING COLUMN ASS`Y
2Артикул: 190109-00029, COLUMN ASSY,STEERING
3Артикул: 190109-00029B, COLUMN ASSY,STEERING
Подробнее >
1140 AXLE & DRIVE SHAFT

1140 AXLE & DRIVE SHAFT

1Артикул: K1014964G, AXLE & DRIVE SHAFT
2Артикул: 190101-00048, AXLE ASSY
3Артикул: 211-00167B, AXLE;FRONT
Подробнее >
РЕЗЕРВУАР ДЛЯ МАСЛА

РЕЗЕРВУАР ДЛЯ МАСЛА

1Артикул: K1013953J, OIL TANK ASS`Y
2Артикул: 450105-00499, OIL TANK ASS`Y
3Артикул: K1013957H, TANK;OIL
Подробнее >
1391 ELECTRIC BOX - FNR LEVER [5008~]

1391 ELECTRIC BOX - FNR LEVER [5008~]

1Артикул: K1015692J, ELECTRIC;BOX
2Артикул: 300619-00489A, ELECTRIC ASSY;ELEC BOX
3Артикул: 300619-00489B, ELECTRIC ASSY;ELEC BOX
Подробнее >
КОЛЕСА В СБОРЕ

КОЛЕСА В СБОРЕ

1Артикул: K1000768AF1, WHEEL ASS`Y
2Артикул: K1000769A, WHEEL ASS`Y
3Артикул: 278-00106A, . RIM;WHEEL
Подробнее >
КОНДИЦИОНЕР(3)

КОНДИЦИОНЕР(3)

1Артикул: K1015689B, AIRCONDITION (2)
2Артикул: 440213-00038, VENTILATION ASSY;CABIN
3Артикул: 440213-00038E, VENTILATION ASSY,CABIN
Подробнее >
1160 MAIN PIPING [5001~5028]

1160 MAIN PIPING [5001~5028]

1Артикул: K1015144B, MAIN PIPING ASS`Y
2Артикул: 401-00081A, MAIN PUMP
3Артикул: 420-00523, UNIT;STEERING
Подробнее >
КОНДИЦИОНЕР(2)

КОНДИЦИОНЕР(2)

1Артикул: K1015689B, AIRCONDITION (2)
2Артикул: 440213-00038, VENTILATION ASSY;CABIN
3Артикул: 440213-00038E, VENTILATION ASSY,CABIN
Подробнее >