+7 (701) 588 50 05 Телефон для связи
RU

WhatsApp

Позвонить

10 КОРПУСНЫЕ ДЕТАЛИ в Алматы

1170 MAIN PIPING

1170 MAIN PIPING

1Артикул: K1041512, MAIN PIPING ASS`Y
2Артикул: K1015172A, PUMP;MAIN
3Артикул: 4420-9555, UNIT;STEERING
Подробнее >
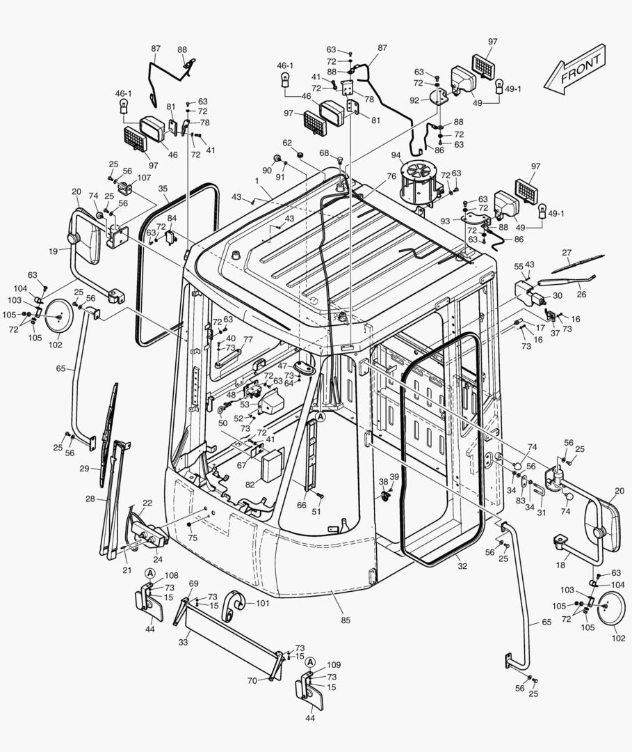
КАБИНА(4) - ДВЕРЬ В СБОРЕ(ПРАВОСТОРОННИЙ)

КАБИНА(4) - ДВЕРЬ В СБОРЕ(ПРАВОСТОРОННИЙ)

1Артикул: K1040881B, CABIN ASS`Y
2Артикул: 220101-00664A, CABIN ASSY
3Артикул: K1041669, DOOR ASS`Y(R.H)
Подробнее >
КАБИНА(3) - ДВЕРЬ В СБОРЕ(ЛЕВОСТОРОННИЙ)

КАБИНА(3) - ДВЕРЬ В СБОРЕ(ЛЕВОСТОРОННИЙ)

1Артикул: K1040881B, CABIN ASS`Y
2Артикул: 220101-00664A, CABIN ASSY
3Артикул: K1041670, DOOR ASS`Y (L.H)
Подробнее >
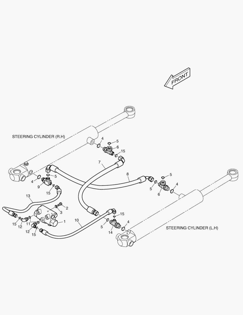
ПАТРУБКИ РУЛЕВОГО УПРАВЛЕНИЯ

ПАТРУБКИ РУЛЕВОГО УПРАВЛЕНИЯ

1Артикул: K1024247, STEERING PIPING ASS`Y
2Артикул: 420-00172, VALVE;CUSHION
3Артикул: S0508866, BOLT;M8X1.25X20
Подробнее >
1150 AXLE & DRIVE SHAFT

1150 AXLE & DRIVE SHAFT

1Артикул: K1040953, AXLE & DRIVE SHAFT ASS`Y
2Артикул: 211-00067, AXLE;FRONT
3Артикул: 190102-00046, AXLE,FRONT;LSD
Подробнее >
РЫЧАГ ПЕРЕКЛЮЧЕНИЯ ПЕРЕДАЧИ В СБОРЕ

РЫЧАГ ПЕРЕКЛЮЧЕНИЯ ПЕРЕДАЧИ В СБОРЕ

1Артикул: K1040296B, ELECTRIC BOX
2Артикул: K1041498A, SUPPORT
3Артикул: 2543-9015, CONTROLLER,STARTER
Подробнее >
КРЫШКА ДВИГАТЕЛЯ В СБОРЕ

КРЫШКА ДВИГАТЕЛЯ В СБОРЕ

1Артикул: K1039615C, ENGINE COVER ASS`Y
2Артикул: K1040668, SUPPORT;OIL TANK
3Артикул: K1040669B, RADIATOR GUARD ASS`Y
Подробнее >
1340 SEAT

1340 SEAT

1Артикул: 901-00041, SEAT
2Артикул: 2.901-00002, UPPER ASS`Y
3Артикул: 2.160-00018, BACK COVER
Подробнее >
ТРУБОПРОВОД В СБОРЕ

ТРУБОПРОВОД В СБОРЕ

1Артикул: K1016782A, DUCT ASS`Y
2Артикул: 2213-9002, DUCT;FOOT
3Артикул: K1010160, DUCT
Подробнее >
УСТАНОВКА КАБИНЫ

УСТАНОВКА КАБИНЫ

1Артикул: K1039612A, CABIN MOUNTING
2Артикул: 2161-9057, CABIN MOUNT
3Артикул: S0512066, BOLT M10X1.5X25
Подробнее >
РЕКУЛИРУЮЩИЙ КЛАПАН ТРУБОПРОВОДА - 3 КАТУШКИ

РЕКУЛИРУЮЩИЙ КЛАПАН ТРУБОПРОВОДА - 3 КАТУШКИ

1Артикул: K1041236B, FRONT PIPING;3 SPOOL
2Артикул: 420-00142, CONTROL VALVE(3-SPOOL)
3Артикул: K1041300, SUPPORT
Подробнее >
ЭЛЕКТРОПРОВОДКА - ЗАДНЯЯ РАМА

ЭЛЕКТРОПРОВОДКА - ЗАДНЯЯ РАМА

1Артикул: K1040294C, ELECTRIC - WIRING
2Артикул: K1040613C, HARNESS;MAIN
3Артикул: 530-00364A, HARNESS;PRESS S/W
Подробнее >
1250 EMERGENCY STEERING

1250 EMERGENCY STEERING

1Артикул: K1041548, EMERGENCY STEERING
2Артикул: 420212-01231, PIPING,EMERGENCY STEER
3Артикул: 401-00129A, EMERGENCY DC MOTOR
Подробнее >
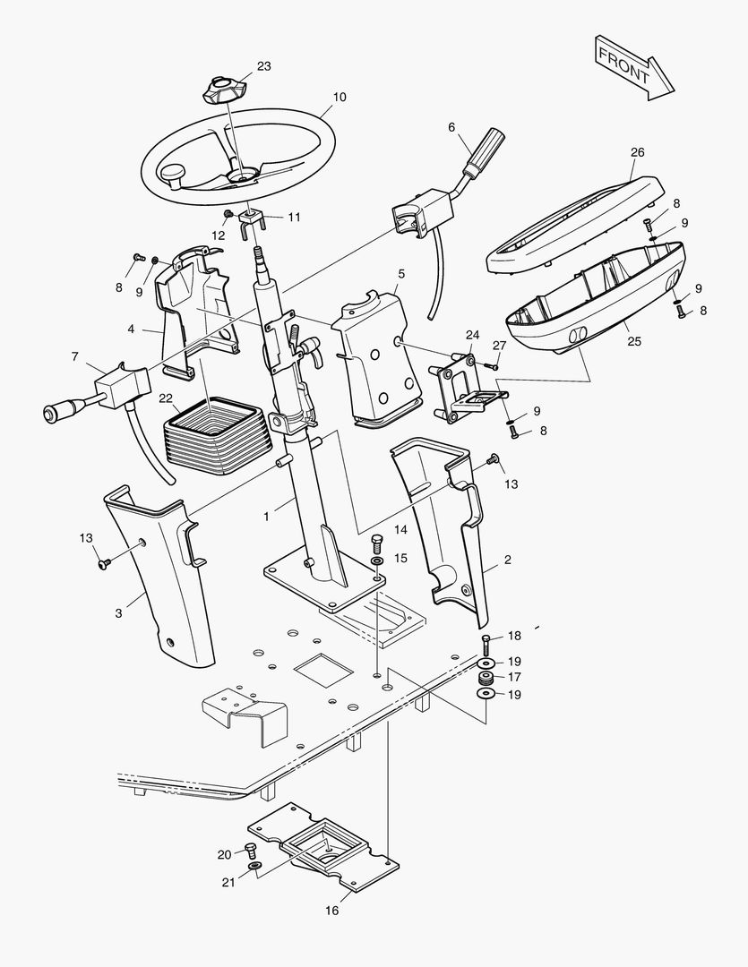
РУЛЕВОЕ УПРАВЛЕНИЕ В СБОРЕ

РУЛЕВОЕ УПРАВЛЕНИЕ В СБОРЕ

1Артикул: K1016774C, STEERING COLUMN ASS`Y
2Артикул: K1027634, COLUMN
3Артикул: K1006049, COVER
Подробнее >
КОЛЕСА В СБОРЕ

КОЛЕСА В СБОРЕ

1Артикул: K1041090A, WHEEL ASS`Y
2Артикул: 278-00084, RIM
3Артикул: 2.422-00007, . VALVE
Подробнее >
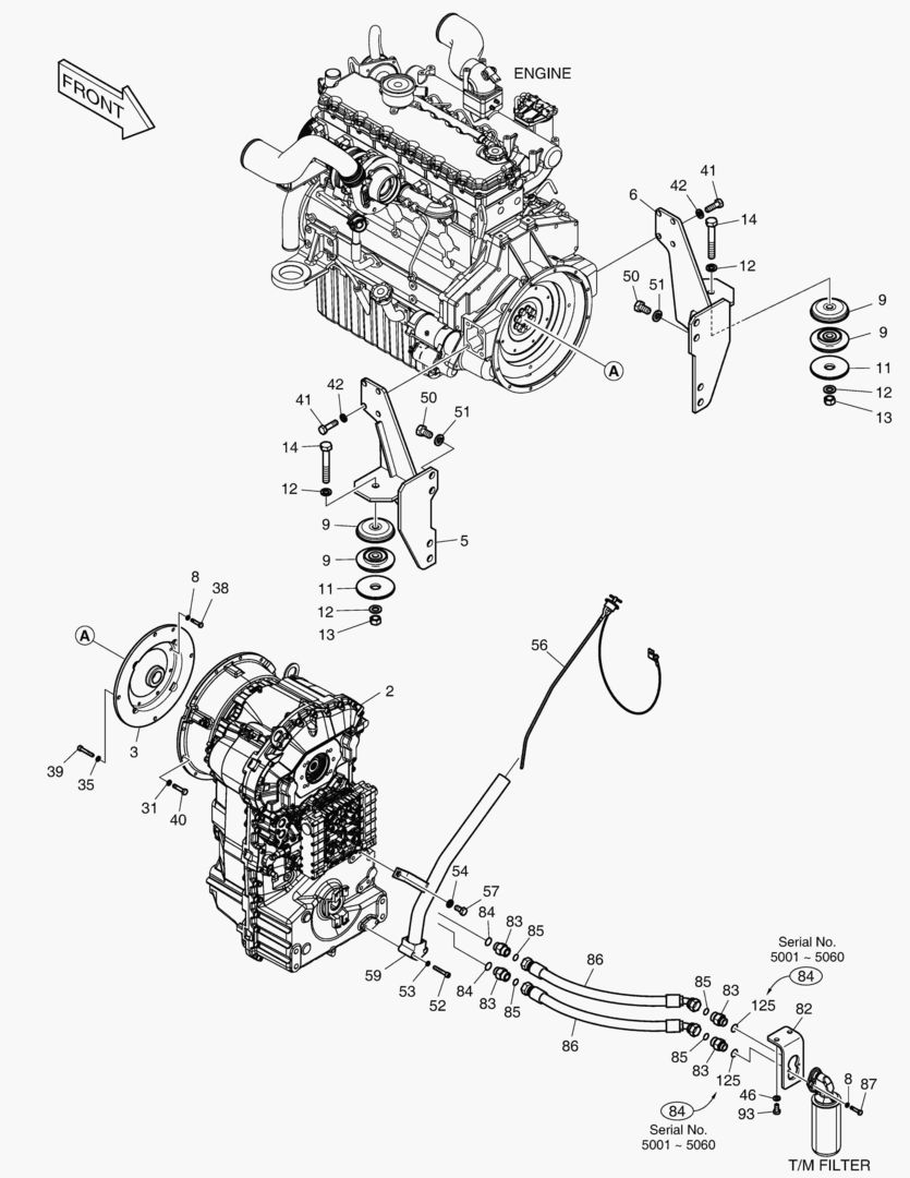
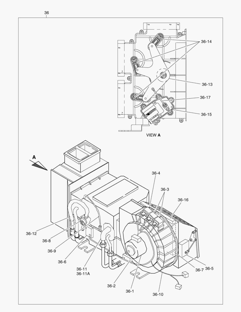
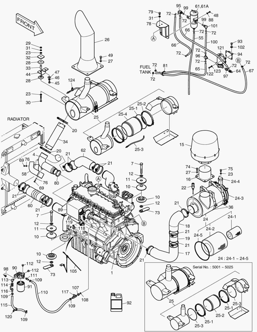
МОНТАЖ ДВИГАТЕЛЯ(2)

МОНТАЖ ДВИГАТЕЛЯ(2)

1Артикул: K1041559B, ENGINE ASS`Y
2Артикул: 150109-00015, ENGINE ASSY
3Артикул: K1039995, TRANSMISSION
Подробнее >
ТРУБОПРОВОД СЕРВОУПРАВЛЕНИЯ - РЫЧАГ ПЕРЕДАЧИ + 3 КАТУШКИ

ТРУБОПРОВОД СЕРВОУПРАВЛЕНИЯ - РЫЧАГ ПЕРЕДАЧИ + 3 КАТУШКИ

1Артикул: K1041545B, PILOT PIPING - FNR + 3 SPOOL
2Артикул: 426-00254, JOYSTICK VALVE
3Артикул: 410113-00017, VALVE ASSY,JOYSTICK
Подробнее >
1450 ELECTRIC PARTS - BATTERY & REAR LAMP

1450 ELECTRIC PARTS - BATTERY & REAR LAMP

1Артикул: K1040291C, ELECTRIC PARTS - BATTERY & REAR LAMP
2Артикул: 300619-00939, ELECTRIC ASSY;REAR FRAME
3Артикул: K1049008, BATTERY
Подробнее >
ЭЛЕКТРИЧЕСКИЕ ЗАПЧАСТИ - КАБИНА

ЭЛЕКТРИЧЕСКИЕ ЗАПЧАСТИ - КАБИНА

1Артикул: K1040297B, ELECTRIC PARTS
2Артикул: 300619-00053, ELECTRIC ASSY
3Артикул: K1040567A, PANEL;GAUGE
Подробнее >
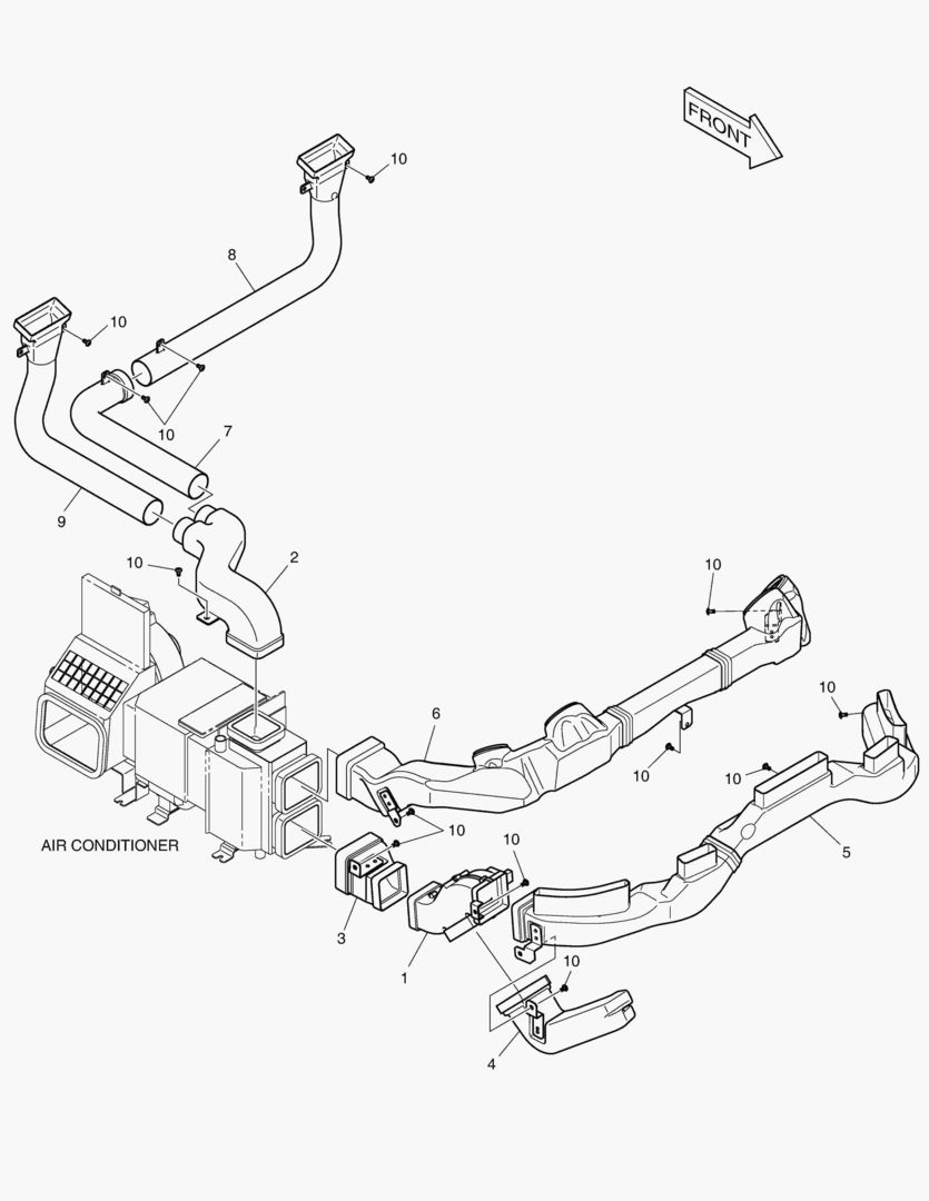
КОНДИЦИОНЕР(2)

КОНДИЦИОНЕР(2)

1Артикул: K1046405, AIRCONDITIONER;CHASSIS
2Артикул: 440213-00048, VENTILATION ASSY;CHASSIS
3Артикул: 2208-6013B, COMPRESSOR
Подробнее >
1410 FENDER & LADDER

1410 FENDER & LADDER

1Артикул: K1039616B, FENDER ASS`Y
2Артикул: K1040307, FENDER;FRONT(R.H)
3Артикул: K1040192, . COVER
Подробнее >
КОНДИЦИОНЕР(1)

КОНДИЦИОНЕР(1)

1Артикул: K1040295A, AIRCONDITION (1)
2Артикул: K1010519, CONTROLLER;AIR CON
3Артикул: S3450583, SCREW
Подробнее >
ЭЛЕКТРИЧЕСКИЕ ЗАПЧАСТИ - ДВИГАТЕЛЬ

ЭЛЕКТРИЧЕСКИЕ ЗАПЧАСТИ - ДВИГАТЕЛЬ

1Артикул: K1040293A, ELECTRIC PARTS - ENGINE
2Артикул: 300619-00900, ELECTRIC ASSY;ENGINE
3Артикул: 544-00007, RELAY;PREHEAT
Подробнее >
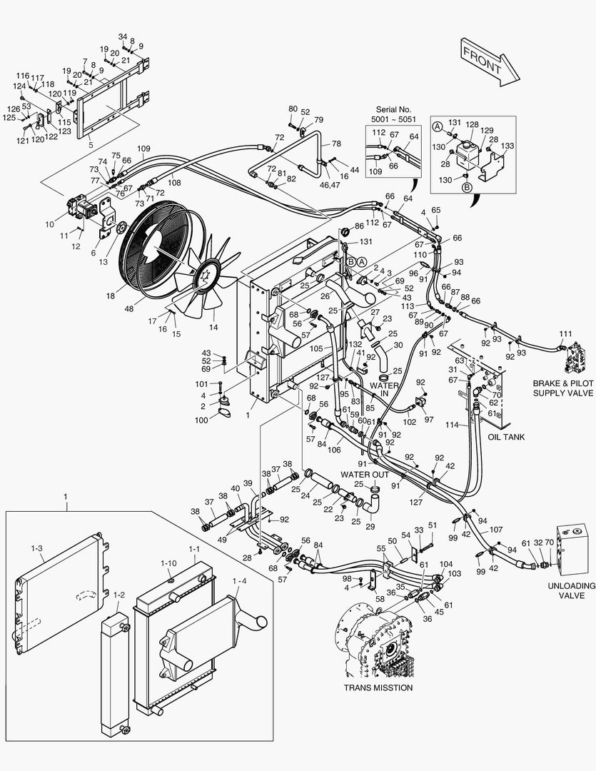
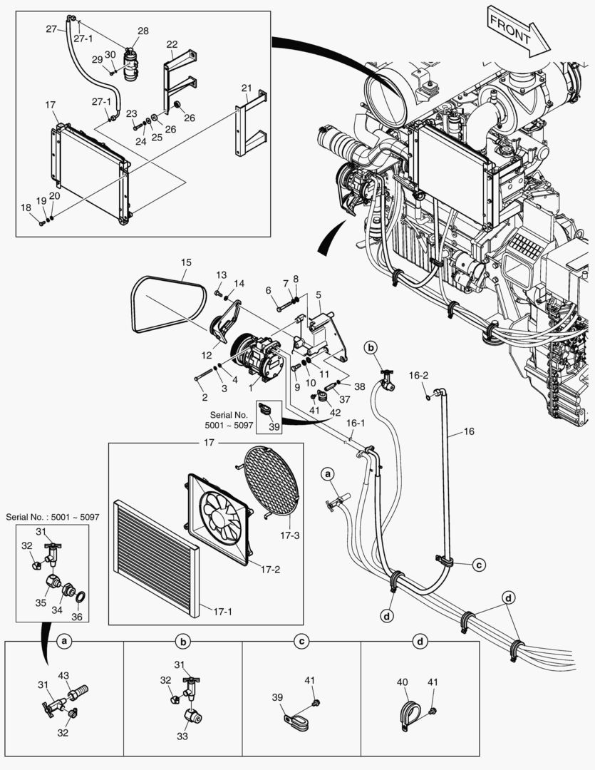
ТРУБОПРОВОД ОХЛАДИТЕЛЯ

ТРУБОПРОВОД ОХЛАДИТЕЛЯ

1Артикул: K1041407B, COOLER PIPING
2Артикул: 420212-00226, COOLER PIPING
3Артикул: K1041458A, RADIATOR ASS`Y
Подробнее >
КАБИНА(5) - СТЕКЛО

КАБИНА(5) - СТЕКЛО

1Артикул: K1040881B, CABIN ASS`Y
2Артикул: 220101-00664A, CABIN ASSY
3Артикул: K1041205, GLASS;FRONT
Подробнее >
1370 COUNTER WEIGHT & REAR LAMP

1370 COUNTER WEIGHT & REAR LAMP

1Артикул: K1039614B, COUNTER WEIGHT & REAR LAMP ASS`Y
2Артикул: 160702-00151, WEIGHT ASSY,COUNTER
3Артикул: K1039732, COUNTER WEIGHT
Подробнее >
1220 BRAKE PIPING

1220 BRAKE PIPING

1Артикул: K1041521A, BRAKE PIPING
2Артикул: K1017622, BRAKE & PILOT SUPPLY VALVE
3Артикул: S2213666, BOLT
Подробнее >
1140 FUEL TANK

1140 FUEL TANK

1Артикул: K1039611G, TANK FUEL ASS`Y
2Артикул: K1041010A, TANK;FUEL
3Артикул: K1041010B, TANK;FUEL
Подробнее >
ДЕФЛЕКТОР В СБОРЕ

ДЕФЛЕКТОР В СБОРЕ

1Артикул: K1039613B, BAFFLE ASS`Y
2Артикул: K1039817B, COVER;BAFFLE
3Артикул: K1039818A, COVER;BAFFLE
Подробнее >
УСТАНОВКА ДЖОЙСТИКА - 3-Й РЫЧАГ

УСТАНОВКА ДЖОЙСТИКА - 3-Й РЫЧАГ

1Артикул: K1010016B, LEVER;FNR
2Артикул: 101101-00064, LEVER ASSY
3Артикул: K1006098A, COVER;LEVER
Подробнее >
КАБИНА(1)-КОРПУС

КАБИНА(1)-КОРПУС

1Артикул: K1040881B, CABIN ASS`Y
2Артикул: 220101-00664A, CABIN ASSY
3Артикул: -, BODY;CABIN
Подробнее >
КАБИНА(2) - ВНУТРЕННИЕ ЛИСТЫ

КАБИНА(2) - ВНУТРЕННИЕ ЛИСТЫ

1Артикул: K1040881B, CABIN ASS`Y
2Артикул: 220101-00664A, CABIN ASSY
3Артикул: K1041420B, INTERIOR SHEET ASS`Y
Подробнее >
ЭЛЕКТРОПРОВОДКА - ПЕРЕДНЯЯ РАМА

ЭЛЕКТРОПРОВОДКА - ПЕРЕДНЯЯ РАМА

1Артикул: K1040292B, ELECTRIC PARTS (2) - FRONT
2Артикул: 300619-00599, ELECTRIC ASSY;CHASSIS
3Артикул: 516-00014, HORN;HIGH
Подробнее >
1100 FRAME

1100 FRAME

1Артикул: K1039831C, FRAME
2Артикул: K1039884B, FRAME;FRONT
3Артикул: 160612-00082, FRAME,FRONT
Подробнее >
ПУЛЬТ УПРАВЛЕНИЯ

ПУЛЬТ УПРАВЛЕНИЯ

1Артикул: K1041008E, CONTROL STAND - MONO
2Артикул: 110953-00003A, STAND ASSY;TONY
3Артикул: K1016712B, PLATE;FLOOR
Подробнее >
ТРУБОПРОВОД ИЗОЛЯЦИИ НАГРУЗКИ

ТРУБОПРОВОД ИЗОЛЯЦИИ НАГРУЗКИ

1Артикул: K1040390, LOAD ISOLATION SYSTEM
2Артикул: K1015420, ACCUMULATOR
3Артикул: 4420-9446C, VALVE;SOLENOID
Подробнее >
МОНТАЖ ДВИГАТЕЛЯ(1)

МОНТАЖ ДВИГАТЕЛЯ(1)

1Артикул: K1041559G, ENGINE MOUNTING
2Артикул: 150109-00015, ENGINE ASSY
3Артикул: K1044262, ENGINE ASS`Y
Подробнее >
РЕЗЕРВУАР ДЛЯ МАСЛА

РЕЗЕРВУАР ДЛЯ МАСЛА

1Артикул: K1039610E, OIL TANK ASS`Y
2Артикул: 450105-00014, OIL TANK ASS`Y
3Артикул: K1041126B, TANK;OIL
Подробнее >
КОНДИЦИОНЕР(3)

КОНДИЦИОНЕР(3)

1Артикул: K1040295A, AIRCONDITION (1)
2Артикул: 4920-9050B, UNIT;AIRCON
3Артикул: 440205-00013, CONDITIONER;AIR
Подробнее >
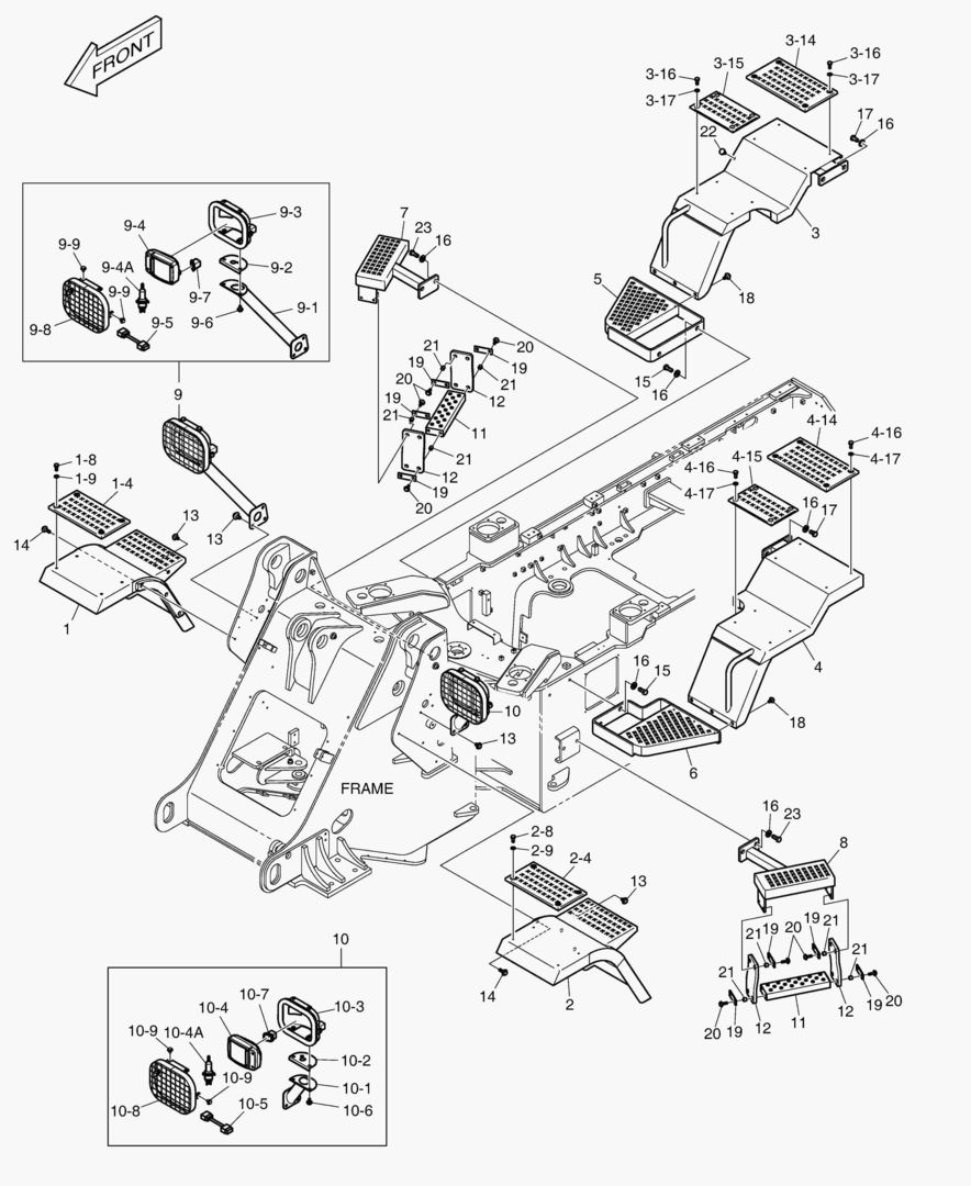
ОБТЕКАЕМАЯ ПОДКУЗОВНАЯ ПАНЕЛЬ

ОБТЕКАЕМАЯ ПОДКУЗОВНАЯ ПАНЕЛЬ

1Артикул: K1039689C, UNDER COVER ASS`Y
2Артикул: K1039888, COVER;UNDER
3Артикул: K1039889, COVER;UNDER
Подробнее >
ДИСТАНЦИОННЫЙ ТРУБОПРОВОД ПРОВЕРКИ ДАВЛЕНИЯ

ДИСТАНЦИОННЫЙ ТРУБОПРОВОД ПРОВЕРКИ ДАВЛЕНИЯ

1Артикул: K1017400, REMOTE PRESS CHECK PIPING
2Артикул: K1006648, CHECK
3Артикул: 120-00297, . SCREW COUPLING
Подробнее >