+7 (701) 588 50 05 Телефон для связи
RU

WhatsApp

Позвонить

10 КОРПУСНЫЕ ДЕТАЛИ в Алматы

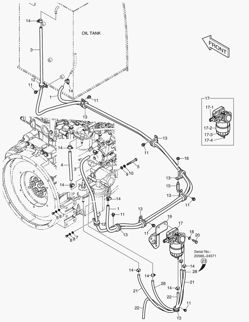
1200 FUEL TANK

1200 FUEL TANK

1Артикул: 450103-00524, TANK ASSY,FUEL
2Артикул: 450103-00525E, TANK,FUEL
3Артикул: 450103-00525G, TANK,FUEL
Подробнее >
ГЛАВНАЯ МАГИСТРАЛЬ(2)

ГЛАВНАЯ МАГИСТРАЛЬ(2)

1Артикул: 420212-11064, PIPING,MAIN;COMMON
2Артикул: 160-00029A, TRIM;RUBBER
3Артикул: DS20551495, HOSE
Подробнее >
ТОПЛИВНЫЕ ТРУБОПРОВОДЫ

ТОПЛИВНЫЕ ТРУБОПРОВОДЫ

1Артикул: 420212-11101, PIPING,FUEL
2Артикул: DS2105019, HOSE
3Артикул: DS2105110, HOSE
Подробнее >
1460 UPPER COVER ASS`Y- BONNET

1460 UPPER COVER ASS`Y- BONNET

1Артикул: 110501-00267, BONNET ASSY
2Артикул: 110501-00251E, BONNET
3Артикул: 110501-00251H, BONNET
Подробнее >
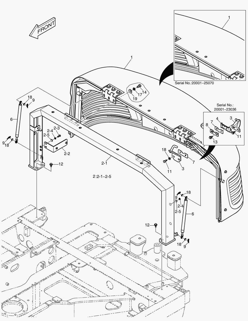
1410 CABIN(3)

1410 CABIN(3)

1Артикул: 220101-01344E, CABIN ASSY
2Артикул: 220101-01344H, CABIN ASSY
3Артикул: 220101-01344K, CABIN ASSY
Подробнее >
СМАЗОЧНАЯ ТРУБА

СМАЗОЧНАЯ ТРУБА

1Артикул: 420106-00087, HOSE,LUBRICATION
2Артикул: DS2058302, HOSE
3Артикул: DS2058292, HOSE
Подробнее >
1620 WORKING LAMP

1620 WORKING LAMP

1Артикул: 300619-03621, ELECTRIC ASSY;BOOM LAMP;HALOGEN
2Артикул: 310207-04119, HARNESS,LAMP
3Артикул: 310207-04119A, HARNESS,WORKING LAMP
Подробнее >
ЛИСТ НАСТИЛА - ЗАДНИЙ

ЛИСТ НАСТИЛА - ЗАДНИЙ

1Артикул: 250106-00044G, PLATE ASSY,FLOOR
2Артикул: 250106-00044H, PLATE ASSY,FLOOR
3Артикул: 250106-00046E, PLATE,FLOOR;REAR
Подробнее >
УСТАНОВКА СИДЕНЬЯ

УСТАНОВКА СИДЕНЬЯ

1Артикул: 110946-00208, SEAT ASSY
2Артикул: 220110-00117, SEAT,SUSPENSION
3Артикул: S2208866, BOLT,SOCKET M8X1.25X20
Подробнее >
ПУЛЬТ УПРАВЛЕНИЯ - ПРАВОСТОРОННИЙ

ПУЛЬТ УПРАВЛЕНИЯ - ПРАВОСТОРОННИЙ

1Артикул: 220111-00004A, STAND ASSY,CONTROL;RH
2Артикул: 110431-00021, BRACKET,STAND(R.H)
3Артикул: K1027807C, CASE;UPPER(R.H)
Подробнее >
1120 ENGINE MOUNTING(1) - MUFFLER

1120 ENGINE MOUNTING(1) - MUFFLER

1Артикул: 150109-01187, ENGINE ASSY;COMMON
2Артикул: 150109-01206A, ENGINE ASSY
3Артикул: 240103-00933A, MUFFLER ASSY
Подробнее >
1140 ENGINE MOUNTING(3) - RADIATOR

1140 ENGINE MOUNTING(3) - RADIATOR

1Артикул: 150109-01188, ENGINE ASSY;SURROUNDING
2Артикул: 440211-00646C, RADIATOR ASSY
3Артикул: 250107-00493, PLATE,FRONT
Подробнее >
УПРАВЛЕНИЕ ДВИГАТЕЛЕМ

УПРАВЛЕНИЕ ДВИГАТЕЛЕМ

1Артикул: 150126-00093, CONTROL ASSY,ENGINE
2Артикул: 110438-00016A, BRACKET,ACCEL;ACCEL
3Артикул: 300513-00012, MOTOR,ENGINE CONTROL;12V
Подробнее >
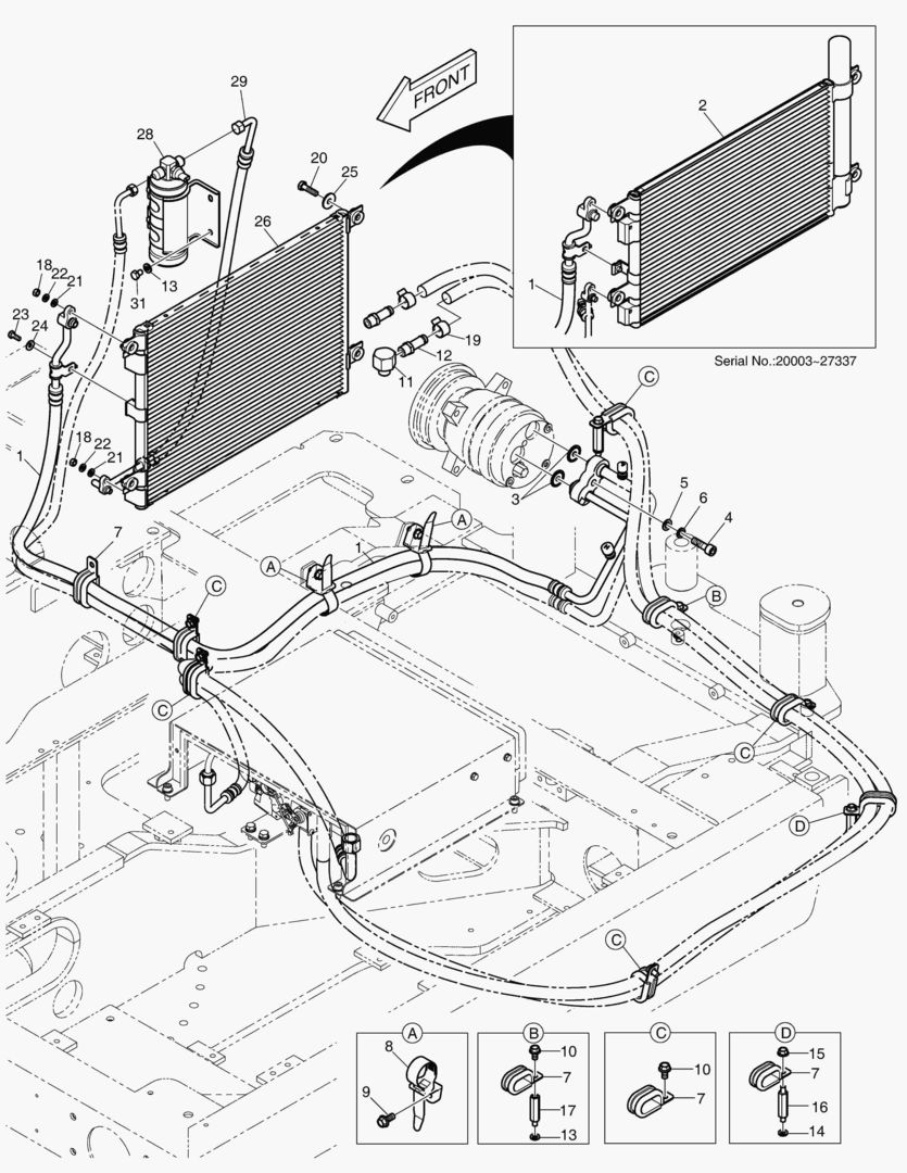
КОНДИЦИОНЕР - КАБИНА

КОНДИЦИОНЕР - КАБИНА

1Артикул: 440213-00506, VENTILATION ASSY
2Артикул: 420102-00577B, HOSE,DISCHARGE
3Артикул: 440204-00024A, CONDENSER ASSY
Подробнее >
КОВРИК НА ПОЛУ КУЗОВА

КОВРИК НА ПОЛУ КУЗОВА

1Артикул: 110935-00104, MAT,FLOOR
Подробнее >
ГЛАВНАЯ МАГИСТРАЛЬ(1)

ГЛАВНАЯ МАГИСТРАЛЬ(1)

1Артикул: 420212-11064, PIPING,MAIN;COMMON
2Артикул: 410105-00980A, VALVE,CONTROL
3Артикул: DS20551435, HOSE
Подробнее >
1170 AIR CLEANER

1170 AIR CLEANER

1Артикул: 400414-00360, CLEANER ASSY,AIR
2Артикул: 204-00030, CLEANER;AIR
3Артикул: 474-00024, . ELEMENT;OUTER
Подробнее >
1450 UPPER COVER ASS`Y

1450 UPPER COVER ASS`Y

1Артикул: 110508-21362, COVER ASSY
2Артикул: 110503-00276C, COVER,BATTERY
3Артикул: K1026553B, . WIRE
Подробнее >
1560 SIDE MIRROR

1560 SIDE MIRROR

1Артикул: K1030442A, STAY,SIDE MIRROR
2Артикул: K1029838, STAY,MIRROR
3Артикул: 2120-2166D3, BOLT
Подробнее >
ТРУБОПРОВОД СЕРВОУПРАВЛЕНИЯ(4)

ТРУБОПРОВОД СЕРВОУПРАВЛЕНИЯ(4)

1Артикул: 420212-14973C, PIPING,CABIN
2Артикул: 410113-00332, VALVE ASSY,JOYSTICK;RH
3Артикул: 410113-00331, VALVE ASSY,JOYSTICK;LH
Подробнее >
БОКОВАЯ КРЫШКА В СБОРЕ

БОКОВАЯ КРЫШКА В СБОРЕ

1Артикул: 110517-01056, COVER ASSY,SIDE
2Артикул: 110517-01056B, COVER ASSY,SIDE
3Артикул: 110517-01056C, COVER ASSY,SIDE
Подробнее >
РЕЗЕРВУАР ДЛЯ МАСЛА

РЕЗЕРВУАР ДЛЯ МАСЛА

1Артикул: 450105-00611, TANK,OIL
2Артикул: 450105-00612G, TANK,OIL
3Артикул: 450105-01076, TANK,OIL
Подробнее >
1510 REAR COVER ASS`Y

1510 REAR COVER ASS`Y

1Артикул: 220204-00177A, COVER ASSY;REAR
2Артикул: 220204-00177B, COVER ASSY
3Артикул: 220204-00177C, COVER ASSY
Подробнее >
КРЫШКА В СБОРЕ

КРЫШКА В СБОРЕ

1Артикул: 110501-00251E, BONNET
2Артикул: 110501-00251H, BONNET
3Артикул: 110501-00251L, BONNET
Подробнее >
ГЛАВНАЯ МАГИСТРАЛЬ(3)

ГЛАВНАЯ МАГИСТРАЛЬ(3)

1Артикул: 420212-11064, PIPING,MAIN;COMMON
2Артикул: 250201-02665, PLATE,CLAMP
3Артикул: 124-00286A, CLAMP;HOSE
Подробнее >
1150 RADIATOR

1150 RADIATOR

1Артикул: 440211-00646C, RADIATOR ASSY
2Артикул: 440211-00847, RADIATOR ASSY
3Артикул: 400206-00667, COOLER ASSY,OIL
Подробнее >
ПОДКЛАДКА В СБОРЕ

ПОДКЛАДКА В СБОРЕ

1Артикул: 110513-01258, COVER ASSY,UNDER
2Артикул: 110513-01205A, COVER,UNDER
3Артикул: 110513-02388, COVER,UNDER
Подробнее >
ТРУБОПРОВОД СЕРВОУПРАВЛЕНИЯ(3)

ТРУБОПРОВОД СЕРВОУПРАВЛЕНИЯ(3)

1Артикул: 420212-11059, PIPING,PILOT;(1)COMMON
2Артикул: 110406-01268, BRACKET
3Артикул: DS2093366, HOSE
Подробнее >
1230 SWING DEVICE

1230 SWING DEVICE

1Артикул: 170301-00294, DEVICE ASSY,SWING
2Артикул: 170301-00289A, DEVICE,SWING
3Артикул: S2221666, BOLT
Подробнее >
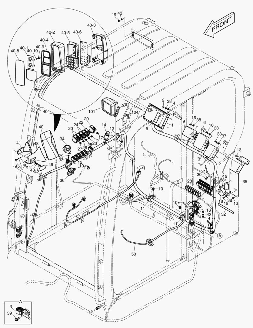
ЭЛЕКТРОПРОВОДКА

ЭЛЕКТРОПРОВОДКА

1Артикул: 300619-02549, ELECTRIC ASSY;MAIN HARNESS
2Артикул: 310207-04218C, HARNESS,MAIN;C05
3Артикул: 310207-04218E, HARNESS,MAIN;C05
Подробнее >
ОСНОВАНИЕ СИДЕНЬЯ

ОСНОВАНИЕ СИДЕНЬЯ

1Артикул: 160102-00039B, BASE ASSY,SEAT
2Артикул: 160102-00039C, BASE ASSY,SEAT
3Артикул: 250110-00105B, PLATE,SEAT
Подробнее >
1370 SUSPENSION SEAT

1370 SUSPENSION SEAT

1Артикул: 220110-00117, SEAT,SUSPENSION
2Артикул: 180304-00038, CUSHION ASSY
3Артикул: 230219-00078, REST,BACK
Подробнее >
АКУСТИЧЕСКАЯ НОПЛАСТОВАЯ ИЗОЛЯЦИЯ

АКУСТИЧЕСКАЯ НОПЛАСТОВАЯ ИЗОЛЯЦИЯ

1Артикул: 180102-00986, FOAM ASSY,ACOUSTIC
2Артикул: 180102-00987A, FOAM
3Артикул: 180102-00934A, FOAM
Подробнее >
ЛИСТ НАСТИЛА - ФРОНТАЛЬНЫЙ

ЛИСТ НАСТИЛА - ФРОНТАЛЬНЫЙ

1Артикул: 250106-00732A, PLATE ASSY,FLOOR;COMMON
2Артикул: 250106-00058, PLATE,FLOOR
3Артикул: 101101-00405, LEVER
Подробнее >
ПУЛЬТ УПРАВЛЕНИЯ - ЛЕВОСТОРОННИЙ

ПУЛЬТ УПРАВЛЕНИЯ - ЛЕВОСТОРОННИЙ

1Артикул: 220111-00033B, STAND ASSY,CONTROL(L.H)
2Артикул: 110431-00059A, BRACKET,STAND;(L.H)
3Артикул: 110913-00126A, CASE,STAND;UPPER(L.H)
Подробнее >
1590 ELECTRIC PARTS(2)- CABIN

1590 ELECTRIC PARTS(2)- CABIN

1Артикул: 300619-03206C, ELECTRIC ASSY;CABIN,C05
2Артикул: 300619-03206E, ELECTRIC ASSY;CABIN,C05
3Артикул: 300619-03206K, ELECTRIC ASSY;CABIN,C05
Подробнее >
1400 CABIN(2)

1400 CABIN(2)

1Артикул: 220101-01344E, CABIN ASSY
2Артикул: 220101-01344H, CABIN ASSY
3Артикул: 220101-01344K, CABIN ASSY
Подробнее >
1390 CABIN(1)

1390 CABIN(1)

1Артикул: 220101-01344E, CABIN ASSY
2Артикул: 220101-01344H, CABIN ASSY
3Артикул: 220101-01344K, CABIN ASSY
Подробнее >
ГЛАВНАЯ МАГИСТРАЛЬ(4)

ГЛАВНАЯ МАГИСТРАЛЬ(4)

1Артикул: 420212-11064, PIPING,MAIN;COMMON
2Артикул: 250107-00401A, PLATE,FRONT
3Артикул: DS20551498, HOSE
Подробнее >
ТРУБОПРОВОД СЕРВОУПРАВЛЕНИЯ(1)

ТРУБОПРОВОД СЕРВОУПРАВЛЕНИЯ(1)

1Артикул: 420212-11059, PIPING,PILOT;(1)COMMON
2Артикул: 410119-00038A, PEDAL VALVE
3Артикул: 426-00034C, VALVE;SOLENOID
Подробнее >
ТУБОПРОВОД МАСЛЯНОГО РАДИАТОРА(1)

ТУБОПРОВОД МАСЛЯНОГО РАДИАТОРА(1)

1Артикул: 420212-11063, PIPING,OIL COOLER;COMMON
2Артикул: 420212-11063A, PIPING,OIL COOLER;COMMON
3Артикул: 420217-00231C, PIPE,RETURN
Подробнее >
1420 CABIN(4)

1420 CABIN(4)

1Артикул: 220101-01344E, CABIN ASSY
2Артикул: 220101-01344H, CABIN ASSY
3Артикул: 220101-01344K, CABIN ASSY
Подробнее >
1160 AIR CONDITIONER COMPRESSOR

1160 AIR CONDITIONER COMPRESSOR

1Артикул: 440205-00105, CONDITIONER ASSY,AIR
2Артикул: 2208-6012B, COMPRESSOR ASS`Y
3Артикул: 110406-03845, BRACKET
Подробнее >
1110 COUNTER WEIGHT

1110 COUNTER WEIGHT

1Артикул: 160702-00853, WEIGHT,COUNTER
2Артикул: 160702-00875A-P, WEIGHT,COUNTER;CHINA
3Артикул: S0571466, BOLT
Подробнее >
ФИЛЬТР КОНДИЦИОНЕРА

ФИЛЬТР КОНДИЦИОНЕРА

1Артикул: 400406-00109C, AIRCON FILTER ASS`Y
2Артикул: 250105-00330A, PLATE
3Артикул: K1033396, BOLT
Подробнее >
ОПОРА НАСОСА

ОПОРА НАСОСА

1Артикул: 400914-00519, PUMP INSTALLATION;C06
2Артикул: 400914-00491, PUMP,MAIN
3Артикул: 400914-00491A, PUMP,MAIN
Подробнее >
1100 MAIN FRAME

1100 MAIN FRAME

1Артикул: 160620-00520, FRAME,MAIN
2Артикул: 160620-00521H, FRAME,MAIN
3Артикул: 160620-00521K, FRAME,MAIN
Подробнее >
УСТАНОВКА КАБИНЫ

УСТАНОВКА КАБИНЫ

1Артикул: 160626-00261A, MOUNT ASSY,CABIN
2Артикул: 161-00284, RUBBER;CABIN MOUNTING
3Артикул: 120-00255, BOLT
Подробнее >
1580 ELECTRIC PARTS(1)-CHASSIS

1580 ELECTRIC PARTS(1)-CHASSIS

1Артикул: 300619-02552, ELECTRIC ASSY;CHASSIS
2Артикул: K1025096, BATTERY
3Артикул: DS0001089, BOLT M10X1.5X220
Подробнее >
КОНДИЦИОНЕР - ШАССИ

КОНДИЦИОНЕР - ШАССИ

1Артикул: 440213-00508E, VENTILATION ASSY,AIR CON
2Артикул: 440213-00508H, VENTILATION ASSY,AIR CON
3Артикул: 440213-00508L, VENTILATION ASSY,AIR CON
Подробнее >
1600 ELECTRIC PARTS(3)-STAND

1600 ELECTRIC PARTS(3)-STAND

1Артикул: 300619-03209A, ELECTRIC ASSY,STAND
2Артикул: 300619-03209B, ELECTRIC ASSY,STAND;C05
3Артикул: 310207-04223B, HARNESS,STAND;LH,C05
Подробнее >
ТУБОПРОВОД МАСЛЯНОГО РАДИАТОРА(2)

ТУБОПРОВОД МАСЛЯНОГО РАДИАТОРА(2)

1Артикул: 420212-11063, PIPING,OIL COOLER;COMMON
2Артикул: 420207-03507A, PIPE
3Артикул: 420218-00463, PIPE,SUCTION
Подробнее >
1130 ENGINE MOUNTING(2) - ECU

1130 ENGINE MOUNTING(2) - ECU

1Артикул: 150109-01188, ENGINE ASSY;SURROUNDING
2Артикул: K1036274, RUBBER,ENGINE MOUNT
3Артикул: 420109-00692B, HOSE,WATER
Подробнее >
ТРУБОПРОВОД СЕРВОУПРАВЛЕНИЯ(2)

ТРУБОПРОВОД СЕРВОУПРАВЛЕНИЯ(2)

1Артикул: 420212-11059, PIPING,PILOT;(1)COMMON
2Артикул: 420-00476, VALVE,SHUTTLE
3Артикул: DS2092310, HOSE ASSY,HYDRAULIC
Подробнее >