+7 (701) 588 50 05 Телефон для связи
RU

WhatsApp

Позвонить

10 КОРПУСНЫЕ ДЕТАЛИ в Алматы

1630 ELECTRIC PARTS(2) - CABIN

1630 ELECTRIC PARTS(2) - CABIN

1Артикул: 300619-01675E, ELECTRIC ASSY
2Артикул: 300619-01675G, ELECTRIC ASSY
3Артикул: 300619-01675N, ELECTRIC ASSY
Подробнее >
ПАТРУБКИ РУЛЕВОГО УПРАВЛЕНИЯ (2)

ПАТРУБКИ РУЛЕВОГО УПРАВЛЕНИЯ (2)

1Артикул: 420212-07232, PIPING,STEERING
2Артикул: 300402-00196, AMPLIFIER;FLOW
3Артикул: 410127-00097A, VALVE,DUAL CROSS RELIEF
Подробнее >
ЭЛЕКТРИЧЕСКИЕ ЗАПЧАСТИ - ФРОНТАЛЬНЫЙ

ЭЛЕКТРИЧЕСКИЕ ЗАПЧАСТИ - ФРОНТАЛЬНЫЙ

1Артикул: 300619-02626, ELECTRIC ASSY;FRONT FRAME
2Артикул: 110406-02674, BRACKET
3Артикул: K1001029, BOLT
Подробнее >
ПОДСТАВКА ДЛЯ НОГ

ПОДСТАВКА ДЛЯ НОГ

1Артикул: 220107-00052B, REST,FOOT;ASSY
2Артикул: 220107-00052C, REST,FOOT;ASSY
3Артикул: 110406-03613B, BRACKET,FOOT REST;FOR DHL
Подробнее >
КРЕСЛО - ОБОГРЕВАТЕЛЬ

КРЕСЛО - ОБОГРЕВАТЕЛЬ

1Артикул: 220110-00002B, SEAT,OPERATOR;AIR(HEATER)
2Артикул: 220110-00004B, SEAT,OPERATOR
3Артикул: 2114-1898D2, WASHER
Подробнее >
РЕКУЛИРУЮЩИЙ КЛАПАН ТРУБОПРОВОДА

РЕКУЛИРУЮЩИЙ КЛАПАН ТРУБОПРОВОДА

1Артикул: 420212-07237, PIPING,FRONT
2Артикул: 110425-00237, BRACKET,CONTROL VALVE
3Артикул: 110425-00237A, BRACKET,CONTROL VALVE MOUNTING
Подробнее >
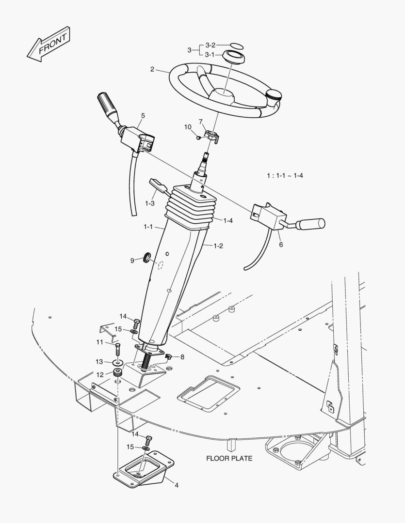
РУЛЕВОЕ УПРАВЛЕНИЕ В СБОРЕ

РУЛЕВОЕ УПРАВЛЕНИЕ В СБОРЕ

1Артикул: 190109-00042A, COLUMN ASSY,STEERING
2Артикул: 190109-00042B, COLUMN ASSY,STEERING
3Артикул: 190109-00042C, COLUMN ASSY,STEERING
Подробнее >
РЕКУЛИРУЮЩИЙ КЛАПАН ТРУБОПРОВОДА - 3-Й КАТУШКИ

РЕКУЛИРУЮЩИЙ КЛАПАН ТРУБОПРОВОДА - 3-Й КАТУШКИ

1Артикул: 420212-07239, PIPING,FRONT;3SP(PILOT)
2Артикул: 410105-00921, VALVE,MAIN CONTROL
3Артикул: 410105-00931, VALVE,CONTROL;3RD
Подробнее >
КОНДИЦИОНЕР - ШАССИ

КОНДИЦИОНЕР - ШАССИ

1Артикул: 440213-00338, VENTILATION
2Артикул: 124-00208D4, CLIP
3Артикул: 124-00208D6, CLIP
Подробнее >
LIS В СБОРЕ(ЭЛЕКТРИКА)

LIS В СБОРЕ(ЭЛЕКТРИКА)

1Артикул: 300619-01749, ELECTRIC ASSY
2Артикул: K1053326, RELAY
Подробнее >
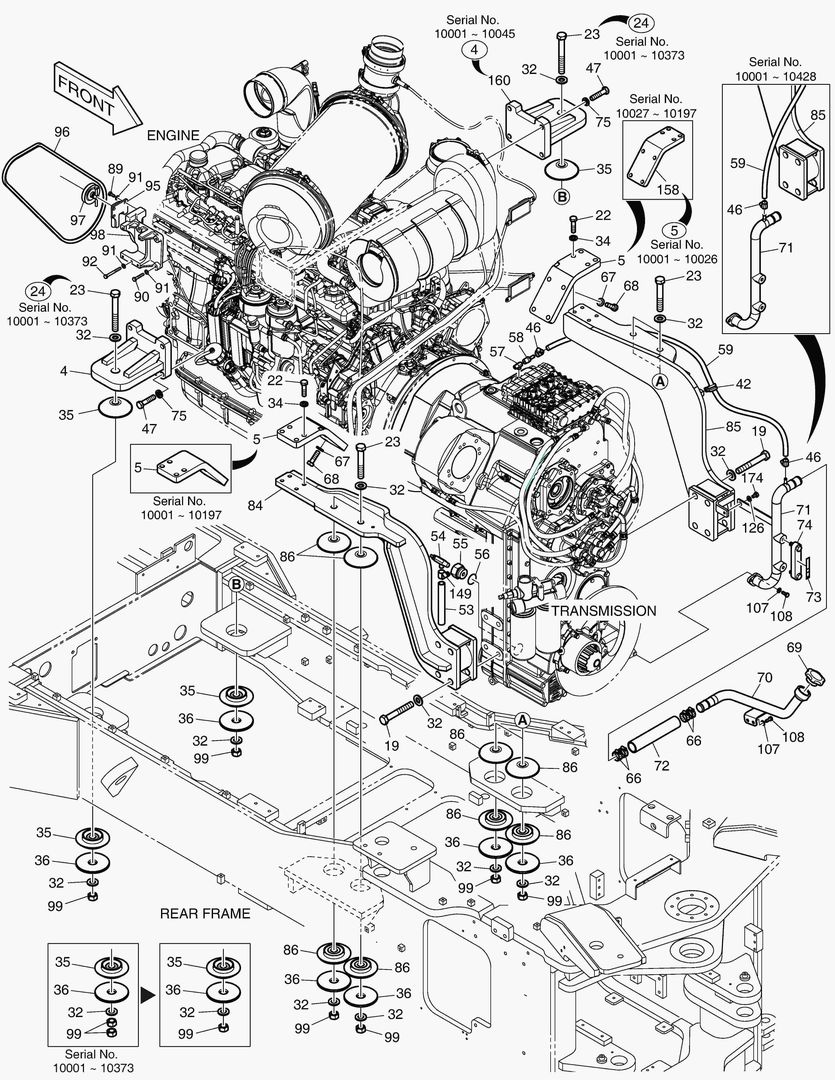
1150 ENGINE MOUNTING(3)

1150 ENGINE MOUNTING(3)

1Артикул: 150109-00826, ENGINE & TRANSMISSION ASSY
2Артикул: 110420-00765A, BRACKET,MOUNTING
3Артикул: 124-00208D1, CLIP
Подробнее >
ЭЛЕКТРИЧЕСКИЕ ЗАПЧАСТИ - ФРОНТАЛЬНЫЙ

ЭЛЕКТРИЧЕСКИЕ ЗАПЧАСТИ - ФРОНТАЛЬНЫЙ

1Артикул: 300619-01664, ELECTRIC ASSY;FRONT FRAME
2Артикул: 124-00208D2, CLIP
3Артикул: 110406-02674, BRACKET
Подробнее >
ПОВОРОТНЫЙ ПРЕДОХРАНИТЕЛЬ ВЕНТИЛЯТОРА

ПОВОРОТНЫЙ ПРЕДОХРАНИТЕЛЬ ВЕНТИЛЯТОРА

1Артикул: 420212-07461, PIPING,COOLER
2Артикул: 440211-00438B, RADIATOR ASSY
3Артикул: 440211-00438C, RADIATOR ASSY
Подробнее >
УСТАНОВКА КАБИНЫ

УСТАНОВКА КАБИНЫ

1Артикул: 220101-00886, CABIN ASSY,MOUNT
2Артикул: 180204-00002A, RUBBER
3Артикул: 2161-9057, CABIN MOUNT
Подробнее >
ОСНОВАНИЕ СИДЕНЬЯ

ОСНОВАНИЕ СИДЕНЬЯ

1Артикул: 160102-00032G, BASE ASSY,SEAT
2Артикул: 160102-00032H, BASE ASSY,SEAT
3Артикул: 160102-00033G, BASE,SEAT
Подробнее >
ПУЛЬТ УПРАВЛЕНИЯ

ПУЛЬТ УПРАВЛЕНИЯ

1Артикул: 220111-00063E, STAND ASSY,CONTROL
2Артикул: 220111-00063H, STAND ASSY,CONTROL
3Артикул: 220111-00063K, STAND ASSY,CONTROL
Подробнее >
КОНДИЦИОНЕР - КАБИНА

КОНДИЦИОНЕР - КАБИНА

1Артикул: 440213-00339, VENTILATION ASSY,CABIN
2Артикул: 440213-00339B, VENTILATION ASSY,CABIN
3Артикул: 440213-00339C, VENTILATION ASSY,CABIN
Подробнее >
ВОЗДУХООЧИСТИТЕЛЬ - PRE ОЧИСТИТЕЛЬ

ВОЗДУХООЧИСТИТЕЛЬ - PRE ОЧИСТИТЕЛЬ

1Артикул: 400415-00025, CLEANER,PRE;TURBO
2Артикул: K1043471, PRE CLEANER
3Артикул: 400415-00045, CLEANER,PRE
Подробнее >
ТРУБОПРОВОД СЕРВОУПРАВЛЕНИЯ - ДЖОЙСТИК

ТРУБОПРОВОД СЕРВОУПРАВЛЕНИЯ - ДЖОЙСТИК

1Артикул: 220101-00899, CABIN SUB ASSY;PILOT(3SP)
2Артикул: 410113-00156, VALVE ASSY,JOYSTICK
3Артикул: 410113-00156A, VALVE ASSY,JOYSTICK
Подробнее >
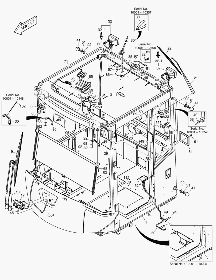
1450 CABIN(6) - GLASS

1450 CABIN(6) - GLASS

1Артикул: 220101-00891G, CABIN ASSY
2Артикул: 220101-00891H, CABIN ASSY
3Артикул: 220101-00891K, CABIN ASSY;WITHOUT ROOF
Подробнее >
1440 CABIN(5) - DOOR ASS`Y(R.H)

1440 CABIN(5) - DOOR ASS`Y(R.H)

1Артикул: 220101-00891G, CABIN ASSY
2Артикул: 220101-00891H, CABIN ASSY
3Артикул: 220101-00891K, CABIN ASSY;WITHOUT ROOF
Подробнее >
ТРУБОПРОВОД СЕРВОУПРАВЛЕНИЯ - 3-Й РЫЧАГ

ТРУБОПРОВОД СЕРВОУПРАВЛЕНИЯ - 3-Й РЫЧАГ

1Артикул: 420212-07242, PIPING,PILOT
2Артикул: 250201-00413, PLATE
3Артикул: 250201-05103, PLATE
Подробнее >
КРЫШКА В СБОРЕ - ЗАДНЯЯ

КРЫШКА В СБОРЕ - ЗАДНЯЯ

1Артикул: 220204-00191B, COVER ASSY,CABIN
2Артикул: 220204-00191E, COVER ASSY,CABIN
3Артикул: 220204-00191G, COVER ASSY,CABIN
Подробнее >
1410 CABIN(2) - BODY

1410 CABIN(2) - BODY

1Артикул: 220101-00891G, CABIN ASSY
2Артикул: 220101-00891H, CABIN ASSY
3Артикул: 220101-00891K, CABIN ASSY;WITHOUT ROOF
Подробнее >
ГИДРОСИСТЕМА ТОРМОЗОВ(1)

ГИДРОСИСТЕМА ТОРМОЗОВ(1)

1Артикул: 420212-07247, PIPING,BRAKE
2Артикул: 400911-00077, PUMP,FAN
3Артикул: 400410-00002, FILTER;BRAKE
Подробнее >
КОЛЕСА В СБОРЕ

КОЛЕСА В СБОРЕ

1Артикул: 900141-00530, WHEEL ASSY;26.5R25 VMT
2Артикул: 278-00105A, WHEEL ASSY;26.5X25X20PR
3Артикул: 2.422-00007, . VALVE
Подробнее >
МОНТАЖ ДВИГАТЕЛЯ(1)

МОНТАЖ ДВИГАТЕЛЯ(1)

1Артикул: 150109-00826, ENGINE & TRANSMISSION ASSY
2Артикул: 204-00066, AIR CLEANER
3Артикул: 400414-00585, CLEANER,AIR
Подробнее >
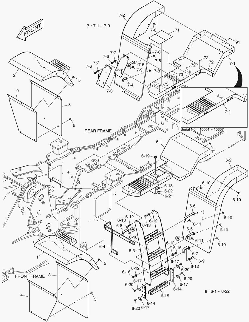
1600 FENDER & LADDER

1600 FENDER & LADDER

1Артикул: 180307-00425, FENDER & LADDER ASSY
2Артикул: 101582-00005B, RAIL,HAND(L.H)
3Артикул: 101582-00141A, RAIL,HAND(R.H)
Подробнее >
КАБИНА(1) - КОРПУС

КАБИНА(1) - КОРПУС

1Артикул: 220101-00891G, CABIN ASSY
2Артикул: 220101-00891H, CABIN ASSY
3Артикул: 220101-00891K, CABIN ASSY;WITHOUT ROOF
Подробнее >
АВАРИЙНОЕ РУЛЕВОЕ УПРАВЛЕНИЕ - ЭЛЕКТРИКА

АВАРИЙНОЕ РУЛЕВОЕ УПРАВЛЕНИЕ - ЭЛЕКТРИКА

1Артикул: 300619-01678, ELEC ASSY,EMR STEERING
2Артикул: 300619-01678A, ELEC ASSY,EMR STEERING
3Артикул: 537-00039B, TIMER;EMR STEERING
Подробнее >
1550 COUNTER WEIGHT & REAR LAMP

1550 COUNTER WEIGHT & REAR LAMP

1Артикул: 160702-00538, WEIGHT ASSY,COUNTER
2Артикул: 110503-00154A, COVER,BATTERY;TOP(L.H)
3Артикул: 110503-00154B, COVER,BATTERY(L.H)
Подробнее >
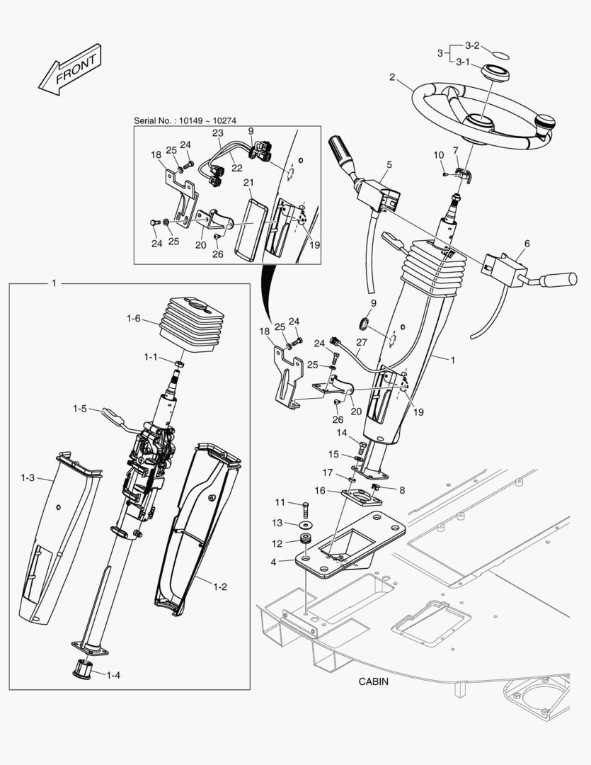
РУЛЕВОЕ УПРАВЛЕНИЕ В СБОРЕ

РУЛЕВОЕ УПРАВЛЕНИЕ В СБОРЕ

1Артикул: 190109-00069B, COLUMN ASSY,STEERING
2Артикул: 190109-00069G, COLUMN ASSY,STEERING
3Артикул: 190109-00067A, COLUMN ASSY,STEERING
Подробнее >
1260 EMERGENCY STEERING

1260 EMERGENCY STEERING

1Артикул: 420212-07233, PIPING,EMERGENCY STEER
2Артикул: 400917-00025, PUMP ASSY,POWER STEERING
3Артикул: 2420-9466A, VALVE;CHECK
Подробнее >
СИСТЕМА ИЗОЛЯЦИИ НАГРУЗКИ

СИСТЕМА ИЗОЛЯЦИИ НАГРУЗКИ

1Артикул: 420212-07250, PIPING,LIS
2Артикул: 410147-00001, VALVE,LIS
3Артикул: 410147-00001A, VALVE,LIS
Подробнее >
ГИДРОСИСТЕМА ТОРМОЗОВ(2)

ГИДРОСИСТЕМА ТОРМОЗОВ(2)

1Артикул: 420212-07247, PIPING,BRAKE
2Артикул: 410120-00052, VALVE,BRAKE PILOT SUPPLY
3Артикул: 410120-00052A, VALVE,BRAKE PILOT SUPPLY
Подробнее >
КОВРИК НА ПОЛУ КУЗОВА

КОВРИК НА ПОЛУ КУЗОВА

1Артикул: 110935-00529, MAT ASSY,FLOOR
2Артикул: 110935-00203G, MAT,FLOOR
3Артикул: 110935-00203H, MAT,FLOOR
Подробнее >
1220 MAIN PIPING

1220 MAIN PIPING

1Артикул: 420212-07231, PIPING,MAIN
2Артикул: K1055496, PUMP,MAIN
3Артикул: 400914-00651, PUMP,MAIN
Подробнее >
ПАТРУБКИ РУЛЕВОГО УПРАВЛЕНИЯ (1)

ПАТРУБКИ РУЛЕВОГО УПРАВЛЕНИЯ (1)

1Артикул: 420212-07232, PIPING,STEERING
2Артикул: 400917-00016, PUMP,STEERING
3Артикул: 400917-00016A, PUMP,STEERING
Подробнее >
ЭЛЕКТРИЧЕСКИЕ ЗАПЧАСТИ - ПРОВОДКА

ЭЛЕКТРИЧЕСКИЕ ЗАПЧАСТИ - ПРОВОДКА

1Артикул: 300619-01667, WIRING GROUP,ELECTRIC
2Артикул: 2550-1014D1, TERMINAL,BATTERY(+)
3Артикул: 2550-1014D2, TERMINAL,BATTERY(-)
Подробнее >
МОНТАЖ ДВИГАТЕЛЯ(2)

МОНТАЖ ДВИГАТЕЛЯ(2)

1Артикул: 150109-00826, ENGINE & TRANSMISSION ASSY
2Артикул: 110427-00137B, BRACKET,E/G MOUNTING
3Артикул: 110427-00137C, BRACKET,ENGINE MOUNTING
Подробнее >
1650 ELECTRIC PARTS - BATTERY & REAR LAMP

1650 ELECTRIC PARTS - BATTERY & REAR LAMP

1Артикул: 300619-01663, ELECTRIC ASSY
2Артикул: 300101-00327, BATTERY
3Артикул: 110406-00881C, BRACKET;BATTERY
Подробнее >
РЕЗЕРВУАР ДЛЯ МАСЛА

РЕЗЕРВУАР ДЛЯ МАСЛА

1Артикул: 450105-00422, TANK ASSY,OIL
2Артикул: 450105-00426A, TANK,OIL
3Артикул: 450105-00426B, TANK,OIL
Подробнее >
ЭЛЕКТРИЧЕСКИЕ ЗАПЧАСТИ - ПРОВОДКА

ЭЛЕКТРИЧЕСКИЕ ЗАПЧАСТИ - ПРОВОДКА

1Артикул: 300619-01667, WIRING GROUP,ELECTRIC
2Артикул: 2550-1014D1, TERMINAL,BATTERY(+)
3Артикул: 2550-1014D2, TERMINAL,BATTERY(-)
Подробнее >
ТУБОПРОВОД МАСЛЯНОГО РАДИАТОРА (1)

ТУБОПРОВОД МАСЛЯНОГО РАДИАТОРА (1)

1Артикул: 420212-07461, PIPING,COOLER
2Артикул: S5102603, WASHER
3Артикул: DS2415010, ADAPTER
Подробнее >
СИДЕНИЕ В СБОРЕ - ОБОГРЕВАТЕЛЬ

СИДЕНИЕ В СБОРЕ - ОБОГРЕВАТЕЛЬ

1Артикул: 220110-00004B, SEAT,OPERATOR
2Артикул: 180304-00025, CUSHION;SEAT
3Артикул: 220108-00010, REST,HEAD
Подробнее >
1100 FRAME

1100 FRAME

1Артикул: 160609-02593, FRAME ASS`Y
2Артикул: 160612-00134B, FRAME,FRONT
3Артикул: 160612-00134C, FRAME,FRONT
Подробнее >
ЭЛЕКТРИЧЕСКИЕ ЗАПЧАСТИ - ПРОВОДКА

ЭЛЕКТРИЧЕСКИЕ ЗАПЧАСТИ - ПРОВОДКА

1Артикул: 300619-01667, WIRING GROUP,ELECTRIC
2Артикул: 2550-1014D1, TERMINAL,BATTERY(+)
3Артикул: 2550-1014D2, TERMINAL,BATTERY(-)
Подробнее >
1200 AXLE & DRIVE SHAFT

1200 AXLE & DRIVE SHAFT

1Артикул: 190101-00141, AXLE & DRIVE SHAFT ASSY
2Артикул: 112-00068B, DRIVE SHAFT;FRONT
3Артикул: 130716-00081, SHAFT,PROPELLER;FRONT
Подробнее >
КРЫШКА ДВИГАТЕЛЯ

КРЫШКА ДВИГАТЕЛЯ

1Артикул: 110508-09960, COVER ASSY;SCR E/G
2Артикул: 110958-01595B, SUPPORT,OIL TANK
3Артикул: 110958-01595C, SUPPORT,OIL TANK
Подробнее >
1190 FUEL TANK

1190 FUEL TANK

1Артикул: 450103-00360, TANK ASSY,FUEL
2Артикул: 450103-00362B, TANK,FUEL
3Артикул: 450103-00362C, TANK,FUEL
Подробнее >
КОНДИЦИОНЕР - ШАССИ

КОНДИЦИОНЕР - ШАССИ

1Артикул: 440213-00338, VENTILATION
2Артикул: 124-00208D4, CLIP
3Артикул: 124-00208D6, CLIP
Подробнее >
РЕШЕТКА РАДИАТОРА В СБОРЕ

РЕШЕТКА РАДИАТОРА В СБОРЕ

1Артикул: 110508-09962A, COVER ASSY,GRILL
2Артикул: 110508-09962B, COVER ASSY,GRILL
3Артикул: 110508-09962C, GRILL ASSY,RADIATOR
Подробнее >
ЭЛЕКТРИЧЕСКИЕ ЗАПЧАСТИ - ФРОНТАЛЬНЫЙ

ЭЛЕКТРИЧЕСКИЕ ЗАПЧАСТИ - ФРОНТАЛЬНЫЙ

1Артикул: 300619-01664, ELECTRIC ASSY;FRONT FRAME
2Артикул: 124-00208D2, CLIP
3Артикул: 110406-02674, BRACKET
Подробнее >
1430 CABIN(4) - DOOR ASS`Y(L.H)

1430 CABIN(4) - DOOR ASS`Y(L.H)

1Артикул: 220101-00891G, CABIN ASSY
2Артикул: 220101-00891H, CABIN ASSY
3Артикул: 220101-00891K, CABIN ASSY;WITHOUT ROOF
Подробнее >
ТРУБОПРОВОД В СБОРЕ

ТРУБОПРОВОД В СБОРЕ

1Артикул: 460103-00302A, DUCT ASSY
2Артикул: 460103-00023C, DUCT,FOOT
3Артикул: 460103-00024B, DUCT
Подробнее >
ЭЛЕКТРИЧЕСКИЕ ЗАПЧАСТИ - ДВИГАТЕЛЬ

ЭЛЕКТРИЧЕСКИЕ ЗАПЧАСТИ - ДВИГАТЕЛЬ

1Артикул: 300619-01670, ELECTRIC ASSY
2Артикул: 2553-1275D127, CABLE,BATTERY
3Артикул: S0511653, BOLT
Подробнее >
КРЫШКА В СБОРЕ - ПЕРЕДНЯЯ

КРЫШКА В СБОРЕ - ПЕРЕДНЯЯ

1Артикул: 110508-11984B, COVER ASSY,FRONT
2Артикул: 110508-11984C, COVER ASSY,FRONT
3Артикул: 110508-20254B, COVER ASSY,FRONT
Подробнее >
ДВИГАТЕЛЬ (EU)

ДВИГАТЕЛЬ (EU)

1Артикул: 150109-01151, ENGINE ASSY(EU)
2Артикул: 150109-01152A, ENGINE ASSY
3Артикул: 150109-01152C, ENGINE ASSY
Подробнее >
БЛОК КОНДИЦИОНЕРА

БЛОК КОНДИЦИОНЕРА

1Артикул: 440205-00035A, CONDITIONER,AIR
2Артикул: 440205-00035C, CONDITIONER,AIR
3Артикул: 440205-00035E, CONDITIONER,AIR
Подробнее >
ПРЕДОХРАНИТЕЛЬ РАДИАТОРА

ПРЕДОХРАНИТЕЛЬ РАДИАТОРА

1Артикул: 110508-09960, COVER ASSY;SCR E/G
2Артикул: K1005351, STOPPER;SIDE DOOR
3Артикул: K1004630, KEY,CYLINDER
Подробнее >
МОНТАЖ ДВИГАТЕЛЯ(1)

МОНТАЖ ДВИГАТЕЛЯ(1)

1Артикул: 150109-00826, ENGINE & TRANSMISSION ASSY
2Артикул: 204-00066, AIR CLEANER
3Артикул: 474-00037, . ELEMENT,INNER
Подробнее >
ПОВОРОТНЫЙ ПРЕДОХРАНИТЕЛЬ ВЕНТИЛЯТОРА

ПОВОРОТНЫЙ ПРЕДОХРАНИТЕЛЬ ВЕНТИЛЯТОРА

1Артикул: 420212-07461, PIPING,COOLER
2Артикул: 440211-01011A, RADIATOR ASSY
3Артикул: 400206-00858, . COOLER,TRANSMISSION OIL
Подробнее >
1230 BRAKE PEDAL VALVE & STEER UNIT

1230 BRAKE PEDAL VALVE & STEER UNIT

1Артикул: 220101-00895B, STEERING & BRAKE V/V
2Артикул: 220101-00895C, STEERING & BRAKE V/V
3Артикул: 220101-00895E, STEERING & BRAKE V/V
Подробнее >
ЭЛЕКТРИЧЕСКИЕ ЗАПЧАСТИ(1) - КАБИНА

ЭЛЕКТРИЧЕСКИЕ ЗАПЧАСТИ(1) - КАБИНА

1Артикул: 300619-01675E, ELECTRIC ASSY
2Артикул: 300619-01675G, ELECTRIC ASSY
3Артикул: 300619-01675N, ELECTRIC ASSY
Подробнее >
ТУБОПРОВОД МАСЛЯНОГО РАДИАТОРА (2)

ТУБОПРОВОД МАСЛЯНОГО РАДИАТОРА (2)

1Артикул: 420212-07251, PIPING,COOLER;HYDRAULIC
2Артикул: 400702-00017A, MOTOR,FAN
3Артикул: 401107-01177, . SEAL KIT;FAN MOTOR
Подробнее >
ДЕФЛЕКТОР В СБОРЕ

ДЕФЛЕКТОР В СБОРЕ

1Артикул: 110502-00609, COVER ASSY,BAFFLE
2Артикул: 110502-01058, COVER,BAFFLE
3Артикул: 110502-01058A, COVER,BAFFLE
Подробнее >
1610 FENDER

1610 FENDER

1Артикул: 180307-00426, FENDER & LADDER ASSY
2Артикул: 180307-00138B, FENDER,FRONT(L.H)
3Артикул: 180307-00510, FENDER,FRONT(R.H)
Подробнее >
КАБИНА(3) - ВНУТРЕННИЕ ЛИСТЫ

КАБИНА(3) - ВНУТРЕННИЕ ЛИСТЫ

1Артикул: 220101-00891G, CABIN ASSY
2Артикул: 220101-00891H, CABIN ASSY
3Артикул: 220101-00891K, CABIN ASSY;WITHOUT ROOF
Подробнее >
ЭЛЕКТРИЧЕСКИЕ ЗАПЧАСТИ - ПРОВОДКА

ЭЛЕКТРИЧЕСКИЕ ЗАПЧАСТИ - ПРОВОДКА

1Артикул: 300619-01667, WIRING GROUP,ELECTRIC
2Артикул: 2550-1014D1, TERMINAL,BATTERY(+)
3Артикул: 2550-1014D2, TERMINAL,BATTERY(-)
Подробнее >
1160 TRANSMISSION

1160 TRANSMISSION

1Артикул: 130902-02107, TRANSMISSION ASSY
2Артикул: 130902-00059A, TRANSMISSION;4WG
3Артикул: 430201-00289, ADAPTER
Подробнее >
ДВИГАТЕЛЬ (США)

ДВИГАТЕЛЬ (США)

1Артикул: 150109-00827, ENGINE ASSY
2Артикул: 150109-00830B, ENGINE
3Артикул: 150109-00830E, ENGINE ASSY
Подробнее >