+7 (701) 588 50 05 Телефон для связи
RU

WhatsApp

Позвонить

КОРПУСНЫЕ ДЕТАЛИ в Алматы

ПУЛЬТ УПРАВЛЕНИЯ В СБОРЕ

ПУЛЬТ УПРАВЛЕНИЯ В СБОРЕ

1Артикул: 195-00297F5J, CONTROL STAND ASS`Y-1 LEVER
2Артикул: 195-00297F5K, CONTROL STAND ASS`Y-1 LEVER
3Артикул: 195-00297F5N, CONTROL STAND ASS`Y-1 LEVER
Подробнее >
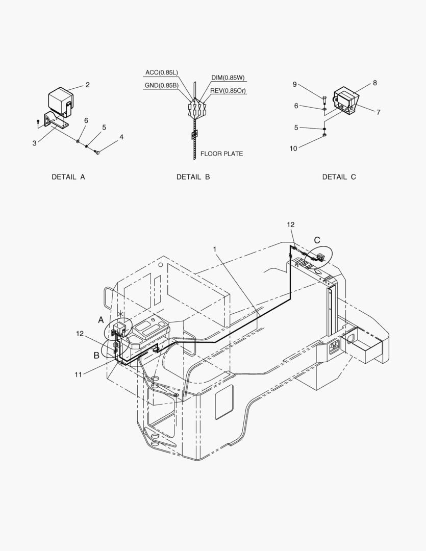
ЭЛЕКТРОПРОВОДКА(4)-СОПРЯЖЕННЫЕ ДЕТАЛИ

ЭЛЕКТРОПРОВОДКА(4)-СОПРЯЖЕННЫЕ ДЕТАЛИ

1Артикул: 500-00180, ELECTRIC PARTS
2Артикул: 599-00025, WIRING DIAGRAM
3Артикул: 530-00130E, HARNESS;MAIN
Подробнее >
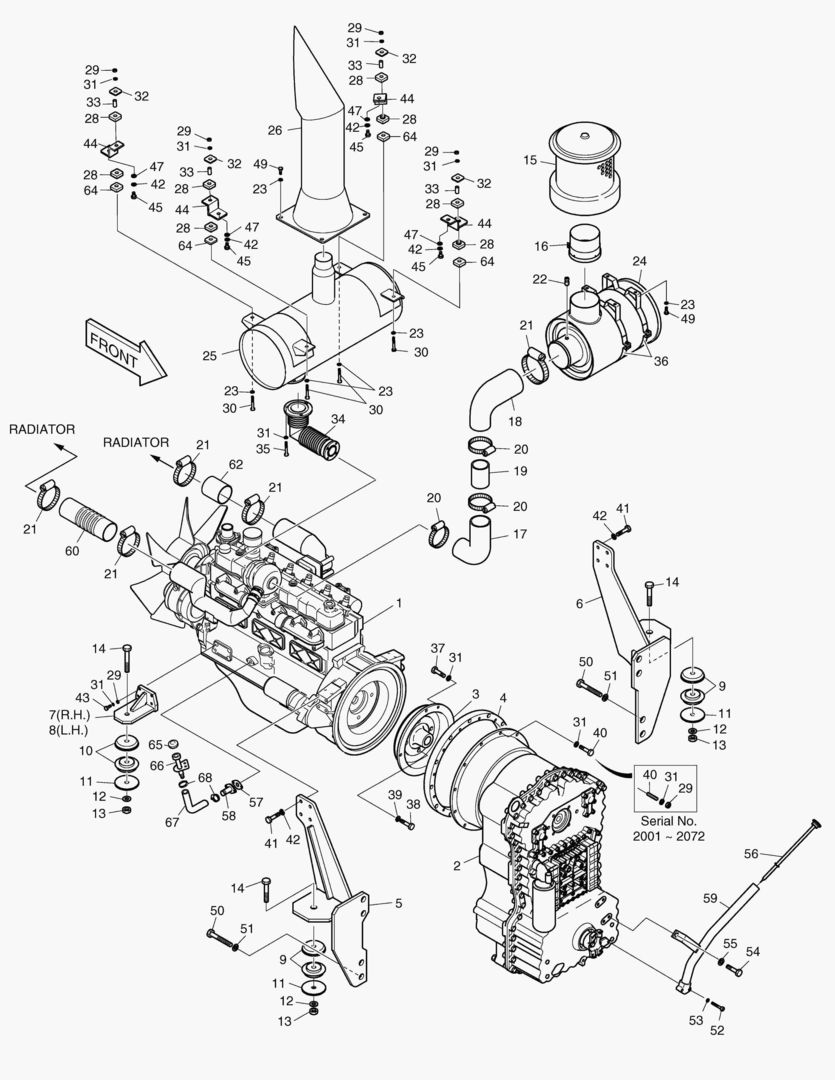
МОНТАЖ ДВИГАТЕЛЯ

МОНТАЖ ДВИГАТЕЛЯ

1Артикул: 201-00117, ENGINE & TRANSMISSION ASS`Y
2Артикул: 201-00154, ENGINE ASS`Y-DB58TIS
3Артикул: 210-00028, TRANSMISSION ASS`Y
Подробнее >
ЭЛЕКТРОПРОВОДКА(2)-ДВИГАТЕЛЬ

ЭЛЕКТРОПРОВОДКА(2)-ДВИГАТЕЛЬ

1Артикул: 500-00180, ELECTRIC PARTS
2Артикул: S0511653, BOLT
3Артикул: S5102603, WASHER
Подробнее >
ТРУБОПРОВОД СЕРВОУПРАВЛЕНИЯ-2 КАТУШКИ

ТРУБОПРОВОД СЕРВОУПРАВЛЕНИЯ-2 КАТУШКИ

1Артикул: 400-00849, PILOT PIPING
2Артикул: 426-00105, VALVE;REMOCON
3Артикул: S2204861, BOLT
Подробнее >
ЭЛЕКТРИЧЕСКИЕ ЗАПЧАСТИ-РЫЧАГ ПЕРЕДАЧИ

ЭЛЕКТРИЧЕСКИЕ ЗАПЧАСТИ-РЫЧАГ ПЕРЕДАЧИ

1Артикул: 500-00247, ELECTRIC PARTS
2Артикул: 500-00247A, ELECTRIC PARTS
3Артикул: 539-00066, PANEL;GAUGE
Подробнее >
ЭЛЕКТРИЧЕСКИЕ ЗАПЧАСТИ(2)-КОРОБКА ПЕРЕКЛЮЧАТЕЛЕЙ

ЭЛЕКТРИЧЕСКИЕ ЗАПЧАСТИ(2)-КОРОБКА ПЕРЕКЛЮЧАТЕЛЕЙ

1Артикул: 500-00178, ELECTRIC PARTS(1)
2Артикул: 500-00178A, ELECTRIC PARTS(1)
3Артикул: 2549-9098, SWITCH;ROCKER
Подробнее >
ЭЛЕКТРОШКАФ В СБОРЕ-РЫЧАГ ПЕРЕДАЧИ

ЭЛЕКТРОШКАФ В СБОРЕ-РЫЧАГ ПЕРЕДАЧИ

1Артикул: 500-00246, ELECTRIC BOX ASS`Y
2Артикул: 2543-9015, CONTROLLER,STARTER
3Артикул: S3450943, SCREW
Подробнее >
АВАРИЙНОЕ УПРАВЛЕНИЕ ТРУБОПРОВОДОМ

АВАРИЙНОЕ УПРАВЛЕНИЕ ТРУБОПРОВОДОМ

1Артикул: 400-00859, EMERGENCY STEERING PIPING
2Артикул: 401-00129A, EMERGENCY DC MOTOR
3Артикул: S0512263, BOLT M10X1.5X30
Подробнее >
СИСТЕМА ИЗОЛЯЦИИ НАГРУЗКИ

СИСТЕМА ИЗОЛЯЦИИ НАГРУЗКИ

1Артикул: 400-00659, LIS PIPING
2Артикул: 460-00006, ACCUMULATOR KIT
3Артикул: 460-00006A, ACCUMULATOR KIT
Подробнее >
ВЫДВИЖНОЕ УСТРОЙСТВО УДАРА(ЭЛЕКТРИКА)-ОПЦИЯ

ВЫДВИЖНОЕ УСТРОЙСТВО УДАРА(ЭЛЕКТРИКА)-ОПЦИЯ

1Артикул: 500-00046B, FLOAT KICK-OUT ASS`Y-OPT.
2Артикул: 2549-9098, SWITCH;ROCKER
3Артикул: K9000353, . LAMP;PILOT
Подробнее >
1400 FENDER & LADDER-FOR GERMAN

1400 FENDER & LADDER-FOR GERMAN

1Артикул: 621-02093, FENDER LADDER ASS`Y
2Артикул: 621-02094A, FENDER;FULL(R.H)
3Артикул: 621-02094B, FENDER;FULL(R.H)
Подробнее >
1310 CABIN(2)

1310 CABIN(2)

1Артикул: 4622-1502N, CABIN ASS`Y
2Артикул: 4622-1502P, CABIN ASS`Y
3Артикул: 4622-1502Q, CABIN ASS`Y
Подробнее >
ТРУБОПРОВОД СЕРВОУПРАВЛЕНИЯ-3 КАТУШКИ

ТРУБОПРОВОД СЕРВОУПРАВЛЕНИЯ-3 КАТУШКИ

1Артикул: 400-00850, PILOT PIPING
2Артикул: 421-00012A, REMOCON VALVE-3SPOOL
3Артикул: S2204861, BOLT
Подробнее >
ФИЛЬТР ШУМОПОДАВЛЕНИЯ(ЗАДНИЙ СТЕКЛООЧИСТИТЕЛЬ)-ЕВРОПА

ФИЛЬТР ШУМОПОДАВЛЕНИЯ(ЗАДНИЙ СТЕКЛООЧИСТИТЕЛЬ)-ЕВРОПА

1Артикул: 471-00076, NOISE FILTER ASS`Y
2Артикул: 530-00224, HARNESS;JOINT
3Артикул: 2471-6062, FILTER,NOISE(BLOWER)
Подробнее >
ЛИСТЫ В СБОРЕ

ЛИСТЫ В СБОРЕ

1Артикул: 4627-1627E, SHEET ASS`Y;INTERIOR
2Артикул: 4627-1627G, SHEET ASS`Y;INTERIOR
3Артикул: 621-03178, SHEET ASS`Y;INTERIOR
Подробнее >
КОЛЕСА В СБОРЕ

КОЛЕСА В СБОРЕ

1Артикул: 276-00039F1, WHEEL ASS`Y
2Артикул: 4276-1068B, WHEEL ASS`Y(R.H)-STD.
3Артикул: 4278-9051, . RIM 17.0X25
Подробнее >
1150 AXLE & DRIVE SHAFT-MAX. TRAC

1150 AXLE & DRIVE SHAFT-MAX. TRAC

1Артикул: 211-00054, AXLE & DRIVE SHAFT ASS`Y
2Артикул: 4211-9055A, FRONT AXLE
3Артикул: 4211-9055B, AXLE;FRONT
Подробнее >
ТРУБОПРОВОД В СБОРЕ

ТРУБОПРОВОД В СБОРЕ

1Артикул: 4627-1350E, DUCT ASS`Y;AIRCON HEATER
2Артикул: 627-00014A, DUCT;FOOT DEF.
3Артикул: 627-00012, DUCT;FACE(R.H.)
Подробнее >
РЕКУЛИРУЮЩИЙ КЛАПАН ТРУБОПРОВОДА-3 КАТУШКИ

РЕКУЛИРУЮЩИЙ КЛАПАН ТРУБОПРОВОДА-3 КАТУШКИ

1Артикул: 400-00550, CONTROL VALVE PIPING
2Артикул: 421-00002, CONTROL VALVE-3 SPOOL
3Артикул: 195-01150, SUPPORT;CONTROL V/V
Подробнее >
1345 SEAT

1345 SEAT

1Артикул: 4901-9036, SEAT
2Артикул: 175932, UPPER ASS`Y
3Артикул: 175933, BACK COVER
Подробнее >
КОНДИЦИОНЕР(1)

КОНДИЦИОНЕР(1)

1Артикул: 920-00094, COOLER & HEATER ASS`Y
2Артикул: 2543-9031A, PANEL;AIRCON CONTROL
3Артикул: S3450583, SCREW
Подробнее >
1300 CABIN(1)

1300 CABIN(1)

1Артикул: 4622-1502N, CABIN ASS`Y
2Артикул: 4622-1502P, CABIN ASS`Y
3Артикул: 4622-1502Q, CABIN ASS`Y
Подробнее >
ЭЛЕКТРИЧЕСКИЕ ЗАПЧАСТИ(6)-ФРОНТАЛЬНЫЕ ЧАСТИ

ЭЛЕКТРИЧЕСКИЕ ЗАПЧАСТИ(6)-ФРОНТАЛЬНЫЕ ЧАСТИ

1Артикул: 500-00179, ELECTRIC PARTS(4)
2Артикул: 2516-9015, HORN(H.F)
3Артикул: 2516-9016, HORN(L.F)
Подробнее >
ТРУБОПРОВОД СЕРВОУПРАВЛЕНИЯ-РЫЧАГ ПЕРЕДАЧИ (3 КАТУШКИ)

ТРУБОПРОВОД СЕРВОУПРАВЛЕНИЯ-РЫЧАГ ПЕРЕДАЧИ (3 КАТУШКИ)

1Артикул: 400-01301, PILOT PIPING-FNR (3 SPOOL)
2Артикул: 426-00254, JOYSTICK VALVE
3Артикул: S2204866, BOLT
Подробнее >
ЭЛЕКТРОШКАФ В СБОРЕ(2)-ЭЛЕКТРИЧЕСКИЕ ЗАПЧАСТИ

ЭЛЕКТРОШКАФ В СБОРЕ(2)-ЭЛЕКТРИЧЕСКИЕ ЗАПЧАСТИ

1Артикул: 500-00177, ELECTRIC BOX ASS`Y
2Артикул: 2543-9015, CONTROLLER,STARTER
3Артикул: S3450943, SCREW
Подробнее >
ЭЛЕКТРИЧЕСКИЕ ЗАПЧАСТИ(4)-АККУМУЛЯТОР

ЭЛЕКТРИЧЕСКИЕ ЗАПЧАСТИ(4)-АККУМУЛЯТОР

1Артикул: 500-00179, ELECTRIC PARTS(4)
2Артикул: 2506-1104, BATTERY
3Артикул: 2161-1061, CUSHION
Подробнее >
НАСОС ЗАЛИВНОЙ ГОРЛОВИНЫ ТОПЛИВА-ОПЦИЯ

НАСОС ЗАЛИВНОЙ ГОРЛОВИНЫ ТОПЛИВА-ОПЦИЯ

1Артикул: 401-00283, FUEL PUMP ASS`Y
2Артикул: 2401-1277A, PUMP;FUEL
3Артикул: 2181-2755B, . ADAPTER
Подробнее >
УСТАНОВКА КАБИНЫ

УСТАНОВКА КАБИНЫ

1Артикул: 621-01440, CABIN MOUNTING
2Артикул: 2161-9057, CABIN MOUNT
3Артикул: S0512066, BOLT M10X1.5X25
Подробнее >
1370 COUNTER WEIGHT & BATTERY BOX

1370 COUNTER WEIGHT & BATTERY BOX

1Артикул: 600-00153, COUNTER WEIGHT & BATTERY BOX
2Артикул: 624-00058, WEIGHT;COUNTER
3Артикул: 624-00058A, WEIGHT;COUNTER
Подробнее >
ФИЛЬТР В СБОРЕ-ЕВРОПА ОПЦИЯ

ФИЛЬТР В СБОРЕ-ЕВРОПА ОПЦИЯ

1Артикул: 471-00054, FILTER ASS`Y-OPT.
2Артикул: 2471-6062, FILTER,NOISE(BLOWER)
3Артикул: 2471-6063, FILTER;NOISE(CONDENSER)
Подробнее >
КОНДИЦИОНЕР(3)-БЛОК КОНДИЦИОНЕРА

КОНДИЦИОНЕР(3)-БЛОК КОНДИЦИОНЕРА

1Артикул: 920-00094, COOLER & HEATER ASS`Y
2Артикул: 4920-9050A, UNIT;AIRCON
3Артикул: 2538-6015, . MOTOR;BLOWER 24V
Подробнее >
ЭЛЕКТРОШКАФ В СБОРЕ(1)-ЭЛЕКТРОШКАФ

ЭЛЕКТРОШКАФ В СБОРЕ(1)-ЭЛЕКТРОШКАФ

1Артикул: 4512-1141E, ELECTRIC BOX ASS`Y
2Артикул: 4512-1142B, SUPPORT ASS`Y
3Артикул: 4627-1920A, PLATE;SEAT
Подробнее >
КОНДИЦИОНЕР(2)

КОНДИЦИОНЕР(2)

1Артикул: 920-00094, COOLER & HEATER ASS`Y
2Артикул: 185-00368, HOSE;DISCHARGE 2150L
3Артикул: 2180-6088, . O-RING
Подробнее >
ЭЛЕКТРИЧЕСКИЕ ЗАПЧАСТИ(7)-СОПРЯЖЕННЫЕ ДЕТАЛИ

ЭЛЕКТРИЧЕСКИЕ ЗАПЧАСТИ(7)-СОПРЯЖЕННЫЕ ДЕТАЛИ

1Артикул: 500-00179, ELECTRIC PARTS(4)
2Артикул: 544-00007, RELAY;PREHEAT
3Артикул: S0504453, BOLT
Подробнее >
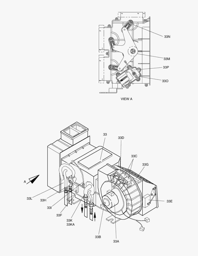
ЭЛЕКТРИЧЕСКИЕ ЗАПЧАСТИ(5)-ДВИГАТЕЛЬ

ЭЛЕКТРИЧЕСКИЕ ЗАПЧАСТИ(5)-ДВИГАТЕЛЬ

1Артикул: 500-00179, ELECTRIC PARTS(4)
2Артикул: 2547-6028, SENSOR,TEMPERATURE
3Артикул: 2502-9007B, ALTERNATOR 24V 60A
Подробнее >
LIS В СБОРЕ(ЭЛЕКТРИКА)-ОПЦИЯ

LIS В СБОРЕ(ЭЛЕКТРИКА)-ОПЦИЯ

1Артикул: 500-00137, LIS ASS`Y-ELECTRIC
2Артикул: 500-00270, LIS ASS`Y-ELECTRIC
3Артикул: 2549-9098, SWITCH;ROCKER
Подробнее >
КРЫШКА ДВИГАТЕЛЯ

КРЫШКА ДВИГАТЕЛЯ

1Артикул: 621-02227, COVER ASS`Y
2Артикул: 622-00249B, DOOR(R.H)
3Артикул: 2125-9054, . LOCK
Подробнее >
КАБЕЛЬ АКСЕЛЕРАТОРА

КАБЕЛЬ АКСЕЛЕРАТОРА

1Артикул: 400-00982, REMOTE PRESSURE CHECK PIPING
2Артикул: 284-00007A, CHECK PORTS ASS`Y
3Артикул: 120-00003, . SCREW;COUPLING
Подробнее >
1390 FENDER & LADDER

1390 FENDER & LADDER

1Артикул: 621-01365, FENDER LADDER ASS`Y
2Артикул: 621-01370A, FENDER;FRONT(R.H)
3Артикул: 621-01371A, FENDER;FRONT(L.H)
Подробнее >
АВАРИЙНОЕ РУЛЕВОЕ УПРАВЛЕНИЕ В СБОРЕ

АВАРИЙНОЕ РУЛЕВОЕ УПРАВЛЕНИЕ В СБОРЕ

1Артикул: 500-00144, EMERGENCY STEERING-ELEC.
2Артикул: 2549-9110, SWITCH;WASHER
3Артикул: K9000353, . LAMP;PILOT
Подробнее >
1160 AXLE & DRIVE SHAFT-SUPER MAX. TRAC

1160 AXLE & DRIVE SHAFT-SUPER MAX. TRAC

1Артикул: 211-00089, AXLE & DRIVE SHAFT ASS`Y
2Артикул: 4211-9084, FRONT AXLE
3Артикул: 4211-9084A, AXLE;FRONT
Подробнее >
ЭЛЕКТРИЧЕСКИЕ ЗАПЧАСТИ(3)-КАБИНА

ЭЛЕКТРИЧЕСКИЕ ЗАПЧАСТИ(3)-КАБИНА

1Артикул: 500-00178, ELECTRIC PARTS(1)
2Артикул: 500-00178A, ELECTRIC PARTS(1)
3Артикул: 570-00002, BOX;FUSE(2)
Подробнее >
СИСТЕМА ВИДЕОНАБЛЮДЕНИЯ В СБОРЕ-ОПЦИЯ

СИСТЕМА ВИДЕОНАБЛЮДЕНИЯ В СБОРЕ-ОПЦИЯ

1Артикул: 537-00043, CCTV ASS`Y
2Артикул: 563-00009, CABLE;CAMERA
3Артикул: 537-00047, MONITOR;CCTV
Подробнее >
ЭЛЕКТРОПРОВОДКА(3)-ПЕРЕДНЯЯ РАМА

ЭЛЕКТРОПРОВОДКА(3)-ПЕРЕДНЯЯ РАМА

1Артикул: 500-00180, ELECTRIC PARTS
2Артикул: 530-00132, HARNESS;FRONT FRAME
3Артикул: 530-00447, HARNESS;FRONT FRAME
Подробнее >
1100 FRAME

1100 FRAME

1Артикул: 600-00145, FRAME ASS`Y
2Артикул: 606-00041H, FRAME;FRONT
3Артикул: 606-00041J, FRAME;FRONT
Подробнее >
1375 COUNTER WEIGHT-ADDITIONAL [2058~]

1375 COUNTER WEIGHT-ADDITIONAL [2058~]

1Артикул: 600-00164, COUNTER WEIGHT-ADDITIONAL
2Артикул: 624-00074, WEIGHT;COUNTER(ADDITIONAL)
3Артикул: 120-00091, BOLT
Подробнее >
РУЛЕВОЕ УПРАВЛЕНИЕ В СБОРЕ

РУЛЕВОЕ УПРАВЛЕНИЕ В СБОРЕ

1Артикул: 303-00007E, STEERING ASS`Y
2Артикул: 303-00007G, STEERING ASS`Y
3Артикул: 195-00580B, BRACKET
Подробнее >
1320 CABIN(3)

1320 CABIN(3)

1Артикул: 4622-1502N, CABIN ASS`Y
2Артикул: 4622-1502P, CABIN ASS`Y
3Артикул: 4622-1502Q, CABIN ASS`Y
Подробнее >
ТУБОПРОВОД ОБОГРЕВАТЕЛЯ

ТУБОПРОВОД ОБОГРЕВАТЕЛЯ

1Артикул: 920-00094, COOLER & HEATER ASS`Y
2Артикул: 2185-1308D5, HOSE
3Артикул: 2186-9003, VALVE
Подробнее >
1115 AIR CLEANER

1115 AIR CLEANER

1Артикул: 2204-9039A, CLEANER;AIR
2Артикул: -, BODY
3Артикул: 2474-9054A, ELEMENT;INNER
Подробнее >
1230 BRAKE PIPING

1230 BRAKE PIPING

1Артикул: 400-01202, BRAKE PIPING
2Артикул: 420-00239A, VALVE;BRAKE PEDAL
3Артикул: 420-00239B, VALVE;BRAKE PEDAL
Подробнее >
ПРОБЛЕСКОВЫЙ МАЯЧОК-ОПЦИЯ

ПРОБЛЕСКОВЫЙ МАЯЧОК-ОПЦИЯ

1Артикул: 4534-1177, ROTATING BEACON ASS`Y-OPT.
2Артикул: 2549-9098, SWITCH;ROCKER
3Артикул: K9000353, . LAMP;PILOT
Подробнее >
ПЕРЕДНИЙ ТРУБОПРОВОД СМАЗОЧНОЙ СИСТЕМЫ

ПЕРЕДНИЙ ТРУБОПРОВОД СМАЗОЧНОЙ СИСТЕМЫ

1Артикул: 400-00683, LUBRICATION PIPING
2Артикул: S6710041, NIPPLE,GREASE
3Артикул: 181-00366, REDUCER
Подробнее >
РЕШЕТКА РИДИАТОРА

РЕШЕТКА РИДИАТОРА

1Артикул: 623-00061A, GRILL;RADIATOR ASS`Y
2Артикул: 623-00020B, GRILLE;RADIATOR
3Артикул: 195-02380, BRACKET
Подробнее >
ЭЛЕКТРОПРОВОДКА(1)-АККУМУЛЯТОР

ЭЛЕКТРОПРОВОДКА(1)-АККУМУЛЯТОР

1Артикул: 500-00180, ELECTRIC PARTS
2Артикул: 2550-1014D1, TERMINAL,BATTERY(+)
3Артикул: 2550-1014D2, TERMINAL,BATTERY(-)
Подробнее >
ОХЛАЖДАЮЩИЙ ТРУБОПРОВОД

ОХЛАЖДАЮЩИЙ ТРУБОПРОВОД

1Артикул: 400-01024, COOLING PIPING
2Артикул: 202-00099A, RADIATOR
3Артикул: 202-00099B, RADIATOR
Подробнее >
1670 WHEEL CHOCK

1670 WHEEL CHOCK

1Артикул: 542-00003, WHEEL CHOCK ASS`Y
2Артикул: 625-00184, LADDER(L.H)
3Артикул: 625-00185, LADDER(R.H)
Подробнее >
1130 FUEL TANK

1130 FUEL TANK

1Артикул: 470-00111, FUEL TANK ASS`Y
2Артикул: 470-00110A, TANK;FUEL
3Артикул: S0570066, BOLT
Подробнее >
1170 MAIN PIPING

1170 MAIN PIPING

1Артикул: 400-00707, MAIN PIPING
2Артикул: 401-00081, MAIN PUMP
3Артикул: 4420-9555, UNIT;STEERING
Подробнее >
1180 STEER PIPING

1180 STEER PIPING

1Артикул: 400-00634, STEERING PIPING
2Артикул: 420-00172, VALVE;CUSHION
3Артикул: S0508853, BOLT;M8X1.25X20
Подробнее >
УПРАВЛЕНИЕ ДВИГАТЕЛЕМ В СБОРЕ

УПРАВЛЕНИЕ ДВИГАТЕЛЕМ В СБОРЕ

1Артикул: 201-00142, ENGINE CONTROL ASS`Y
2Артикул: 134-00028, PEDAL ASS`Y
3Артикул: S0504853, BOLT;M6X1.0X20
Подробнее >
РЕКУЛИРУЮЩИЙ КЛАПАН ТРУБОПРОВОДА-2 КАТУШКИ

РЕКУЛИРУЮЩИЙ КЛАПАН ТРУБОПРОВОДА-2 КАТУШКИ

1Артикул: 400-00553, CONTROL VALVE PIPING
2Артикул: 421-00001, CONTROL VALVE-2 SPOOL
3Артикул: 195-01150, SUPPORT;CONTROL V/V
Подробнее >
РЕЗЕРВУАР ДЛЯ МАСЛА

РЕЗЕРВУАР ДЛЯ МАСЛА

1Артикул: 470-00116, OIL TANK ASS`Y
2Артикул: 470-00115B, TANK;OIL
3Артикул: 2474-9404A, ELEMENT;FILTER
Подробнее >
ЭЛЕКТРИЧЕСКИЕ ЗАПЧАСТИ(1)-ИЗМЕРИТЕЛЬНЫЕ ПРИБОРЫ ПАНЕЛЬ

ЭЛЕКТРИЧЕСКИЕ ЗАПЧАСТИ(1)-ИЗМЕРИТЕЛЬНЫЕ ПРИБОРЫ ПАНЕЛЬ

1Артикул: 500-00178, ELECTRIC PARTS(1)
2Артикул: 500-00178A, ELECTRIC PARTS(1)
3Артикул: 539-00056, PANEL;GAUGE
Подробнее >