+7 (701) 588 50 05 Телефон для связи
RU

WhatsApp

Позвонить

20 ДЕТАЛИ ГУСЕНИЦЫ в Алматы

ПРУЖИНЫ ГУСЕНИЦЫ

ПРУЖИНЫ ГУСЕНИЦЫ

1Артикул: 200101-00002A, TRACK SPRING ASS`Y
2Артикул: -, BODY
3Артикул: 110406-00404, BRACKET
Подробнее >
ТРУБОПРОВОД ХОДА

ТРУБОПРОВОД ХОДА

1Артикул: 420212-05907, PIPING,UNDERCARRIAGE
2Артикул: DS20401034, HOSE
3Артикул: DS20401035, HOSE
Подробнее >
НИЖНИЙ ПОДШИПНИК

НИЖНИЙ ПОДШИПНИК

1Артикул: 200104-00007C, ROLLER,UNDER
2Артикул: -, BODY,ROLLER
3Артикул: 110917-00006C, COLLAR,ROLLER
Подробнее >
ПРЕДОХРАНИТЕЛЬ ГУСЕНИЦЫ

ПРЕДОХРАНИТЕЛЬ ГУСЕНИЦЫ

1Артикул: 200112-00011, GUARD,TRACK(3.49M)
2Артикул: 200112-00057A, GUARD,TRACK LINK
3Артикул: S0572566, BOLT
Подробнее >
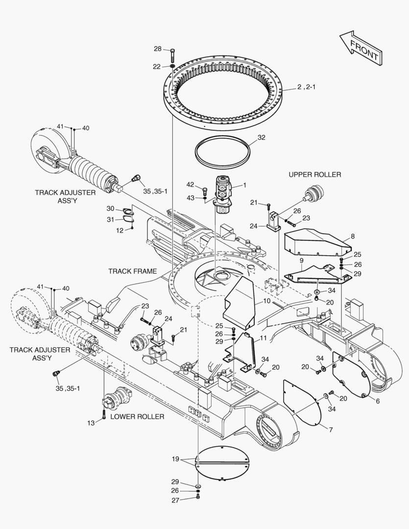
2180 CENTER JOINT

2180 CENTER JOINT

1Артикул: 400826-00001A, JOINT,CENTER
2Артикул: -, BODY
3Артикул: K1001565A, SPINDLE ASSY
Подробнее >
ВЕРХНИЙ ПОДШИПНИК

ВЕРХНИЙ ПОДШИПНИК

1Артикул: 200105-00002C, ROLLER,UPPER
2Артикул: -, BODY
3Артикул: 130712-00059C, SHAFT,UPPER ROLLER
Подробнее >
БАШМАК ГУСЕНИЦЫ В СБОРЕ - 600G

БАШМАК ГУСЕНИЦЫ В СБОРЕ - 600G

1Артикул: 200106-00099, SHOE ASSY,TRACK
2Артикул: 200106-00024, SHOE ASSY,TRACK;600MM
3Артикул: 200106-00024A, SHOE ASSY,TRACK(600MM)
Подробнее >
КОМПЛЕКТУЮЩИЕ ГУСЕНИЦЫ

КОМПЛЕКТУЮЩИЕ ГУСЕНИЦЫ

1Артикул: 650105-00015, UNDERCARRIAGE ASSY
2Артикул: 400826-00001A, JOINT,CENTER
3Артикул: 140109-00003A, BEARING,SWING
Подробнее >
РАМА ГУСЕНИЦЫ - 3.49 м

РАМА ГУСЕНИЦЫ - 3.49 м

1Артикул: 650105-00012, UNDERCARRIAGE ASSY
2Артикул: 160619-00046A, FRAME,CENTER
3Артикул: 160622-00019C, FRAME,TRACK SIDE(L.H)
Подробнее >
УСТРОЙСТВО ХОДА

УСТРОЙСТВО ХОДА

1Артикул: 650105-00015, UNDERCARRIAGE ASSY
2Артикул: 170401-00009H, DEVICE,TRAVEL
3Артикул: 200108-00001A, SPROCKET
Подробнее >
НАТЯЖНОЕ КОЛЕСО

НАТЯЖНОЕ КОЛЕСО

1Артикул: 200101-00009, ADJUSTER ASSY,TRACK
2Артикул: 200102-00002A, IDLER ASS`Y
3Артикул: -, . BODY
Подробнее >