+7 (701) 588 50 05 Телефон для связи
RU

WhatsApp

Позвонить

20 ДЕТАЛИ ГУСЕНИЦЫ в Алматы

БАШМАК ГУСЕНИЦЫ В СБОРЕ - 600G

БАШМАК ГУСЕНИЦЫ В СБОРЕ - 600G

1Артикул: 200106-00155, SHOE ASSY,TRACK;(600MM)
2Артикул: 200106-00155A, SHOE ASSY,TRACK(600MM)
3Артикул: 200103-00096, LINK ASSY,TRACK
Подробнее >
ВЕРХНИЙ ПОДШИПНИК

ВЕРХНИЙ ПОДШИПНИК

1Артикул: 650105-00054, UNDERCARRIAGE ASSY
2Артикул: 200105-00038, ROLLER ASSY,UPPER
3Артикул: -, . BODY
Подробнее >
НАТЯЖНОЕ КОЛЕСО

НАТЯЖНОЕ КОЛЕСО

1Артикул: 650105-00054, UNDERCARRIAGE ASSY
2Артикул: 200101-00024A, ADJUSTER ASSY,TRACK
3Артикул: 200101-00024B, ADJUSTER ASSY,TRACK
Подробнее >
ТРУБОПРОВОД ХОДА

ТРУБОПРОВОД ХОДА

1Артикул: 420212-02427, PIPING,UNDERCARRIAGE
2Артикул: DS2112002, HOSE
3Артикул: DS2120064, HOSE ASSY,HYDRAULIC
Подробнее >
2161 CENTER JOINT [1041~]

2161 CENTER JOINT [1041~]

1Артикул: 650105-00054, UNDERCARRIAGE ASSY
2Артикул: 400826-00011A, JOINT,CENTER
3Артикул: 900122-00112, . HUB
Подробнее >
УСТРОЙСТВО ХОДА

УСТРОЙСТВО ХОДА

1Артикул: 650105-00054, UNDERCARRIAGE ASSY
2Артикул: 170401-00039B, DEVICE,TRAVEL
3Артикул: 200108-00008A, SPROCKET
Подробнее >
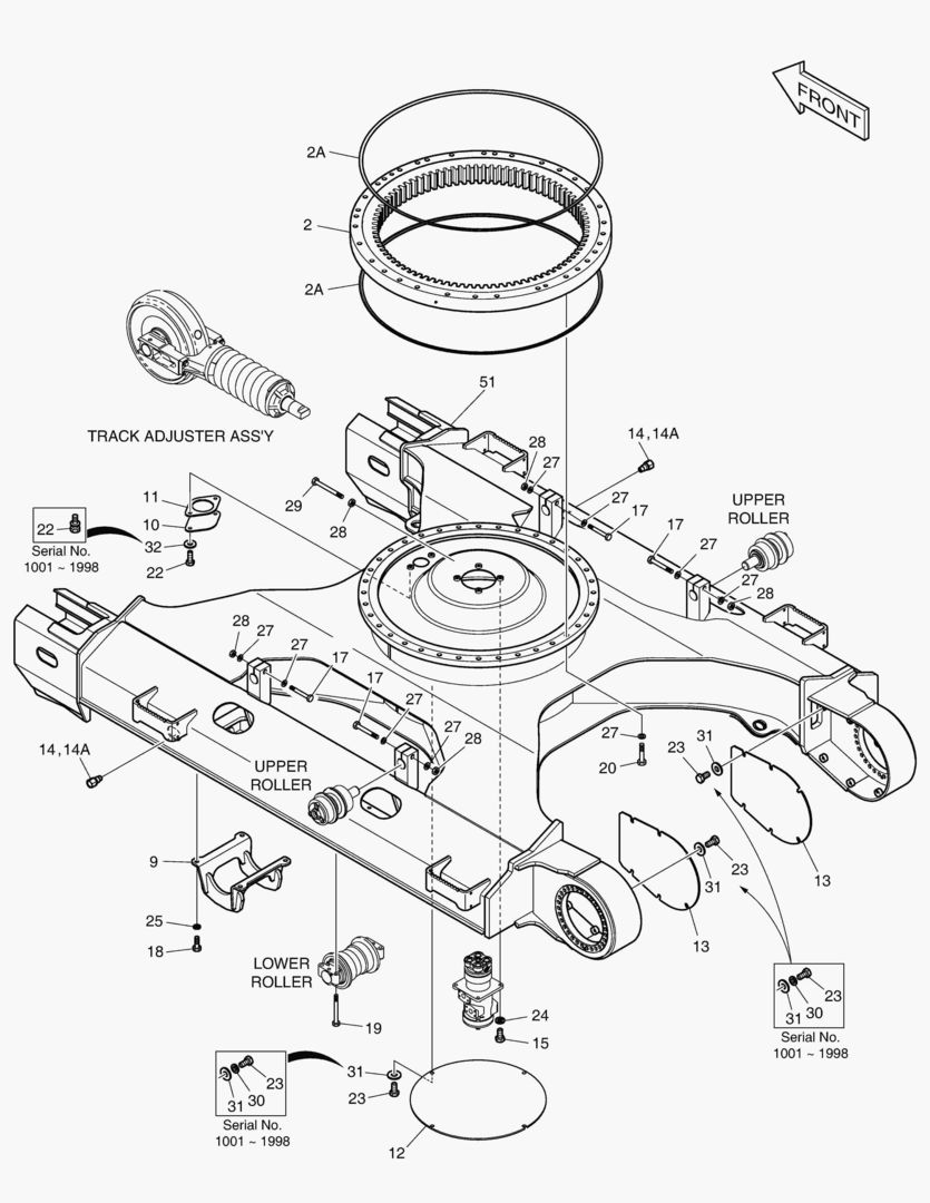
РАМА ГУСЕНИЦЫ

РАМА ГУСЕНИЦЫ

1Артикул: 650105-00054, UNDERCARRIAGE ASSY
2Артикул: 140109-00011A, BEARING,SWING
3Артикул: 140109-00011B, BEARING,SWING
Подробнее >
ПРУЖИНЫ ГУСЕНИЦЫ

ПРУЖИНЫ ГУСЕНИЦЫ

1Артикул: 200101-00025A, SPRING ASSY,TRACK
2Артикул: 200101-00025B, SPRING ASSY,TRACK
3Артикул: 160601-00030A, BODY,CYLINDER
Подробнее >
НИЖНИЙ ПОДШИПНИК

НИЖНИЙ ПОДШИПНИК

1Артикул: 650105-00054, UNDERCARRIAGE ASSY
2Артикул: 200104-00012A, ROLLER,LOWER
3Артикул: -, . BODY,ROLLER
Подробнее >
2160 CENTER JOINT [1001~1040]

2160 CENTER JOINT [1001~1040]

1Артикул: 650105-00054, UNDERCARRIAGE ASSY
2Артикул: 400826-00011, JOINT,CENTER
3Артикул: K1038791, . HUB
Подробнее >