+7 (701) 588 50 05 Телефон для связи
RU

WhatsApp

Позвонить

50 ОПЦИОННЫЕ ЗАПЧАСТИ в Алматы

ТРУБОПРОВОД СЕРВОУПРАВЛЕНИЯ - ПАЛЕЦ + 2 КАТУШКИ(P ТИП)

ТРУБОПРОВОД СЕРВОУПРАВЛЕНИЯ - ПАЛЕЦ + 2 КАТУШКИ(P ТИП)

1Артикул: K1043704, PILOT PIPING;2 FINGER
2Артикул: 2181-4133D2, ADAPTER
3Артикул: K1043905A, BRACKET
Подробнее >
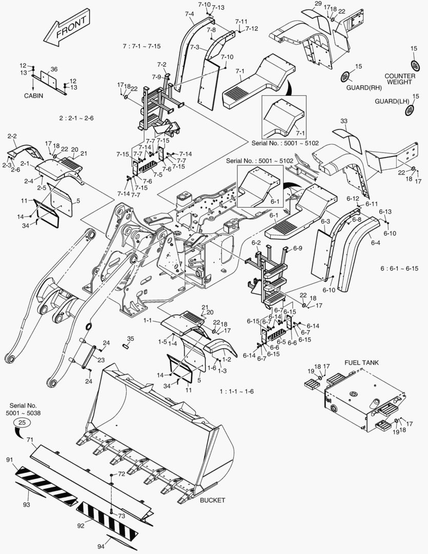
5230 FENDER & LADDER - PROTECTOR

5230 FENDER & LADDER - PROTECTOR

1Артикул: 180307-00025, FENDER;PROTECTOR
2Артикул: 180307-00023, FENDER SUB ASS`Y;FRONT(L.H)
3Артикул: K1004992C, . FENDER;FRONT (L.H)
Подробнее >
5501 ELECTRIC BOX - FINGER LEVER [5026~]

5501 ELECTRIC BOX - FINGER LEVER [5026~]

1Артикул: 300706-00055, BOX ASSY,ELECTRIC
2Артикул: 300706-00055B, BOX ASSY,ELECTRIC;TWO LEVER
3Артикул: 300706-00055C, BOX ASSY,ELECTRIC;TWO LEVER
Подробнее >
РЕКУЛИРУЮЩИЙ КЛАПАН ТРУБОПРОВОДА - 2 КАТУШКИ(P ТИП)

РЕКУЛИРУЮЩИЙ КЛАПАН ТРУБОПРОВОДА - 2 КАТУШКИ(P ТИП)

1Артикул: K1043197, FRONT PIPING;2-SPOOL
2Артикул: K1042754, VALVE;CONTROL;2-SPOOL
3Артикул: K1010791, BRACKET
Подробнее >
РЕКУЛИРУЮЩИЙ КЛАПАН ТРУБОПРОВОДА - 2 КАТУШКИ(K ТИП)

РЕКУЛИРУЮЩИЙ КЛАПАН ТРУБОПРОВОДА - 2 КАТУШКИ(K ТИП)

1Артикул: K1043194, FRONT PIPING;2-SPOOL
2Артикул: K1003040A, CONTROL VALVE-2 SPOOL
3Артикул: K1010791, BRACKET
Подробнее >
СИСТЕМА ИЗОЛЯЦИИ НАГРУЗКИ - K ТИП

СИСТЕМА ИЗОЛЯЦИИ НАГРУЗКИ - K ТИП

1Артикул: 420212-00185, LIS PIPING
2Артикул: K1046124, VALVE;SHOCKLESS
3Артикул: 110406-00027, BRACKET
Подробнее >
5270 LOADER ARM & BUCKET - HOMOLOGATION

5270 LOADER ARM & BUCKET - HOMOLOGATION

1Артикул: K1047570, FRONT ATTACHMENT
2Артикул: K1047584, ARM;LIFT
3Артикул: K1042711, . BUSHING
Подробнее >
5200 SEAT HEATER [5001~10020]

5200 SEAT HEATER [5001~10020]

1Артикул: K1042013, OPTION;SEAT HEATER
2Артикул: 2549-9098, SWITCH;ROCKER
3Артикул: K9000353, . LAMP;PILOT
Подробнее >
5181 CCTV [10021~]

5181 CCTV [10021~]

1Артикул: 300619-01488, CCTV ASSY
2Артикул: K1044160A, COVER
3Артикул: K1044180A, COVER
Подробнее >
КОЛЕСА В СБОРЕ - 23.5XR25XVSDL(L5)

КОЛЕСА В СБОРЕ - 23.5XR25XVSDL(L5)

1Артикул: K1044082, WHEEL
2Артикул: 900141-00078, WHEEL ASSY
3Артикул: K1039709, RIM;WHEEL(19.5x25x3P)
Подробнее >
ПРОБЛЕСКОВЫЙ МАЯЧОК - СЕРТИФИКАТЫ

ПРОБЛЕСКОВЫЙ МАЯЧОК - СЕРТИФИКАТЫ

1Артикул: 300705-00018, BEACON,ROTATING;HOMOLOGATION
2Артикул: 300705-00019B, BEACON ASSY,ROTATING
3Артикул: 2549-9098, SWITCH;ROCKER
Подробнее >
5420 BUCKET-3.9гЋҐ - CUTTING EDGE

5420 BUCKET-3.9гЋҐ - CUTTING EDGE

1Артикул: K1049526, BUCKET ASSY;3.9M3
2Артикул: 230104-00199, BUCKET ASSY-3.9гЋҐ
3Артикул: 230104-00199A, BUCKET ASSY;3.9M3 CUTTING EDGE,3110MM
Подробнее >
ФИЛЬТР ШУМА- МОТОР СТЕКЛООЧИСТИТЕЛЯ

ФИЛЬТР ШУМА- МОТОР СТЕКЛООЧИСТИТЕЛЯ

1Артикул: K1042016, ELECTRIC;NOISE FILTER
2Артикул: 530-00224, HARNESS;JOINT
3Артикул: 2471-6062, FILTER,NOISE(BLOWER)
Подробнее >
ГЕНЕРАТОР ПЕРЕМЕННОГО ТОКА - 80A

ГЕНЕРАТОР ПЕРЕМЕННОГО ТОКА - 80A

1Артикул: K1042019, ELECTRIC;ALTENATOR(80A)
2Артикул: 300619-00899, ELECTRIC ASSY;ALTERNATOR
3Артикул: K1010703, ALTERNATOR 80A
Подробнее >
ДОПОЛНИТЕЛЬНЫЙ ВЕС

ДОПОЛНИТЕЛЬНЫЙ ВЕС

1Артикул: K1003623A, COUNTER WEIGHT;ADDITIONAL
2Артикул: K1003622A, COUNTER WEIGHT 238kg
3Артикул: K1003610, BOLT
Подробнее >
КОЛЕСА В СБОРЕ - 23.5XR25XL3

КОЛЕСА В СБОРЕ - 23.5XR25XL3

1Артикул: K1044086, WHEEL
2Артикул: 900141-00076, WHEEL ASSY
3Артикул: K1039709, RIM;WHEEL(19.5x25x3P)
Подробнее >
ЗАДНЕЕ КРЫЛО - БОЛЬШОЕ КРЫЛО

ЗАДНЕЕ КРЫЛО - БОЛЬШОЕ КРЫЛО

1Артикул: K1039419, FENDER;REAR FULL
2Артикул: K1023954B, FENDER SUB ASS`Y;REAR (L.H)
3Артикул: K1011664B, . FENDER;REAR (L.H)
Подробнее >
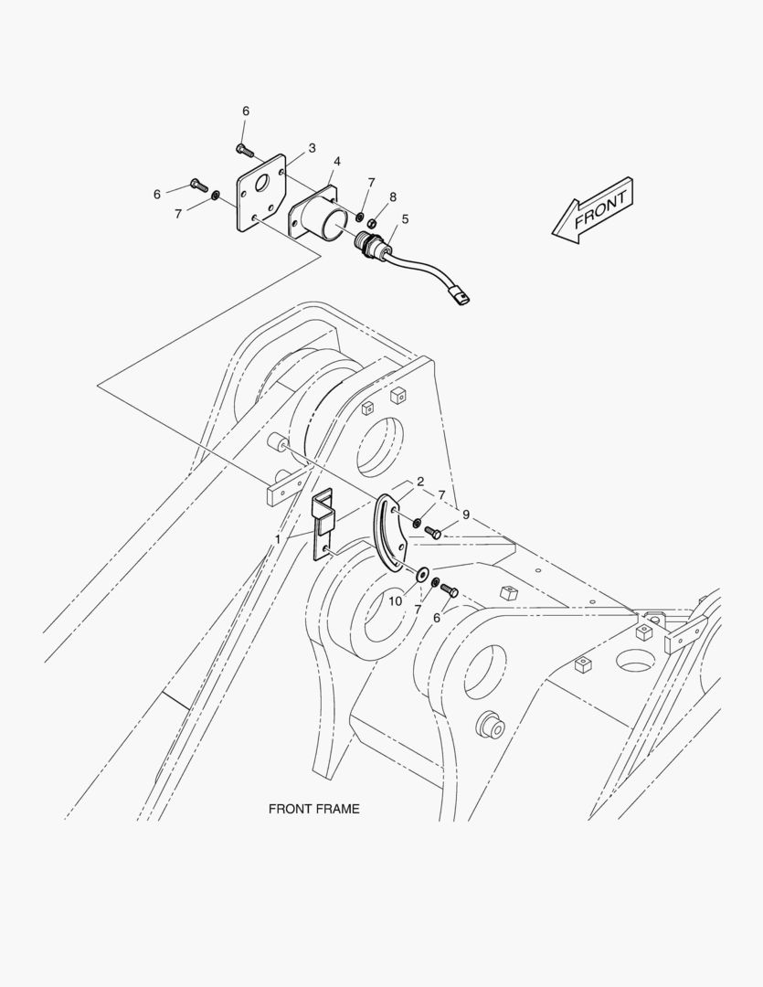
5100 EMERGENCY STEERING

5100 EMERGENCY STEERING

1Артикул: K1041642, EMERGENCY STEER PIPING
2Артикул: 420212-01271, PIPING,EMERGENCY STEER
3Артикул: 401-00127A, EMERGENCY DC MOTOR
Подробнее >
ТРУБОПРОВОД СЕРВОУПРАВЛЕНИЯ - ПАЛЕЦ + 3 КАТУШКИ(K ТИП)

ТРУБОПРОВОД СЕРВОУПРАВЛЕНИЯ - ПАЛЕЦ + 3 КАТУШКИ(K ТИП)

1Артикул: 420212-00195, PIPING,PILOT;FINGER TIP+3SPOOL
2Артикул: 110406-00028, BRACKET
3Артикул: DS2415002, ADAPTER
Подробнее >
КОЛЕСА В СБОРЕ - 23.5XR25XL3

КОЛЕСА В СБОРЕ - 23.5XR25XL3

1Артикул: K1044081, WHEEL
2Артикул: 900141-00079, WHEEL ASSY
3Артикул: K1039709, RIM;WHEEL(19.5x25x3P)
Подробнее >
5410 BUCKET-3.7гЋҐ - TOOTH

5410 BUCKET-3.7гЋҐ - TOOTH

1Артикул: K1049524, BUCKET ASSY;TOOTH 3.7гЋҐ
2Артикул: 230104-00198, BUCKET ASSY-3.7гЋҐ
3Артикул: 230104-00198A, BUCKET ASSY;3.7M3 TOOTH,3110MM
Подробнее >
5400 BUCKET-3.7гЋҐ - CUTTING EDGE

5400 BUCKET-3.7гЋҐ - CUTTING EDGE

1Артикул: K1048783, BUCKET ASSY;3.7M3
2Артикул: 230104-00197, BUCKET ASSY-3.7гЋҐ
3Артикул: 230104-00197A, BUCKET ASSY;3.7M3 CUTTING EDGE,3000MM
Подробнее >
ЗЕРКАЛО ПОМЕЩЕНИЯ

ЗЕРКАЛО ПОМЕЩЕНИЯ

1Артикул: 110969-00039, MIRROR ASSY,ROOM(CCTV)
2Артикул: K1006329B, BRACKET;ROOM MIRROR
3Артикул: 903-00064, MIRROR;ROOM
Подробнее >
КОЛЕСА В СБОРЕ - 23.5X25X16PR(L3)

КОЛЕСА В СБОРЕ - 23.5X25X16PR(L3)

1Артикул: K1044085, WHEEL ASSY
2Артикул: 900141-00073, WHEEL ASSY
3Артикул: K1039709, RIM;WHEEL(19.5x25x3P)
Подробнее >
КОЛЕСА В СБОРЕ - 23.5XR25XL3

КОЛЕСА В СБОРЕ - 23.5XR25XL3

1Артикул: K1044841, WHEEL
2Артикул: 900141-00077, WHEEL ASSY
3Артикул: K1039709, RIM;WHEEL(19.5x25x3P)
Подробнее >
ТРУБОПРОВОД СЕРВОУПРАВЛЕНИЯ - ПАЛЕЦ + 3 КАТУШКИ(P ТИП)

ТРУБОПРОВОД СЕРВОУПРАВЛЕНИЯ - ПАЛЕЦ + 3 КАТУШКИ(P ТИП)

1Артикул: K1043706, PILOT PIPING;3 FINGER
2Артикул: 2181-4133D2, ADAPTER
3Артикул: K1043905A, BRACKET
Подробнее >
ТРУБОПРОВОД СЕРВОУПРАВЛЕНИЯ - ПАЛЕЦ + 2 КАТУШКИ(K ТИП)

ТРУБОПРОВОД СЕРВОУПРАВЛЕНИЯ - ПАЛЕЦ + 2 КАТУШКИ(K ТИП)

1Артикул: 420212-00194, PILOT PIPING;FINGER+2spool
2Артикул: 110406-00028, BRACKET
3Артикул: K1010139, RUBBER
Подробнее >
5180 CCTV [5001~10020]

5180 CCTV [5001~10020]

1Артикул: K1048768, CCTV ASSY
2Артикул: 563-00009, CABLE;CAMERA
3Артикул: 537-00047, MONITOR;CCTV
Подробнее >
БОЛЬШОЕ КРЫЛО - СЕРТИФИКАТЫ

БОЛЬШОЕ КРЫЛО - СЕРТИФИКАТЫ

1Артикул: 180307-00026, FENDER,HOMOLOGATION
2Артикул: 180307-00023, FENDER SUB ASS`Y;FRONT(L.H)
3Артикул: K1004992C, . FENDER;FRONT (L.H)
Подробнее >
CD-ПЛЕЕР

CD-ПЛЕЕР

1Артикул: K1042010, OPTION;CD PLAYER
2Артикул: 300619-01047, ELECTRIC;CD PLAYER & MP3
3Артикул: K1010982, CD PLAYER
Подробнее >
РУКОЯТЬ УДАРНАЯ В СБОРЕ

РУКОЯТЬ УДАРНАЯ В СБОРЕ

1Артикул: K1043285, ARM FLOAT KICK-OUT
2Артикул: K1043300, BRACKET
3Артикул: K1004357, PLATE
Подробнее >
5260 LAMP & WHEEL CHOCK - HOMOLOGATION

5260 LAMP & WHEEL CHOCK - HOMOLOGATION

1Артикул: K1027684, LAMP;REAR;HOMOLOGATION
2Артикул: K1024030B, LAMP;REAR COMBI (R.H)
3Артикул: 110508-12085, LAMP;REAR COMBI(R.H)
Подробнее >
ФИЛЬТР ШУМА- КОНДЕНСАТОР

ФИЛЬТР ШУМА- КОНДЕНСАТОР

1Артикул: K1042015, ELECTRIC;NOISE FILTER
2Артикул: 2471-6062, FILTER,NOISE(BLOWER)
3Артикул: 2471-6063, FILTER;NOISE(CONDENSER)
Подробнее >
РУКОЯТЬ УДАРНАЯ В СБОРЕ - ЭЛЕКТРИКА

РУКОЯТЬ УДАРНАЯ В СБОРЕ - ЭЛЕКТРИКА

1Артикул: K1042005, ARM FLOAT KICK OUT
2Артикул: 2549-9098, SWITCH;ROCKER
3Артикул: K9000353, . LAMP;PILOT
Подробнее >
ЗЕРКАЛО - ЗАДНЕГО ВИДА

ЗЕРКАЛО - ЗАДНЕГО ВИДА

1Артикул: 110508-00430, COVER ASSY;REAR MIRROR
2Артикул: 110958-00168, SUPPORT
3Артикул: K1041643, MIRROR
Подробнее >
5160 ROTATING BEACON

5160 ROTATING BEACON

1Артикул: 300705-00004, BEACON ASSY,ROTATING
2Артикул: 300705-00004A, BEACON ASSY,ROTATING
3Артикул: 300705-00029A, BEACON ASSY,ROTATING
Подробнее >
ТРУБОПРОВОД СЕРВОУПРАВЛЕНИЯ - 2 КАТУШКИ(K ТИП)

ТРУБОПРОВОД СЕРВОУПРАВЛЕНИЯ - 2 КАТУШКИ(K ТИП)

1Артикул: 420212-00192, PILOT PIPING;2 SPOOL
2Артикул: 110406-00028, BRACKET
3Артикул: K1010139, RUBBER
Подробнее >
5590 FUEL FILTER - WITH BOWL HEATER [10034~]

5590 FUEL FILTER - WITH BOWL HEATER [10034~]

1Артикул: 150109-00665, FILTER ASSY,FUEL;BOWL HEATER
2Артикул: 400403-00074, FILTER,FUEL;WITH SENSOR
3Артикул: K1006529, . CARTRIDGE;WATER SEPARATOR
Подробнее >
КРЕСЛО - ОБОГРЕВАТЕЛЬ

КРЕСЛО - ОБОГРЕВАТЕЛЬ

1Артикул: 220110-00056A, SEAT ASSY,OPERATER;HEATER
2Артикул: 220110-00057A, SEAT,OPERATOR;HEATER
3Артикул: 2114-1898D2, WASHER
Подробнее >
ТРУБОПРОВОД СЕРВОУПРАВЛЕНИЯ - 2 КАТУШКИ(P ТИП)

ТРУБОПРОВОД СЕРВОУПРАВЛЕНИЯ - 2 КАТУШКИ(P ТИП)

1Артикул: K1043701, PILOT PIPING;2 SPOOL
2Артикул: 2181-4133D2, ADAPTER
3Артикул: K1043905A, BRACKET
Подробнее >
СИДЕНИЕ В СБОРЕ - ОБОГРЕВАТЕЛЬ

СИДЕНИЕ В СБОРЕ - ОБОГРЕВАТЕЛЬ

1Артикул: 220110-00057, SEAT,OPERATOR;HEATER
2Артикул: 180304-00024, CUSHION;BACK
3Артикул: 180304-00025, CUSHION;SEAT
Подробнее >
КОЛЕСА В СБОРЕ - 23.5XR25XL3

КОЛЕСА В СБОРЕ - 23.5XR25XL3

1Артикул: 900141-00251, WHEEL ASSY
2Артикул: 101572-00007, RIM,WHEEL(19.5x25x3P)
3Артикул: 2.422-00007, . VALVE
Подробнее >
СИСТЕМА ИЗОЛЯЦИИ НАГРУЗКИ - P ТИП

СИСТЕМА ИЗОЛЯЦИИ НАГРУЗКИ - P ТИП

1Артикул: K1043862, LOAD ISOLATION SYSTEM
2Артикул: K1046124, VALVE;SHOCKLESS
3Артикул: 110406-00027, BRACKET
Подробнее >
5390 BUCKET-3.5гЋҐ - CUTTING EDGE

5390 BUCKET-3.5гЋҐ - CUTTING EDGE

1Артикул: K1042992, BUCKET ASSY;3.5M3
2Артикул: 230104-00186, BUCKET ASSY-3.5гЋҐ
3Артикул: 230104-00186A, BUCKET ASSY;3.5M3 CUTTING EDGE,3000MM
Подробнее >
КОЛЕСА В СБОРЕ - 23.5X25XL5

КОЛЕСА В СБОРЕ - 23.5X25XL5

1Артикул: K1044083, WHEEL
2Артикул: 900141-00074, WHEEL ASSY
3Артикул: K1039709, RIM;WHEEL(19.5x25x3P)
Подробнее >
НИЖНЯЯ КРЫШКА ШУМОПОДАВЛЕНИЯ

НИЖНЯЯ КРЫШКА ШУМОПОДАВЛЕНИЯ

1Артикул: K1040215, UNDER COVER ASSY
2Артикул: 110513-00182, COVER ASSY,UNDER
3Артикул: K1043449A, COVER,UNDER
Подробнее >
ТОПЛИВНЫЙ НАГРЕВАТЕЛЬ

ТОПЛИВНЫЙ НАГРЕВАТЕЛЬ

1Артикул: K1042012, FUEL HEATER
2Артикул: 2549-9098, SWITCH;ROCKER
3Артикул: K9000353, . LAMP;PILOT
Подробнее >
УСТАНОВКА ДЖОЙСТИКА - ПОВОРОТНЫЙ РЫЧАГ

УСТАНОВКА ДЖОЙСТИКА - ПОВОРОТНЫЙ РЫЧАГ

1Артикул: K1010015B, LEVER ASS`Y
2Артикул: K1006100A, COVER
3Артикул: K1006101B, COVER;FINGER TIP
Подробнее >
АВАРИЙНОЕ РУЛЕВОЕ УПРАВЛЕНИЕ - ЭЛЕКТРИКА

АВАРИЙНОЕ РУЛЕВОЕ УПРАВЛЕНИЕ - ЭЛЕКТРИКА

1Артикул: K1042007, EMERGENCY STEERING;CABIN
2Артикул: 2549-9110, SWITCH;WASHER
3Артикул: K9000353, . LAMP;PILOT
Подробнее >
ЗАДНЕЕ КРЫЛО - БЕЗ ПРЕДОХРАНИТЕЛЯ

ЗАДНЕЕ КРЫЛО - БЕЗ ПРЕДОХРАНИТЕЛЯ

1Артикул: 180307-00140, FENDER KIT;REAR
2Артикул: 180307-00142, FENDER,REAR;LH
3Артикул: 180307-00144, FENDER,REAR;RH
Подробнее >
ВКЛЮЧАТЕЛЬ - LIS

ВКЛЮЧАТЕЛЬ - LIS

1Артикул: K1042006, LIS;CABIN
2Артикул: 180301-00001, LIS ASSY;CABIN
3Артикул: 549-00083, SWITCH;ROCKER
Подробнее >
5500 ELECTRIC BOX - FINGER LEVER [5001~5025]

5500 ELECTRIC BOX - FINGER LEVER [5001~5025]

1Артикул: K1041469, ELECTRIC BOX;TWO LEVER
2Артикул: K1006134E, SUPPORT;ELECTRIC BOX
3Артикул: 2543-9015, CONTROLLER,STARTER
Подробнее >