+7 (701) 588 50 05 Телефон для связи
RU

WhatsApp

Позвонить

50 ОПЦИОННЫЕ ЗАПЧАСТИ в Алматы

5690 CABIN(2) - INTERIOR SHEET;R&F,Tinted glass [10665~10732]

5690 CABIN(2) - INTERIOR SHEET;R&F,Tinted glass [10665~10732]

1Артикул: 220101-01363, CABIN ASSY;5T
2Артикул: 220104-00002, SHEET,INTERIOR;CABIN
3Артикул: 220104-00003, SHEET,INTERIOR;CABIN
Подробнее >
5710 CABIN(4) - DOOR ASS`Y(R.H);R&F,Tinted glass [10665~10732]

5710 CABIN(4) - DOOR ASS`Y(R.H);R&F,Tinted glass [10665~10732]

1Артикул: 220101-01363, CABIN ASSY;5T
2Артикул: 110982-00717, DOOR ASSY;CABIN
3Артикул: 110982-00009, . DOOR,SIDE
Подробнее >
6200 PILOT PIPING-3SP&RU [10732~]

6200 PILOT PIPING-3SP&RU [10732~]

1Артикул: 420212-14192, PIPING,PILOT;3SP;CUTR
2Артикул: 420105-01130, HOSE
3Артикул: 420105-01129, HOSE
Подробнее >
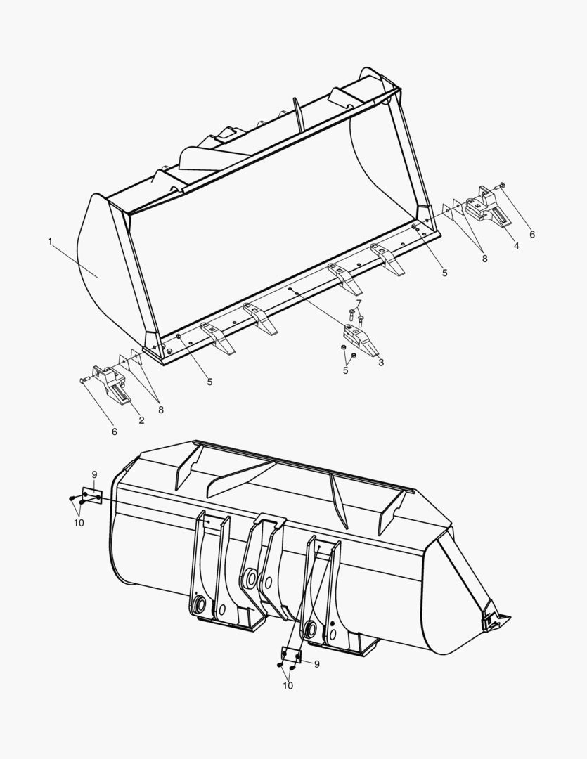
5120 BUCKET ASS`Y - 3.0mВі

5120 BUCKET ASS`Y - 3.0mВі

1Артикул: 230104-00416, BUCKET ASSY
2Артикул: 230104-00416A, BUCKET ASSY
3Артикул: 230104-00416B, BUCKET ASSY
Подробнее >
5100 BUCKET ASS`Y - ROCK

5100 BUCKET ASS`Y - ROCK

1Артикул: 230104-00485, ROCK BUCKET ASS`Y - 2.7mВі
2Артикул: 230104-00524A, BUCKET ASSY
3Артикул: 230104-00485B, ROCK BUCKET ASS`Y - 2.7mВі
Подробнее >
MAT-КОНДИЦИОНЕР

MAT-КОНДИЦИОНЕР

1Артикул: 110935-00031C, MAT ASSY,FLOOR;AIR CONDITONER
2Артикул: 250104-00013, PLATE,BACK;CABIN
3Артикул: 110935-00028, MAT,FLOOR;CABIN
Подробнее >
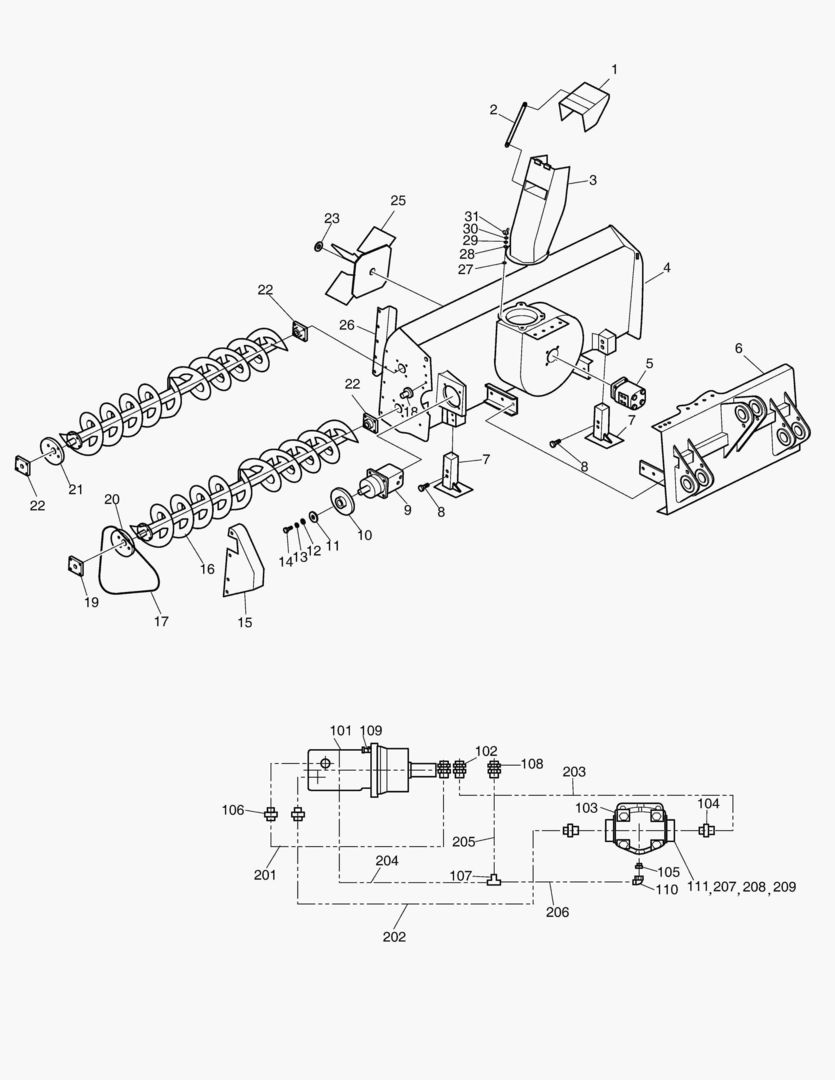
5610 SNOW BLOWER-SINGLE SHAFT & MACHINE [10577~]

5610 SNOW BLOWER-SINGLE SHAFT & MACHINE [10577~]

1Артикул: 230101-00262A, SNOW BLOWER;SSB PIN-ON
2Артикул: 110405-00040, BRACKET,CABINET
3Артикул: 120106-00831, BOLT,HEX
Подробнее >
5290 CABIN(2) - INTERIOR SHEET;R&F,General glass [10440~10732]

5290 CABIN(2) - INTERIOR SHEET;R&F,General glass [10440~10732]

1Артикул: 220101-01118, CABIN ASSY;ROPS&FOPS AND GENERAL GLASS
2Артикул: 220101-01118A, CABIN ASSY;ROPS&FOPS AND GENERAL GLASS
3Артикул: 220104-00002, SHEET,INTERIOR;CABIN
Подробнее >
5510 PILOT PIPING-3SP [10559~]

5510 PILOT PIPING-3SP [10559~]

1Артикул: 420212-11945, PIPING
2Артикул: 420105-01130, HOSE
3Артикул: 420105-01129, HOSE
Подробнее >
5390 WEIGHT ASSY(Fuel Filler Pump)-LONG BOOM [10613~]

5390 WEIGHT ASSY(Fuel Filler Pump)-LONG BOOM [10613~]

1Артикул: 160702-00884, WEIGHT ASSY,COUNTER;LONG BOOM
2Артикул: 160702-00885, WEIGHT,COUNTER;LONG BOOM
3Артикул: 160702-00886, . WEIGHT,COUNTER
Подробнее >
5260 NAME PLATE - BODYпј€Russiaпј‰

5260 NAME PLATE - BODYпј€Russiaпј‰

1Артикул: 950209-03497A, DECAL & NAME PLATE ASSY
2Артикул: 950209-02468, PLATE,NAME
3Артикул: 950209-03251, PLATE,NAME
Подробнее >
5740 WIRE ASSY-RUSSIA [10732~]

5740 WIRE ASSY-RUSSIA [10732~]

1Артикул: 310208-00544, WIRE ASSY,ELECTRIC
2Артикул: 2124-1622D1, CLIP
3Артикул: 310207-01350, HARNESS,FRONT FRAME
Подробнее >
5680 CABIN(1) - BODY;ROPS&FOPS,Tinted glass [10665~10732]

5680 CABIN(1) - BODY;ROPS&FOPS,Tinted glass [10665~10732]

1Артикул: 220101-01363, CABIN ASSY;5T
2Артикул: 160604-00099B, BODY ASSY,CABIN
3Артикул: S5102603, WASHER
Подробнее >
5122 BUCKET ASS`Y - 4.2mВі [10594~]

5122 BUCKET ASS`Y - 4.2mВі [10594~]

1Артикул: 230104-01924, BUCKET ASSY;4.2 M3
2Артикул: 230104-01924A, BUCKET ASSY;42C
3Артикул: 230104-01924B, BUCKET ASSY;4.2 M3
Подробнее >
5430 FENDER & LADDER ASSY(WHEEL CHOCK) [10537~]

5430 FENDER & LADDER ASSY(WHEEL CHOCK) [10537~]

1Артикул: 180307-00702, FENDER & LADDER ASSY
2Артикул: 180307-00704, FENDER
3Артикул: 180307-00704A, FENDER;LH
Подробнее >
5590 SNOW BLOWER-SELF POWERED&SINGLE SHAFT [10577~]

5590 SNOW BLOWER-SELF POWERED&SINGLE SHAFT [10577~]

1Артикул: 230101-00266, SNOW BLOWER
2Артикул: 110508-20611, COVER,TOP
3Артикул: 140105-00810, BEARING,CONNECTING
Подробнее >
5160 TIRE&RIM ASS`Yпј€SJпј‰

5160 TIRE&RIM ASS`Yпј€SJпј‰

1Артикул: 900138-00162, TIRE & RIM ASSY
2Артикул: 101572-00011, RIM
3Артикул: 101572-00137, RIM ASSY;19.5/2.5-25
Подробнее >
5181 CABIN(1) - BODY [10732~]

5181 CABIN(1) - BODY [10732~]

1Артикул: 220101-01445, CABIN ASSY;ROPS&FOPS
2Артикул: 220101-01445A, CABIN ASSY;ROPS&FOPS
3Артикул: 220101-01445B, CABIN ASSY;ROPS&FOPS
Подробнее >
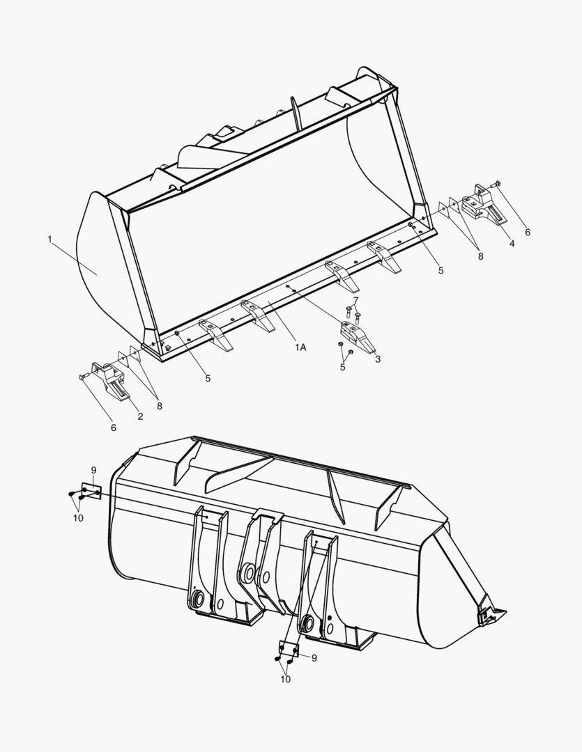
5200 CUTTING EDGE BUCKET -3.2mВі

5200 CUTTING EDGE BUCKET -3.2mВі

1Артикул: 230104-00735, BUCKET ASSY;CUTTING EDGE BUCKET
2Артикул: 230104-00735A, BUCKET ASSY
3Артикул: 230104-00735B, BUCKET ASSY;32C
Подробнее >
6300 CABIN PILOT PIPING-3SP&RU [10732~]

6300 CABIN PILOT PIPING-3SP&RU [10732~]

1Артикул: 420212-14195A, PIPING,PILOT;CABIN;3SP;CUTR
2Артикул: 420212-14195B, PIPING,PILOT;CABIN;3SP;CUTR
3Артикул: 420107-00041, HOSE
Подробнее >
5124 BUCKET ASS`Y-3.3m3 Cutting Edge [11608~]

5124 BUCKET ASS`Y-3.3m3 Cutting Edge [11608~]

1Артикул: 230104-01816A, BUCKET ASSY;CUTTING EDGE
2Артикул: 230104-01815A, BUCKET
3Артикул: 250201-00889, PLATE
Подробнее >
ПЕРЕДНЯЯ ЧАТЬ В СБОРЕ - ДЛИННАЯ СТРЕЛА

ПЕРЕДНЯЯ ЧАТЬ В СБОРЕ - ДЛИННАЯ СТРЕЛА

1Артикул: 650102-00088, FRONT ASSY
2Артикул: 650102-00061, FRONT ASSY;LOOG BOOM
3Артикул: DS0401213, WASHER,PLAIN
Подробнее >
5631 SNOW BLADE-MACHINE & QC

5631 SNOW BLADE-MACHINE & QC

1Артикул: 230101-00296, SNOW BLADE;QC HYD;5T
2Артикул: 120501-03322, PIN
3Артикул: 140105-00823, BEARING
Подробнее >
5180 CABIN - TINED GLASS [10001~10731]

5180 CABIN - TINED GLASS [10001~10731]

1Артикул: 220101-00763, CABIN ASSY
2Артикул: 220101-00763A, CABIN ASSY
3Артикул: 220101-00763B, CABIN ASSY
Подробнее >
5820 TINED GLASS ASSY

5820 TINED GLASS ASSY

1Артикул: 500119-00503, GLASS ASSY;CABIN;TIN
2Артикул: 500119-00716, GLASS ASSY;CABIN;TIN
3Артикул: 500119-00222, GLASS,TINTED
Подробнее >
5830 GENERAL GLASS ASSY-RU

5830 GENERAL GLASS ASSY-RU

1Артикул: 500119-00504, GLASS ASSY;CABIN;GEN&RUS
2Артикул: 500119-00717, GLASS ASSY;CABIN;GEN&RUS
3Артикул: K1041145A, GLASS
Подробнее >
5615 SNOW BLADE-ELECTRIC

5615 SNOW BLADE-ELECTRIC

1Артикул: 230101-00269, SNOW BLADE;ELECTRIC
2Артикул: 120501-03322, PIN
3Артикул: 140105-00823, BEARING
Подробнее >
5440 ELECTRIC ASSY-Fuel Filler Pump [10537~]

5440 ELECTRIC ASSY-Fuel Filler Pump [10537~]

1Артикул: 300619-02545, ELECTRIC ASSY
2Артикул: 110906-00742A, BOX
3Артикул: 110906-00742B, BOX
Подробнее >
5571 GRASS GRAPPLE-QC

5571 GRASS GRAPPLE-QC

1Артикул: 230101-00278, GRAPPLE,MULTI;5T QC;GRASS GRAPPLE
2Артикул: 230106-00357, FORK;LOG FORK
3Артикул: 120501-03323, PIN
Подробнее >
5240 TIRE&RIM ASS`Y(XULUN)

5240 TIRE&RIM ASS`Y(XULUN)

1Артикул: 900138-00306, TIRE & RIM ASSY;TUBELESS(XULUN)
2Артикул: 101572-00025, RIM
3Артикул: 101572-00138, RIM ASSY;19.5/2.5-25;TL
Подробнее >
5616 SNOW BLADE-ELECTRIC & QC

5616 SNOW BLADE-ELECTRIC & QC

1Артикул: 230101-00280, SNOW BLADE;QC ELE;5T
2Артикул: 120501-03322, PIN
3Артикул: 140105-00823, BEARING
Подробнее >
5505 MAIN PIPING(3)-3SP [10613~]

5505 MAIN PIPING(3)-3SP [10613~]

1Артикул: 420212-12131, PIPING,MAIN
2Артикул: 420105-00220C, HOSE
3Артикул: 420105-00226B, HOSE
Подробнее >
5490 MAIN PIPING(1)-3SP [10559~]

5490 MAIN PIPING(1)-3SP [10559~]

1Артикул: 420212-11969, PIPING,MAIN
2Артикул: K1052942, PUMP,MAIN
3Артикул: 400602-00643, GASKET
Подробнее >
5750 COVER MOUNT ASSY-RUSSIA [10732~]

5750 COVER MOUNT ASSY-RUSSIA [10732~]

1Артикул: 160626-00739, MOUNT ASSY;COVER
2Артикул: 110506-00328, COVER ASSY
3Артикул: 110506-00328A, COVER ASSY
Подробнее >
5790 ELECTRIC PARTS - CABIN(2SP & SNOW BLADE) [10673~]

5790 ELECTRIC PARTS - CABIN(2SP & SNOW BLADE) [10673~]

1Артикул: 300619-02891, ELECTRIC ASSY,CABIN
2Артикул: 300619-02891A, ELECTRIC ASSY
3Артикул: 300619-02891B, ELECTRIC ASSY
Подробнее >
5136 FRONT ASSY-SUPER LONG BOOM [10613~]

5136 FRONT ASSY-SUPER LONG BOOM [10613~]

1Артикул: 650102-00213, FRONT ASSY;SUPER LONG BOOM
2Артикул: DS0401023, WASHER,PLAIN
3Артикул: S0521363, BOLT
Подробнее >
5660 MAIN PIPING-DISCHARGE SIDE [10613~]

5660 MAIN PIPING-DISCHARGE SIDE [10613~]

1Артикул: 420212-12132, PIPING,MAIN
2Артикул: S5102603, WASHER
3Артикул: S0512263, BOLT M10X1.5X30
Подробнее >
5877 ELECTRIC BOX -CUTR [11396~]

5877 ELECTRIC BOX -CUTR [11396~]

1Артикул: 300706-00892, BOX,ELECTRIC;SD300-CUTR
2Артикул: 110406-00458, BRACKET
3Артикул: 110406-05891, BRACKET;ELECTRIC BOX
Подробнее >
5720 CABIN(5) - Tinted GLASS [10665~10732]

5720 CABIN(5) - Tinted GLASS [10665~10732]

1Артикул: 220101-01363, CABIN ASSY;5T
2Артикул: 500119-00220, GLASS,TINTED
3Артикул: 180308-00277, RUBBER
Подробнее >
5340 STAND ASS`Y пј€в… пј‰ROPS&FOPS [10440~]

5340 STAND ASS`Y пј€в… пј‰ROPS&FOPS [10440~]

1Артикул: 110953-00103, STAND ASSY;CABIN
2Артикул: 110953-00103A, STAND ASSY
3Артикул: 110953-00103B, STAND ASSY
Подробнее >
5179 CABIN-INTERIOR SHEET;TINED GLASS [10001~10731]

5179 CABIN-INTERIOR SHEET;TINED GLASS [10001~10731]

1Артикул: 220101-00763, CABIN ASSY
2Артикул: 220101-00763A, CABIN ASSY
3Артикул: 220101-00763B, CABIN ASSY
Подробнее >
5630 SNOW BLADE-MACHINE [10577~]

5630 SNOW BLADE-MACHINE [10577~]

1Артикул: 230101-00257, SNOW BLADE
2Артикул: 120501-03322, PIN
3Артикул: 140105-00823, BEARING
Подробнее >
5600 SNOW BLOWER-DUAL SHAFT [10577~]

5600 SNOW BLOWER-DUAL SHAFT [10577~]

1Артикул: 230101-00264, SNOW BLOWER
2Артикул: 110508-20631, COVER,UPPER
3Артикул: 250115-00108, PLATE,CONNECTING
Подробнее >
5123 BUCKET ASS`Y-5.0m3 Cutting Edge [10594~]

5123 BUCKET ASS`Y-5.0m3 Cutting Edge [10594~]

1Артикул: 230104-01941, BUCKET ASSY;5.0
2Артикул: 230104-01941A, BUCKET ASSY;5.0C
3Артикул: 230104-01941B, BUCKET ASSY;5.0M3 BOC N/A
Подробнее >
5780 ELECTRIC ASSY-REAR FRAME(RUSSIA) [10732~]

5780 ELECTRIC ASSY-REAR FRAME(RUSSIA) [10732~]

1Артикул: 300619-03419, ELECTRIC ASSY
2Артикул: 310203-06865, CABLE,EARTH
3Артикул: 400911-00242, PUMP ASSY,HYDRAULIC
Подробнее >
5621 ANGLE BLADE-QC [10650~]

5621 ANGLE BLADE-QC [10650~]

1Артикул: 230101-00282, ANGLE BROOM;5T QC
2Артикул: 120501-03256, PIN
3Артикул: 300404-00012, BOARD,COMMUNICATION
Подробнее >
5540 NAME PLATE-CABIN (PORTUGUESE) [10577~]

5540 NAME PLATE-CABIN (PORTUGUESE) [10577~]

1Артикул: 950209-05448, DECAL & NAME PLATE ASSY;PORTUGUESE
2Артикул: 950209-05415, PLATE,NAME;PORTUGUESE
3Артикул: 950209-05415A, DECAL
Подробнее >
6350 QUICK CLAMP PIPING - MAIN

6350 QUICK CLAMP PIPING - MAIN

1Артикул: 420212-14733, PIPING,MAIN
2Артикул: 420207-01925, PIPE
3Артикул: 420207-01926, PIPE
Подробнее >
5410 FENDER & LADDER ASSY(WHEEL CHOCK & PUMP) [10537~]

5410 FENDER & LADDER ASSY(WHEEL CHOCK & PUMP) [10537~]

1Артикул: 180307-00723, FENDER & LADDER ASSY
2Артикул: 180307-00704, FENDER
3Артикул: 180307-00704A, FENDER;LH
Подробнее >
5310 CABIN(4) - DOOR ASS`Y(R.H);R&F,General glass [10440~10732]

5310 CABIN(4) - DOOR ASS`Y(R.H);R&F,General glass [10440~10732]

1Артикул: 220101-01118, CABIN ASSY;ROPS&FOPS AND GENERAL GLASS
2Артикул: 220101-01118A, CABIN ASSY;ROPS&FOPS AND GENERAL GLASS
3Артикул: 110982-00012B, DOOR ASSY;CABIN
Подробнее >
6360 PLATE ASSY,FLOOR;GUIDE

6360 PLATE ASSY,FLOOR;GUIDE

1Артикул: 250106-00078A, PLATE ASSY,FLOOR;GUIDE
2Артикул: 250112-00019A, PLATE,UPPER;CABIN
3Артикул: S3661363, BOLT KIT
Подробнее >
5365 END COVER FOR THE FRAME(3SP) [10689~]

5365 END COVER FOR THE FRAME(3SP) [10689~]

1Артикул: 110508-20043, COVER
2Артикул: S0508653, BOLT M8X1.25X16
3Артикул: S5010513, WASHER
Подробнее >
5637 ICE BREAKER

5637 ICE BREAKER

1Артикул: 230101-00294, ICE BREAKER;5T
2Артикул: 920603-00055, IRON
3Артикул: S0560566, BOLT M12X1.75X40
Подробнее >
5530 FRONT ASSY-3SP & LOG FORK [10589~]

5530 FRONT ASSY-3SP & LOG FORK [10589~]

1Артикул: 650102-00431, FRONT ASSY
2Артикул: DS0401023, WASHER,PLAIN
3Артикул: S0521363, BOLT
Подробнее >
5520 LOG FORK [10577~]

5520 LOG FORK [10577~]

1Артикул: 230106-00339, FORK
2Артикул: 120501-03327, PIN
3Артикул: S0521253, BOLT M16X2.0X30
Подробнее >
5420 FENDER & LADDER ASSY(Fuel Filler Pump) [10537~]

5420 FENDER & LADDER ASSY(Fuel Filler Pump) [10537~]

1Артикул: 180307-00730, FENDER & LADDER ASSY
2Артикул: 180307-00675, FENDER;LH
3Артикул: 180307-00675A, FENDER;LH
Подробнее >
5350 STAND ASS`Y пј€в…Ўпј‰ROPS&FOPS [10440~]

5350 STAND ASS`Y пј€в…Ўпј‰ROPS&FOPS [10440~]

1Артикул: 110953-00103, STAND ASSY;CABIN
2Артикул: 110953-00103A, STAND ASSY
3Артикул: 110953-00103B, STAND ASSY
Подробнее >
5353 STAND ASS`Y пј€в…Ўпј‰ROPS&RU&BRAZIL [10732~]

5353 STAND ASS`Y пј€в…Ўпј‰ROPS&RU&BRAZIL [10732~]

1Артикул: 110953-00171A, STAND ASSY;ROPS&FOPS &RUS
2Артикул: 110953-00171B, STAND ASSY;ROPS&FOPS &RUS
3Артикул: 110953-00171C, STAND ASSY;ROPS&FOPS &RUS
Подробнее >
5370 FRONT ASSY;FLAT FORK [10469~]

5370 FRONT ASSY;FLAT FORK [10469~]

1Артикул: 650102-00425, FRONT ASSY;FLAT FORK
2Артикул: DS0401023, WASHER,PLAIN
3Артикул: S0521363, BOLT
Подробнее >
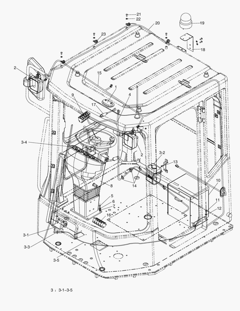
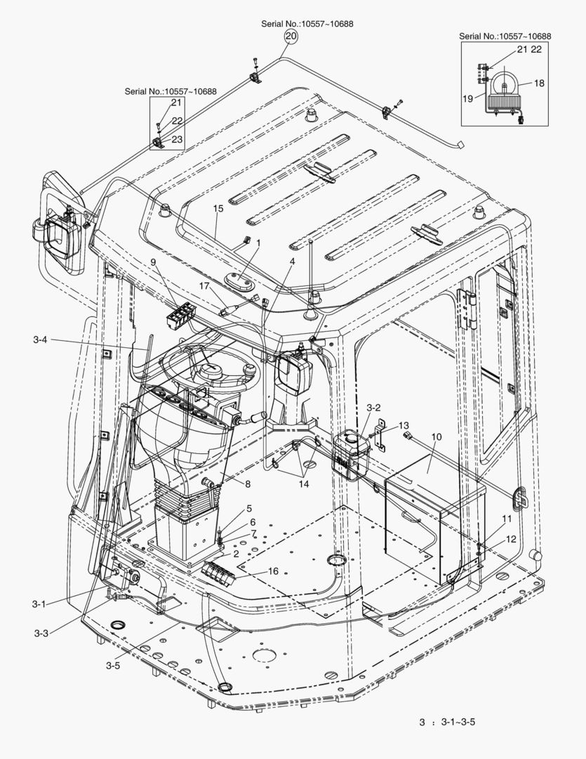
5480 ELECTRIC PARTS(3)-ELECTRIC BOX(Beacon&3SP) [10557~]

5480 ELECTRIC PARTS(3)-ELECTRIC BOX(Beacon&3SP) [10557~]

1Артикул: 300619-02765, ELECTRIC ASSY
2Артикул: 300619-02765A, ELECTRIC ASSY,CABIN
3Артикул: 300706-00071K, BOX ASSY,ELECTRIC
Подробнее >
5730 DECAL & NAME PLATE ASSY-RUSSIA [10732~]

5730 DECAL & NAME PLATE ASSY-RUSSIA [10732~]

1Артикул: 950209-06202, DECAL & NAME PLATE ASSY
2Артикул: 950209-02468, PLATE,NAME
3Артикул: 950209-03251, PLATE,NAME
Подробнее >
5670 BUCKET ASS`Y-DISCHARGE SIDE

5670 BUCKET ASS`Y-DISCHARGE SIDE

1Артикул: 230104-01180A, BUCKET ASSY
2Артикул: 230104-02793, BUCKET ASSY
3Артикул: 160601-00650A, BODY ASSY;SIDE DUMP BUCKET
Подробнее >
5300 CABIN(3) - DOOR ASS`Y(L.H);R&F,General glass [10440~10732]

5300 CABIN(3) - DOOR ASS`Y(L.H);R&F,General glass [10440~10732]

1Артикул: 220101-01118, CABIN ASSY;ROPS&FOPS AND GENERAL GLASS
2Артикул: 220101-01118A, CABIN ASSY;ROPS&FOPS AND GENERAL GLASS
3Артикул: 110982-00011K, DOOR ASSY;CABIN
Подробнее >
5636 BUCKET ASSY;2.9M3 CUTTING EDGE-QC

5636 BUCKET ASSY;2.9M3 CUTTING EDGE-QC

1Артикул: 230104-01960A, BUCKET ASSY;2.9M3;QC
2Артикул: 230104-01960B, BUCKET ASSY;2.9C;QC
3Артикул: 230104-01963A, BUCKET;2.9M3;QC
Подробнее >
5270 SPARE PARTSпј€ETHIOPIAпј‰

5270 SPARE PARTSпј€ETHIOPIAпј‰

1Артикул: 101594-00437, SPARE PARTS;FOR ETHIOPIA
2Артикул: HA96Y001, CLOTHES;WORKING
3Артикул: 950106-00305, PARTS BOOK
Подробнее >
5700 CABIN(3) - DOOR ASS`Y(L.H);R&F,Tinted glass [10665~10732]

5700 CABIN(3) - DOOR ASS`Y(L.H);R&F,Tinted glass [10665~10732]

1Артикул: 220101-01363, CABIN ASSY;5T
2Артикул: 110982-00716, DOOR ASSY;CABIN
3Артикул: 110982-00010C, . DOOR,SIDE;CABIN
Подробнее >
5250 SPARE PARTSпј€Russiaпј‰ [10053~10652]

5250 SPARE PARTSпј€Russiaпј‰ [10053~10652]

1Артикул: 101594-00345, SPARE PARTS
2Артикул: HA96Y001, CLOTHES;WORKING
3Артикул: 940205-00375, WEAR,WORK
Подробнее >
5230 TIRE&RIM ASS`Yпј€FOR DESERT TUBELESSпј‰

5230 TIRE&RIM ASS`Yпј€FOR DESERT TUBELESSпј‰

1Артикул: 900138-00338, TIRE & RIM ASSY;(SANJIAO)
2Артикул: 101572-00025, RIM
3Артикул: 101572-00138, RIM ASSY;19.5/2.5-25;TL
Подробнее >
5635 QUICK COUPLER

5635 QUICK COUPLER

1Артикул: 270201-00004, COUPLER,QUICK
2Артикул: 250201-03362, PLATE
3Артикул: 130712-01739, SHAFT
Подробнее >
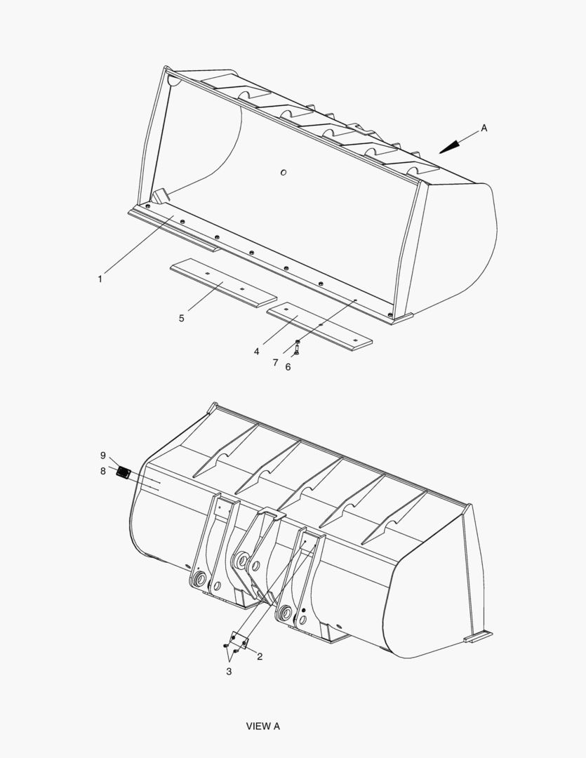
5190 CUTTING EDGE BUCKET -2.9mВі

5190 CUTTING EDGE BUCKET -2.9mВі

1Артикул: 230104-00734, BUCKET ASSY;CUTTING EDGE BUCKET
2Артикул: 230104-00734A, BUCKET ASSY
3Артикул: 230104-00734B, BUCKET ASSY;29C
Подробнее >
5170 TIRE&RIM ASS`Yпј€QJпј‰

5170 TIRE&RIM ASS`Yпј€QJпј‰

1Артикул: 900138-00163, TIRE & RIM ASSY;FOR QIANJIN
2Артикул: 101572-00011, RIM
3Артикул: 101572-00137, RIM ASSY;19.5/2.5-25
Подробнее >
5860 MAT ASSY,FLOOR;ROPSпј€RUSSIA & BRAZILпј‰

5860 MAT ASSY,FLOOR;ROPSпј€RUSSIA & BRAZILпј‰

1Артикул: 110935-00456, MAT ASSY,FLOOR;RUS&BRZ
2Артикул: 180309-00433, SPONGE
3Артикул: 110935-00207, MAT
Подробнее >
ЭЛЕКТРИЧЕСКИЕ ЗАПЧАСТИ-КАБИНА

ЭЛЕКТРИЧЕСКИЕ ЗАПЧАСТИ-КАБИНА

1Артикул: 300619-01744, ELECTRIC ASSY
2Артикул: 300619-01744A, ELECTRIC ASSY
3Артикул: 300619-01744B, ELECTRIC ASSY
Подробнее >
5880 ELECTRIC ASSY-RU & 3SP

5880 ELECTRIC ASSY-RU & 3SP

1Артикул: 300619-03418B, ELECTRIC ASSY
2Артикул: 300619-03418C, ELECTRIC ASSY
3Артикул: 300619-03418E, ELECTRIC ASSY;SD300-CUTR-3SP
Подробнее >
5352 STAND ASS`Y пј€в… пј‰ROPS&RU&BRAZIL [10732~]

5352 STAND ASS`Y пј€в… пј‰ROPS&RU&BRAZIL [10732~]

1Артикул: 110953-00171A, STAND ASSY;ROPS&FOPS &RUS
2Артикул: 180309-00282, SPONGE
3Артикул: 180309-00088, SPONGE
Подробнее >
5182 CABIN(2) - INTERIOR SHEET [10732~]

5182 CABIN(2) - INTERIOR SHEET [10732~]

1Артикул: 220101-01445, CABIN ASSY;ROPS&FOPS
2Артикул: 220104-00002, SHEET,INTERIOR;CABIN
3Артикул: 220104-00003, SHEET,INTERIOR;CABIN
Подробнее >
5171 CABIN - DOOR ASSY(L.H);TINED GLASS [10001~10731]

5171 CABIN - DOOR ASSY(L.H);TINED GLASS [10001~10731]

1Артикул: 220101-00763, CABIN ASSY
2Артикул: 220101-00763A, CABIN ASSY
3Артикул: 220101-00763B, CABIN ASSY
Подробнее >
6380 BUCKET ASSY;30N [10967~]

6380 BUCKET ASSY;30N [10967~]

1Артикул: 230104-02636, BUCKET ASSY
2Артикул: 230104-02636A, BUCKET ASSY;N/A N/A N/A
3Артикул: 230104-02637, BUCKET
Подробнее >
5620 ANGLE BLADE [10577~]

5620 ANGLE BLADE [10577~]

1Артикул: 230101-00260, ANGLE BROOM
2Артикул: 120501-03256, PIN
3Артикул: 300404-00012, BOARD,COMMUNICATION
Подробнее >
5172 CABIN - DOOR ASSY(R.H);TINED GLASS [10001~10731]

5172 CABIN - DOOR ASSY(R.H);TINED GLASS [10001~10731]

1Артикул: 220101-00763, CABIN ASSY
2Артикул: 220101-00763A, CABIN ASSY
3Артикул: 220101-00763B, CABIN ASSY
Подробнее >
5800 ELECTRIC PARTS - ROTATING BEACON [10673~]

5800 ELECTRIC PARTS - ROTATING BEACON [10673~]

1Артикул: 300619-01195A, ELECTRIC ASSY,CABIN
2Артикул: 300705-00047, BEACON,ROTATING
3Артикул: 110406-03183A, BRACKET,LAMP MOUNTING;ROTATING LAMP
Подробнее >
5870 ELECTRIC ASSY-RU & 2SP

5870 ELECTRIC ASSY-RU & 2SP

1Артикул: 300619-03417B, ELECTRIC ASSY
2Артикул: 300619-03417C, ELECTRIC ASSY
3Артикул: 300619-03417E, ELECTRIC ASSY;SD300-CUTR
Подробнее >
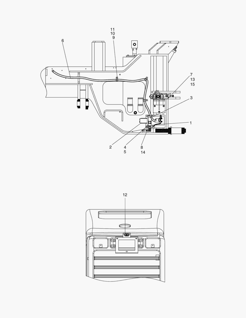
5450 PIPING-Mono Lever&3 Spool Control Valve [10557~]

5450 PIPING-Mono Lever&3 Spool Control Valve [10557~]

1Артикул: 420212-11946, PIPING
2Артикул: 420212-11946A, PIPING
3Артикул: 420212-11946B, PIPING,CABIN,3SP
Подробнее >
5875 ELECTRIC BOX -CUTR [~11395]

5875 ELECTRIC BOX -CUTR [~11395]

1Артикул: 300706-00739B, BOX,ELECTRIC;SD300-CUTR
2Артикул: 300706-00508B, BOX,ELECTRIC
3Артикул: 300707-00053A, BOX,FUSE;CUTR
Подробнее >
5360 FRAME ASSY;ROPS [10440~]

5360 FRAME ASSY;ROPS [10440~]

1Артикул: 160609-03262, FRAME ASSY;DL505
2Артикул: 160612-00101K, FRAME,FRONT
3Артикул: 160612-00101L, FRAME,FRONT
Подробнее >
5632 BUCKET ASS`Y

5632 BUCKET ASS`Y

1Артикул: 230104-01386A, BUCKET ASSY;30A
2Артикул: -, BUCKET
3Артикул: 250109-00066, . PLATE,LOWER;SIDE PLATE
Подробнее >
5570 GRASS GRAPPLE [10577~]

5570 GRASS GRAPPLE [10577~]

1Артикул: 230101-00255, GRAPPLE,MULTI;GRASS GRAPPLE
2Артикул: 230106-00357, FORK;LOG FORK
3Артикул: 120501-03323, PIN
Подробнее >
5280 CABIN(1) - BODY;ROPS&FOPS,General glass [10440~10732]

5280 CABIN(1) - BODY;ROPS&FOPS,General glass [10440~10732]

1Артикул: 220101-01118, CABIN ASSY;ROPS&FOPS AND GENERAL GLASS
2Артикул: 220101-01118A, CABIN ASSY;ROPS&FOPS AND GENERAL GLASS
3Артикул: 160604-00099A, BODY ASSY,CABIN
Подробнее >
5320 CABIN(5) - GENERAL GLASS [10440~10732]

5320 CABIN(5) - GENERAL GLASS [10440~10732]

1Артикул: 220101-01118, CABIN ASSY;ROPS&FOPS AND GENERAL GLASS
2Артикул: 220101-01118A, CABIN ASSY;ROPS&FOPS AND GENERAL GLASS
3Артикул: K1041137A, GLASS
Подробнее >
6100 CABIN PILOT PIPING-2SP&RU [10732~]

6100 CABIN PILOT PIPING-2SP&RU [10732~]

1Артикул: 420212-14194A, PIPING,PILOT;CABIN;2SP;CUTR
2Артикул: 430201-00167, ADAPTER
3Артикул: 420107-00009, HOSE,OIL
Подробнее >
5633 BUCKET ASSY;3.0A-QC

5633 BUCKET ASSY;3.0A-QC

1Артикул: 230104-02204A, BUCKET ASSY;3.0A QC
2Артикул: -, BUCKET;3.0A QC
3Артикул: 250109-00066, . PLATE,LOWER;SIDE PLATE
Подробнее >
5840 TINED GLASS ASSY-RU

5840 TINED GLASS ASSY-RU

1Артикул: 500119-00505, GLASS ASSY;CABIN;TIN&RUS
2Артикул: 500119-00718, GLASS ASSY;CABIN;TIN&RUS
3Артикул: 500119-00222, GLASS,TINTED
Подробнее >
5810 ELECTRIC ASSY - SNOW BLADE

5810 ELECTRIC ASSY - SNOW BLADE

1Артикул: 300619-02896, ELECTRIC ASSY,CABIN
2Артикул: 420206-00075, PIPE
3Артикул: 120203-00620, CLAMP
Подробнее >
5521 LOG FORK-QC

5521 LOG FORK-QC

1Артикул: 230106-00351, FORK;5T QC;LOG
2Артикул: 120501-03327, PIN
3Артикул: S0521253, BOLT M16X2.0X30
Подробнее >
5560 PALLET FORK [10577~]

5560 PALLET FORK [10577~]

1Артикул: 230106-00341, FORK,PALLET
2Артикул: 230106-00359, FORK
3Артикул: 110958-03125, SUPPORT ASSY
Подробнее >
5611 SNOW BLOWER-SINGLE SHAFT & MACHINE(QC)

5611 SNOW BLOWER-SINGLE SHAFT & MACHINE(QC)

1Артикул: 230101-00310, SNOW BLOWER;SSB;QC
2Артикул: 110405-00040, BRACKET,CABINET
3Артикул: 120106-00831, BOLT,HEX
Подробнее >
5150 TIRE&RIM ASS`Yпј€FOR DESERTпј‰

5150 TIRE&RIM ASS`Yпј€FOR DESERTпј‰

1Артикул: 900138-00161, TIRE & RIM ASSY;FOR DESERT
2Артикул: 101572-00011, RIM
3Артикул: 101572-00066, RIM
Подробнее >
5220 TIRE&RIM ASS`Yпј€SJпј‰

5220 TIRE&RIM ASS`Yпј€SJпј‰

1Артикул: 900138-00335, TIRE & RIM ASSY;(SANJIAO)
2Артикул: 101572-00025, RIM
3Артикул: 101572-00138, RIM ASSY;19.5/2.5-25;TL
Подробнее >
5561 PALLET FORK-QC [10161~]

5561 PALLET FORK-QC [10161~]

1Артикул: 230106-00353, FORK,PALLET;5T QC
2Артикул: 230106-00359, FORK
3Артикул: 110958-03682, SUPPORT ASSY;QC
Подробнее >
6000 PILOT PIPING-2SP&RU [10732~]

6000 PILOT PIPING-2SP&RU [10732~]

1Артикул: 420212-14193, PIPING,PILOT;2SP;CUTR
2Артикул: 430201-00167, ADAPTER
3Артикул: 430201-01242, ADAPTER
Подробнее >
5137 FRONT ASS`Y-LOG FORKпј€LONG. ARM)

5137 FRONT ASS`Y-LOG FORKпј€LONG. ARM)

1Артикул: 650102-00102, FRONT ASSY
2Артикул: DS0401023, WASHER,PLAIN
3Артикул: S0521363, BOLT
Подробнее >
5638 FRONT CHIP SWEEPE(5T)

5638 FRONT CHIP SWEEPE(5T)

1Артикул: 110960-00020, SWEEPER,CHIP;FRONT 5T
2Артикул: 100201-02964, BLOCK
3Артикул: 110508-26771, COVER,REAR
Подробнее >
5580 4 IN 1 BUCKET [10577~]

5580 4 IN 1 BUCKET [10577~]

1Артикул: 230104-01977, BUCKET ASSY;4IN1B 5T
2Артикул: 230104-01981, BUCKET;FRONT
3Артикул: 120501-03324, PIN
Подробнее >
5400 WEIGHT ASSY(Fuel Filler Pump)-Standard Arm [10577~]

5400 WEIGHT ASSY(Fuel Filler Pump)-Standard Arm [10577~]

1Артикул: 160702-00881, WEIGHT ASSY,COUNTER
2Артикул: 160702-00882, WEIGHT ASSY,COUNTER
3Артикул: 160702-00883, . WEIGHT,COUNTER
Подробнее >
5640 SPARE PARTS - PROMOTION [10594~]

5640 SPARE PARTS - PROMOTION [10594~]

1Артикул: 101594-01228, SPARE PARTS;PRO
2Артикул: 940205-00375, WEAR,WORK
3Артикул: 950106-00305, PARTS BOOK
Подробнее >
5876 CONSOLE ASSY-CUTR

5876 CONSOLE ASSY-CUTR

1Артикул: 300411-00069B, CONSOLE ASSY;SD300-CUTR
2Артикул: 101577-00031, SHIFTER
3Артикул: 301403-00002, SWITCH,COMBINATION
Подробнее >
5550 NAME PLATE-BODY (PORTUGUESE) [10577~]

5550 NAME PLATE-BODY (PORTUGUESE) [10577~]

1Артикул: 950209-05433, DECAL & NAME PLATE ASSY;PORTUGUESE
2Артикул: 950209-02468, PLATE,NAME
3Артикул: 950209-03251, PLATE,NAME
Подробнее >
6390 NAME PLATE - BODY(KWAIT)

6390 NAME PLATE - BODY(KWAIT)

1Артикул: 950209-08934, DECAL ASSY;KWAIT
2Артикул: 950209-02468, PLATE,NAME
3Артикул: 950209-03252A, PLATE,NAME
Подробнее >
6310 TWO LEVER PILOT PIPING ASSY

6310 TWO LEVER PILOT PIPING ASSY

1Артикул: 420212-13799A, PIPING,PILOT
2Артикул: 430201-00167, ADAPTER
3Артикул: 420107-00009, HOSE,OIL
Подробнее >
5770 STEERING PIPING-RUSSIA [10732~]

5770 STEERING PIPING-RUSSIA [10732~]

1Артикул: 420212-14196, PIPING,STEERING;CUTR
2Артикул: 420207-03567, PIPE
3Артикул: 420107-00144A, HOSE,OIL
Подробнее >
5890 AIR - CONDITIONER ASS`Y - CABIN [10732~]

5890 AIR - CONDITIONER ASS`Y - CABIN [10732~]

1Артикул: 440205-00076B, CONDITIONER,AIR;CABIN
2Артикул: 440205-00076C, CONDITIONER,AIR;SD300
3Артикул: 400815-00023, EVAPORATOR
Подробнее >
5581 4 IN 1 BUCKET-QC [10665~]

5581 4 IN 1 BUCKET-QC [10665~]

1Артикул: 230104-01978, BUCKET ASSY;4IN1B QC 5T
2Артикул: 230104-01981, BUCKET;FRONT
3Артикул: 120501-03324, PIN
Подробнее >
5330 CABIN MOUNT;ROPS [10440~]

5330 CABIN MOUNT;ROPS [10440~]

1Артикул: 110513-01236, COVER ASSY,UNDER;LEFT
2Артикул: 110513-01236A, COVER ASSY,UNDER;LH
3Артикул: 250105-00024, PLATE,CABIN
Подробнее >
5601 SNOW BLOWER-DUAL SHAFT & QC

5601 SNOW BLOWER-DUAL SHAFT & QC

1Артикул: 230101-00284A, SNOW BLOWER;5T QC
2Артикул: 110508-20631, COVER,UPPER
3Артикул: 250115-00108, PLATE,CONNECTING
Подробнее >
6340 BUCKET ASSY;QC;2.7M

6340 BUCKET ASSY;QC;2.7M

1Артикул: 230104-02152, BUCKET ASSY;QC;2.7M
2Артикул: 230104-02152A, BUCKET ASSY;QC;2.7M
3Артикул: 230104-02152B, BUCKET ASSY;N/A N/A N/A
Подробнее >
6370 BUCKET ASSY;QC;3.5M C_ALBU35C [10966~]

6370 BUCKET ASSY;QC;3.5M C_ALBU35C [10966~]

1Артикул: 230104-02464, BUCKET ASSY;3.5M3
2Артикул: 230104-02464A, BUCKET ASSY;3.5M3
3Артикул: 230104-02465, BUCKET
Подробнее >
5850 STAND ASSY;ROPSпј€RUSSIA & BRAZILпј‰

5850 STAND ASSY;ROPSпј€RUSSIA & BRAZILпј‰

1Артикул: 110953-00171A, STAND ASSY;ROPS&FOPS &RUS
2Артикул: 250106-00715A, PLATE,FLOOR;RUS
3Артикул: S0508866, BOLT;M8X1.25X20
Подробнее >
5634 BUCKET ASSY;TOOTH 3.0M3-QC

5634 BUCKET ASSY;TOOTH 3.0M3-QC

1Артикул: 230104-02161A, BUCKET ASSY;30M QC
2Артикул: 230104-02161B, BUCKET ASSY
3Артикул: -, BUCKET,WELD;30M QC
Подробнее >
5500 MAIN PIPING(2)-3SP [10559~]

5500 MAIN PIPING(2)-3SP [10559~]

1Артикул: 420212-11969, PIPING,MAIN
2Артикул: S0511853, BOLT M10X1.5X20
3Артикул: S5102603, WASHER
Подробнее >
5470 ELECTRIC PARTS(2)-CONSOLE BODY(Beacon&3SP) [10557~]

5470 ELECTRIC PARTS(2)-CONSOLE BODY(Beacon&3SP) [10557~]

1Артикул: 300619-02765, ELECTRIC ASSY
2Артикул: 300619-02765A, ELECTRIC ASSY,CABIN
3Артикул: 300411-00022C, CONSOLE ASSY
Подробнее >
ПРОТИВОВЕС - ДЛИННАЯ СТРЕЛА

ПРОТИВОВЕС - ДЛИННАЯ СТРЕЛА

1Артикул: 160702-00299, WEIGHT ASSY,COUNTER;LONG BOOM
2Артикул: 160702-00300B, WEIGHT,COUNTER;LONG BOOM
3Артикул: 160702-00300C, WEIGHT,COUNTER
Подробнее >
5110 BUCKET ASS`Y - 4.0mВі

5110 BUCKET ASS`Y - 4.0mВі

1Артикул: 230104-00487, BUCKET ASSY
2Артикул: 230104-00487B, BUCKET ASSY;BIG BUCKET
3Артикул: 230104-00487C, BUCKET ASSY
Подробнее >
5650 FRONT ASSY-HEAVY DUTY ARM [10613~]

5650 FRONT ASSY-HEAVY DUTY ARM [10613~]

1Артикул: 650102-00238, FRONT ASSY
2Артикул: DS0401023, WASHER,PLAIN
3Артикул: S0521363, BOLT
Подробнее >
5460 ELECTRIC PARTS(1)-CABIN(Beacon&3SP) [10557~]

5460 ELECTRIC PARTS(1)-CABIN(Beacon&3SP) [10557~]

1Артикул: 300619-02765, ELECTRIC ASSY
2Артикул: 300619-02765A, ELECTRIC ASSY,CABIN
3Артикул: 300619-02765C, ELECTRIC ASSY
Подробнее >
5135 FRONT ASSY-SUPER LONG BOOM(RICE MILL) [10594~]

5135 FRONT ASSY-SUPER LONG BOOM(RICE MILL) [10594~]

1Артикул: 650102-00481, FRONT ASSY
2Артикул: DS0401023, WASHER,PLAIN
3Артикул: S0521363, BOLT
Подробнее >