+7 (701) 588 50 05 Телефон для связи
RU

WhatsApp

Позвонить

50 ОПЦИОННЫЕ ЗАПЧАСТИ в Алматы

5340 FENDER & LADDER - HOMOLOGATION(2)

5340 FENDER & LADDER - HOMOLOGATION(2)

1Артикул: 180307-00640, FENDER & LADDER ASSY,HIGH LIFT
2Артикул: 110958-02424A, SUPPORT,LAMP(L.H)
3Артикул: 110509-00028, . PIPE;FRONT LAMP(L.H)
Подробнее >
5610 AUDIO

5610 AUDIO

1Артикул: 300654-00043, STEREO,CAR;RADIO
2Артикул: 300654-00043A, STEREO,CAR
3Артикул: 300654-00040, STEREO,CAR;HANDSFREE(24V)
Подробнее >
6080 PILOT PIPING - THUMB WHEEL

6080 PILOT PIPING - THUMB WHEEL

1Артикул: 420212-16152, PIPING,PILOT,3SP;THUMB WHEEL
2Артикул: 110406-05284, BRACKET,VALVE
3Артикул: S0512966, BOLT
Подробнее >
РЕШЕТКА РАДИАТОРА В СБОРЕ

РЕШЕТКА РАДИАТОРА В СБОРЕ

1Артикул: 101524-00071B, GRILL ASSY,RADIATOR
2Артикул: -, GRILL,RADIATOR
3Артикул: K1007280, LOCK;GRILL
Подробнее >
КРЕСЛО - МЕХАНИЧЕСКАЯ СИСТЕМА

КРЕСЛО - МЕХАНИЧЕСКАЯ СИСТЕМА

1Артикул: 220110-00037A, SEAT ASSY,OPERATER
2Артикул: 220110-00038A, SEAT,OPERATOR
3Артикул: 250122-00204, PLATE,SUPPORT;SEAT(L.H)
Подробнее >
РЕКУЛИРУЮЩИЙ КЛАПАН ТРУБОПРОВОДА - 3 КАТУШКИ(ЭЛЕКТРИКА)

РЕКУЛИРУЮЩИЙ КЛАПАН ТРУБОПРОВОДА - 3 КАТУШКИ(ЭЛЕКТРИКА)

1Артикул: 420212-07838, PIPING,FRONT;3SP(ELEC)
2Артикул: 410105-00684, VALVE,MAIN CONTROL
3Артикул: 110436-00163A, BRACKET,PIPE;3RD PIPE
Подробнее >
КОЛЕСА В СБОРЕ - 23.5XR25XVSDL(L5)

КОЛЕСА В СБОРЕ - 23.5XR25XVSDL(L5)

1Артикул: 900141-00587, WHEEL ASSY;23.5R25XVSDL(L5)
2Артикул: 101572-00007, RIM,WHEEL(19.5x25x3P)
3Артикул: 2.422-00007, . VALVE
Подробнее >
5280 CONTROL VALVE PIPING - 2 SPOOL(QC)

5280 CONTROL VALVE PIPING - 2 SPOOL(QC)

1Артикул: 420212-10965, PIPING,QUICK CLAMP;2SP
2Артикул: 420207-02653, PIPE,BUCKET CROWD
3Артикул: 110508-16708, COVER,FRONT;2SP
Подробнее >
5620 HANDSFREE

5620 HANDSFREE

1Артикул: 300619-01748, ELECTRIC ASSY
2Артикул: 300609-00041A, CONTROL UNIT
3Артикул: 301405-00061A, SWITCH ASSY,CALL(24V)
Подробнее >
5990 TMS - NA

5990 TMS - NA

1Артикул: 300619-03341, ELECTRIC ASSY,TMS1.5
2Артикул: 300619-03341A, ELECTRIC ASSY
3Артикул: 300619-03138, ELECTRIC ASSY
Подробнее >
ПУЛЬТ УПРАВЛЕНИЯ-ДВА РЫЧАГА(ЭЛЕКТРИКА)

ПУЛЬТ УПРАВЛЕНИЯ-ДВА РЫЧАГА(ЭЛЕКТРИКА)

1Артикул: 101101-00229, LEVER ASSY;ELEC FT 2SP
2Артикул: 101101-00229A, LEVER ASSY;ELEC FT 2SP
3Артикул: -, REST,ARM
Подробнее >
РЕКУЛИРУЮЩИЙ КЛАПАН ТРУБОПРОВОДА - 2 КАТУШКИ(ЭЛЕКТРИКА)

РЕКУЛИРУЮЩИЙ КЛАПАН ТРУБОПРОВОДА - 2 КАТУШКИ(ЭЛЕКТРИКА)

1Артикул: 420212-07837, PIPING,FRONT;2SP(ELEC)
2Артикул: 410105-00682, VALVE,MAIN CONTROL
3Артикул: DS20401319, HOSE ASSY,HYDRAULIC
Подробнее >
СМАЗКА - НАСОС

СМАЗКА - НАСОС

1Артикул: 420212-08268, PIPING,LUBRICATION;AGS
2Артикул: -, LUBRICATION;PUMP ASS`Y
3Артикул: 400817-00240, . LUBRICATION UNIT;PUMP
Подробнее >
5160 BUCKET-3.5mВіOPT.-TOOTH

5160 BUCKET-3.5mВіOPT.-TOOTH

1Артикул: 230104-00566B, BUCKET ASSY;3.5M3 TOOTH
2Артикул: -, BUCKET;3.5M3
3Артикул: K1003612A, ADAPTER;TOOTH
Подробнее >
КОЛЕСА В СБОРЕ - 23.5XR25XL3

КОЛЕСА В СБОРЕ - 23.5XR25XL3

1Артикул: 900141-00585, WHEEL ASSY;23.5R25(L3)
2Артикул: 101572-00007, RIM,WHEEL(19.5x25x3P)
3Артикул: 2.422-00007, . VALVE
Подробнее >
5180 BUCKET-3.7гЋҐ-TOOTH

5180 BUCKET-3.7гЋҐ-TOOTH

1Артикул: 230104-00569B, BUCKET ASSY;3.7M3 TOOTH
2Артикул: -, BUCKET;3.7M3
3Артикул: K1003612A, ADAPTER;TOOTH
Подробнее >
ТРАНСМИССИЯ - БЛОКИРОВКА

ТРАНСМИССИЯ - БЛОКИРОВКА

1Артикул: 130902-02133, TRANSMISSION ASSY;5WG
2Артикул: 130902-00021A, TRANSMISSION;5-STAGE,LOCK-UP
3Артикул: 120806-00023A, WASHER,LOCK
Подробнее >
ТРУБОПРОВОД СЕРВОУПРАВЛЕНИЯ - 2 КАТУШКИ

ТРУБОПРОВОД СЕРВОУПРАВЛЕНИЯ - 2 КАТУШКИ

1Артикул: 420212-07840, PIPING,PILOT;2SP_PILOT
2Артикул: 110420-00592A, BRACKET,MOUNTING
3Артикул: 110420-00592B, BRACKET,MOUNTING
Подробнее >
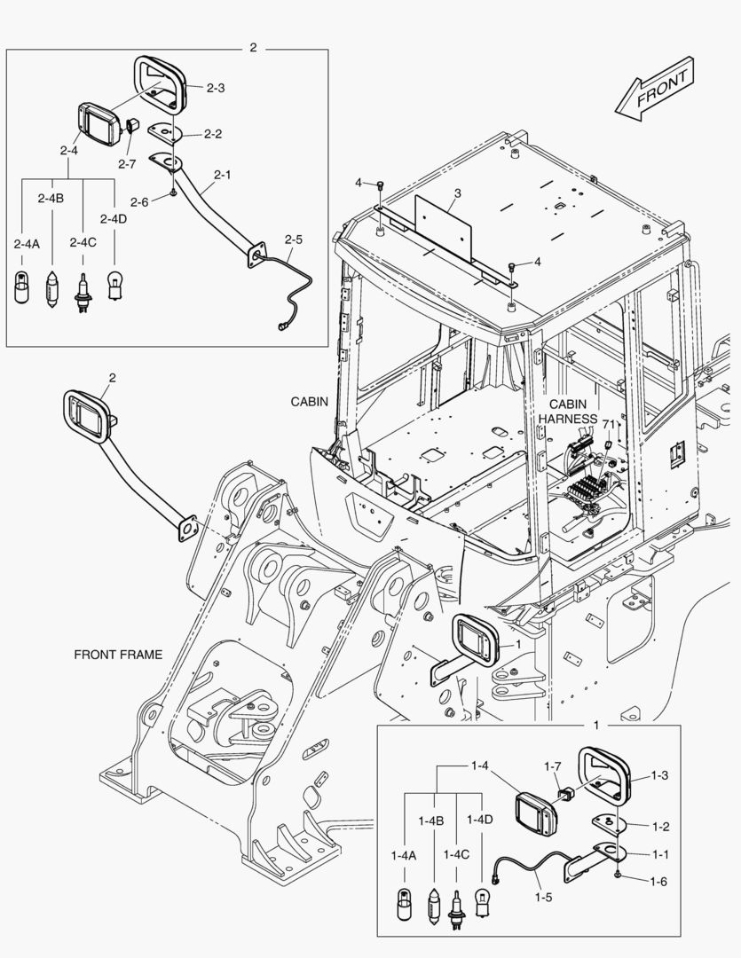
6020 CABIN(2) - BODY

6020 CABIN(2) - BODY

1Артикул: 220101-01387, CABIN ASSY; ROOF
2Артикул: 220101-01387A, CABIN ASSY;WITH ROOF
3Артикул: 220101-01387B, CABIN ASSY;WITH ROOF
Подробнее >
ТРУБОПРОВОД СЕРВОУПРАВЛЕНИЯ - 3 КАТУШКИ(ЭЛЕКТРИКА)

ТРУБОПРОВОД СЕРВОУПРАВЛЕНИЯ - 3 КАТУШКИ(ЭЛЕКТРИКА)

1Артикул: 420212-07843, PIPING,PILOT;3SP(ELEC)
2Артикул: 110420-00618A, BRACKET,MOUNTING;JOINT EC
3Артикул: 110420-00618B, BRACKET,MOUNTING;JOINT PC
Подробнее >
5330 FENDER & LADDER - HOMOLOGATION(1)

5330 FENDER & LADDER - HOMOLOGATION(1)

1Артикул: 180307-00530, FENDER & LADDER ASSY
2Артикул: 110958-02420A, SUPPORT,LAMP(L.H)
3Артикул: K1028627, . PIPE
Подробнее >
ПАТРУБКИ РУЛЕВОГО УПРАВЛЕНИЯ - ЭЛЕКТРИКА

ПАТРУБКИ РУЛЕВОГО УПРАВЛЕНИЯ - ЭЛЕКТРИКА

1Артикул: 420212-07833, PIPING,STEERING;ELEC
2Артикул: 410136-00016, VALVE,STEERING;ELEC
3Артикул: 410120-00060, VALVE ASSY,PILOT
Подробнее >
РУКОЯТЬ ПОГРУЗЧИКА В СБОРЕ - ДЛИННАЯ СТРЕЛА

РУКОЯТЬ ПОГРУЗЧИКА В СБОРЕ - ДЛИННАЯ СТРЕЛА

1Артикул: 650102-00305, ATTACHMENT,FRONT;HIGH LIFT
2Артикул: 101102-00047, LEVER ASSY,TILT;HIGH LIFT
3Артикул: 101102-00047A, LEVER ASSY,TILT;HIGH LIFT
Подробнее >
ТРУБОПРОВОД СЕРВОУПРАВЛЕНИЯ - 2 КАТУШКИ(ЭЛЕКТРИКА)

ТРУБОПРОВОД СЕРВОУПРАВЛЕНИЯ - 2 КАТУШКИ(ЭЛЕКТРИКА)

1Артикул: 420212-07842, PIPING,PILOT;2SP(ELEC)
2Артикул: 110420-00618A, BRACKET,MOUNTING;JOINT EC
3Артикул: 110420-00618B, BRACKET,MOUNTING;JOINT PC
Подробнее >
5670 ELECTRIC PARTS - FRONT(EUROPE)

5670 ELECTRIC PARTS - FRONT(EUROPE)

1Артикул: 300619-02444A, ELECTRIC ASSY;FRONT;EUROPE
2Артикул: 300726-00018, HORN;HIGH
3Артикул: 300726-00019, HORN;LOW
Подробнее >
ПРОБЛЕСКОВЫЙ МАЯЧОК - СЕРТИФИКАТЫ

ПРОБЛЕСКОВЫЙ МАЯЧОК - СЕРТИФИКАТЫ

1Артикул: 300705-00070A, BEACON ASSY,HOMO
2Артикул: S5102503, WASHER
3Артикул: S0508853, BOLT;M8X1.25X20
Подробнее >
6000 TMS - EU

6000 TMS - EU

1Артикул: 300619-03342, ELECTRIC ASSY,TMS1.5
2Артикул: 300619-03139, ELECTRIC ASSY;TMS1.5
3Артикул: 300611-00902, . CONTROLLER;TMS1.5
Подробнее >
5200 BUCKET - 3.7гЋҐ - SEGMENT

5200 BUCKET - 3.7гЋҐ - SEGMENT

1Артикул: 230104-00613B, BUCKET ASSY;3.7M3 SEG EDGE
2Артикул: -, BUCKET;3.5M3
3Артикул: K1003612A, ADAPTER;TOOTH
Подробнее >
КОВРИК НА ПОЛУ КУЗОВА(ЭЛЕКТРИКА)

КОВРИК НА ПОЛУ КУЗОВА(ЭЛЕКТРИКА)

1Артикул: 110935-00204G, MAT,FLOOR
2Артикул: 110935-00204H, MAT,FLOOR
3Артикул: 110935-00446B, MAT,FLOOR
Подробнее >
ТРУБОПРОВОД СМАЗОЧНОЙ СИСТЕМЫ - ДЛИННАЯ СТРЕЛА(2)

ТРУБОПРОВОД СМАЗОЧНОЙ СИСТЕМЫ - ДЛИННАЯ СТРЕЛА(2)

1Артикул: 420212-08933, PIPING,AGS,HIGH LIFT
2Артикул: -, PIPING,LUBRICATION;BULK
3Артикул: -, LUBRICATIONT;FEEDER ASSY
Подробнее >
5880 AUTO GREASING SYSTEM-AXLE & DRIVE SHAFT

5880 AUTO GREASING SYSTEM-AXLE & DRIVE SHAFT

1Артикул: 190101-00185, AXLE & DRIVE SHAFT ASSY;AGS
2Артикул: 420205-00360, PIPE,GREASE
3Артикул: 420205-00361, PIPE,GREASE
Подробнее >
ЭЛЕКТРИКА В СБОРЕ- РАЗНЫЕ ЗАМКИ

ЭЛЕКТРИКА В СБОРЕ- РАЗНЫЕ ЗАМКИ

1Артикул: 300619-01754, ELECTRIC ASSY;DIFF. LOCK
2Артикул: 301418-00006, SWITCH,SELECTOR
3Артикул: 530-00067, HARNESS
Подробнее >
РУКОЯТЬ ПОГРУЗЧИКА - СЕРТИФИКАТЫ

РУКОЯТЬ ПОГРУЗЧИКА - СЕРТИФИКАТЫ

1Артикул: 650102-00304, ATTACHMENT,FRONT;HOMO
2Артикул: 230203-00157, ARM ASSY,LIFT;HOMO
3Артикул: 230203-00157A, ARM ASSY,LIFT;HOMOLOGATION
Подробнее >
ЭЛЕКТРИЧЕСКИЕ ЗАПЧАСТИ - ФРОНТАЛЬНЫЙ(ЭЛЕКТРИКА)

ЭЛЕКТРИЧЕСКИЕ ЗАПЧАСТИ - ФРОНТАЛЬНЫЙ(ЭЛЕКТРИКА)

1Артикул: 300619-01811, ELECTRIC ASSY;ELEC MCV
2Артикул: 310207-03069B, HARNESS,FRONT;ELEC MCV
3Артикул: 310207-03069C, HARNESS,FRONT FRAME;ELEC MCV
Подробнее >
ТРУБОПРОВОД СМАЗОЧНОЙ СИСТЕМЫ - ДЛИННАЯ СТРЕЛА(1)

ТРУБОПРОВОД СМАЗОЧНОЙ СИСТЕМЫ - ДЛИННАЯ СТРЕЛА(1)

1Артикул: 420212-08933, PIPING,AGS,HIGH LIFT
2Артикул: 420212-09922, PIPING;AGS,HIGH LIFT
3Артикул: 420212-09922A, PIPING;AGS,HIGH LIFT
Подробнее >
ФИЛЬТР ШУМА- КОНДЕНСАТОР

ФИЛЬТР ШУМА- КОНДЕНСАТОР

1Артикул: 300725-00008, FILTER,NOISE;NOISE FILTER
2Артикул: 2471-6062, FILTER,NOISE(BLOWER)
Подробнее >
ВКЛЮЧАТЕЛЬ - АВТО СМАЗКА

ВКЛЮЧАТЕЛЬ - АВТО СМАЗКА

1Артикул: 300619-01806, ELECTRIC ASSY;AUTO GREASE
2Артикул: 301401-00021, ACTUATOR,SWITCH
3Артикул: K1056643, SWITCH
Подробнее >
ЭЛЕКТРОННОЕ РУЛЕВОЕ УПРАВЛЕНИЕ

ЭЛЕКТРОННОЕ РУЛЕВОЕ УПРАВЛЕНИЕ

1Артикул: 300619-02550, ELECTRIC ASSY;ELEC STEERING
2Артикул: 310207-03135A, HARNESS,JOINT;ELEC STEER
3Артикул: 310207-03039A, HARNESS,ELEC STEERING
Подробнее >
РЕКУЛИРУЮЩИЙ КЛАПАН ТРУБОПРОВОДА - 2 КАТУШКИ

РЕКУЛИРУЮЩИЙ КЛАПАН ТРУБОПРОВОДА - 2 КАТУШКИ

1Артикул: 420212-07835, PIPING,FRONT;2SP
2Артикул: 410105-00686, VALVE,MAIN CONTROL;2 SPOOL
3Артикул: DS20401319, HOSE ASSY,HYDRAULIC
Подробнее >
КОЛЕСА В СБОРЕ - 23.5XR25XL3

КОЛЕСА В СБОРЕ - 23.5XR25XL3

1Артикул: 900141-00588, WHEEL ASSY;23.5R25XHAT2(L3)
2Артикул: 101572-00007, RIM,WHEEL(19.5x25x3P)
3Артикул: 2.422-00007, . VALVE
Подробнее >
6090 CONTROL STAND - THUMB WHEEL

6090 CONTROL STAND - THUMB WHEEL

1Артикул: 101101-00454, LEVER ASSY;FNR-THUMB WHEEL
2Артикул: 110508-28760, COVER,LEVER;HUMB WHEEL
3Артикул: 110406-05049, BRACKET;THUMB WHEEL
Подробнее >
КРЕСЛО - ПНЕВМАТИЧЕСКАЯ ПОДВЕСКА

КРЕСЛО - ПНЕВМАТИЧЕСКАЯ ПОДВЕСКА

1Артикул: 220110-00090B, SEAT ASSY;AIR SUS
2Артикул: 220110-00090E, SEAT ASSY;AIR SUS
3Артикул: 220110-00091, SEAT;AIR SUS
Подробнее >
ЭЛЕКТРИЧЕСКИЕ ЗАПЧАСТИ - ПРОВОДКА(ЭЛЕКТРИКА)

ЭЛЕКТРИЧЕСКИЕ ЗАПЧАСТИ - ПРОВОДКА(ЭЛЕКТРИКА)

1Артикул: 300619-01814, WIRING GROUP;ELECTRIC
2Артикул: 310207-03071B, HARNESS,MAIN
3Артикул: 310207-03071C, HARNESS ASSY,MAIN;ELEC MCV
Подробнее >
5190 BUCKET-3.9гЋҐ-CUTTING EDGE

5190 BUCKET-3.9гЋҐ-CUTTING EDGE

1Артикул: 230104-00571B, BUCKET ASSY;3.9M3 EDGE
2Артикул: -, BUCKET;3.7M3
3Артикул: 100902-00013, EDGE,CUTTING;CENTER
Подробнее >
СМАЗКА - ПИТАТЕЛЬ(ЗАДНЯЯ РАМА)

СМАЗКА - ПИТАТЕЛЬ(ЗАДНЯЯ РАМА)

1Артикул: 420212-08268, PIPING,LUBRICATION;AGS
2Артикул: -, PIPING,LUBRICATION;AGS
3Артикул: 400817-00261A, . FEEDER ASSY(REAR FRAME)
Подробнее >
КОЛЕСА В СБОРЕ - 23.5X25XL5

КОЛЕСА В СБОРЕ - 23.5X25XL5

1Артикул: 900141-00583, WHEEL ASSY;23.5R25XLDD2AT(L5)
2Артикул: 101572-00007, RIM,WHEEL(19.5x25x3P)
3Артикул: 2.422-00007, . VALVE
Подробнее >
КАБИНА(1) - КОРПУС

КАБИНА(1) - КОРПУС

1Артикул: 220101-01387, CABIN ASSY; ROOF
2Артикул: 220101-01387A, CABIN ASSY;WITH ROOF
3Артикул: 220101-01387B, CABIN ASSY;WITH ROOF
Подробнее >
КРЕСЛО - МЕХАНИЧЕСКАЯ СИСТЕМА(ОБОГРЕВАТЕЛЬ)

КРЕСЛО - МЕХАНИЧЕСКАЯ СИСТЕМА(ОБОГРЕВАТЕЛЬ)

1Артикул: 220110-00050A, SEAT,OPERATOR
2Артикул: 220110-00051A, SEAT,OPERATOR
3Артикул: 250122-00204, PLATE,SUPPORT;SEAT(L.H)
Подробнее >
ПАТРУБКИ РУЛЕВОГО УПРАВЛЕНИЯ - ЭЛЕКТРИКА

ПАТРУБКИ РУЛЕВОГО УПРАВЛЕНИЯ - ЭЛЕКТРИКА

1Артикул: 420212-07833, PIPING,STEERING;ELEC
2Артикул: 410136-00016, VALVE,STEERING;ELEC
3Артикул: 410120-00068, VALVE ASSY,PILOT
Подробнее >
КАБИНА(3) - ВНУТРЕННИЕ ЛИСТЫ

КАБИНА(3) - ВНУТРЕННИЕ ЛИСТЫ

1Артикул: 220101-01387, CABIN ASSY; ROOF
2Артикул: 220101-01387A, CABIN ASSY;WITH ROOF
3Артикул: 220101-01387B, CABIN ASSY;WITH ROOF
Подробнее >
ЭЛЕКТРИКА В СБОРЕ- БЫСТРОСМЕННАЯ МУФТА

ЭЛЕКТРИКА В СБОРЕ- БЫСТРОСМЕННАЯ МУФТА

1Артикул: 300619-01428, ELECTRIC ASSY;QUICK CLAMP
2Артикул: 301423-00041, SWITCH,QUICK CLAMP
Подробнее >
СИДЕНИЕ В СБОРЕ - ЭЛЕКТРОННОЕ РУЛЕВОЕ УПРАВЛЕНИЕ

СИДЕНИЕ В СБОРЕ - ЭЛЕКТРОННОЕ РУЛЕВОЕ УПРАВЛЕНИЕ

1Артикул: 220110-00040B, SEAT,OPERATOR
2Артикул: 180304-00024, CUSHION;BACK
3Артикул: 180304-00025, CUSHION;SEAT
Подробнее >
СИДЕНИЕ В СБОРЕ - МЕХАНИЧЕСКАЯ ПОДВЕСКА

СИДЕНИЕ В СБОРЕ - МЕХАНИЧЕСКАЯ ПОДВЕСКА

1Артикул: 220110-00038A, SEAT,OPERATOR
2Артикул: 220108-00009, REST,HEAD
3Артикул: 220106-00033, REST,ARM(L.H)
Подробнее >
СИСТЕМА ВИДЕОНАБЛЮДЕНИЯ В СБОРЕ

СИСТЕМА ВИДЕОНАБЛЮДЕНИЯ В СБОРЕ

1Артикул: 300619-01672, ELECTRIC ASSY
2Артикул: 300619-01672A, ELECTRIC ASSY;CAMERA
3Артикул: S5102503, WASHER
Подробнее >
РУКОЯТЬ ПОГРУЗЧИКА - ДЛИННАЯ СТРЕЛА

РУКОЯТЬ ПОГРУЗЧИКА - ДЛИННАЯ СТРЕЛА

1Артикул: 650102-00307, ATTACHMENT,FRONT(HOMO)
2Артикул: 230203-00089, ARM ASSY,HIGH LIFT(HOMO)
3Артикул: 230203-00089A, ARM ASSY,LOADER
Подробнее >
КОЛЕСА В СБОРЕ - 23.5XR25XL3

КОЛЕСА В СБОРЕ - 23.5XR25XL3

1Артикул: 900141-00584, WHEEL ASSY;23.5R25VMT(L3)
2Артикул: 101572-00007, RIM,WHEEL(19.5x25x3P)
3Артикул: 2.422-00007, . VALVE
Подробнее >
6070 PILOT PIPING - JOYSTICK(THUMB WHEEL)

6070 PILOT PIPING - JOYSTICK(THUMB WHEEL)

1Артикул: 420212-16182, PIPING,CABIN,FNR;3SP THUMB WHEEL
2Артикул: 410113-00254A, VALVE ASSY,JOYSTICK
3Артикул: DS2012833, HOSE ASSY,HYDRAULIC
Подробнее >
6040 CABIN(4) - DOOR ASS`Y(L.H)

6040 CABIN(4) - DOOR ASS`Y(L.H)

1Артикул: 220101-01387, CABIN ASSY; ROOF
2Артикул: 220101-01387A, CABIN ASSY;WITH ROOF
3Артикул: 220101-01387B, CABIN ASSY;WITH ROOF
Подробнее >
ПРОТИВОВЕС - ДОПОЛНИТЕЛЬНЫЙ

ПРОТИВОВЕС - ДОПОЛНИТЕЛЬНЫЙ

1Артикул: 160702-00617, WEIGHT ASSY,COUNTER
2Артикул: 160702-00144B, WEIGHT,COUNTER;ADDITIONAL
3Артикул: K1004331, CAP
Подробнее >
ОБТЕКАЕМАЯ ПОДКУЗОВНАЯ ПАНЕЛЬ - НЕДОСТУПНО

ОБТЕКАЕМАЯ ПОДКУЗОВНАЯ ПАНЕЛЬ - НЕДОСТУПНО

1Артикул: 110513-00946, COVER ASSY,UNDER
2Артикул: 110513-00637, COVER,UNDER;BELLY
3Артикул: 110513-00638, COVER,UNDER;BELLY
Подробнее >
СИДЕНИЕ В СБОРЕ - МЕХАНИЧЕСКАЯ СИСТЕМА(ОБОГРЕВАТЕЛЬ)

СИДЕНИЕ В СБОРЕ - МЕХАНИЧЕСКАЯ СИСТЕМА(ОБОГРЕВАТЕЛЬ)

1Артикул: 220110-00051A, SEAT,OPERATOR
2Артикул: 220108-00009, REST,HEAD
3Артикул: 220106-00033, REST,ARM(L.H)
Подробнее >
6100 PEDAL VALVE - OPT.

6100 PEDAL VALVE - OPT.

1Артикул: 220101-01719, CABIN SUB ASSY;OPTION PEDAL
2Артикул: 134-00008, PEDAL;BRAKE
3Артикул: 120601-00044, ROD,BRAKE
Подробнее >
ОСЬ В СБОРЕ - РАЗНЫЕ ЗАМКИ

ОСЬ В СБОРЕ - РАЗНЫЕ ЗАМКИ

1Артикул: 190101-00184, AXLE ASSY;DHL
2Артикул: 190102-00003A, AXLE,FRONT
3Артикул: 190103-00002A, AXLE,REAR
Подробнее >
КРЫЛО - ПОЛНОСТЬЮ

КРЫЛО - ПОЛНОСТЬЮ

1Артикул: 180307-00528, FENDER & LADDER ASSY
2Артикул: 180307-00650A, FENDER,FULL(L.H)
3Артикул: 180307-00661A, FENDER,FULL(R.H)
Подробнее >
5491 CONTROL UNIT

5491 CONTROL UNIT

1Артикул: 300609-00125, CONTROL UNIT,ELECTRONIC
2Артикул: 220106-00070, REST,ARM;SITTAB
3Артикул: 110508-26257A, COVER;PROTECTOR
Подробнее >
ОБРАТНАЯ ЛОПАТА В СБОРЕ (США)

ОБРАТНАЯ ЛОПАТА В СБОРЕ (США)

1Артикул: 650102-00310, RETURN TO DIG ASSY
2Артикул: 301601-00001, TRANSDUCER;ANGLE SENSOR
3Артикул: 110452-00004B, BRACKET,HARNESS
Подробнее >
ЗЕРКАЛО - ЗАДНЕГО ВИДА

ЗЕРКАЛО - ЗАДНЕГО ВИДА

1Артикул: 110508-11520, COVER ASSY
2Артикул: K1013278, CAP
3Артикул: 110969-00075, MIRROR
Подробнее >
СМАЗКА - ПИТАТЕЛЬ(РЫЧАГ НАКЛОНА)

СМАЗКА - ПИТАТЕЛЬ(РЫЧАГ НАКЛОНА)

1Артикул: 420212-08268, PIPING,LUBRICATION;AGS
2Артикул: -, PIPING,LUBRICATION;AGS
3Артикул: 400817-00260, . FEEDER ASSY(TILT LEVER)
Подробнее >
5590 ROTATING BEACON

5590 ROTATING BEACON

1Артикул: 300705-00050B, BEACON ASSY,ROTATING
2Артикул: 131002-00085A, BUSHING ASSY
3Артикул: S5102503, WASHER
Подробнее >
ТРУБОПРОВОД СМАЗОЧНОЙ СИСТЕМЫ(2)

ТРУБОПРОВОД СМАЗОЧНОЙ СИСТЕМЫ(2)

1Артикул: 420212-08268, PIPING,LUBRICATION;AGS
2Артикул: -, PIPING,LUBRICATION;BULK
3Артикул: 430201-00737, . ADAPTER
Подробнее >
ПРОТИВОВЕС - СЕРТИФИКАТЫ

ПРОТИВОВЕС - СЕРТИФИКАТЫ

1Артикул: 160702-00612, WEIGHT ASSY,COUNTER
2Артикул: 110503-00168E, COVER,BATTERY;TOP(L.H)
3Артикул: 110503-00169E, COVER,BATTERY;TOP(R.H)
Подробнее >
5400 SEAT

5400 SEAT

1Артикул: 220110-00034B, SEAT,OPERATOR
2Артикул: 220108-00010, REST,HEAD
3Артикул: 180304-00022, CUSHION;SEAT
Подробнее >
ВОЗДУХООЧИСТИТЕЛЬ - НЕФТЯНАЯ СМАЗКА

ВОЗДУХООЧИСТИТЕЛЬ - НЕФТЯНАЯ СМАЗКА

1Артикул: 400414-00362, CLEANER ASSY,AIR;OIL BATH
2Артикул: K1009279, AIR CLEANER
3Артикул: K9001293, . ELEMENT,OIL WASHED
Подробнее >
СЕРТИФИКАТЫ - КОВШ

СЕРТИФИКАТЫ - КОВШ

1Артикул: 650102-00197, FRONT;HOMOLOGATION
2Артикул: 111003-00003, PROTECTOR,TOOTH
3Артикул: S0534266, BOLT
Подробнее >
5390 SEAT ASS`Y - AIR SUSPENSION

5390 SEAT ASS`Y - AIR SUSPENSION

1Артикул: 220110-00033B, SEAT ASSY,OPERATER
2Артикул: 220110-00034B, SEAT,OPERATOR
3Артикул: 2114-1898D2, WASHER
Подробнее >
ФИЛЬТР ШУМА- МОТОР СТЕКЛООЧИСТИТЕЛЯ

ФИЛЬТР ШУМА- МОТОР СТЕКЛООЧИСТИТЕЛЯ

1Артикул: 300619-01752, ELECTRIC NOISE FILTER
2Артикул: 530-00224, HARNESS;JOINT
3Артикул: 2471-6062, FILTER,NOISE(BLOWER)
Подробнее >
5490 CONTROL UNIT

5490 CONTROL UNIT

1Артикул: 300609-00009E, CONTROL UNIT,ELECTRONIC
2Артикул: K1041634B, BRACKET;ROTATE
3Артикул: 110406-01775, BRACKET
Подробнее >
РЫЧАГ - 3 КАТУШКИ(ЭЛЕКТРИЧЕСКИЙ РЕГУЛИРУЮЩИЙ КЛАПАН)

РЫЧАГ - 3 КАТУШКИ(ЭЛЕКТРИЧЕСКИЙ РЕГУЛИРУЮЩИЙ КЛАПАН)

1Артикул: 220101-00984, CABIN SUB ASSY;(ELEC 3SP)
2Артикул: 101101-00007, LEVER;BOOM JOYSTICK
3Артикул: 101101-00008, LEVER;BUCKET JOYSTICK
Подробнее >
5650 WORKING LAMP

5650 WORKING LAMP

1Артикул: 301005-00684, LAMP ASSY,WORKING
2Артикул: 301005-01643, LAMP ASSY,WORKING(LED)
3Артикул: 301005-00683, LAMP,WORKING
Подробнее >
6060 CABIN(6) - GLASS

6060 CABIN(6) - GLASS

1Артикул: 220101-01387, CABIN ASSY; ROOF
2Артикул: 220101-01387A, CABIN ASSY;WITH ROOF
3Артикул: 220101-01387B, CABIN ASSY;WITH ROOF
Подробнее >
ТРУБОПРОВОД СЕРВОУПРАВЛЕНИЯ - ПАЛЕЦ + 3 КАТУШКИ

ТРУБОПРОВОД СЕРВОУПРАВЛЕНИЯ - ПАЛЕЦ + 3 КАТУШКИ

1Артикул: 220101-00982, CABIN SUB ASSY;FT-3SP
2Артикул: K1003144A, VALVE;JOY STICK
3Артикул: DS2012498, HOSE
Подробнее >
КОЛЕСА В СБОРЕ - 23.5XR25XL3

КОЛЕСА В СБОРЕ - 23.5XR25XL3

1Артикул: 900141-00589, WHEEL ASSY;23.5R25 VJT(L3)
2Артикул: 101572-00007, RIM,WHEEL(19.5x25x3P)
3Артикул: 2.422-00007, . VALVE
Подробнее >
5150 BUCKET-3.3гЋҐ-CUTTING EDGE

5150 BUCKET-3.3гЋҐ-CUTTING EDGE

1Артикул: 230104-00565B, BUCKET ASSY;3.5M3 EDGE
2Артикул: -, BUCKET;3.3M3
3Артикул: 100902-00010, EDGE,CUTTING;CENTER
Подробнее >
5460 SEAT ASS`Y - AIR SUSPENSION

5460 SEAT ASS`Y - AIR SUSPENSION

1Артикул: 220110-00091, SEAT;AIR SUS
2Артикул: 220110-00091A, SEAT;AIR SUS
3Артикул: 180304-00036, CUSHION;BACKREST
Подробнее >
КРЫЛО - ПРЕДОХРАНИТЕЛЬ

КРЫЛО - ПРЕДОХРАНИТЕЛЬ

1Артикул: 180307-00527, FENDER & LADDER ASSY
2Артикул: 180307-00073E, FENDER,FRONT;SUB(L.H)
3Артикул: 180307-00074E, . FENDER,FRONT(L.H)
Подробнее >
ТРУБОПРОВОД СМАЗОЧНОЙ СИСТЕМЫ(1)

ТРУБОПРОВОД СМАЗОЧНОЙ СИСТЕМЫ(1)

1Артикул: 420212-08268, PIPING,LUBRICATION;AGS
2Артикул: 420212-09911, PIPING,LUBRICATION;AGS
3Артикул: 420212-09911A, PIPING,LUBRICATION;AGS
Подробнее >
6050 CABIN(5) - DOOR ASS`Y(R.H)

6050 CABIN(5) - DOOR ASS`Y(R.H)

1Артикул: 220101-01387, CABIN ASSY; ROOF
2Артикул: 220101-01387A, CABIN ASSY;WITH ROOF
3Артикул: 220101-01387B, CABIN ASSY;WITH ROOF
Подробнее >
КОЛЕСА В СБОРЕ - 23.5X25X16PR(L3)

КОЛЕСА В СБОРЕ - 23.5X25X16PR(L3)

1Артикул: 900141-00582, WHEEL ASSY;23.5X25X16PR(L3)
2Артикул: 101572-00007, RIM,WHEEL(19.5x25x3P)
3Артикул: 2.422-00007, . VALVE
Подробнее >
СМАЗКА - ПИТАТЕЛЬ(ПЕРЕДНЯЯ РАМА)

СМАЗКА - ПИТАТЕЛЬ(ПЕРЕДНЯЯ РАМА)

1Артикул: 420212-08268, PIPING,LUBRICATION;AGS
2Артикул: 400817-00325, LUBRICATION UNIT;FEEDER ASSY(FRONT FRAME
3Артикул: 400817-00325A, LUBRICATION UNIT;FEEDER ASSY(FRONT FRAME
Подробнее >
ТРУБОПРОВОД СЕРВОУПРАВЛЕНИЯ - ПАЛЕЦ + 2 КАТУШКИ

ТРУБОПРОВОД СЕРВОУПРАВЛЕНИЯ - ПАЛЕЦ + 2 КАТУШКИ

1Артикул: 220101-00981, CABIN SUB ASSY;FT-2SP
2Артикул: 220101-00981A, CABIN SUB ASSY
3Артикул: K1003143, VALVE;JOYSTICK
Подробнее >
РЫЧАГ - 2 КАТУШКИ(ЭЛЕКТРИЧЕСКИЙ РЕГУЛИРУЮЩИЙ КЛАПАН)

РЫЧАГ - 2 КАТУШКИ(ЭЛЕКТРИЧЕСКИЙ РЕГУЛИРУЮЩИЙ КЛАПАН)

1Артикул: 220101-00983, PILOT ELEC 2SP
2Артикул: 101101-00007, LEVER;BOOM JOYSTICK
3Артикул: 101101-00008, LEVER;BUCKET JOYSTICK
Подробнее >
ПУЛЬТ УПРАВЛЕНИЯ

ПУЛЬТ УПРАВЛЕНИЯ

1Артикул: 101101-00208B, LEVER ASSY;FINGER TIP
2Артикул: 101101-00208C, LEVER ASSY;FINGER TIP
3Артикул: 110508-11610C, COVER,LEVER;FINGER TIP
Подробнее >
ЭЛЕКТРИЧЕСКИЕ ЗАПЧАСТИ - КАБИНА(ЭЛЕКТРИКА 2SP)

ЭЛЕКТРИЧЕСКИЕ ЗАПЧАСТИ - КАБИНА(ЭЛЕКТРИКА 2SP)

1Артикул: 300619-02453G, ELECT ASSY,CABIN(ELEC MCV)
2Артикул: 300619-02453H, ELECT ASSY,CABIN(ELEC MCV)
3Артикул: 300619-02453M, ELECTRIC ASSY;CABIN;ELEC MCV
Подробнее >
КОЛЕСА В СБОРЕ - 23.5XR25XL3

КОЛЕСА В СБОРЕ - 23.5XR25XL3

1Артикул: 900141-00586, WHEEL ASSY;23.5R25(L3)
2Артикул: 101572-00007, RIM,WHEEL(19.5x25x3P)
3Артикул: 2.422-00007, . VALVE
Подробнее >
ОБОГРЕВАТЕЛЬ В СБОРЕ

ОБОГРЕВАТЕЛЬ В СБОРЕ

1Артикул: 440207-00264, HEATER KIT;PLUG
2Артикул: 440207-00296, HEATER KIT
3Артикул: 440207-00344, . HEATER KIT,230V
Подробнее >
БЫСТРОСЪЕМНАЯ МУФТА ТРУБОПРОВОДА

БЫСТРОСЪЕМНАЯ МУФТА ТРУБОПРОВОДА

1Артикул: 420212-12846, PIPING,QUICK CLAMP
2Артикул: 420207-02653A, PIPE,BUCKET CROWD
3Артикул: 100201-01806, BLOCK,CONTACT
Подробнее >
ТРУБОПРОВОД СЕРВОУПРАВЛЕНИЯ - 2 КАТУШКИ

ТРУБОПРОВОД СЕРВОУПРАВЛЕНИЯ - 2 КАТУШКИ

1Артикул: 220101-00996A, CABIN SUB ASSY;2SP
2Артикул: 410113-00156, VALVE ASSY,JOYSTICK
3Артикул: DS2012381, HOSE 11/16``-16UN-2B-1800L
Подробнее >
5320 FENDER & PROTECTOR - FULL

5320 FENDER & PROTECTOR - FULL

1Артикул: 180307-00529, FENDER & LADDER ASSY
2Артикул: 180307-00651A, FENDER ASSY,REAR(L.H)
3Артикул: 180307-00652A, . FENDER,FULL(L.H)
Подробнее >
ПУЛЬТ УПРАВЛЕНИЯ-ТРИ РЫЧАГА(ЭЛЕКТРИКА)

ПУЛЬТ УПРАВЛЕНИЯ-ТРИ РЫЧАГА(ЭЛЕКТРИКА)

1Артикул: 101101-00230, LEVER ASSY;ELEC FT 3SP
2Артикул: 101101-00230A, LEVER ASSY;ELEC FT 3SP
3Артикул: 220106-00001B, REST,ARM
Подробнее >
ОБТЕКАЕМАЯ ПОДКУЗОВНАЯ ПАНЕЛЬ - ЕВРОПА

ОБТЕКАЕМАЯ ПОДКУЗОВНАЯ ПАНЕЛЬ - ЕВРОПА

1Артикул: 110513-00945, COVER ASSY,UNDER
2Артикул: 110513-00106, COVER,UNDER
3Артикул: 110513-00035, COVER,UNDER
Подробнее >
ПРОТИВОВЕС - СЕРТИФИКАТЫ

ПРОТИВОВЕС - СЕРТИФИКАТЫ

1Артикул: 160702-00612, WEIGHT ASSY,COUNTER
2Артикул: 110503-00168B, COVER,BATTERY;TOP(L.H)
3Артикул: 110503-00168C, COVER,BATTERY;TOP(L.H)
Подробнее >
РЕКУЛИРУЮЩИЙ КЛАПАН ТРУБОПРОВОДА - 3 КАТУШКИ(QC)

РЕКУЛИРУЮЩИЙ КЛАПАН ТРУБОПРОВОДА - 3 КАТУШКИ(QC)

1Артикул: 420212-10966, PIPING,QUICK CLAMP;3SP
2Артикул: 420207-02653, PIPE,BUCKET CROWD
3Артикул: 110508-11026, COVER
Подробнее >
5970 SPARE PARTS

5970 SPARE PARTS

1Артикул: 100403-00123, BOX,SPARE PARTS
2Артикул: 430213-00219, . ELBOW(45)
3Артикул: 430213-00220, . ELBOW(90)
Подробнее >
5170 BUCKET-3.7гЋҐ-CUTTING EDGE

5170 BUCKET-3.7гЋҐ-CUTTING EDGE

1Артикул: 230104-00568B, BUCKET ASSY;3.7M3 EDGE
2Артикул: -, BUCKET;3.5M3
3Артикул: 100902-00010, EDGE,CUTTING;CENTER
Подробнее >
КРЕСЛО - ЭЛЕКТРОННОЕ РУЛЕВОЕ УПРАВЛЕНИЕ

КРЕСЛО - ЭЛЕКТРОННОЕ РУЛЕВОЕ УПРАВЛЕНИЕ

1Артикул: 220110-00039B, SEAT ASSY,OPERATER
2Артикул: 220110-00040B, SEAT,OPERATOR
3Артикул: 2114-1898D2, WASHER
Подробнее >