+7 (701) 588 50 05 Телефон для связи
RU

WhatsApp

Позвонить

50 ОПЦИОННЫЕ ЗАПЧАСТИ в Алматы

5971 BUCKET - 5.7гЋҐ TOOTH(SEGMENT EDGE) [10079~]

5971 BUCKET - 5.7гЋҐ TOOTH(SEGMENT EDGE) [10079~]

1Артикул: 230104-01836C, BUCKET ASSY;5.7M3 SEG
2Артикул: -, BUCKET,WELD;5.4M3
3Артикул: 430203-00059A, ADAPTER,TOOTH
Подробнее >
ТРУБОПРОВОД СЕРВОУПРАВЛЕНИЯ - 2 КАТУШКИ(ЭЛЕКТРИКА)

ТРУБОПРОВОД СЕРВОУПРАВЛЕНИЯ - 2 КАТУШКИ(ЭЛЕКТРИКА)

1Артикул: 420212-09117, PIPING,PILOT;ELEC_2SP
2Артикул: 250115-00059, PLATE,CONNECTING;ELEC
3Артикул: 250115-00059A, PLATE,CONNECTING;ELEC
Подробнее >
ТРУБОПРОВОД СЕРВОУПРАВЛЕНИЯ - ПАЛЕЦ + 2 КАТУШКИ

ТРУБОПРОВОД СЕРВОУПРАВЛЕНИЯ - ПАЛЕЦ + 2 КАТУШКИ

1Артикул: 220101-01063, CABIN SUB ASSY;PILOT(FT 2SP)
2Артикул: K1003143, VALVE;JOYSTICK
3Артикул: DS2012843, HOSE ASSY,HYDRAULIC
Подробнее >
5540 TIRE & RIM ASS`Y

5540 TIRE & RIM ASS`Y

1Артикул: 900141-00323, WHEEL & TIRE ASSY
2Артикул: 101572-00021A, RIM ASSY
3Артикул: 2.422-00007, . VALVE
Подробнее >
5630 BUCKET - 5.2гЋҐ TOOTH(SEGMENT EDGE) [10001~10120]

5630 BUCKET - 5.2гЋҐ TOOTH(SEGMENT EDGE) [10001~10120]

1Артикул: 230104-00541A, BUCKET ASSY;5.2M3,SEG EDGE
2Артикул: 230104-00541B, BUCKET ASSY;5.2M3,SEG EDGE
3Артикул: 230104-00541C, BUCKET ASSY;5.2M3,SEG EDGE
Подробнее >
5631 BUCKET - 5.2гЋҐ TOOTH(SEGMENT EDGE) [10121~]

5631 BUCKET - 5.2гЋҐ TOOTH(SEGMENT EDGE) [10121~]

1Артикул: 230104-00541H, BUCKET ASSY;5.2M3 SEG
2Артикул: -, BUCKET,WELD;5.0M3
3Артикул: 430203-00059A, ADAPTER,TOOTH
Подробнее >
КРЕСЛО - МЕХАНИЧЕСКАЯ СИСТЕМА(ОБОГРЕВАТЕЛЬ)

КРЕСЛО - МЕХАНИЧЕСКАЯ СИСТЕМА(ОБОГРЕВАТЕЛЬ)

1Артикул: 220110-00050A, SEAT,OPERATOR
2Артикул: 220110-00051A, SEAT,OPERATOR
3Артикул: 250122-00204, PLATE,SUPPORT;SEAT(L.H)
Подробнее >
5450 SEAT - ELECTRIC STEERINGT(TLV) [10001~10071]

5450 SEAT - ELECTRIC STEERINGT(TLV) [10001~10071]

1Артикул: 220110-00041E, SEAT ASSY,OPERATER
2Артикул: 220110-00042B, SEAT,OPERATOR
3Артикул: 110406-01161C, BRACKET,SEAT;TLV(R.H)
Подробнее >
6090 AXLE & DRIVE SHAFT - HD [10076~]

6090 AXLE & DRIVE SHAFT - HD [10076~]

1Артикул: 190101-00419, AXLE & DRIVE SHAFT ASSY;HD; DHL
2Артикул: 190102-00114, AXLE,FRONT; DHL
3Артикул: 190102-00114A, AXLE,FRONT;DHL
Подробнее >
ПУЛЬТ УПРАВЛЕНИЯ-ТРИ РЫЧАГА(ЭЛЕКТРИКА)

ПУЛЬТ УПРАВЛЕНИЯ-ТРИ РЫЧАГА(ЭЛЕКТРИКА)

1Артикул: 101101-00118G, LEVER ASSY
2Артикул: 101101-00118H, LEVER ASSY
3Артикул: -, REST,ARM
Подробнее >
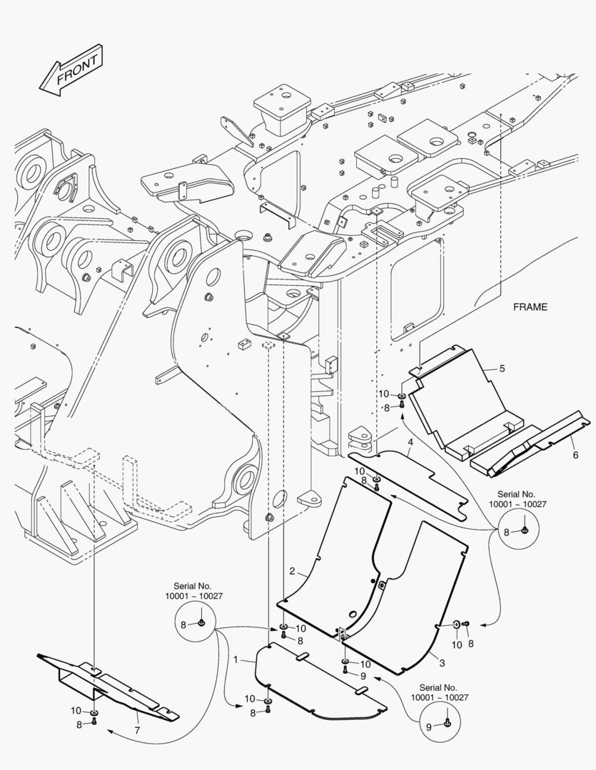
РЕШЕТКА РАДИАТОРА В СБОРЕ

РЕШЕТКА РАДИАТОРА В СБОРЕ

1Артикул: 110508-00328G, COVER ASSY,GRILL
2Артикул: 110508-00328H, COVER ASSY,GRILL
3Артикул: -, GRILL,RADIATOR
Подробнее >
ОБОГРЕВАТЕЛЬ В СБОРЕ

ОБОГРЕВАТЕЛЬ В СБОРЕ

1Артикул: 440207-00227, HEATER KIT
2Артикул: 440207-00122A, HEATER KIT;(220V)
Подробнее >
5360 SEAT

5360 SEAT

1Артикул: 220110-00034B, SEAT,OPERATOR
2Артикул: 220108-00010, REST,HEAD
3Артикул: 180304-00022, CUSHION;SEAT
Подробнее >
5240 FENDER & PROTECTOR - FULL

5240 FENDER & PROTECTOR - FULL

1Артикул: 180307-00457, FENDER ASSY,FULL;PROTECTOR
2Артикул: 180307-00211E, FENDER ASSY,FULL(L.H)
3Артикул: 180307-00212E, . FENDER,FULL(L.H)
Подробнее >
КОЛЕСА В СБОРЕ - 26.5x25-24PR

КОЛЕСА В СБОРЕ - 26.5x25-24PR

1Артикул: 900141-00328, WHEEL & TIRE ASSY
2Артикул: 101572-00021A, RIM ASSY
3Артикул: 2.422-00007, . VALVE
Подробнее >
6040 BAFFLE ASS`Y - TIER3 [10076~]

6040 BAFFLE ASS`Y - TIER3 [10076~]

1Артикул: 110502-01447, COVER ASSY,BAFFLE
2Артикул: 110502-01448, COVER,BAFFLE
3Артикул: 110502-01449, COVER,BAFFLE
Подробнее >
5670 BUCKET - 5.7гЋҐ CUTTING EDGE 3404mm(WC) [10001~10120]

5670 BUCKET - 5.7гЋҐ CUTTING EDGE 3404mm(WC) [10001~10120]

1Артикул: 230104-00931, BUCKET;5.7M3 CUT EDGE(WC)
2Артикул: 230104-00931A, BUCKET;5.7M3 CUT EDGE(WC)
3Артикул: 230104-00931B, BUCKET;5.7M3 CUT EDGE(WC)
Подробнее >
5641 BUCKET - 5.2гЋҐ CUTTING EDGE 3404mm [10121~]

5641 BUCKET - 5.2гЋҐ CUTTING EDGE 3404mm [10121~]

1Артикул: 230104-00539H, BUCKET ASSY;5.2M3 BOC
2Артикул: -, BUCKET,WELD;5.0M3
3Артикул: K1010836A, EDGE;CUTTING(CENTER)
Подробнее >
5311 STEERING PIPING - ELECTRIC [10051~]

5311 STEERING PIPING - ELECTRIC [10051~]

1Артикул: 420212-06457, PIPING,STEERING;ELEC
2Артикул: 410136-00020, VALVE,STEERING
3Артикул: 410136-00020A, VALVE,STEERING;ELEC
Подробнее >
5821 ELECTRIC PARTS - FRONT(ELEC) [10079~]

5821 ELECTRIC PARTS - FRONT(ELEC) [10079~]

1Артикул: 300619-01644, ELECTRIC ASSY
2Артикул: 310207-04197C, HARNESS,FRONT FRAME;ELEC MCV
3Артикул: K1001029, BOLT
Подробнее >
ОБРАТНАЯ ЛОПАТА В СБОРЕ (США)

ОБРАТНАЯ ЛОПАТА В СБОРЕ (США)

1Артикул: 620202-20032, RETURN TO DIG;EC
2Артикул: 301601-00001, TRANSDUCER;ANGLE SENSOR
3Артикул: 110452-00016A, BRACKET,HARNESS
Подробнее >
5131 PILOT PIPING - 3 SPOOL [10064~]

5131 PILOT PIPING - 3 SPOOL [10064~]

1Артикул: 420212-06463, PIPING,PILOT(3SP)
2Артикул: DS2415002, ADAPTER
3Артикул: DS0301032, NUT
Подробнее >
ЭЛЕКТРОННОЕ РУЛЕВОЕ УПРАВЛЕНИЕ

ЭЛЕКТРОННОЕ РУЛЕВОЕ УПРАВЛЕНИЕ

1Артикул: 300619-01653, ELECTRIC ASSY
2Артикул: 124-00208D2, CLIP
3Артикул: K1001029, BOLT
Подробнее >
КРЫЛО - ПРЕДОХРАНИТЕЛЬ

КРЫЛО - ПРЕДОХРАНИТЕЛЬ

1Артикул: 180307-00455, FENDER ASSY,REAR;PROTECTOR
2Артикул: 180307-00200, FENDER ASSY,FRONT(L.H)
3Артикул: 180307-00203, . FENDER,FRONT(L.H)
Подробнее >
5470 CONTROL UNIT

5470 CONTROL UNIT

1Артикул: 300609-00009B, CONTROL UNIT,ELECTRONIC
2Артикул: 300609-00009C, CONTROL UNIT,ELECTRONIC
3Артикул: 300609-00009E, CONTROL UNIT,ELECTRONIC
Подробнее >
6010 TMS - NA [10064~]

6010 TMS - NA [10064~]

1Артикул: 300619-03341, ELECTRIC ASSY,TMS1.5
2Артикул: 300619-03138, ELECTRIC ASSY
3Артикул: 300611-00901, . CONTROLLER
Подробнее >
5661 BUCKET - 5.4гЋҐ TOOTH 3404mm(WC) [10121~]

5661 BUCKET - 5.4гЋҐ TOOTH 3404mm(WC) [10121~]

1Артикул: 230104-00930G, BUCKET ASSY;5.4M3 BOT WC
2Артикул: -, BUCKET
3Артикул: 430203-00012, ADAPTER,TOOTH(WC)
Подробнее >
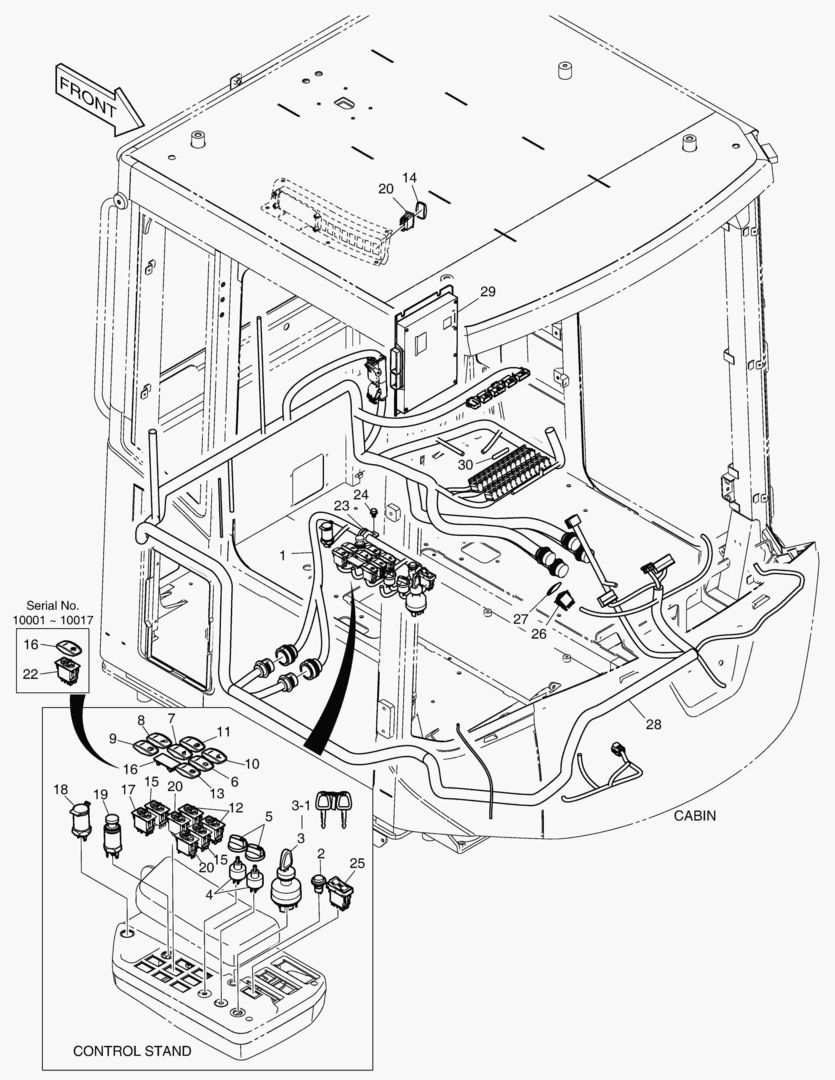
ЗАПЧАСТИ УПРАВЛЕНИЯ ЭЛЕКТРИКОЙ

ЗАПЧАСТИ УПРАВЛЕНИЯ ЭЛЕКТРИКОЙ

1Артикул: 300619-02174, ELEC ASSY;CABIN,HIGHTEMP
2Артикул: 300619-02174C, ELECTRIC ASSY,CABIN
3Артикул: 300619-02174E, ELECTRIC ASSY,CABIN;NON ELEC MCV
Подробнее >
КОЛЕСА В СБОРЕ - 29.5XR25XL4

КОЛЕСА В СБОРЕ - 29.5XR25XL4

1Артикул: 900141-00327, WHEEL & TIRE ASSY
2Артикул: 101572-00021A, RIM ASSY
3Артикул: 2.422-00007, . VALVE
Подробнее >
СИДЕНИЕ В СБОРЕ - TLV

СИДЕНИЕ В СБОРЕ - TLV

1Артикул: 220110-00036B, SEAT,OPERATOR
2Артикул: 180304-00025, CUSHION;SEAT
3Артикул: 220108-00010, REST,HEAD
Подробнее >
5161 PILOT PIPING - 2 SPOOL(3 LEVER) [10064~]

5161 PILOT PIPING - 2 SPOOL(3 LEVER) [10064~]

1Артикул: 420212-06486, PIPING,PILOT;3SP VALVE
2Артикул: DS2415002, ADAPTER
3Артикул: DS0301032, NUT
Подробнее >
5160 PILOT PIPING - 2 SPOOL(3 LEVER) [10001~10063]

5160 PILOT PIPING - 2 SPOOL(3 LEVER) [10001~10063]

1Артикул: 420212-06486, PIPING,PILOT;3SP VALVE
2Артикул: DS2415002, ADAPTER
3Артикул: DS0301032, NUT
Подробнее >
ТРУБОПРОВОД СЕРВОУПРАВЛЕНИЯ - 3 КАТУШКИ(ЭЛЕКТРИКА)

ТРУБОПРОВОД СЕРВОУПРАВЛЕНИЯ - 3 КАТУШКИ(ЭЛЕКТРИКА)

1Артикул: 420212-09118, PIPING,PILOT;ELEC_3SP
2Артикул: 250115-00059, PLATE,CONNECTING;ELEC
3Артикул: 250115-00059A, PLATE,CONNECTING;ELEC
Подробнее >
6050 RADIATOR GUARD - TIER3 [10076~]

6050 RADIATOR GUARD - TIER3 [10076~]

1Артикул: 110508-28617, COVER ASSY
2Артикул: 101569-00210, GUARD ASSY,RADIATOR
3Артикул: 101569-00210A, GUARD ASSY,RADIATOR
Подробнее >
5110 LOADER ARM ASS`Y - LONG BOOM [10001~10040]

5110 LOADER ARM ASS`Y - LONG BOOM [10001~10040]

1Артикул: 650102-00145, ATTACHMENT,FRONT;HIGH LIFT
2Артикул: 230203-00105B, ARM ASSY,LIFT;HIGH LIFT
3Артикул: 131002-00106, . BUSHING
Подробнее >
РЕКУЛИРУЮЩИЙ КЛАПАН ТРУБОПРОВОДА - 2 КАТУШКИ(ЭЛЕКТРИКА)

РЕКУЛИРУЮЩИЙ КЛАПАН ТРУБОПРОВОДА - 2 КАТУШКИ(ЭЛЕКТРИКА)

1Артикул: 420212-06460, PIPING,FRONT;2SP_ELEC
2Артикул: 410105-00302, VALVE,MAIN CONTROL;ELEC
3Артикул: 410105-01099, VALVE,MAIN CONTROL(ELEC)
Подробнее >
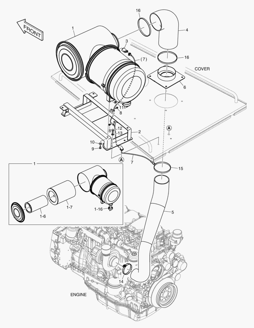
6100 AIR CLEANER ASS`Y - HEAVY DUTY [10085~]

6100 AIR CLEANER ASS`Y - HEAVY DUTY [10085~]

1Артикул: 400414-00662, CLEANER ASSY,AIR;HD
2Артикул: 400414-00663, CLEANER,AIR
3Артикул: K1053748, . ELEMENT,INNER
Подробнее >
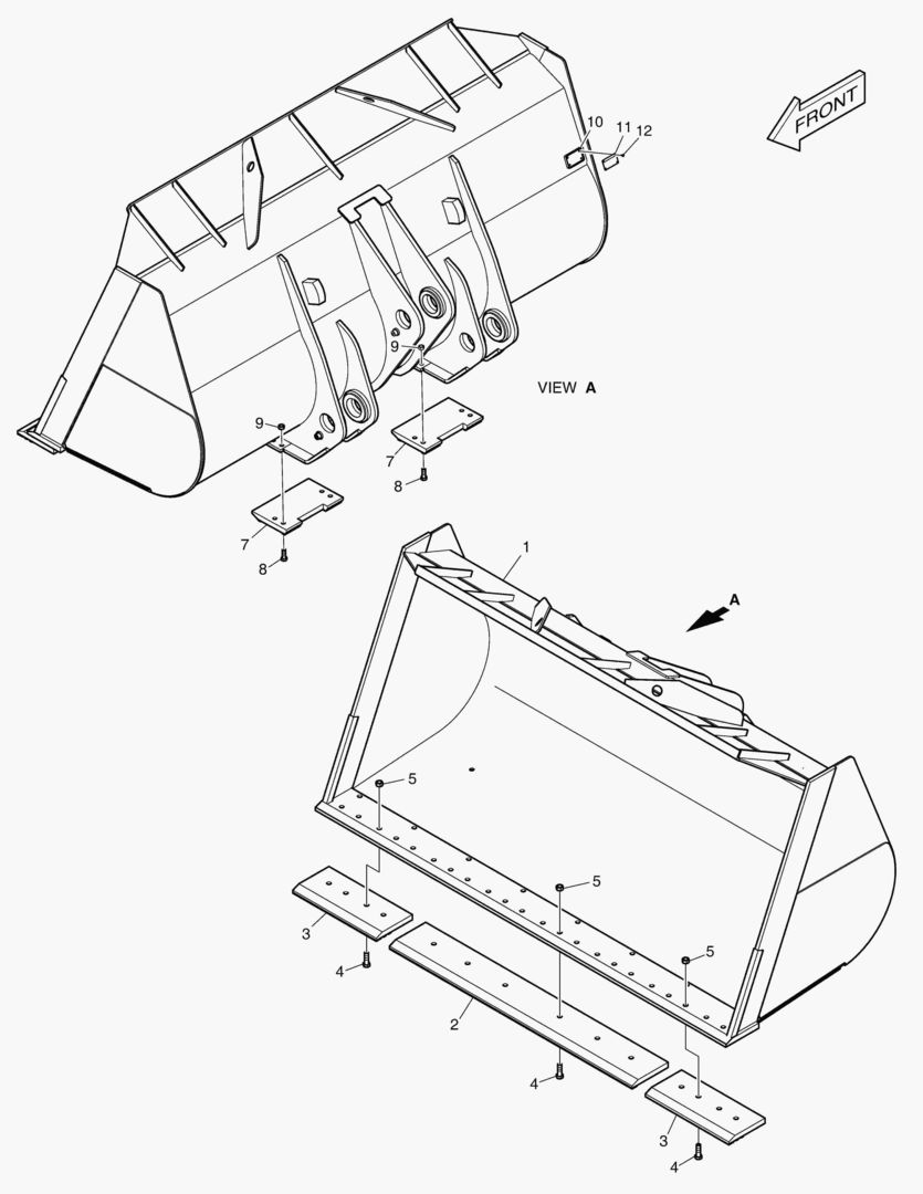
5940 BUCKET - 5.4гЋҐ TOOTH [10001~10078]

5940 BUCKET - 5.4гЋҐ TOOTH [10001~10078]

1Артикул: 230104-01653, BUCKET ASSY;5.4M3,MONO
2Артикул: 230104-01653A, BUCKET ASSY;5.4M3,MONO
3Артикул: 230104-01653B, BUCKET ASSY;5.4M3,MONO
Подробнее >
ПРОТИВОВЕС - ДОПОЛНИТЕЛЬНЫЙ

ПРОТИВОВЕС - ДОПОЛНИТЕЛЬНЫЙ

1Артикул: 160702-00253, WEIGHT ASSY;ADDITIONAL
2Артикул: 160702-00254A, WEIGHT,COUNTER;ADDITIONAL
3Артикул: K1004331, CAP
Подробнее >
РЕКУЛИРУЮЩИЙ КЛАПАН ТРУБОПРОВОДА - 3 КАТУШКИ(ЭЛЕКТРИКА)

РЕКУЛИРУЮЩИЙ КЛАПАН ТРУБОПРОВОДА - 3 КАТУШКИ(ЭЛЕКТРИКА)

1Артикул: 420212-06461, PIPING,FRONT;3SP_ELEC
2Артикул: 410105-00302, VALVE,MAIN CONTROL;ELEC
3Артикул: 410105-01099, VALVE,MAIN CONTROL(ELEC)
Подробнее >
ЭЛЕКТРИЧЕСКИЕ ЗАПЧАСТИ - КАБИНА(ЭЛЕКТРИКА 2SP)

ЭЛЕКТРИЧЕСКИЕ ЗАПЧАСТИ - КАБИНА(ЭЛЕКТРИКА 2SP)

1Артикул: 300619-01656A, ELECTRIC ASSY
2Артикул: 300619-01656C, ELECTRIC ASSY;ELEC MCV
3Артикул: 300619-01656G, ELECTRIC ASSY;ELEC MCV
Подробнее >
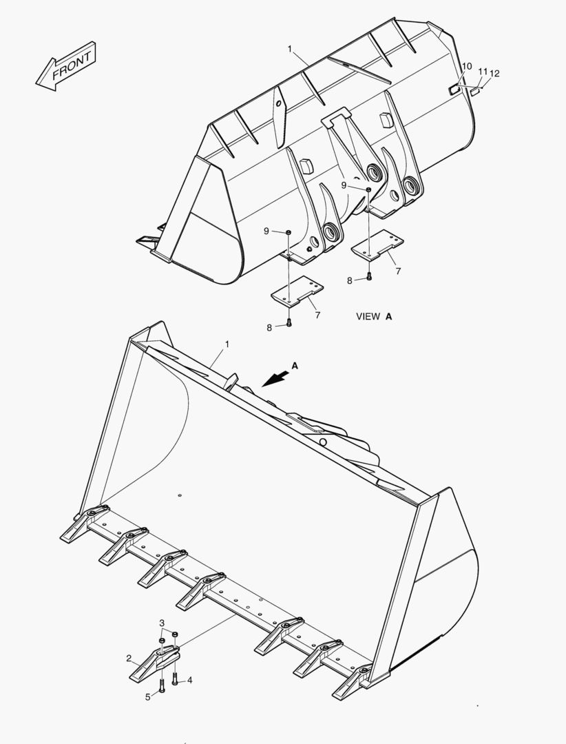
5941 BUCKET - 5.4гЋҐ TOOTH [10079~]

5941 BUCKET - 5.4гЋҐ TOOTH [10079~]

1Артикул: 230104-01653E, BUCKET ASSY;5.4M3 MONO
2Артикул: -, BUCKET,WELD;5.4M3
3Артикул: 4713-1130E, TOOTH
Подробнее >
6030 WHEEL CHOCK [10059~]

6030 WHEEL CHOCK [10059~]

1Артикул: 180307-00837, FENDER & LADDER ASSY
2Артикул: K1046074, CHOCK;WHEEL
3Артикул: K1046075, CASE;WHEEL CHOCK
Подробнее >
ПЕРЕКЛЮЧАТЕЛЬ LIS

ПЕРЕКЛЮЧАТЕЛЬ LIS

1Артикул: 300619-01346, ELECTRIC ASSY;LIS
2Артикул: 300619-01265, ELECTRIC ASSY;LIS(CABIN)
3Артикул: 301423-00039, SWITCH,ROCKER;LIS
Подробнее >
5610 BUCKET - 5.0гЋҐ TOOTH 3404mm [10001~10120]

5610 BUCKET - 5.0гЋҐ TOOTH 3404mm [10001~10120]

1Артикул: 230104-00537A, BUCKET ASSY;5.0M3,TOOTH
2Артикул: 230104-00537B, BUCKET ASSY;5.0M3,TOOTH
3Артикул: 230104-00537C, BUCKET ASSY;5.0M3,TOOTH
Подробнее >
СИДЕНИЕ В СБОРЕ - ОБОГРЕВАТЕЛЬ

СИДЕНИЕ В СБОРЕ - ОБОГРЕВАТЕЛЬ

1Артикул: 220110-00004B, SEAT,OPERATOR
2Артикул: 180304-00025, CUSHION;SEAT
3Артикул: 220108-00010, REST,HEAD
Подробнее >
СИСТЕМА ВИДЕОНАБЛЮДЕНИЯ В СБОРЕ

СИСТЕМА ВИДЕОНАБЛЮДЕНИЯ В СБОРЕ

1Артикул: 300619-01608, ELECTRIC ASSY
2Артикул: S5102503, WASHER
3Артикул: S5010513, WASHER
Подробнее >
ТРУБОПРОВОД СЕРВОУПРАВЛЕНИЯ - 3 КАТУШКИ

ТРУБОПРОВОД СЕРВОУПРАВЛЕНИЯ - 3 КАТУШКИ

1Артикул: 220101-01061, CABIN SUB ASSY;PILOT,3SP
2Артикул: 220101-01061A, CABIN SUB ASSY;PILOT,3SP
3Артикул: 410113-00156, VALVE ASSY,JOYSTICK
Подробнее >
ФИЛЬТР ШУМА- МОТОР СТЕКЛООЧИСТИТЕЛЯ

ФИЛЬТР ШУМА- МОТОР СТЕКЛООЧИСТИТЕЛЯ

1Артикул: K1011615, ELECTRIC NOISE FILTER
2Артикул: 530-00224, HARNESS;JOINT
3Артикул: 2471-6062, FILTER,NOISE(BLOWER)
Подробнее >
ЗЕРКАЛО - ЗАДНЕГО ВИДА

ЗЕРКАЛО - ЗАДНЕГО ВИДА

1Артикул: 101569-00125, GUARD ASSY,REAR MIRROR
2Артикул: 110910-00038A, CAP
3Артикул: K1013278, CAP
Подробнее >
6120 FLOOR MAT [10122~]

6120 FLOOR MAT [10122~]

1Артикул: 110935-00619, MAT,FLOOR(ELEC,LH BREAK PEDAL)
2Артикул: 110935-00620, MAT,FLOOR(HYD,LH BREAK PEDAL)
Подробнее >
5710 FUEL HEATER [10001~10065]

5710 FUEL HEATER [10001~10065]

1Артикул: K1056533, ELECTRIC ASSY;FUEL HEATER,CABIN
2Артикул: 549-00101, SWITCH
3Артикул: K1056653, ACTUATOR;FUEL HEATER
Подробнее >
5750 EXTINGUISHER [10001~10038]

5750 EXTINGUISHER [10001~10038]

1Артикул: 110406-02070, BRACKET ASSY;FIRE EXTING
2Артикул: 110420-00569, MOUNTING;FIRE EXTING
3Артикул: 110902-00149, BAND;VELCRO
Подробнее >
5530 TIRE & RIM ASS`Y

5530 TIRE & RIM ASS`Y

1Артикул: 900141-00322, WHEEL & TIRE ASSY
2Артикул: 101572-00021A, RIM ASSY
3Артикул: 2.422-00007, . VALVE
Подробнее >
5111 LOADER ARM ASS`Y - LONG BOOM [10041~]

5111 LOADER ARM ASS`Y - LONG BOOM [10041~]

1Артикул: 650102-00145, ATTACHMENT,FRONT;HIGH LIFT
2Артикул: 230203-00181A, ARM ASSY;HIGH LIFT
3Артикул: 230203-00181B, ARM ASSY,HIGH LIFT
Подробнее >
5920 ELECTRIC PARTS - BATTERY & REAR LAMP(CHINA) [10001~10078]

5920 ELECTRIC PARTS - BATTERY & REAR LAMP(CHINA) [10001~10078]

1Артикул: 300619-02126, ELECTRIC ASSY;CHINA
2Артикул: 300101-00050, BATTERY
3Артикул: 110406-00881B, BRACKET
Подробнее >
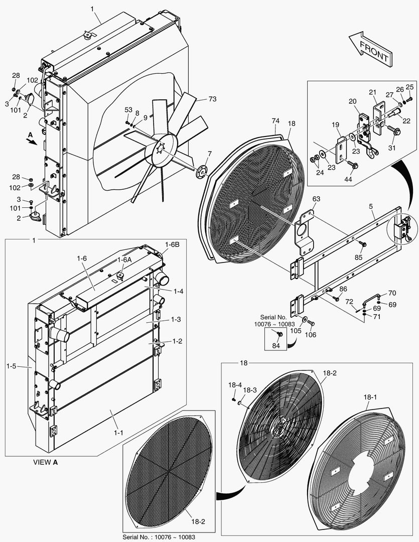
6060 FAN GUARD SWING - TIER3 [10076~]

6060 FAN GUARD SWING - TIER3 [10076~]

1Артикул: 420212-15768, PIPING,COOLER;ENGINE TIER3
2Артикул: 440211-00955, RADIATOR ASSY
3Артикул: 440211-00955A, RADIATOR ASSY;TIER3
Подробнее >
КРЫЛО - ПОЛНОСТЬЮ

КРЫЛО - ПОЛНОСТЬЮ

1Артикул: 180307-00456, FENDER ASSY,FULL
2Артикул: 180307-00248C, FENDER,FULL(L.H)
3Артикул: 180307-00249C, FENDER,FULL(R.H)
Подробнее >
5970 BUCKET - 5.7гЋҐ TOOTH(SEGMENT EDGE) [10001~10078]

5970 BUCKET - 5.7гЋҐ TOOTH(SEGMENT EDGE) [10001~10078]

1Артикул: 230104-01836, BUCKET ASSY;5.7M3 SEG EDGE
2Артикул: 230104-01836A, BUCKET ASSY;5.7M3 SEG EDGE
3Артикул: 230104-01836B, BUCKET ASSY;5.7M3 SEG 3404MM
Подробнее >
СИДЕНИЕ В СБОРЕ - МЕХАНИЧЕСКАЯ СИСТЕМА(ОБОГРЕВАТЕЛЬ)

СИДЕНИЕ В СБОРЕ - МЕХАНИЧЕСКАЯ СИСТЕМА(ОБОГРЕВАТЕЛЬ)

1Артикул: 220110-00051A, SEAT,OPERATOR
2Артикул: 220108-00009, REST,HEAD
3Артикул: 220106-00033, REST,ARM(L.H)
Подробнее >
5651 BUCKET - 4.5гЋҐ (V-TYPE) [10121~]

5651 BUCKET - 4.5гЋҐ (V-TYPE) [10121~]

1Артикул: 230115-00010G, BUCKET ASSY;4.5M3 ROCK
2Артикул: -, BUCKET
3Артикул: K1039299A, POINT,TOOTH
Подробнее >
5620 BUCKET - 5.0гЋҐ TOOTH 3404mm [10001~10120]

5620 BUCKET - 5.0гЋҐ TOOTH 3404mm [10001~10120]

1Артикул: 230104-00540A, BUCKET ASSY;5.0M3,MONO
2Артикул: 230104-00540B, BUCKET ASSY;5.0M3,MONO
3Артикул: 230104-00540C, BUCKET ASSY;5.0M3,MONO
Подробнее >
5780 TRANSMISSION - LOCK UP [10001~10130]

5780 TRANSMISSION - LOCK UP [10001~10130]

1Артикул: 130902-02096, TRANSMISSION ASSY
2Артикул: 130902-00049A, TRANSMISSION;5WG,LOCK-UP
3Артикул: 130902-02226, TRANSMISSION;LOCK-UP
Подробнее >
5550 TIRE & RIM ASS`Y

5550 TIRE & RIM ASS`Y

1Артикул: 900141-00324, WHEEL & TIRE ASSY
2Артикул: 101572-00021A, RIM ASSY
3Артикул: 2.422-00007, . VALVE
Подробнее >
5350 SEAT ASS`Y - AIR SUSPENSION

5350 SEAT ASS`Y - AIR SUSPENSION

1Артикул: 220110-00033B, SEAT ASSY,OPERATER
2Артикул: 220110-00034B, SEAT,OPERATOR
3Артикул: 2114-1898D2, WASHER
Подробнее >
ЭЛЕКТРИЧЕСКИЕ ЗАПЧАСТИ - ПРОВОДКА(ЭЛЕКТРИКА)

ЭЛЕКТРИЧЕСКИЕ ЗАПЧАСТИ - ПРОВОДКА(ЭЛЕКТРИКА)

1Артикул: 300619-01647, ELECTRIC ASSY
2Артикул: 310207-02043A, HARNESS,MAIN
3Артикул: 310207-02043B, HARNESS,MAIN
Подробнее >
6080 OIL COOLER PIPING - TIER3 [10076~]

6080 OIL COOLER PIPING - TIER3 [10076~]

1Артикул: 420212-15771, PIPING,OIL COOLER
2Артикул: 110420-00898, BRACKET
3Артикул: 110420-01332, BRACKET
Подробнее >
6150 TMS - CELLULAR & SATELLITE(V2.0) [10122~]

6150 TMS - CELLULAR & SATELLITE(V2.0) [10122~]

1Артикул: 300619-04506, ELECTRIC ASSY,TMS2.0
2Артикул: 2120-2166D6, BOLT
3Артикул: 2114-1898D3, WASHER
Подробнее >
5621 BUCKET - 5.0гЋҐ TOOTH 3404mm [10121~]

5621 BUCKET - 5.0гЋҐ TOOTH 3404mm [10121~]

1Артикул: 230104-00540H, BUCKET ASSY;5.0M3 MONO
2Артикул: -, BUCKET,WELD;5.0M3
3Артикул: 4713-1130E, TOOTH
Подробнее >
СИДЕНИЕ В СБОРЕ - ЭЛЕКТРОННОЕ РУЛЕВОЕ УПРАВЛЕНИЕ

СИДЕНИЕ В СБОРЕ - ЭЛЕКТРОННОЕ РУЛЕВОЕ УПРАВЛЕНИЕ

1Артикул: 220110-00040B, SEAT,OPERATOR
2Артикул: 180304-00024, CUSHION;BACK
3Артикул: 180304-00025, CUSHION;SEAT
Подробнее >
6070 OIL COOLER PIPING - TIER3 [10076~]

6070 OIL COOLER PIPING - TIER3 [10076~]

1Артикул: 420212-15768, PIPING,COOLER;ENGINE TIER3
2Артикул: S5102603, WASHER
3Артикул: 120804-00076, WASHER,HARD
Подробнее >
КОЛЕСА В СБОРЕ - 29.5XR25XL3

КОЛЕСА В СБОРЕ - 29.5XR25XL3

1Артикул: 900141-00329, WHEEL & TIRE ASSY
2Артикул: 101572-00021A, RIM ASSY
3Артикул: 2.422-00007, . VALVE
Подробнее >
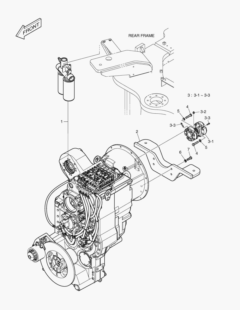
ТОПЛИВНЫЙ ФИЛЬТР - С ПОДОГРЕВАТЕЛЬНОЙ ЧАШЕЙ

ТОПЛИВНЫЙ ФИЛЬТР - С ПОДОГРЕВАТЕЛЬНОЙ ЧАШЕЙ

1Артикул: 400403-00149, FILTER ASSY,FUEL;BOWL HEATER
2Артикул: 400403-00074, FILTER,FUEL;WITH SENSOR
3Артикул: 400403-00205, FILTER,FUEL;SENSOR
Подробнее >
5980 OIL COOLER PIPING [10064~10120]

5980 OIL COOLER PIPING [10064~10120]

1Артикул: 420212-13424, PIPING,OIL COOLER;BRAZIL
2Артикул: 110420-00898, BRACKET
3Артикул: 110420-01332, BRACKET
Подробнее >
5960 BUCKET - 5.7гЋҐ TOOTH(SEGMENT EDGE,WC) [10001~10078]

5960 BUCKET - 5.7гЋҐ TOOTH(SEGMENT EDGE,WC) [10001~10078]

1Артикул: 230104-01837, BUCKET;5.7M3 SEG EDGE(WC)
2Артикул: 230104-01837A, BUCKET;5.7M3 SEG EDGE(WC)
3Артикул: 230104-01837B, BUCKET;5.7M3 SEG EDGE(WC)
Подробнее >
АВАРИЙНОЕ РУЛЕВОЕ УПРАВЛЕНИЕ - ЭЛЕКТРИКА

АВАРИЙНОЕ РУЛЕВОЕ УПРАВЛЕНИЕ - ЭЛЕКТРИКА

1Артикул: K1056526, ELECTRIC ASSY,EMR STEER
2Артикул: 300619-04146, ELECTRIC ASSY;EMR STEE
3Артикул: K1056643, SWITCH
Подробнее >
5950 BRAKE PEDAL VALVE & STEER UNIT(OPT)

5950 BRAKE PEDAL VALVE & STEER UNIT(OPT)

1Артикул: 220101-01270, BRAKE PEDAL + STEER UNIT
2Артикул: 220101-01270A, BRAKE PEDAL + STEER UNIT
3Артикул: 220101-01270B, PIPING,CABIN;,BRAKE PEDAL;STEER UNIT
Подробнее >
5560 TIRE & RIM ASS`Y

5560 TIRE & RIM ASS`Y

1Артикул: 900141-00326, WHEEL & TIRE ASSY
2Артикул: 101572-00021A, RIM ASSY
3Артикул: 2.422-00007, . VALVE
Подробнее >
5611 BUCKET - 5.0гЋҐ TOOTH 3404mm [10121~]

5611 BUCKET - 5.0гЋҐ TOOTH 3404mm [10121~]

1Артикул: 230104-00537H, BUCKET ASSY;5.0M3 BOT
2Артикул: -, BUCKET,WELD;5.0M3
3Артикул: 430203-00059A, ADAPTER,TOOTH
Подробнее >
5130 PILOT PIPING - 3 SPOOL [10001~10063]

5130 PILOT PIPING - 3 SPOOL [10001~10063]

1Артикул: 420212-06463, PIPING,PILOT(3SP)
2Артикул: DS2415002, ADAPTER
3Артикул: DS0301032, NUT
Подробнее >
5510 TIRE & RIM ASS`Y

5510 TIRE & RIM ASS`Y

1Артикул: 900141-00320, WHEEL & TIRE ASSY
2Артикул: 101572-00021A, RIM ASSY
3Артикул: 2.422-00007, . VALVE
Подробнее >
5650 BUCKET - 4.5гЋҐ (V-TYPE) [10001~10120]

5650 BUCKET - 4.5гЋҐ (V-TYPE) [10001~10120]

1Артикул: 230115-00010A, BUCKET,V-TYPE;4.5M3,TOOTH
2Артикул: 230115-00010B, BUCKET,V-TYPE;4.5M3,TOOTH
3Артикул: 230115-00010C, BUCKET,V-TYPE;4.5M3,TOOTH
Подробнее >
5961 BUCKET - 5.7гЋҐ TOOTH(SEGMENT EDGE,WC) [10079~]

5961 BUCKET - 5.7гЋҐ TOOTH(SEGMENT EDGE,WC) [10079~]

1Артикул: 230104-01837C, BUCKET ASSY;5.7M3 SEG WC
2Артикул: -, BUCKET
3Артикул: 430203-00012, ADAPTER,TOOTH(WC)
Подробнее >
5280 AUDIO

5280 AUDIO

1Артикул: 300619-01046, ELECTRIC ASSY;RADIO
2Артикул: 300654-00009, STEREO,CAR;RADIO(24V)+USB
3Артикул: 300654-00068, STEREO,CAR
Подробнее >
6130 PEDAL VALVE - OPT. [10122~]

6130 PEDAL VALVE - OPT. [10122~]

1Артикул: 220101-01723, CABIN SUB ASSY;OPTION PEDAL
2Артикул: 136-00018C, ROD;BRAKE
3Артикул: 134-00008, PEDAL;BRAKE
Подробнее >
5460 SEAT ASS`Y - ELECTRIC STEERING(TLV) [10072~]

5460 SEAT ASS`Y - ELECTRIC STEERING(TLV) [10072~]

1Артикул: 220110-00042B, SEAT,OPERATOR
2Артикул: 180304-00025, CUSHION;SEAT
3Артикул: 220108-00010, REST,HEAD
Подробнее >
5820 ELECTRIC PARTS - FRONT(ELEC) [10001~10078]

5820 ELECTRIC PARTS - FRONT(ELEC) [10001~10078]

1Артикул: 300619-01644, ELECTRIC ASSY
2Артикул: 310207-01273B, HARNESS,FRONT FRAME
3Артикул: 310207-03337, HARNESS,FRONT FRAME
Подробнее >
КОВРИК НА ПОЛУ КУЗОВА(ЭЛЕКТРИКА)

КОВРИК НА ПОЛУ КУЗОВА(ЭЛЕКТРИКА)

1Артикул: 110935-00123E, MAT,FLOOR
2Артикул: 110935-00123G, MAT,FLOOR
3Артикул: 110935-00123H, MAT,FLOOR
Подробнее >
МОНТАЖ ДИЗЕЛЬНОГО НАГРЕВАТЕЛЯ

МОНТАЖ ДИЗЕЛЬНОГО НАГРЕВАТЕЛЯ

1Артикул: 440207-00228, HEATER ASSY
2Артикул: 110420-00287B, BRACKET,MOUNTING,HEATER
3Артикул: 440207-00082A, HEATER,DIESEL
Подробнее >
РЫЧАГ - 3 КАТУШКИ(ЭЛЕКТРИЧЕСКИЙ РЕГУЛИРУЮЩИЙ КЛАПАН)

РЫЧАГ - 3 КАТУШКИ(ЭЛЕКТРИЧЕСКИЙ РЕГУЛИРУЮЩИЙ КЛАПАН)

1Артикул: 220101-00058, PILOT(ELEC 3SP)
2Артикул: 101101-00007, LEVER;BOOM JOYSTICK
3Артикул: 101101-00008, LEVER;BUCKET JOYSTICK
Подробнее >
ОБТЕКАЕМАЯ ПОДКУЗОВНАЯ ПАНЕЛЬ - НЕДОСТУПНО

ОБТЕКАЕМАЯ ПОДКУЗОВНАЯ ПАНЕЛЬ - НЕДОСТУПНО

1Артикул: 110513-00590, COVER ASSY,UNDER;BELLY
2Артикул: 110513-00591, COVER,UNDER
3Артикул: 110513-00592, COVER,UNDER
Подробнее >
5660 BUCKET - 5.4гЋҐ TOOTH 3404mm(WC) [10001~10120]

5660 BUCKET - 5.4гЋҐ TOOTH 3404mm(WC) [10001~10120]

1Артикул: 230104-00930, BUCKET ASSY;5.4M3 TOOTH,WC
2Артикул: 230104-00930A, BUCKET ASSY;5.4M3 TOOTH,WC
3Артикул: 230104-00930B, BUCKET;5.4M3 TOOTH(WC)
Подробнее >
5600 BUCKET - 5.7гЋҐ CUTTING EDGE 3404mm [10001~10120]

5600 BUCKET - 5.7гЋҐ CUTTING EDGE 3404mm [10001~10120]

1Артикул: 230104-00388B, BUCKET ASSY;5.7M3,CUT EDGE
2Артикул: 230104-00388C, BUCKET ASSY;5.7M3,CUT EDGE
3Артикул: 230104-00388E, BUCKET ASSY;5.7M3,CUT EDGE
Подробнее >
5190 FUEL FILLER PUMP

5190 FUEL FILLER PUMP

1Артикул: 450103-00374, FUEL FILLER PUMP
2Артикул: 110906-00480A, BOX
3Артикул: 110906-00480B, BOX
Подробнее >
5740 WORKING LAMP

5740 WORKING LAMP

1Артикул: 301005-00684, LAMP ASSY,WORKING
2Артикул: 301005-01644, LAMP ASSY,WORKING;LED
3Артикул: 301005-00683, LAMP,WORKING
Подробнее >
РЫЧАГ - 2 КАТУШКИ(ЭЛЕКТРИЧЕСКИЙ РЕГУЛИРУЮЩИЙ КЛАПАН)

РЫЧАГ - 2 КАТУШКИ(ЭЛЕКТРИЧЕСКИЙ РЕГУЛИРУЮЩИЙ КЛАПАН)

1Артикул: 220101-00057, PILOT(ELEC 2SP)
2Артикул: 101101-00007, LEVER;BOOM JOYSTICK
3Артикул: 101101-00008, LEVER;BUCKET JOYSTICK
Подробнее >
5270 ROTATING BEACON

5270 ROTATING BEACON

1Артикул: 300705-00039C, BEACON ASSY,ROTATING
2Артикул: 300705-00039E, BEACON ASSY,ROTATING
3Артикул: 300705-00039G, BEACON ASSY,ROTATING
Подробнее >
5671 BUCKET - 5.7гЋҐ CUTTING EDGE 3404mm(WC) [10121~]

5671 BUCKET - 5.7гЋҐ CUTTING EDGE 3404mm(WC) [10121~]

1Артикул: 230104-00931G, BUCKET ASSY;5.7M3 BOC WC
2Артикул: -, BUCKET
3Артикул: 100902-00028, EDGE,CUTTING;CENTER(WC)
Подробнее >
5500 TIRE & RIM ASS`Y

5500 TIRE & RIM ASS`Y

1Артикул: 900141-00319, WHEEL & TIRE ASSY
2Артикул: 101572-00021A, RIM ASSY
3Артикул: 2.422-00007, . VALVE
Подробнее >
ОБТЕКАЕМАЯ ПОДКУЗОВНАЯ ПАНЕЛЬ - ЕВРОПА

ОБТЕКАЕМАЯ ПОДКУЗОВНАЯ ПАНЕЛЬ - ЕВРОПА

1Артикул: 110513-00249, COVER ASSY,UNDER
2Артикул: 110513-00252, COVER,UNDER
3Артикул: 110513-00253, COVER,UNDER
Подробнее >
ПУЛЬТ УПРАВЛЕНИЯ-ДВА РЫЧАГА(ЭЛЕКТРИКА)

ПУЛЬТ УПРАВЛЕНИЯ-ДВА РЫЧАГА(ЭЛЕКТРИКА)

1Артикул: 101101-00009G, LEVER ASSY
2Артикул: 101101-00009H, LEVER ASSY
3Артикул: -, REST,ARM
Подробнее >
5690 DIESEL HEATER

5690 DIESEL HEATER

1Артикул: 440207-00082A, HEATER,DIESEL
2Артикул: 440207-00019, HEATER,DIESEL
3Артикул: 400909-00056, PUMP,FUEL
Подробнее >
6000 TMS [10064~]

6000 TMS [10064~]

1Артикул: 300619-03342, ELECTRIC ASSY,TMS1.5
2Артикул: 300619-03139, ELECTRIC ASSY;TMS1.5
3Артикул: 300611-00902, . CONTROLLER;TMS1.5
Подробнее >
5520 TIRE & RIM ASS`Y

5520 TIRE & RIM ASS`Y

1Артикул: 900141-00321, WHEEL & TIRE ASSY
2Артикул: 101572-00021A, RIM ASSY
3Артикул: 2.422-00007, . VALVE
Подробнее >
ФИЛЬТР ШУМА- КОНДЕНСАТОР

ФИЛЬТР ШУМА- КОНДЕНСАТОР

1Артикул: K1011614A, ELECTRIC;NOISE FILTER
2Артикул: 2471-6062, FILTER,NOISE(BLOWER)
Подробнее >
СИСТЕМА ИЗОЛЯЦИИ НАГРУЗКИ

СИСТЕМА ИЗОЛЯЦИИ НАГРУЗКИ

1Артикул: 420212-06468, PIPING,LIS
2Артикул: 410147-00001, VALVE,LIS
3Артикул: 410147-00001A, VALVE,LIS
Подробнее >
5601 BUCKET - 5.7гЋҐ CUTTING EDGE 3404mm [10121~]

5601 BUCKET - 5.7гЋҐ CUTTING EDGE 3404mm [10121~]

1Артикул: 230104-00388K, BUCKET ASSY;5.7M3 BOC
2Артикул: -, BUCKET,WELD;5.4M3
3Артикул: K1010836A, EDGE;CUTTING(CENTER)
Подробнее >
6020 ELECTRIC ASS`Y - QUICK COUPLER [10064~]

6020 ELECTRIC ASS`Y - QUICK COUPLER [10064~]

1Артикул: 300619-01428, ELECTRIC ASSY;QUICK CLAMP
2Артикул: 301423-00041, SWITCH,QUICK CLAMP
Подробнее >
5310 STEERING PIPING - ELECTRIC [10001~10050]

5310 STEERING PIPING - ELECTRIC [10001~10050]

1Артикул: 420212-06457, PIPING,STEERING;ELEC
2Артикул: 410136-00020, VALVE,STEERING
3Артикул: K1017672, VALVE;PILOT
Подробнее >
КРЕСЛО - TLV

КРЕСЛО - TLV

1Артикул: 220110-00035E, SEAT ASSY,OPERATER;TLV
2Артикул: 220110-00036B, SEAT,OPERATOR
3Артикул: 110406-01161C, BRACKET,SEAT;TLV(R.H)
Подробнее >
БЫСТРОСЪЕМНАЯ МУФТА ТРУБОПРОВОДА

БЫСТРОСЪЕМНАЯ МУФТА ТРУБОПРОВОДА

1Артикул: 420212-13503, PIPING,FRONT,Q-COUPLER
2Артикул: 430215-01079, FLANGE,COVER
3Артикул: DS2232041, ADAPTER
Подробнее >
5640 BUCKET - 5.2гЋҐ CUTTING EDGE 3404mm [10001~10120]

5640 BUCKET - 5.2гЋҐ CUTTING EDGE 3404mm [10001~10120]

1Артикул: 230104-00539A, BUCKET ASSY;5.2M3,CUT EDGE
2Артикул: 230104-00539B, BUCKET ASSY;5.2M3,CUT EDGE
3Артикул: 230104-00539C, BUCKET ASSY;5.2M3,CUT EDGE
Подробнее >
6140 TMS - CELLULAR(V2.0) [10122~]

6140 TMS - CELLULAR(V2.0) [10122~]

1Артикул: 300619-04505, ELECTRIC ASSY,TMS2.0
2Артикул: 2120-2166D6, BOLT
3Артикул: 2114-1898D3, WASHER
Подробнее >
ЭЛЕКТРИКА В СБОРЕ- ЗАМОК ТРАНСМИССИИ

ЭЛЕКТРИКА В СБОРЕ- ЗАМОК ТРАНСМИССИИ

1Артикул: 300619-01173, ELECTRIC ASSY;T/M LOCK UP
2Артикул: 549-00101, SWITCH
3Артикул: 300701-00024, ACTUATOR,SWITCH;LOCK UP
Подробнее >
КРЕСЛО - ЭЛЕКТРОННОЕ РУЛЕВОЕ УПРАВЛЕНИЕ

КРЕСЛО - ЭЛЕКТРОННОЕ РУЛЕВОЕ УПРАВЛЕНИЕ

1Артикул: 220110-00039B, SEAT ASSY,OPERATER
2Артикул: 220110-00040B, SEAT,OPERATOR
3Артикул: 2114-1898D2, WASHER
Подробнее >
6110 CABLE - OPERATION MANUAL [10122~]

6110 CABLE - OPERATION MANUAL [10122~]

1Артикул: 310401-02622, CABLE ASSY;HAND BOOK
2Артикул: 310401-02620, CABLE ASSY;HAND BOOK
Подробнее >
КРЕСЛО - ОБОГРЕВАТЕЛЬ

КРЕСЛО - ОБОГРЕВАТЕЛЬ

1Артикул: 220110-00002B, SEAT,OPERATOR;AIR(HEATER)
2Артикул: 220110-00004B, SEAT,OPERATOR
3Артикул: 2114-1898D2, WASHER
Подробнее >
5290 EMERGENCY STEERING

5290 EMERGENCY STEERING

1Артикул: 420212-06470, PIPING,EMERGENCY STEER
2Артикул: K1053898, PUMP ASSY,EMR STEERING
3Артикул: 400917-00059, PUMP,STEERING;EMERGENCY
Подробнее >
ПУЛЬТ УПРАВЛЕНИЯ

ПУЛЬТ УПРАВЛЕНИЯ

1Артикул: 101101-00051B, LEVER ASSY;FINGER TIP
2Артикул: 101101-00051C, LEVER ASSY;FINGER TIP
3Артикул: 110508-00625E, COVER,LEVER;FINGER TIP
Подробнее >
ДЕФЛЕКТОР В СБОРЕ - ДИЗЕЛЬНЫЙ ОБОГРЕВАТЕЛЬ

ДЕФЛЕКТОР В СБОРЕ - ДИЗЕЛЬНЫЙ ОБОГРЕВАТЕЛЬ

1Артикул: 110502-00551, COVER ASSY,BAFFLE;DIESEL HEATER
2Артикул: 110406-01673, BRACKET;DIESEL HEATER
3Артикул: DS0025016, BOLT
Подробнее >
5921 ELECTRIC PARTS - BATTERY & REAR LAMP(CHINA) [10079~]

5921 ELECTRIC PARTS - BATTERY & REAR LAMP(CHINA) [10079~]

1Артикул: 300619-02126, ELECTRIC ASSY;CHINA
2Артикул: 300101-00050, BATTERY
3Артикул: 110406-00881B, BRACKET
Подробнее >
ТРУБОПРОВОД СЕРВОУПРАВЛЕНИЯ - ПАЛЕЦ + 3 КАТУШКИ

ТРУБОПРОВОД СЕРВОУПРАВЛЕНИЯ - ПАЛЕЦ + 3 КАТУШКИ

1Артикул: 220101-01062, CABIN SUB ASSY;PILOT(FT 3SP)
2Артикул: 220101-01062A, CABIN SUB ASSY;PILOT_FT 3SP
3Артикул: K1003144A, VALVE;JOY STICK
Подробнее >
РЕКУЛИРУЮЩИЙ КЛАПАН ТРУБОПРОВОДА - 3 КАТУШКИ

РЕКУЛИРУЮЩИЙ КЛАПАН ТРУБОПРОВОДА - 3 КАТУШКИ

1Артикул: 420212-06459, PIPING,FRONT;3SP
2Артикул: 410105-00142, VALVE,MAIN CONTROL
3Артикул: 410105-01097, VALVE,MAIN CONTROL
Подробнее >