+7 (701) 588 50 05 Телефон для связи
RU

WhatsApp

Позвонить

506 ЭКСКАВАТОР-ПОГРУЗЧИК в Алматы

ЭКСКАВАТОР-ПОГРУЗЧИК (СХЕМА ГИДРАВЛИЧЕСКОЙ СИСТЕМЫ) (406 631000101 - 10000) (506 631100101 - 10000)

ЭКСКАВАТОР-ПОГРУЗЧИК (СХЕМА ГИДРАВЛИЧЕСКОЙ СИСТЕМЫ) (406 631000101 - 10000) (506 631100101 - 10000)

1Артикул: 7246777, COUPLER, FF MALE See BTI433att - straight - Was 6674688 - A
2Артикул: 7246790, COUPLER, FF FEMALE See BTI433att - straight - Was 6672960 - A
3Артикул: VALVE, VALVE ASSY See Illustration BACKHOE/ B20440 See BTI390 NLA - Was 6678154 - A
Подробнее >
ЭКСКАВАТОР-ПОГРУЗЧИК (РЕГУЛИРУЮЩИЙ КЛАПАН) (406 631000101 - 10000) (506 631100101 - 10000)

ЭКСКАВАТОР-ПОГРУЗЧИК (РЕГУЛИРУЮЩИЙ КЛАПАН) (406 631000101 - 10000) (506 631100101 - 10000)

1Артикул: VALVE, VALVE ASSY See BTI390 NLA - Ref. 2-10 - Was 6678154 - A
2Артикул: INLET, INLET SECTION See BTI390 NLA - Was 6679584 - A
3Артикул: WORK, WORK SECTION See BTI390 NLA - Was 6679585 - A
Подробнее >
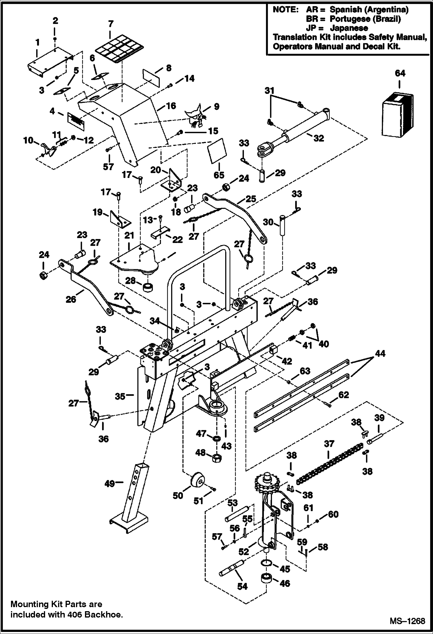
ЭКСКАВАТОР-ПОГРУЗЧИК (МОНТАЖНЫЙ КОМПЛЕКТ ДЛЯ ОБРАТНОЙ ЛОПАТЫ) (500 СЕРИИ ПОГРУЗЧИКА) (506)

ЭКСКАВАТОР-ПОГРУЗЧИК (МОНТАЖНЫЙ КОМПЛЕКТ ДЛЯ ОБРАТНОЙ ЛОПАТЫ) (500 СЕРИИ ПОГРУЗЧИКА) (506)

1Артикул: KIT, KIT SALES #6958100 - Ref. 2-10
2Артикул: 6596559, BAR lockout - tilt - W/Ref. 9
3Артикул: 6557887, PIN threaded
Подробнее >
ЭКСКАВАТОР-ПОГРУЗЧИК (ЦИЛИНДР ПОВОРОТА) (406 6310 И ВЫШЕ) (506 6311 И ВЫШЕ)

ЭКСКАВАТОР-ПОГРУЗЧИК (ЦИЛИНДР ПОВОРОТА) (406 6310 И ВЫШЕ) (506 6311 И ВЫШЕ)

1Артикул: 6686069, CYLINDER ASSY Ref. 2-14 - Columbus Hydraulics
2Артикул: 6673617, NUT Was 6684456 - A
3Артикул: 6687025, HEAD
Подробнее >
ЭКСКАВАТОР-ПОГРУЗЧИК (РЕГУЛИРУЮЩИЙ КЛАПАН) (406 631010001 И ВЫШЕ) (506 631110001 И ВЫШЕ)

ЭКСКАВАТОР-ПОГРУЗЧИК (РЕГУЛИРУЮЩИЙ КЛАПАН) (406 631010001 И ВЫШЕ) (506 631110001 И ВЫШЕ)

1Артикул: 7138760, VALVE ASSY Ref. 2-17 - Nimco
2Артикул: SPOOL, SPOOL NSS - Order Ref. 1 - Was 6693465 - A
3Артикул: SPOOL, SPOOL NSS - Order Ref. 1 - Was 6693466 - A
Подробнее >
ЭКСКАВАТОР-ПОГРУЗЧИК (РАМА ШАССИ) (406) (506)

ЭКСКАВАТОР-ПОГРУЗЧИК (РАМА ШАССИ) (406) (506)

1Артикул: 6906688, COVER
2Артикул: 7138744, BRACKET
3Артикул: 85D5, NUT 5
Подробнее >
ЭКСКАВАТОР-ПОГРУЗЧИК (СТРЕЛА В СБОРЕ) (406) (506)

ЭКСКАВАТОР-ПОГРУЗЧИК (СТРЕЛА В СБОРЕ) (406) (506)

1Артикул: 6554895, TUBE
2Артикул: ADAPTER, ADAPTER NLA - tapered boss face - Was 15KV00005B - A
3Артикул: 15KB0606, FITTING, HYD CONNECTOR flat boss face
Подробнее >
ЭКСКАВАТОР-ПОГРУЗЧИК (ЦИЛИНДР ПОВОРОТА) (406 6310 И НИЖЕ) (506 6311 И НИЖЕ)

ЭКСКАВАТОР-ПОГРУЗЧИК (ЦИЛИНДР ПОВОРОТА) (406 6310 И НИЖЕ) (506 6311 И НИЖЕ)

1Артикул: 6554890, CYLINDER
2Артикул: 10H35, FITTING, GREASE 10
3Артикул: CASE, CASE NLA
Подробнее >
ЭКСКАВАТОР-ПОГРУЗЧИК (КОВШ) (КРЕПЛЕНИЕ) (406) (506)

ЭКСКАВАТОР-ПОГРУЗЧИК (КОВШ) (КРЕПЛЕНИЕ) (406) (506)

1Артикул: BUCKET, BUCKET SALES #6715495 - 229 mm (9--)
2Артикул: BUCKET, BUCKET SALES #6715496 - 305 mm (12--)
3Артикул: BUCKET, BUCKET SALES #6715497 - 406 mm (16--)
Подробнее >
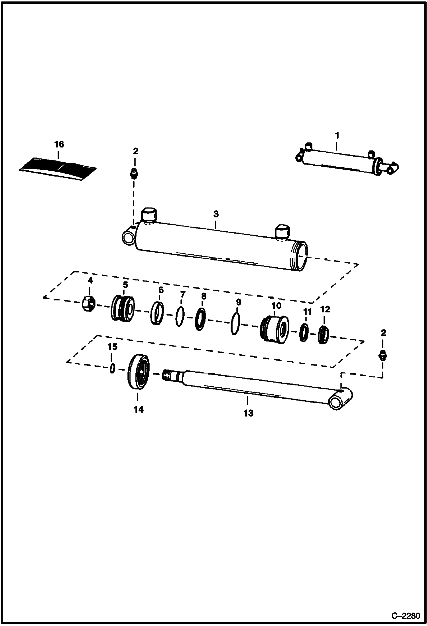
ЭКСКАВАТОР-ПОГРУЗЧИК (ЦИЛИНДР КОВША) (406 6310 И ВЫШЕ) (506 6311 И ВЫШЕ)

ЭКСКАВАТОР-ПОГРУЗЧИК (ЦИЛИНДР КОВША) (406 6310 И ВЫШЕ) (506 6311 И ВЫШЕ)

1Артикул: 6686071, CYLINDER ASSY W/Ref. 2-14
2Артикул: 6673617, NUT Was 6684456 - A
3Артикул: 6687031, HEAD
Подробнее >
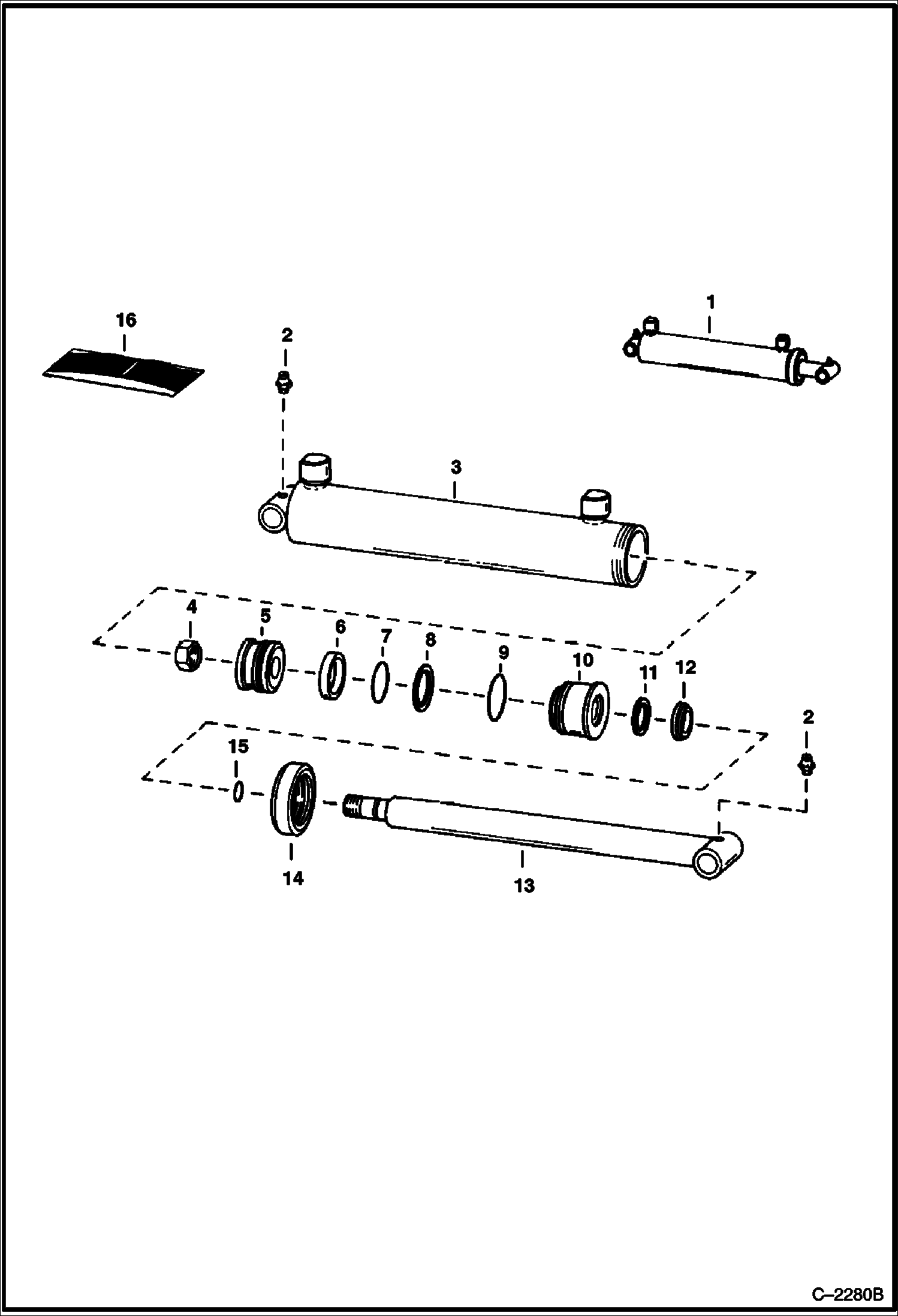
ЭКСКАВАТОР-ПОГРУЗЧИК (ГИДРОЦИЛИНДР ЧЕРПАКА) (406 6310 И НИЖЕ) (506 6311 И НИЖЕ)

ЭКСКАВАТОР-ПОГРУЗЧИК (ГИДРОЦИЛИНДР ЧЕРПАКА) (406 6310 И НИЖЕ) (506 6311 И НИЖЕ)

1Артикул: 6554896, CYLINDER
2Артикул: 10H35, FITTING, GREASE 10
3Артикул: CASE, CASE NLA
Подробнее >
ЭКСКАВАТОР-ПОГРУЗЧИК (ГИДРОЦИЛИНДР ЧЕРПАКА) (406 6310 И ВЫШЕ) (506 6311 И ВЫШЕ)

ЭКСКАВАТОР-ПОГРУЗЧИК (ГИДРОЦИЛИНДР ЧЕРПАКА) (406 6310 И ВЫШЕ) (506 6311 И ВЫШЕ)

1Артикул: 6686072, CYLINDER ASSY Ref. 2-14 - Columbus Hydraulics
2Артикул: 6673617, NUT Was 6684456 - A
3Артикул: 6687025, HEAD
Подробнее >
ЭКСКАВАТОР-ПОГРУЗЧИК (СХЕМА ГИДРАВЛИЧЕСКОЙ СИСТЕМЫ) (406 631010001 И ВЫШЕ) (506 631110001 И ВЫШЕ)

ЭКСКАВАТОР-ПОГРУЗЧИК (СХЕМА ГИДРАВЛИЧЕСКОЙ СИСТЕМЫ) (406 631010001 И ВЫШЕ) (506 631110001 И ВЫШЕ)

1Артикул: 7246777, COUPLER, FF MALE See BTI433att - straight - Was 6674688 - A
2Артикул: 7246790, COUPLER, FF FEMALE See BTI433att - straight - Was 6672960 - A
3Артикул: 7138760, VALVE ASSY See Illustration BACKHOE/ MS2414
Подробнее >
ЭКСКАВАТОР-ПОГРУЗЧИК (ЦИЛИНДР СТРЕЛЫ) (406 6310 И ВЫШЕ) (506 6311 И ВЫШЕ)

ЭКСКАВАТОР-ПОГРУЗЧИК (ЦИЛИНДР СТРЕЛЫ) (406 6310 И ВЫШЕ) (506 6311 И ВЫШЕ)

1Артикул: 6686070, CYLINDER ASSY Ref. 2-14 - Columbus Hydraulics
2Артикул: 6673617, NUT Was 6684456 - A
3Артикул: 6687031, HEAD
Подробнее >
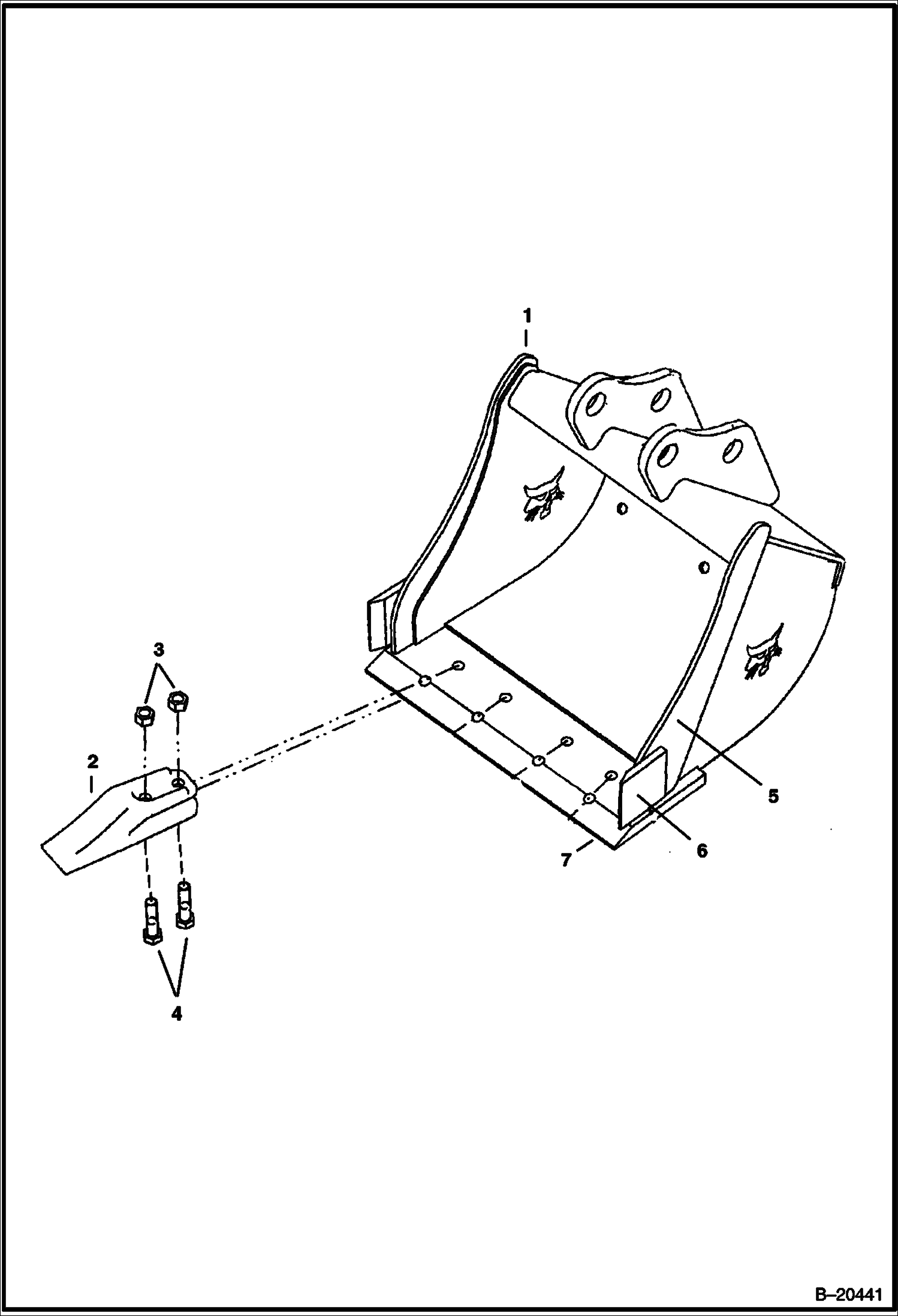
ЭКСКАВАТОР-ПОГРУЗЧИК (ЧЕРПАК В СБОРЕ) (406) (506)

ЭКСКАВАТОР-ПОГРУЗЧИК (ЧЕРПАК В СБОРЕ) (406) (506)

1Артикул: 6906705, DECAL 406 (shown)
2Артикул: 6906914, DECAL 506
3Артикул: 6554902, PIN
Подробнее >
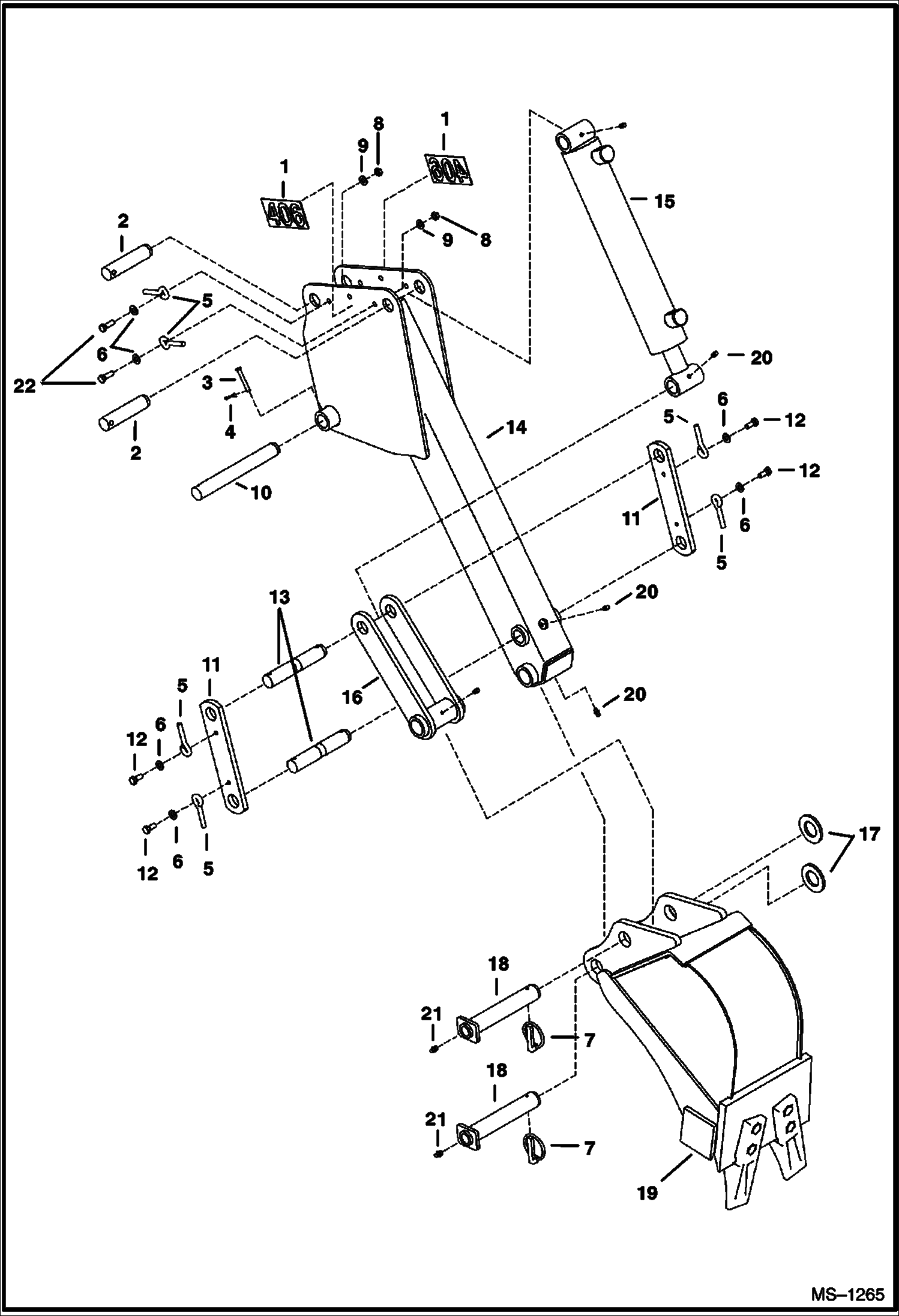
ЭКСКАВАТОР-ПОГРУЗЧИК (МОНТАЖНЫЙ КОМПЛЕКТ ДЛЯ ОБРАТНОЙ ЛОПАТЫ) (463 СЕРИИ ПОГРУЗЧИКА) (506)

ЭКСКАВАТОР-ПОГРУЗЧИК (МОНТАЖНЫЙ КОМПЛЕКТ ДЛЯ ОБРАТНОЙ ЛОПАТЫ) (463 СЕРИИ ПОГРУЗЧИКА) (506)

1Артикул: KIT, KIT SALES #6958101 - Ref. 2-8
2Артикул: 6557920, PIN
3Артикул: 6906312, BAR lockout - W/Ref. 7
Подробнее >
ЭКСКАВАТОР-ПОГРУЗЧИК (ЦИЛИНДР СТРЕЛЫ) (406 6310 И НИЖЕ) (506 6311 И НИЖЕ)

ЭКСКАВАТОР-ПОГРУЗЧИК (ЦИЛИНДР СТРЕЛЫ) (406 6310 И НИЖЕ) (506 6311 И НИЖЕ)

1Артикул: 6554898, CYLINDER
2Артикул: 10H35, FITTING, GREASE 10
3Артикул: CASE, CASE NLA
Подробнее >
ЭКСКАВАТОР-ПОГРУЗЧИК (МОНТАЖНЫЙ КОМПЛЕКТ ДЛЯ ОБРАТНОЙ ЛОПАТЫ) (506)

ЭКСКАВАТОР-ПОГРУЗЧИК (МОНТАЖНЫЙ КОМПЛЕКТ ДЛЯ ОБРАТНОЙ ЛОПАТЫ) (506)

1Артикул: 7141973, KIT BACKHOE MTG S100 Ref. 2-14 - Was SALES
2Артикул: 6557887, PIN threaded
3Артикул: 6557920, PIN
Подробнее >
ЭКСКАВАТОР-ПОГРУЗЧИК (ЦИЛИНДР КОВША) (406 6310 И НИЖЕ) (506 6311 И НИЖЕ)

ЭКСКАВАТОР-ПОГРУЗЧИК (ЦИЛИНДР КОВША) (406 6310 И НИЖЕ) (506 6311 И НИЖЕ)

1Артикул: 6554904, CYLINDER
2Артикул: 10H35, FITTING, GREASE 10
3Артикул: CASE, CASE NLA
Подробнее >