+7 (701) 588 50 05 Телефон для связи
RU

WhatsApp

Позвонить

60 ОПЦИОННЫЕ ЗАПЧАСТИ в Алматы

ГИДРОСИСТЕМА РУКОЯТИ - БЫСТРАЯ ПОСАДКА(РУКОЯТЬ 2.85 м)

ГИДРОСИСТЕМА РУКОЯТИ - БЫСТРАЯ ПОСАДКА(РУКОЯТЬ 2.85 м)

1Артикул: 420212-14220, PIPING,ARM;QUICK COUPLER;2.85M
2Артикул: K1054264, PIPE
3Артикул: K1054265, PIPE
Подробнее >
6332 TRACK SHOE ASS`Y - 800G [5646~]

6332 TRACK SHOE ASS`Y - 800G [5646~]

1Артикул: 200106-00012, SHOE ASSY,TRACK
2Артикул: 200106-00141A, SHOE ASSY,TRACK;800MM
3Артикул: 200106-00141B, SHOE ASSY,TRACK;800MM
Подробнее >
ТРУБОПРОВОД СЕРВОУПРАВЛЕНИЯ(1)-ВРАЩАЮЩИЙСЯ

ТРУБОПРОВОД СЕРВОУПРАВЛЕНИЯ(1)-ВРАЩАЮЩИЙСЯ

1Артикул: 400-01429E, PILOT PIPING-ROTATING
2Артикул: 420212-10044, PIPING,PILOT,ROTATING
3Артикул: 426-00247B, VALVE,SOLENOID
Подробнее >
УСТАНОВКА СИДЕНЬЯ - СИСТЕМА ЗАЩИТЫ ПРИ ОПРОКИДЫВАНИИ

УСТАНОВКА СИДЕНЬЯ - СИСТЕМА ЗАЩИТЫ ПРИ ОПРОКИДЫВАНИИ

1Артикул: 220110-00016C, SEAT ASSY,OPERATER
2Артикул: 220110-00016E, SEAT ASSY,OPERATER
3Артикул: 220110-00029C, SEAT,OPERATOR
Подробнее >
7100 BUCKET ASS`Y - 1.5mВі(S.H TYPE) [5001~7100]

7100 BUCKET ASS`Y - 1.5mВі(S.H TYPE) [5001~7100]

1Артикул: 230104-01707, BUCKET ASSY;1.5M3;S.H
2Артикул: 230104-01708B, BUCKET SUB ASS`Y-1.05mВі(S.H)
3Артикул: 230104-01708C, BUCKET ASSY;1.5M3
Подробнее >
6400 TRACK SHOE-600G(DOUBLE GROUSER) [5001~5065]

6400 TRACK SHOE-600G(DOUBLE GROUSER) [5001~5065]

1Артикул: K1009091A, TRACK SHOE-600G
2Артикул: K1008767, TRACK SHOE ASS`Y
3Артикул: K1008807, . TRACK LINK ASS`Y
Подробнее >
7640 TELESCOPIC BEACON - ROPS [5001~7674]

7640 TELESCOPIC BEACON - ROPS [5001~7674]

1Артикул: 300619-02730, TELESCOPIC BEACON ASSY
2Артикул: 110429-00002B, BRACKET,LAMP;REAR
3Артикул: 2120-2166D11, BOLT
Подробнее >
КАБИНА С НИЗКИМ ЗАЩИТНЫМ ОГРАЖДЕНИЯ - СИСТЕМА ЗАЩИТЫ ПРИ ОПРОКИДЫВАНИИ

КАБИНА С НИЗКИМ ЗАЩИТНЫМ ОГРАЖДЕНИЯ - СИСТЕМА ЗАЩИТЫ ПРИ ОПРОКИДЫВАНИИ

1Артикул: 110921-00053A, GUARD ASSY,LOWER
2Артикул: 110921-00055A, GUARD,FRONT WINDOW
3Артикул: 2114-1898D17, WASHER
Подробнее >
7910 AIRCONDITIONER(2) - HEATER [7706~]

7910 AIRCONDITIONER(2) - HEATER [7706~]

1Артикул: 440213-01031, VENTILATION ASSY
2Артикул: 124-00208D9, CLIP
3Артикул: 547-00024A, SENSOR
Подробнее >
ГИДРОСИСТЕМА РУКОЯТИ - РУКОЯТЬ 2.85 м

ГИДРОСИСТЕМА РУКОЯТИ - РУКОЯТЬ 2.85 м

1Артикул: 420212-09762, PIPING,ARM;2.85M
2Артикул: 400310-00336E, CYLINDER,BUCKET
3Артикул: 2184-1100D177, HOSE PF1-1320L
Подробнее >
7210 BUCKET ASSВґY - 1.57mВі - S CLASS

7210 BUCKET ASSВґY - 1.57mВі - S CLASS

1Артикул: 230104-02009, BUCKET ASSY;1.57M3
2Артикул: 230104-02009A, BUCKET ASSY
3Артикул: 230104-02318, BUCKET ASSY;1.57M3 R2S
Подробнее >
6750 TRAVEL ALARM

6750 TRAVEL ALARM

1Артикул: K1045895, ALARM ASSY,TRAVEL
2Артикул: 516-00011, BUZZER
3Артикул: S0508653, BOLT M8X1.25X16
Подробнее >
РАБОЧАЯ ФАРА-ЗАДНИЙ

РАБОЧАЯ ФАРА-ЗАДНИЙ

1Артикул: 500-00304, WORKING LAMP-REAR LAMP
2Артикул: 300619-04494, WORKING;REAR LAMP
3Артикул: 530-00431, HARNESS;REAR LAMP
Подробнее >
6850 CD PLAYER [5001~7662]

6850 CD PLAYER [5001~7662]

1Артикул: K1007416, CD PLAYER
2Артикул: 300637-00012, PLAYER,CD;24V(USB)
3Артикул: K1000982, CD PLAYER
Подробнее >
ЗАЩИТНЫЙ КОРПУС ПРОТИВОТУМАННЫХ ФАР - СИСТЕМА ЗАЩИТЫ ПРИ ОПРОКИДЫВАНИИ

ЗАЩИТНЫЙ КОРПУС ПРОТИВОТУМАННЫХ ФАР - СИСТЕМА ЗАЩИТЫ ПРИ ОПРОКИДЫВАНИИ

1Артикул: 110921-00008K, GUARD ASSY;OPG
2Артикул: 110921-00008L, GUARD ASSY
3Артикул: 110921-00003H, GUARD ASSY;OPG(TOP)
Подробнее >
6240 BOOM PIPING - QUICK CLAMP

6240 BOOM PIPING - QUICK CLAMP

1Артикул: 400-01377A, BOOM PIPING (QUICK CLAMP)
2Артикул: 420212-11598, PIPING,BOOM(QUICK CLAMP)
3Артикул: DS2053828, HOSE
Подробнее >
ПРОБЛЕСКОВЫЙ МАЯЧОК-С ПРОТИВОТУМАННЫМИ ФАРАМИ

ПРОБЛЕСКОВЫЙ МАЯЧОК-С ПРОТИВОТУМАННЫМИ ФАРАМИ

1Артикул: 300705-00014A, BEACON ASSY,ROTATING;6 LAMP
2Артикул: 300705-00014B, BEACON ASSY,ROTATING
3Артикул: 300705-00014C, BEACON ASSY
Подробнее >
6920 BUCKET ASS`Y - 0.64mВі

6920 BUCKET ASS`Y - 0.64mВі

1Артикул: K1007639E, BUCKET ASS`Y- 0.64гЋҐ
2Артикул: 230104-01202, BUCKET ASS`Y-0.64гЋҐ
3Артикул: 230104-01202A, BUCKET ASSY
Подробнее >
6190 FLOOR MAT - TWO WAY OR OEP

6190 FLOOR MAT - TWO WAY OR OEP

1Артикул: 110935-00083, MAT;FLOOR
2Артикул: 110935-00276, MAT,FLOOR
3Артикул: 110935-00276A, MAT,FLOOR
Подробнее >
ГИДРОСИСТЕМА РУКОЯТИ - РУКОЯТЬ 2.5 м

ГИДРОСИСТЕМА РУКОЯТИ - РУКОЯТЬ 2.5 м

1Артикул: K1007677B, ARM PIPING-2.5m
2Артикул: 420212-09761, PIPING,ARM;2.5M
3Артикул: K1007679B, BUCKET CYLINDER
Подробнее >
7325 HEATER COVER - ROPS(DIESEL HEATER) [7614~]

7325 HEATER COVER - ROPS(DIESEL HEATER) [7614~]

1Артикул: 250120-00213A, PLATE ASSY,REAR
2Артикул: 250120-00214A, PLATE,REAR
3Артикул: 2120-2166D25, BOLT
Подробнее >
6791 ROTATING BEACON WITH 6 LAMP [7761~]

6791 ROTATING BEACON WITH 6 LAMP [7761~]

1Артикул: 300619-04455, ROTATING BEACON ASSY;6LAMP
2Артикул: 300619-04455A, BEACON ASSY,ROTATING
3Артикул: S5010513, WASHER
Подробнее >
6690 BUCKET ASS`Y - 1.07mВі(42`) - SIDE PIN [5001~7251]

6690 BUCKET ASS`Y - 1.07mВі(42`) - SIDE PIN [5001~7251]

1Артикул: K1012540B, BUCKET ASS`Y
2Артикул: 230104-00575, BUCKET ASSY
3Артикул: K1012541A, BUCKET SUB ASS`Y-1.07гЋҐ
Подробнее >
6200 BOOM PIPING - ONE & TWO WAY

6200 BOOM PIPING - ONE & TWO WAY

1Артикул: 400-01321B, BOOM PIPING(ONE&TWO WAY)
2Артикул: 420212-05344, PIPING,BOOM(ONE & TWO WAY)
3Артикул: 140-01481E, PIPE
Подробнее >
7081 PILOT PIPING - TWO PUMP(ONE or TWO WAY) [6685~7577]

7081 PILOT PIPING - TWO PUMP(ONE or TWO WAY) [6685~7577]

1Артикул: 420212-01045, PIPING,PILOT(TWO WAY)
2Артикул: 410116-00526, VALVE,EPPR
3Артикул: 410116-00646, . VALVE
Подробнее >
7080 PILOT PIPING - TWO PUMP(ONE or TWO WAY) [5001~6684]

7080 PILOT PIPING - TWO PUMP(ONE or TWO WAY) [5001~6684]

1Артикул: 420212-01045, PIPING,PILOT(TWO WAY)
2Артикул: 426-00266, VALVE;EPPR
3Артикул: 410116-00526, VALVE,EPPR
Подробнее >
РАБОЧАЯ ФАРА(4-ЛАМПЫ)

РАБОЧАЯ ФАРА(4-ЛАМПЫ)

1Артикул: K1007404A, WORKING LAMP
2Артикул: 301005-01097, LAMP ASSY,ADDITIONAL WORKING
3Артикул: 301005-01097B, LAMP ASSY;ADDITIONAL WORKING
Подробнее >
6380 UNDER COVER - HEAVY DUTY [5001~7662]

6380 UNDER COVER - HEAVY DUTY [5001~7662]

1Артикул: 110513-00188, COVER ASSY,UNDER;HD
2Артикул: K1008952A, COVER;UNDER
3Артикул: K1008953, COVER;UNDER
Подробнее >
7140 BUCKET ASSВґY - 1.60mВі - H CLASS

7140 BUCKET ASSВґY - 1.60mВі - H CLASS

1Артикул: 230104-01744, BUCKET ASSY;1.60M3(R2H)
2Артикул: 230104-01744A, BUCKET ASSY;1.60M3 R2H
3Артикул: 230104-01744B, BUCKET ASSY
Подробнее >
2 ТРУБОПРОВОДА - С ФИЛЬТРОМ

2 ТРУБОПРОВОДА - С ФИЛЬТРОМ

1Артикул: K1003477, TWO WAY PIPING-WITHFILTER
2Артикул: 420212-05094, PIPING,BREAKER FILTER;2-WAY
3Артикул: DS2011330, HOSE
Подробнее >
ИЗМЕНЕНИЯ РЕЖИМА ТРУБОПРОВОДА(1)

ИЗМЕНЕНИЯ РЕЖИМА ТРУБОПРОВОДА(1)

1Артикул: K1016271, PATTERN CHANGE PIPING
2Артикул: 420212-13204, PIPING,PILOT;PATTERN CHANGE
3Артикул: K1014874, VALVE
Подробнее >
6270 RAIN SHIELD & LAMP MOUNTING

6270 RAIN SHIELD & LAMP MOUNTING

1Артикул: 534-00117B, RAIN SHIELD & LAMP ASS`Y
2Артикул: 159-00294C, COVER;RAIN SHIELD
3Артикул: 162-00040A, STRIP;WEATHER(1000mm)
Подробнее >
ЗВУКОВОСПРОИЗВОДЯЩАЯ АППАРАТУРА - СИСТЕМА ЗАЩИТЫ ПРИ ОПРОКИДЫВАНИИ

ЗВУКОВОСПРОИЗВОДЯЩАЯ АППАРАТУРА - СИСТЕМА ЗАЩИТЫ ПРИ ОПРОКИДЫВАНИИ

1Артикул: 300619-01031, ELECTRIC ASSY;RADIO, USB
2Артикул: 300619-01031A, ELECTRIC ASSY
3Артикул: 300654-00009, STEREO,CAR;RADIO(24V)+USB
Подробнее >
7610 ROTATING BEACON - WITH LAMP(ROPS)

7610 ROTATING BEACON - WITH LAMP(ROPS)

1Артикул: 300619-00080E, ROTATING BEACON ASSY
2Артикул: 300619-00080G, BEACON ASSY,ROTATING;EXP;6 LAMP W/O GUAR
3Артикул: 300619-00080H, BEACON ASSY,ROTATING
Подробнее >
6701 BUCKET ASS`Y - 1.27mВі(48`) - SIDE PIN [7252~7801]

6701 BUCKET ASS`Y - 1.27mВі(48`) - SIDE PIN [7252~7801]

1Артикул: 230104-00597, BUCKET ASSY
2Артикул: 230104-00598C, BUCKET;SUB ASS`Y
3Артикул: K1012546, . BUCKET;WITH TOOTH-1.27mВі
Подробнее >
КРОНШТЕЙН ПРОБЛЕСКОВОГО МАЯЧКА

КРОНШТЕЙН ПРОБЛЕСКОВОГО МАЯЧКА

1Артикул: K1007408, ROTATING BEACON MOUNTING
2Артикул: 300619-02741, BEACON ASSY,ROTATING;W/O 6 LAMP
3Артикул: 300619-02727A, BEACON ASSY,ROTATING;W/O 6 LAMP
Подробнее >
НИЖНЕЕ ОГРАЖДЕНИЕ КАБИНЫ

НИЖНЕЕ ОГРАЖДЕНИЕ КАБИНЫ

1Артикул: 623-00086, GUARD,FRONT LOWER
2Артикул: 623-00085A, GUARD,FRONT LOWER
3Артикул: 2114-1898D17, WASHER
Подробнее >
КРЫШКА ОБОГРЕВАТЕЛЯ - СИСТЕМА ЗАЩИТЫ ПРИ ОПРОКИДЫВАНИИ

КРЫШКА ОБОГРЕВАТЕЛЯ - СИСТЕМА ЗАЩИТЫ ПРИ ОПРОКИДЫВАНИИ

1Артикул: 220204-00290E, COVER ASSY,REAR
2Артикул: 220204-00290G, COVER ASSY,CABIN;REAR
3Артикул: 220204-00290H, COVER ASSY,REAR
Подробнее >
ГЛАВНАЯ МАГИСТРАЛЬ-ВРАЩЕНИЕ

ГЛАВНАЯ МАГИСТРАЛЬ-ВРАЩЕНИЕ

1Артикул: 420212-00996, PIPING,MAIN;ROTATING
2Артикул: 401-00434, PUMP,GEAR
3Артикул: 110406-00225, BRACKET
Подробнее >
ПРОТИВОВЕС - 5.3ТОНН(С ПЕНОПЛАСТОВЫМ КОНТЕЙНЕРОМ)

ПРОТИВОВЕС - 5.3ТОНН(С ПЕНОПЛАСТОВЫМ КОНТЕЙНЕРОМ)

1Артикул: 160702-00092A, WEIGHT ASSY,COUNTER
2Артикул: 160702-00797, WEIGHT ASSY,COUNTER
3Артикул: 160702-00797A, WEIGHT ASSY,COUNTER
Подробнее >
6630 BUCKET ASS`Y - 1.5mВі

6630 BUCKET ASS`Y - 1.5mВі

1Артикул: K1007510G, BUCKET ASS`Y-1.5mВі
2Артикул: 230104-00591, BUCKET ASSY
3Артикул: K1007511C, BUCKET SUB ASS`Y-1.5mВі
Подробнее >
ГИДРОСИСТЕМА РУКОЯТИ - БЫСТРАЯ ПОСАДКА(РУКОЯТЬ 3.75 м)

ГИДРОСИСТЕМА РУКОЯТИ - БЫСТРАЯ ПОСАДКА(РУКОЯТЬ 3.75 м)

1Артикул: K1007698, ARM PIPING (QUICK FIT)
2Артикул: 420212-14219, PIPING,ARM;QUICK COUPLER;3.75M
3Артикул: K1007699, PIPE
Подробнее >
ТРУБОПРОВОД - С ФИЛЬТРОМ

ТРУБОПРОВОД - С ФИЛЬТРОМ

1Артикул: 400-01427A, ONE WAY PIPING-WITH FILTER
2Артикул: 420212-05093, PIPING,BREAKER FILTER;1-WAY
3Артикул: DS2011330, HOSE
Подробнее >
6580 ARM PIPING - ONE & TWO WAY(ARM 3.75m)

6580 ARM PIPING - ONE & TWO WAY(ARM 3.75m)

1Артикул: 420212-01903, PIPING,ONE & TWO WAY,ARM
2Артикул: K1007695, PIPE
3Артикул: 420207-02587, PIPE
Подробнее >
ТРУБОПРОВОД СМАЗОЧНОЙ СИСТЕМЫ - РУКОЯТЬ 2.5 м

ТРУБОПРОВОД СМАЗОЧНОЙ СИСТЕМЫ - РУКОЯТЬ 2.5 м

1Артикул: K1007687A, GREASE PIPING-ARM
2Артикул: 420212-02561, PIPING,ARM;LUBRICATION 2.5M
3Артикул: DS2055815, HOSE
Подробнее >
6470 SWING ALARM - NOT ONE OR TWO WAY [5001~7577]

6470 SWING ALARM - NOT ONE OR TWO WAY [5001~7577]

1Артикул: 420212-00478, PIPING,PILOT;S/ALARM
2Артикул: 549-00010, SWITCH,PRESSURE
3Артикул: S8000111, O-RING
Подробнее >
СТРЕЛА - 6.245 м - ОСОБО ПРОЧНЫЙ

СТРЕЛА - 6.245 м - ОСОБО ПРОЧНЫЙ

1Артикул: K1008539L, FLECHE
2Артикул: 230207-00129, BOOM ASSY;(6.245M HD)
3Артикул: K1008540E, BOOM-HD(6.245M)
Подробнее >
6170 PILOT PIPING - TWO WAY(1) [5001~7748]

6170 PILOT PIPING - TWO WAY(1) [5001~7748]

1Артикул: 420212-02896, PIPING,PILOT(TWO WAY)
2Артикул: 426-00247B, VALVE,SOLENOID
3Артикул: K9001354, . SPOOL,SOLENOID
Подробнее >
6711 BUCKET ASS`Y - 1.46mВі(54`) - SIDE PIN [7252~7801]

6711 BUCKET ASS`Y - 1.46mВі(54`) - SIDE PIN [7252~7801]

1Артикул: 230104-00601, BUCKET ASS`Y
2Артикул: 230104-00602E, BUCKET;SUB. ASS`Y (54`)
3Артикул: K1012550, . BUCKET;WITH TOOTH-1.46mВі
Подробнее >
ЭЛЕКТРИЧЕСКИЕ ЗАПЧАСТИ - КАБИНА(СИСТЕМА ЗАЩИТЫ ПРИ ОПРОКИДЫВАНИИ)

ЭЛЕКТРИЧЕСКИЕ ЗАПЧАСТИ - КАБИНА(СИСТЕМА ЗАЩИТЫ ПРИ ОПРОКИДЫВАНИИ)

1Артикул: 300619-02810C, ELECTRIC ASSY;ROPS
2Артикул: 300619-02810E, ELECTRIC ASSY,CABIN
3Артикул: 300619-02810H, ELECTRIC ASSY;ROPS
Подробнее >
ГИДРОСИСТЕМА РУКОЯТИ - РУКОЯТЬ 3.75 м

ГИДРОСИСТЕМА РУКОЯТИ - РУКОЯТЬ 3.75 м

1Артикул: K1007693B, ARM PIPING 3.75M
2Артикул: 420212-05433, ARM PIPING
3Артикул: 440-00433B, CYLINDER;BUCKET
Подробнее >
РАДИО

РАДИО

1Артикул: K1033652, RADIO;STEREO
2Артикул: 300654-00039, STEREO,CAR;RADIO,24V(USB)
3Артикул: 300654-00039A, STEREO,CAR(RADIO/USB)
Подробнее >
6147 PILOT PIPING - ONE WAY [7578~]

6147 PILOT PIPING - ONE WAY [7578~]

1Артикул: 420212-14215, PIPING,ONE WAY;W/O TWO PUMP
2Артикул: DS2901009, PLUG
3Артикул: 2181-1702D4, ELBOW
Подробнее >
7110 BUCKET ASSВґY - 1.04mВі - H CLASS

7110 BUCKET ASSВґY - 1.04mВі - H CLASS

1Артикул: 230104-01738, BUCKET ASSY;1.04M3(R2H)
2Артикул: 230104-01738A, BUCKET ASSY;1.04M3 R2H
3Артикул: 230104-01738B, BUCKET ASSY
Подробнее >
ПРОТИВОВЕС - 5.9ТОНН(С ПЕНОПЛАСТОВЫМ КОНТЕЙНЕРОМ)

ПРОТИВОВЕС - 5.9ТОНН(С ПЕНОПЛАСТОВЫМ КОНТЕЙНЕРОМ)

1Артикул: 160702-00093A, WEIGHT ASSY,COUNTER
2Артикул: 160702-00792, WEIGHT ASSY,COUNTER
3Артикул: 160702-00792A, WEIGHT ASSY,COUNTER
Подробнее >
6640 BUCKET ASS`Y - 1.75mВі

6640 BUCKET ASS`Y - 1.75mВі

1Артикул: K1007513G, BUCKET ASS`Y
2Артикул: 230104-00594, BUCKET ASS`Y-1.75mВі
3Артикул: K1007514C, BUCKET SUB ASS`Y-1.75mВі
Подробнее >
7970 TMS - CELLULAR & FOGS(V2.0) [7751~]

7970 TMS - CELLULAR & FOGS(V2.0) [7751~]

1Артикул: 300619-04505, ELECTRIC ASSY,TMS2.0
2Артикул: 2120-2166D6, BOLT
3Артикул: 2114-1898D3, WASHER
Подробнее >
7940 CABLE - OPERATION MANUAL [7734~]

7940 CABLE - OPERATION MANUAL [7734~]

1Артикул: 310401-02622, CABLE ASSY;HAND BOOK
2Артикул: 310401-02620, CABLE ASSY;HAND BOOK
Подробнее >
БЫСТРОУСТАНАВЛИВАЕМЫЙ ФИКСАТОР ВКЛЮЧАТЕЛЯ - СИСТЕМА ЗАЩИТЫ ПРИ ОПРОКИДЫВАНИИ

БЫСТРОУСТАНАВЛИВАЕМЫЙ ФИКСАТОР ВКЛЮЧАТЕЛЯ - СИСТЕМА ЗАЩИТЫ ПРИ ОПРОКИДЫВАНИИ

1Артикул: 300619-00089, ELECTRIC ASSY
2Артикул: 549-00092, SWITCH
3Артикул: 530-00432A, HARNESS,JOINT
Подробнее >
КАБИНА(4) - СИСТЕМА ЗАЩИТЫ ПРИ ОПРОКИДЫВАНИИ

КАБИНА(4) - СИСТЕМА ЗАЩИТЫ ПРИ ОПРОКИДЫВАНИИ

1Артикул: 220101-01147G, CABIN ASSY
2Артикул: 220101-01147H, CABIN ASSY
3Артикул: 220101-01147L, CABIN ASSY
Подробнее >
7190 BUCKET ASSВґY - 1.20mВі - S CLASS

7190 BUCKET ASSВґY - 1.20mВі - S CLASS

1Артикул: 230104-01988, BUCKET ASSY;1.20M3
2Артикул: 230104-01988A, BUCKET ASSY
3Артикул: 230104-02317, BUCKET ASSY;1.20M3 R2S
Подробнее >
6700 BUCKET ASS`Y - 1.27mВі(48`) - SIDE PIN [5001~7251]

6700 BUCKET ASS`Y - 1.27mВі(48`) - SIDE PIN [5001~7251]

1Артикул: K1012544B, BUCKET ASS`Y
2Артикул: 230104-00597, BUCKET ASSY
3Артикул: K1012545A, BUCKET SUB ASS`Y-1.27mВі
Подробнее >
6810 ROTATING BEACON(TELESCOPIC) [5001~7674]

6810 ROTATING BEACON(TELESCOPIC) [5001~7674]

1Артикул: 300705-00032, BEACON,ROTATING
2Артикул: 300705-00032A, BEACON ASSY
3Артикул: 195-01805, SUPPORT
Подробнее >
6171 PILOT PIPING - TWO WAY(1) [7749~]

6171 PILOT PIPING - TWO WAY(1) [7749~]

1Артикул: 420212-02896, PIPING,PILOT(TWO WAY)
2Артикул: 426-00247B, VALVE,SOLENOID
3Артикул: K9001354, . SPOOL,SOLENOID
Подробнее >
ГИДРОСИСТЕМА РУКОЯТИ-ГИДРОЗАМОК

ГИДРОСИСТЕМА РУКОЯТИ-ГИДРОЗАМОК

1Артикул: 400-01501B, ARM PIPING-LOCK VALVE
2Артикул: 420212-06569, ARM PIPING-LOCK VALVE
3Артикул: 2184-1046D301, HOSE PF1/4-5750L
Подробнее >
7765 TMS - CELLULAR & SATELLITE & FOGS(V1.5) [7911~]

7765 TMS - CELLULAR & SATELLITE & FOGS(V1.5) [7911~]

1Артикул: 300619-04845, ELECTRIC ASSY,TMS2.0
2Артикул: -, TMS,ANTENNA
3Артикул: 300703-00036, . ANTENNA,ORB/GPS
Подробнее >
7620 ROTATING BEACON - WITH GUARD(ROPS)

7620 ROTATING BEACON - WITH GUARD(ROPS)

1Артикул: 300619-00083A, ROTATING BEACON ASSY
2Артикул: 300619-00083B, BEACON ASSY,ROTATING;GUARD
3Артикул: 300619-00083C, BEACON ASSY,ROTATING;GUARD W/ 6 LAMP
Подробнее >
ГИДРОСИСТЕМА РУКОЯТИ-ВРАЩЕНИЕ(РУКОЯТЬ-2.5 м)

ГИДРОСИСТЕМА РУКОЯТИ-ВРАЩЕНИЕ(РУКОЯТЬ-2.5 м)

1Артикул: K1007682A, ARM PIPING-ROTATION
2Артикул: 420212-12349, PIPING,ARM,ROTATING;2.5M
3Артикул: K1007683, PIPE
Подробнее >
6321 TRACK SHOE ASS`Y - 700G [5066~5645]

6321 TRACK SHOE ASS`Y - 700G [5066~5645]

1Артикул: 200106-00011, SHOE ASSY,TRACK
2Артикул: 200106-00017, SHOE ASSY,TRACK;700MM
3Артикул: 200103-00068, . LINK ASSY,TRACK
Подробнее >
6820 ROTATING BEACON(TELESCOPIC) [5001~7674]

6820 ROTATING BEACON(TELESCOPIC) [5001~7674]

1Артикул: K1007410A, ROTATING BEACON-TELESCOPIC
2Артикул: 300619-02742, TELESCOPIC BEACON ASSY;NOT 6LAMP
3Артикул: 195-02910C, BRACKET
Подробнее >
ВЕНТИЛЯЦИЯ - СИСТЕМА ЗАЩИТЫ ПРИ ОПРОКИДЫВАНИИ

ВЕНТИЛЯЦИЯ - СИСТЕМА ЗАЩИТЫ ПРИ ОПРОКИДЫВАНИИ

1Артикул: 440213-00689, VENTILATION ASSY;ROPS
2Артикул: 440213-00689A, VENTILATION ASSY;ROPS
3Артикул: 440213-00689C, VENTILATION ASSY;ROPS
Подробнее >
ГИДРОСИСТЕМА РУКОЯТИ-ВРАЩЕНИЕ(РУКОЯТЬ-3.75 м)

ГИДРОСИСТЕМА РУКОЯТИ-ВРАЩЕНИЕ(РУКОЯТЬ-3.75 м)

1Артикул: K1007696A, ARM PIPING-ROTATION
2Артикул: 420212-12350, PIPING,ARM,ROTATING;3.75M
3Артикул: K1007697, PIPE
Подробнее >
6101 FUEL FILLER PUMP [7675~]

6101 FUEL FILLER PUMP [7675~]

1Артикул: 400909-00034, PUMP ASSY,FUEL FILLER
2Артикул: 400909-00279, PUMP,FUEL TRANSFER
3Артикул: 110439-00018, BRACKET,FUEL PUMP
Подробнее >
РАБОЧАЯ ФАРА(2-ЛАМПЫ) - СИСТЕМА ЗАЩИТЫ ПРИ ОПРОКИДЫВАНИИ

РАБОЧАЯ ФАРА(2-ЛАМПЫ) - СИСТЕМА ЗАЩИТЫ ПРИ ОПРОКИДЫВАНИИ

1Артикул: 300619-00075A, LAMP ASSY
2Артикул: 300619-00075B, LAMP ASSY
3Артикул: K1055454, LAMP,HEAD
Подробнее >
6142 PILOT PIPING - ONE & TWO WAY [6685~7577]

6142 PILOT PIPING - ONE & TWO WAY [6685~7577]

1Артикул: 420212-01043, PIPING,PILOT;1 OR 2-WAY
2Артикул: 410116-00526, VALVE,EPPR
3Артикул: 410116-00646, . VALVE
Подробнее >
ТРУБОПРОВОД СЕРВОУПРАВЛЕНИЯ - БЫСТРАЯ ПОСАДКА

ТРУБОПРОВОД СЕРВОУПРАВЛЕНИЯ - БЫСТРАЯ ПОСАДКА

1Артикул: 420212-03014, PIPING,MAIN(QUICK FIT)
2Артикул: 426-00287B, VALVE,QUICK-FIT
3Артикул: 410135-00109, . VALVE,SOLENOID
Подробнее >
КОНДИЦИОНЕР - СИСТЕМА ЗАЩИТЫ ПРИ ОПРОКИДЫВАНИИ

КОНДИЦИОНЕР - СИСТЕМА ЗАЩИТЫ ПРИ ОПРОКИДЫВАНИИ

1Артикул: 440205-00033, CONDITIONER,AIR
2Артикул: 440205-00033A, CONDITIONER,AIR
3Артикул: 440205-00033C, CONDITIONER,AIR
Подробнее >
7150 BUCKET ASSВґY - 1.72mВі - H CLASS

7150 BUCKET ASSВґY - 1.72mВі - H CLASS

1Артикул: 230104-01746, BUCKET ASSY;1.72M3(R2H)
2Артикул: 230104-01746A, BUCKET ASSY;1.72M3 R2H
3Артикул: 230104-01746B, BUCKET ASSY
Подробнее >
6930 BUCKET ASS`Y - 0.45mВі - DITCH CLEANING

6930 BUCKET ASS`Y - 0.45mВі - DITCH CLEANING

1Артикул: K1010821B, BUCKET ASS`Y-0.45гЋҐ
2Артикул: 230104-01776, BUCKET ASSY
3Артикул: K1010822A, BUCKET-0.45гЋҐ
Подробнее >
ПОДСТАВКА ДЛЯ НОГ - ЛЕВОСТОРОННИЙ(СИСТЕМА ЗАЩИТЫ ПРИ ОПРОКИДЫВАНИИ)

ПОДСТАВКА ДЛЯ НОГ - ЛЕВОСТОРОННИЙ(СИСТЕМА ЗАЩИТЫ ПРИ ОПРОКИДЫВАНИИ)

1Артикул: 220107-00005, REST,FOOT(L.H)
2Артикул: 220107-00004, REST,FOOT;BRACKET(LH)
3Артикул: 2120-2166D1, BOLT
Подробнее >
СТЕКЛООЧИСТИТЕЛЬ НИЖНЕГО СТЕКЛА

СТЕКЛООЧИСТИТЕЛЬ НИЖНЕГО СТЕКЛА

1Артикул: K1045897, WIPER ASSY;LOWER
2Артикул: 300619-00782, ELECTRIC ASSY
3Артикул: 538-00012, MOTOR,WIPER
Подробнее >
6401 TRACK SHOE-600G(DOUBLE GROUSER) [5066~]

6401 TRACK SHOE-600G(DOUBLE GROUSER) [5066~]

1Артикул: 200106-00014, SHOE ASSY,TRACK
2Артикул: 200106-00020, SHOE ASSY,TRACK;600MM
3Артикул: 200106-00020A, SHOE ASSY,TRACK;600MM
Подробнее >
6330 TRACK SHOE ASS`Y - 800G [5001~5065]

6330 TRACK SHOE ASS`Y - 800G [5001~5065]

1Артикул: 273-00115E, TRACK SHOE ASS`Y(800MM)
2Артикул: 273-00108B, TRACK SHOE ASS`Y-800G
3Артикул: 272-00062B, . TRACK LINK ASS`Y
Подробнее >
ГИДРОСИСТЕМА СТРЕЛЫ-ВРАЩЕНИЕ

ГИДРОСИСТЕМА СТРЕЛЫ-ВРАЩЕНИЕ

1Артикул: 400-01333B, BOOM PIPING-ROTATION
2Артикул: 420212-11593, PIPING,BOOM;(ROTATION_6.245M)
3Артикул: 140-01506B, PIPE
Подробнее >
6290 WINDOW GUARD

6290 WINDOW GUARD

1Артикул: K1002771, WINDOW GUARD
2Артикул: K1002759A, GUARD,FRONT UPPER
3Артикул: 623-00086, GUARD,FRONT LOWER
Подробнее >
РАБОЧАЯ ФАРА(2-ЛАМПЫ) - СИСТЕМА ЗАЩИТЫ ПРИ ОПРОКИДЫВАНИИ

РАБОЧАЯ ФАРА(2-ЛАМПЫ) - СИСТЕМА ЗАЩИТЫ ПРИ ОПРОКИДЫВАНИИ

1Артикул: 300619-00077A, LAMP ASSY
2Артикул: 300619-00077B, LAMP ASSY,WORKING
3Артикул: K1055454, LAMP,HEAD
Подробнее >
КАБИНА(3) - СИСТЕМА ЗАЩИТЫ ПРИ ОПРОКИДЫВАНИИ

КАБИНА(3) - СИСТЕМА ЗАЩИТЫ ПРИ ОПРОКИДЫВАНИИ

1Артикул: 220101-01147G, CABIN ASSY
2Артикул: 220101-01147H, CABIN ASSY
3Артикул: 220101-01147L, CABIN ASSY
Подробнее >
СИГНАЛИЗАЦИЯ О ПЕРЕГРУЗКЕ - СИСТЕМА ЗАЩИТЫ ПРИ ОПРОКИДЫВАНИИ

СИГНАЛИЗАЦИЯ О ПЕРЕГРУЗКЕ - СИСТЕМА ЗАЩИТЫ ПРИ ОПРОКИДЫВАНИИ

1Артикул: 300619-00090, OVERLOAD WARNING
2Артикул: 549-00102, SWITCH
3Артикул: 301401-00006, ACTUATOR,SWITCH
Подробнее >
7650 TELESCOPIC BEACON - WITH LAMP(ROPS) [5001~7674]

7650 TELESCOPIC BEACON - WITH LAMP(ROPS) [5001~7674]

1Артикул: 300619-00084B, TELESCOPIC BEACON ASSY
2Артикул: 195-01805, SUPPORT
3Артикул: 2114-1898D2, WASHER
Подробнее >
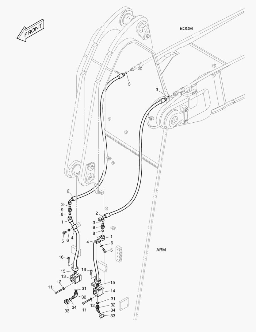
7011 BOOM PIPING-LOCK VALVE [6131~]

7011 BOOM PIPING-LOCK VALVE [6131~]

1Артикул: 420212-06046, PIPING,BOOM
2Артикул: 420212-05513, PIPING,BOOM;BOOM LOCK
3Артикул: 440-00446A, CYLINDER;BOOM;LOCK V/V(L.H)
Подробнее >
6145 PILOT PIPING - ONE WAY(TWO PUMP) [6556~]

6145 PILOT PIPING - ONE WAY(TWO PUMP) [6556~]

1Артикул: 420212-10260, PIPING,PILOT;ONE WAY
2Артикул: 2181-1950D1, PLUG
3Артикул: DS2901009, PLUG
Подробнее >
6475A SWING ALARM - NON TWO WAY [7578~]

6475A SWING ALARM - NON TWO WAY [7578~]

1Артикул: 420212-11372, PIPING,PILOT
2Артикул: 549-00010, SWITCH,PRESSURE
3Артикул: 301413-00340, SWITCH,OIL PRESSURE
Подробнее >
7890 AIRCONDITIONER(1) - HEATER [7706~]

7890 AIRCONDITIONER(1) - HEATER [7706~]

1Артикул: 440213-01033, VENTILATION ASSY
2Артикул: 440213-01033A, VENTILATION;HEATER ASSY. DIESEL, NONROBS
3Артикул: 440213-01033B, VENTILATION;HEATER ASSY. DIESEL, NONROBS
Подробнее >
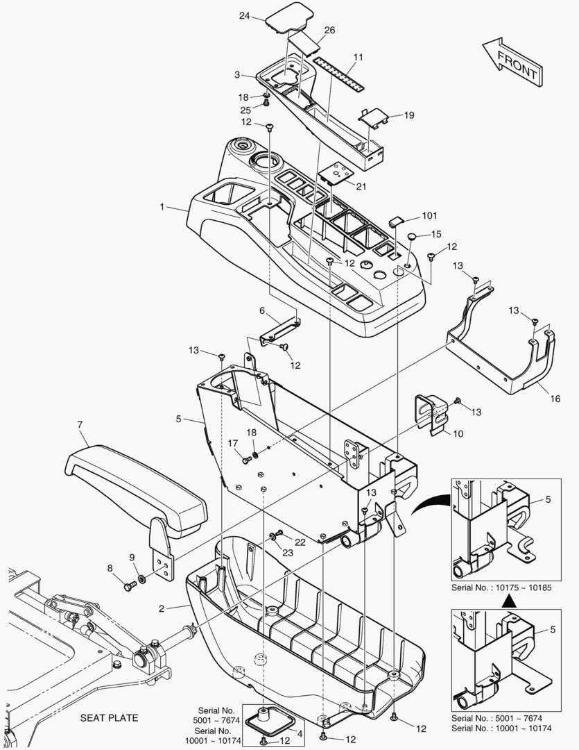
7270 SEAT BASE - ROPS

7270 SEAT BASE - ROPS

1Артикул: 160102-00008, BASE ASS`Y,SEAT
2Артикул: 220204-00096A, COVER ASS`Y,SEAT BASE
3Артикул: 2120-2166D52, BOLT
Подробнее >
7830 BUCKET ASS`Y - 1.03mВі - G CLASS [5001~7692]

7830 BUCKET ASS`Y - 1.03mВі - G CLASS [5001~7692]

1Артикул: 230104-02114, BUCKET ASSY
2Артикул: -, BUCKET,WELD
3Артикул: 430203-00024, . ADAPTER,TOOTH
Подробнее >
6940 BUCKET ASS`Y - 0.54mВі - DITCH CLEANING

6940 BUCKET ASS`Y - 0.54mВі - DITCH CLEANING

1Артикул: K1010823B, BUCKET ASS`Y-0.54mВі
2Артикул: 230104-01778, BUCKET ASSY
3Артикул: K1010824A, BUCKET-0.54mВі
Подробнее >
КОВРИК НА ПОЛУ КУЗОВА - СИСТЕМА ЗАЩИТЫ ПРИ ОПРОКИДЫВАНИИ

КОВРИК НА ПОЛУ КУЗОВА - СИСТЕМА ЗАЩИТЫ ПРИ ОПРОКИДЫВАНИИ

1Артикул: 110935-00070, MAT,FLOOR
Подробнее >
ЗАЩИТНЫЙ КОРПУС ПРОТИВОТУМАННЫХ ФАР В СБОРЕ

ЗАЩИТНЫЙ КОРПУС ПРОТИВОТУМАННЫХ ФАР В СБОРЕ

1Артикул: K1002883A, GUARD ASSY;FOGS
2Артикул: 110921-01181, GUARD ASSY;FOGS
3Артикул: 110921-01181A, GUARD ASSY;FOGS
Подробнее >
ТРУБОПРОВОД СМАЗОЧНОЙ СИСТЕМЫ - РУКОЯТЬ 2.85 м

ТРУБОПРОВОД СМАЗОЧНОЙ СИСТЕМЫ - РУКОЯТЬ 2.85 м

1Артикул: 420212-02563, PIPING,ARM;LUBRICATION 2.85M
2Артикул: DS2059601, HOSE PF1/4-420L
3Артикул: 420205-00294, PIPE,GREASE
Подробнее >
7630 ROTATING BEACON - WITH GUARD & LAMP(ROPS)

7630 ROTATING BEACON - WITH GUARD & LAMP(ROPS)

1Артикул: 300619-00082E, ROTATING BEACON ASSY
2Артикул: 300619-00082G, BEACON ASSY,ROTATING;6 LAMP W/ GUARD
3Артикул: 300619-00082H, BEACON ASSY,ROTATING
Подробнее >
7101 BUCKET ASS`Y - 1.5mВі(S.H TYPE) [7101~]

7101 BUCKET ASS`Y - 1.5mВі(S.H TYPE) [7101~]

1Артикул: 230104-01707, BUCKET ASSY;1.5M3;S.H
2Артикул: 230104-02708, BUCKET ASSY;1.51m3 H Class Bucket Flat
3Артикул: -, . BUCKET,WELD;1.51M3
Подробнее >
6476 SWING ALARM - ONE WAY(TWO PUMP) [6685~7577]

6476 SWING ALARM - ONE WAY(TWO PUMP) [6685~7577]

1Артикул: 420212-11428, PIPING,PILOT,1 WAY
2Артикул: 549-00010, SWITCH,PRESSURE
3Артикул: S8000111, O-RING
Подробнее >
6340 TRACK SHOE ASS`Y - 850G [5001~5065]

6340 TRACK SHOE ASS`Y - 850G [5001~5065]

1Артикул: 273-00116E, TRACK SHOE ASS`Y(850MM)
2Артикул: K1007013B, TRACK SHOE ASS`Y-850G
3Артикул: 272-00062B, . TRACK LINK ASS`Y
Подробнее >
7411 FLOOR PLATE - ROPS [7692~]

7411 FLOOR PLATE - ROPS [7692~]

1Артикул: 250106-00726E, PLATE ASSY,FLOOR;ROPS
2Артикул: 250106-00726G, PLATE ASSY,FLOOR
3Артикул: 250106-00149N, PLATE,FLOOR;ROPS CRAWLER
Подробнее >
ТРУБОПРОВОД СЕРВОУПРАВЛЕНИЯ - СИСТЕМА ЗАЩИТЫ ПРИ ОПРОКИДЫВАНИИ

ТРУБОПРОВОД СЕРВОУПРАВЛЕНИЯ - СИСТЕМА ЗАЩИТЫ ПРИ ОПРОКИДЫВАНИИ

1Артикул: 420212-13823, PIPING,CABIN;ROPS
2Артикул: 420212-13823A, PIPING,CABIN;ROPS
3Артикул: 420212-13823B, PIPING,CABIN;ROPS
Подробнее >
СТЕКЛООЧИСТИТЕЛЬ НИЖНЕГО СТЕКЛА - СИСТЕМА ЗАЩИТЫ ПРИ ОПРОКИДЫВАНИИ

СТЕКЛООЧИСТИТЕЛЬ НИЖНЕГО СТЕКЛА - СИСТЕМА ЗАЩИТЫ ПРИ ОПРОКИДЫВАНИИ

1Артикул: 300619-00680, ELECTRIC ASS`Y
2Артикул: 549-00101, SWITCH
3Артикул: 301401-00022, ACTUATOR,SWITCH
Подробнее >
РУКОЯТЬ - 2.85 м(ОСОБО ПРОЧНЫЙ)

РУКОЯТЬ - 2.85 м(ОСОБО ПРОЧНЫЙ)

1Артикул: 230201-00178, ARM ASSY;2.85M
2Артикул: 230204-00316E, ARM,MACHINE;2.85M
3Артикул: 230204-00316G, ARM,MACHINE;2.85M
Подробнее >
7880 DIESEL HEATER [7706~]

7880 DIESEL HEATER [7706~]

1Артикул: 440207-00559, HEATER ASSY,DIESEL
2Артикул: K1001029, BOLT
3Артикул: S4012733, NUT
Подробнее >
6481 SWING ALARM - TWO WAY [6685~]

6481 SWING ALARM - TWO WAY [6685~]

1Артикул: 420212-11389, PIPING,PILOT
2Артикул: 549-00010, SWITCH,PRESSURE
3Артикул: 301413-00340, SWITCH,OIL PRESSURE
Подробнее >
РАБОЧАЯ ФАРА(6-ЛАМПЫ) - СИСТЕМА ЗАЩИТЫ ПРИ ОПРОКИДЫВАНИИ

РАБОЧАЯ ФАРА(6-ЛАМПЫ) - СИСТЕМА ЗАЩИТЫ ПРИ ОПРОКИДЫВАНИИ

1Артикул: 300619-02286A, LAMP ASSY,WORKING;6 LAMP
2Артикул: 300619-02286B, LAMP ASSY,WORKING;6 LAMP
3Артикул: 300619-02286C, LAMP ASSY
Подробнее >
ИЗМЕНЕНИЯ РЕЖИМА ТРУБОПРОВОДА(2)

ИЗМЕНЕНИЯ РЕЖИМА ТРУБОПРОВОДА(2)

1Артикул: K1016219, PATTERN CHANGE PIPING
2Артикул: DS2095030, HOSE
3Артикул: DS2095029, HOSE
Подробнее >
ГИДРОСИСТЕМА РУКОЯТИ - ВРАЩЕНИЕ(РУКОЯТЬ-2.85 м)

ГИДРОСИСТЕМА РУКОЯТИ - ВРАЩЕНИЕ(РУКОЯТЬ-2.85 м)

1Артикул: 420212-12399, PIPING,ROTATING;2.85M ARM
2Артикул: K1054266, PIPE
3Артикул: DS20211012, HOSE
Подробнее >
7750 TMS - CELLULAR & SATELLITE(V1.5) [7400~]

7750 TMS - CELLULAR & SATELLITE(V1.5) [7400~]

1Артикул: 300619-03342, ELECTRIC ASSY,TMS1.5
2Артикул: 300619-03139, ELECTRIC ASSY;TMS1.5
3Артикул: 300611-00902, . CONTROLLER;TMS1.5
Подробнее >
КАБИНА(2) - СИСТЕМА ЗАЩИТЫ ПРИ ОПРОКИДЫВАНИИ

КАБИНА(2) - СИСТЕМА ЗАЩИТЫ ПРИ ОПРОКИДЫВАНИИ

1Артикул: 220101-01147G, CABIN ASSY
2Артикул: 220101-01147H, CABIN ASSY
3Артикул: 220101-01147L, CABIN ASSY
Подробнее >
РУКОЯТЬ - 3.1 м(ОСОБО ПРОЧНЫЙ)

РУКОЯТЬ - 3.1 м(ОСОБО ПРОЧНЫЙ)

1Артикул: 230201-00042, ARM ASSY
2Артикул: 230204-00026B, ARM,MACHINE;3.1M H.D
3Артикул: 230204-00026C, ARM ASS`Y;HD(3.1M)
Подробнее >
7130 BUCKET ASSВґY - 1.47mВі - H CLASS

7130 BUCKET ASSВґY - 1.47mВі - H CLASS

1Артикул: 230104-01742, BUCKET ASSY;1.47M3(R2H)
2Артикул: 230104-01742A, BUCKET ASSY;1.47M3 R2H
3Артикул: 230104-01742B, BUCKET ASSY
Подробнее >
7075 PILOT PIPING - TWO PUMP(ONE or TWO WAY) [6685~]

7075 PILOT PIPING - TWO PUMP(ONE or TWO WAY) [6685~]

1Артикул: 420212-11388, PIPING,PILOT,2 WAY,W/ TWO PUMP
2Артикул: 430216-00006, JOINT PLATE SUB ASSY
3Артикул: K1000354, . PLATE
Подробнее >
7741 ELECTRIC WIRING - ROPS [7749~]

7741 ELECTRIC WIRING - ROPS [7749~]

1Артикул: 300619-03292, WIRING GROUP,ELECTRIC;ROPS
2Артикул: 310207-04422E, HARNESS,MAIN;ROPS
3Артикул: 2550-1014D1, TERMINAL,BATTERY(+)
Подробнее >
6120 MAIN PIPING - ONE WAY [5001~7748]

6120 MAIN PIPING - ONE WAY [5001~7748]

1Артикул: 420212-00340, PIPING,MAIN;ONE WAY
2Артикул: 423-00193B, BLOCK
3Артикул: 140-01528B, PIPE
Подробнее >
6331 TRACK SHOE ASS`Y - 800G [5066~5645]

6331 TRACK SHOE ASS`Y - 800G [5066~5645]

1Артикул: 200106-00012, SHOE ASSY,TRACK
2Артикул: 200106-00018, SHOE ASSY,TRACK;800MM
3Артикул: 200103-00068, . LINK ASSY,TRACK
Подробнее >
ВКЛЮЧАТЕЛЬ - 2 НАСОСА(СИСТЕМА ЗАЩИТЫ ПРИ ОПРОКИДЫВАНИИ)

ВКЛЮЧАТЕЛЬ - 2 НАСОСА(СИСТЕМА ЗАЩИТЫ ПРИ ОПРОКИДЫВАНИИ)

1Артикул: 300619-00681, ELECTRIC ASSY;TWO PUMP
2Артикул: 549-00101, SWITCH
3Артикул: 301401-00019, ACTUATOR,SWITCH
Подробнее >
6520 ARM PIPING - ONE & TWO WAY(ARM 2.5m)

6520 ARM PIPING - ONE & TWO WAY(ARM 2.5m)

1Артикул: 420212-01900, PIPING,ONE & TWO WAY,ARM
2Артикул: K1007681, PIPE
3Артикул: DS2013620, HOSE-1900L
Подробнее >
ТРУБОПРОВОД СЕРВОУПРАВЛЕНИЯ(2)-ВРАЩАЮЩИЙСЯ

ТРУБОПРОВОД СЕРВОУПРАВЛЕНИЯ(2)-ВРАЩАЮЩИЙСЯ

1Артикул: K1004108C, PILOT PIPING,PERO
2Артикул: 420212-14046, PIPING,CABIN;ROTATING
3Артикул: 420212-14046A, PIPING,CABIN;ROTATING
Подробнее >
ЧЕХОЛ КРЫШКИ - ИЗ СТАЛИ(СИСТЕМА ЗАЩИТЫ ПРИ ОПРОКИДЫВАНИИ)

ЧЕХОЛ КРЫШКИ - ИЗ СТАЛИ(СИСТЕМА ЗАЩИТЫ ПРИ ОПРОКИДЫВАНИИ)

1Артикул: 220204-00048A, COVER ASSY,ROOF STEEL
2Артикул: 220204-00155, COVER,ROOF STEEL
3Артикул: 220204-00031A, COVER,ROOF STEEL INNER
Подробнее >
7881 SUPPORT - WITH DIESEL HEATER [7706~]

7881 SUPPORT - WITH DIESEL HEATER [7706~]

1Артикул: 110958-04453, SUPPORT & BAFFLE ASSY
2Артикул: 110958-04463, SUPPORT
3Артикул: 110958-04487, SUPPORT
Подробнее >
РЕШЕТКА СТЕКЛА - СИСТЕМА ЗАЩИТЫ ПРИ ОПРОКИДЫВАНИИ

РЕШЕТКА СТЕКЛА - СИСТЕМА ЗАЩИТЫ ПРИ ОПРОКИДЫВАНИИ

1Артикул: 110921-00054A, GUARD ASSY
2Артикул: 110921-00055A, GUARD,FRONT WINDOW
3Артикул: 110921-00056A, GUARD,FRONT WINDOW
Подробнее >
КОВРИК НА ПОЛУ КУЗОВА - ОДНА ПЕДАЛЬ(ЛЕВОСТОРОННИЙ)(СИСТЕМА ЗАЩИТЫ ПРИ ОПРОКИДЫВАНИИ)

КОВРИК НА ПОЛУ КУЗОВА - ОДНА ПЕДАЛЬ(ЛЕВОСТОРОННИЙ)(СИСТЕМА ЗАЩИТЫ ПРИ ОПРОКИДЫВАНИИ)

1Артикул: 110935-00072, MAT,FLOOR;ONE PEDAL(L.H)
Подробнее >
РАМА ГУСЕНИЦЫ - ОСОБО ПРОЧНЫЙ

РАМА ГУСЕНИЦЫ - ОСОБО ПРОЧНЫЙ

1Артикул: 160617-00413, FRAME,TRACK;HD;FULL GUARD
2Артикул: 160617-00413C, FRAME,TRACK;HD;FULL GUARD
Подробнее >
6143 PILOT PIPING - ONE & TWO WAY [7578~]

6143 PILOT PIPING - ONE & TWO WAY [7578~]

1Артикул: 420212-01045, PIPING,PILOT(TWO WAY)
2Артикул: 410116-00526, VALVE,EPPR
3Артикул: 410116-00646, . VALVE
Подробнее >
8010 WORKING LAMP - BOOM(LED)

8010 WORKING LAMP - BOOM(LED)

1Артикул: 300619-04556, WORKING LAMP;LED
2Артикул: 301005-01253, LAMP ASSY,WORKING(LED)
3Артикул: 110429-00263, BRACKET
Подробнее >
6745 FUEL FILTER - WITH BOWL HEATER [6980~]

6745 FUEL FILTER - WITH BOWL HEATER [6980~]

1Артикул: 420212-05827, PIPING,FUEL
2Артикул: 400403-00205, FILTER,FUEL;SENSOR
3Артикул: 400403-00205A, FILTER,FUEL PRE;LONG WITH SENSOR
Подробнее >
СКОЛЬЗЯЩАЯ ПЛИТА СИДЕНИЯ - СИСТЕМА ЗАЩИТЫ ПРИ ОПРОКИДЫВАНИИ

СКОЛЬЗЯЩАЯ ПЛИТА СИДЕНИЯ - СИСТЕМА ЗАЩИТЫ ПРИ ОПРОКИДЫВАНИИ

1Артикул: 250110-00054H, PLATE ASSY,SEAT
2Артикул: 250110-00054L, PLATE ASSY,SEAT
3Артикул: 250110-00054M, PLATE ASSY,SEAT
Подробнее >
6691 BUCKET ASS`Y - 1.07mВі(42`) - SIDE PIN [7252~7801]

6691 BUCKET ASS`Y - 1.07mВі(42`) - SIDE PIN [7252~7801]

1Артикул: 230104-00575, BUCKET ASSY
2Артикул: 230104-00576C, BUCKET,SUB ASSY
3Артикул: K1012542, . BUCKET;WITH TOOTH-1.07mВі
Подробнее >
ГИДРОСИСТЕМА РУКОЯТИ - БЫСТРАЯ ПОСАДКА(РУКОЯТЬ 2.5 м)

ГИДРОСИСТЕМА РУКОЯТИ - БЫСТРАЯ ПОСАДКА(РУКОЯТЬ 2.5 м)

1Артикул: K1007684, ARM PIPING (QUICK FIT)
2Артикул: 420212-14218, PIPING,ARM;QUICK COUPLER;2.5M
3Артикул: K1007685, PIPE
Подробнее >
6341 TRACK SHOE ASS`Y - 850G [5066~5645]

6341 TRACK SHOE ASS`Y - 850G [5066~5645]

1Артикул: 200106-00013, SHOE ASSY,TRACK
2Артикул: 200106-00019, SHOE ASSY,TRACK;850MM
3Артикул: 200103-00068, . LINK ASSY,TRACK
Подробнее >
ГЛАВНАЯ МАГИСТРАЛЬ - БЫСТРАЯ ПОСАДКА

ГЛАВНАЯ МАГИСТРАЛЬ - БЫСТРАЯ ПОСАДКА

1Артикул: 420212-01046, PIPING,MAIN;QUICK FIT
2Артикул: DS2021251, HOSE
3Артикул: DS2404024, ADAPTER
Подробнее >
6150 MAIN PIPING - TWO WAY [5001~7748]

6150 MAIN PIPING - TWO WAY [5001~7748]

1Артикул: 400-01329G, MAIN PIPING-TWO WAY
2Артикул: 420212-06917, PIPING,MAIN(TWO WAY)
3Артикул: 426-00248A, VALVE;SELECT
Подробнее >
ГИДРОСИСТЕМА СТРЕЛЫ - СТРЕЛА 10 м

ГИДРОСИСТЕМА СТРЕЛЫ - СТРЕЛА 10 м

1Артикул: K1011390C, PIPING,BOOM
2Артикул: 420212-11605, BOOM PIPING
3Артикул: K1011391, PIPE
Подробнее >
7850 BUCKET ASS`Y - 1.51mВі - G CLASS [5001~7692]

7850 BUCKET ASS`Y - 1.51mВі - G CLASS [5001~7692]

1Артикул: 230104-02118, BUCKET ASSY
2Артикул: -, BUCKET,WELD
3Артикул: 430203-00024, . ADAPTER,TOOTH
Подробнее >
КОВРИК НА ПОЛУ КУЗОВА - ОДНА ПЕДАЛЬ(ПРАВОСТОРОННИЙ)(СИСТЕМА ЗАЩИТЫ ПРИ ОПРОКИДЫВАНИИ)

КОВРИК НА ПОЛУ КУЗОВА - ОДНА ПЕДАЛЬ(ПРАВОСТОРОННИЙ)(СИСТЕМА ЗАЩИТЫ ПРИ ОПРОКИДЫВАНИИ)

1Артикул: 110935-00071, MAT,FLOOR;ONE PEDAL(R.H)
Подробнее >
7220 MAIN FRAME - HEAVY DUTY

7220 MAIN FRAME - HEAVY DUTY

1Артикул: 160620-00612, FRAME,MAIN;HD
2Артикул: 160620-00612A, FRAME,MAIN;HD
3Артикул: 160620-00612B, FRAME,MAIN;HD
Подробнее >
7860 BUCKET ASS`Y - 1.75mВі - G CLASS [5001~7692]

7860 BUCKET ASS`Y - 1.75mВі - G CLASS [5001~7692]

1Артикул: 230104-02120, BUCKET ASSY
2Артикул: -, BUCKET,WELD
3Артикул: 430203-00024, . ADAPTER,TOOTH
Подробнее >
8000 TMS - CELLULAR & SATELLITE & FOGS(V2.0) [7751~]

8000 TMS - CELLULAR & SATELLITE & FOGS(V2.0) [7751~]

1Артикул: 300619-04506, ELECTRIC ASSY,TMS2.0
2Артикул: 2120-2166D6, BOLT
3Артикул: 2114-1898D3, WASHER
Подробнее >
7180 ADDITIONAL WATER SEPARATOR ASS`Y [7069~7489]

7180 ADDITIONAL WATER SEPARATOR ASS`Y [7069~7489]

1Артикул: 420212-12834, PIPING,FUEL;DUAL WATER SEPARATOR
2Артикул: 110413-00167, BRACKET,FUEL FILTER;PRE
3Артикул: K1013251, SEPARATOR;WATER
Подробнее >
ГЕНЕРАТОР ПЕРЕМЕННОГО ТОКА - 80A

ГЕНЕРАТОР ПЕРЕМЕННОГО ТОКА - 80A

1Артикул: 300619-00044, ALTERNATOR ASSY
2Артикул: 300901-00033, ALTERNATOR
3Артикул: 300901-00207, ALTERNATOR;80A
Подробнее >
7800 ARM PIPING - ONE & TWO WAY(ARM 2.85m)

7800 ARM PIPING - ONE & TWO WAY(ARM 2.85m)

1Артикул: 420212-01906, PIPING,ONE & TWO WAY,ARM
2Артикул: K1007681, PIPE
3Артикул: DS20231132, HOSE ASSY,HYDRAULIC
Подробнее >
7160 COUNTER WEIGHT - 5.0TON

7160 COUNTER WEIGHT - 5.0TON

1Артикул: 160702-00764A, WEIGHT,COUNTER
2Артикул: 160702-00764C, WEIGHT,COUNTER;5.0TON
3Артикул: 160702-00764E, WEIGHT,COUNTER;5.0TON
Подробнее >
КРЫШКА ЛЮКА

КРЫШКА ЛЮКА

1Артикул: 621-02870C, SUN ROOF COVER
2Артикул: 110508-15918, SUN ROOF COVER
3Артикул: 621-02871B, COVER;SUN ROOF
Подробнее >
6710 BUCKET ASS`Y - 1.46mВі(54`) - SIDE PIN [5001~7251]

6710 BUCKET ASS`Y - 1.46mВі(54`) - SIDE PIN [5001~7251]

1Артикул: K1012548B, BUCKET ASS`Y
2Артикул: 230104-00601, BUCKET ASS`Y
3Артикул: K1012549A, BUCKET SUB ASS`Y-1.46mВі
Подробнее >
ЗАЩИТА ОТ ДОЖДЯ

ЗАЩИТА ОТ ДОЖДЯ

1Артикул: K1002561B, RAIN SHIELD
2Артикул: 159-00294C, COVER;RAIN SHIELD
3Артикул: 162-00040A, STRIP;WEATHER(1000mm)
Подробнее >
6381 UNDER COVER - HEAVY DUTY [7663~]

6381 UNDER COVER - HEAVY DUTY [7663~]

1Артикул: 110513-00188, COVER ASSY,UNDER;HD
2Артикул: 110513-02026, COVER,UNDER
3Артикул: 110513-02027, COVER,UNDER
Подробнее >
6121 MAIN PIPING - ONE WAY [7749~]

6121 MAIN PIPING - ONE WAY [7749~]

1Артикул: 420212-00340, PIPING,MAIN;ONE WAY
2Артикул: 423-00193B, BLOCK
3Артикул: 2124-1026D3, CLAMP
Подробнее >
РАБОЧАЯ ФАРА(2-ЛАМПЫ)

РАБОЧАЯ ФАРА(2-ЛАМПЫ)

1Артикул: K1007418, WORKING LAMP ASS`Y
2Артикул: 300619-02739, LAMP ASSY,ADDITIONAL WORKING;2 LAMP W/ G
3Артикул: 300619-02739A, LAMP ASSY,ADDITIONAL WORKING;2 LAMP W/ G
Подробнее >
РАБОЧАЯ ФАРА(2-ЛАМПЫ)

РАБОЧАЯ ФАРА(2-ЛАМПЫ)

1Артикул: K1007403B, WORKING LAMP-2 LAMP
2Артикул: 300619-02738, LAMP ASSY
3Артикул: 300619-02738A, LAMP ASSY,ADDITIONAL WORKING;2 LAMP
Подробнее >
ЭЛЕКТРИЧЕСКИЕ ЗАПЧАСТИ-БЫСТРОУСТАНАВЛИВАЕМЫЙ ФИКСАТОР

ЭЛЕКТРИЧЕСКИЕ ЗАПЧАСТИ-БЫСТРОУСТАНАВЛИВАЕМЫЙ ФИКСАТОР

1Артикул: K1007413, QUICK CLAMP PIPING
2Артикул: 549-00092, SWITCH
3Артикул: 530-00432A, HARNESS,JOINT
Подробнее >
ТРУБОПРОВОД СЕРВОУПРАВЛЕНИЯ - 2 ПУТИ(2)

ТРУБОПРОВОД СЕРВОУПРАВЛЕНИЯ - 2 ПУТИ(2)

1Артикул: 420212-00414, PIPING,PILOT;TWO WAY
2Артикул: 420212-00414A, PIPING,PILOT(TWO WAY)
3Артикул: 420212-00414B, PIPING,PILOT,2 WAY
Подробнее >
РАБОЧАЯ ФАРА(4-ЛАМПЫ)

РАБОЧАЯ ФАРА(4-ЛАМПЫ)

1Артикул: K1007419A, LAMP ASSY,WORKING;ADDITIONAL
2Артикул: 300619-02740, LAMP ASSY,ADDITIONAL WORKING
3Артикул: 300619-02740A, LAMP ASSY,WORKING;6 LAMP,GUARD
Подробнее >
ТРУБОПРОВОД СЕРВОУПРАВЛЕНИЯ-КЛАПАН ЗАМКА РУКОЯТИ

ТРУБОПРОВОД СЕРВОУПРАВЛЕНИЯ-КЛАПАН ЗАМКА РУКОЯТИ

1Артикул: K1003965, PILOT PIPING-LOCK V/V
2Артикул: DS2092008, HOSE
3Артикул: DS2092010, HOSE
Подробнее >
СТРЕЛА - 10 м

СТРЕЛА - 10 м

1Артикул: K1010793L, BOOM ASS`Y
2Артикул: 230207-00130, BOOM ASSY
3Артикул: K1010794C, BOOM SUB ASS`Y-10m
Подробнее >
РУКОЯТЬ - 3.75 м

РУКОЯТЬ - 3.75 м

1Артикул: 230201-00177, ARM ASSY;3.75M
2Артикул: 230204-00095, ARM ASS`Y-3.75M
3Артикул: 230204-00095B, ARM ASS`Y;3.75M
Подробнее >
6320 TRACK SHOE ASS`Y - 700G [5001~5065]

6320 TRACK SHOE ASS`Y - 700G [5001~5065]

1Артикул: 273-00114E, TRACK SHOE ASS`Y(700MM)
2Артикул: 273-00107B, TRACK SHOE ASS`Y-700G
3Артикул: 272-00062B, . TRACK LINK ASS`Y
Подробнее >
7840 BUCKET ASS`Y - 1.27mВі - G CLASS [5001~7692]

7840 BUCKET ASS`Y - 1.27mВі - G CLASS [5001~7692]

1Артикул: 230104-02116, BUCKET ASSY
2Артикул: -, BUCKET,WELD
3Артикул: 430203-00024, . ADAPTER,TOOTH
Подробнее >
ПРОТИВОВЕС - 6.3ТОНН

ПРОТИВОВЕС - 6.3ТОНН

1Артикул: 160702-00091, WEIGHT,COUNTER;6.3TON
2Артикул: 160702-00794, WEIGHT,COUNTER;6.3TON
3Артикул: 160702-00794A, WEIGHT,COUNTER;6.3TON
Подробнее >
7930 SUN VISOR [7675~]

7930 SUN VISOR [7675~]

1Артикул: 220208-00052, SUNVISOR ASSY
2Артикул: 220208-00001B, SUNVISOR
3Артикул: S3450983, SCREW
Подробнее >
ЗАЩИТА ОТ ДОЖДЯ - СИСТЕМА ЗАЩИТЫ ПРИ ОПРОКИДЫВАНИИ

ЗАЩИТА ОТ ДОЖДЯ - СИСТЕМА ЗАЩИТЫ ПРИ ОПРОКИДЫВАНИИ

1Артикул: 102202-00002A, SHIELD ASSY,RAIN
2Артикул: 102202-00001, SHIELD,RAIN
3Артикул: 110420-00008, BRACKET,RAIN SHIELD(R.H)
Подробнее >
КОВРИК НА ПОЛУ КУЗОВА - 2 ПЕДАЛИ(СИСТЕМА ЗАЩИТЫ ПРИ ОПРОКИДЫВАНИИ)

КОВРИК НА ПОЛУ КУЗОВА - 2 ПЕДАЛИ(СИСТЕМА ЗАЩИТЫ ПРИ ОПРОКИДЫВАНИИ)

1Артикул: 110935-00073, MAT,FLOOR;TWO PEDAL
Подробнее >
7200 BUCKET ASSВґY - 1.45mВі - S CLASS

7200 BUCKET ASSВґY - 1.45mВі - S CLASS

1Артикул: 230104-02007, BUCKET ASSY;1.45M3
2Артикул: 230104-02007A, BUCKET ASSY
3Артикул: 230104-02281, BUCKET ASSY;1.45M3 R2S
Подробнее >
7120 BUCKET ASSВґY - 1.23mВі - H CLASS

7120 BUCKET ASSВґY - 1.23mВі - H CLASS

1Артикул: 230104-01740, BUCKET ASSY;1.23M3(R2H)
2Артикул: 230104-01740A, BUCKET ASSY;1.23M3 R2H
3Артикул: 230104-01740B, BUCKET ASSY
Подробнее >
КОВРИК НА ПОЛУ КУЗОВА - ВРАЩАЮЩИЙСЯ

КОВРИК НА ПОЛУ КУЗОВА - ВРАЩАЮЩИЙСЯ

1Артикул: 110935-00084, MAT;FLOOR
2Артикул: 110935-00084A, MAT,FLOOR
3Артикул: 110935-00084B, MAT,FLOOR
Подробнее >
6485 SWING ALARM - TWO WAY(TWO PUMP) [6685~7577]

6485 SWING ALARM - TWO WAY(TWO PUMP) [6685~7577]

1Артикул: 420212-11387, PIPING,PILOT
2Артикул: 549-00010, SWITCH,PRESSURE
3Артикул: S8000111, O-RING
Подробнее >
7185 ADDITIONAL WATER SEPARATOR ASS`Y [7490~]

7185 ADDITIONAL WATER SEPARATOR ASS`Y [7490~]

1Артикул: 420212-14367, PIPING,FUEL
2Артикул: 240304-00017B, SEPARATOR,WATER
3Артикул: 240304-00016C, SEPARATOR,WATER
Подробнее >
7760 TMS - CELLULAR & SATELLITE & ROPS(V1.5) [7400~]

7760 TMS - CELLULAR & SATELLITE & ROPS(V1.5) [7400~]

1Артикул: 300619-03342, ELECTRIC ASSY,TMS1.5
2Артикул: 300619-03139, ELECTRIC ASSY;TMS1.5
3Артикул: 300611-00902, . CONTROLLER;TMS1.5
Подробнее >
ТОПЛИВНЫЙ НАГРЕВАТЕЛЬ

ТОПЛИВНЫЙ НАГРЕВАТЕЛЬ

1Артикул: 300619-00530, ELECTRIC ASSY;FUEL HEATER
2Артикул: 2124-1509D1, CLIP
3Артикул: K1001029, BOLT
Подробнее >
6141 PILOT PIPING - ONE & TWO WAY [5356~6684]

6141 PILOT PIPING - ONE & TWO WAY [5356~6684]

1Артикул: 420212-01043, PIPING,PILOT;1 OR 2-WAY
2Артикул: 426-00266, VALVE;EPPR
3Артикул: 410116-00526, VALVE,EPPR
Подробнее >
РУКОЯТЬ - 2.5 м

РУКОЯТЬ - 2.5 м

1Артикул: 230201-00179, ARM ASSY;2.5M
2Артикул: 230204-00097, ARM ASS`Y-2.5M
3Артикул: 230204-00097B, ARM,MACHINE;2.5M
Подробнее >
УСТАНОВКА КАБИНЫ - СИСТЕМА ЗАЩИТЫ ПРИ ОПРОКИДЫВАНИИ

УСТАНОВКА КАБИНЫ - СИСТЕМА ЗАЩИТЫ ПРИ ОПРОКИДЫВАНИИ

1Артикул: 180204-00044E, RUBBER,CABIN MOUNT
2Артикул: 180204-00002A, RUBBER
3Артикул: S0512366, BOLT
Подробнее >
КРЕСЛО - СИСТЕМА ЗАЩИТЫ ПРИ ОПРОКИДЫВАНИИ

КРЕСЛО - СИСТЕМА ЗАЩИТЫ ПРИ ОПРОКИДЫВАНИИ

1Артикул: 220110-00029C, SEAT,OPERATOR
2Артикул: 220110-00029E, SEAT,OPERATOR
3Артикул: 220108-00003, REST,HEAD
Подробнее >
ПОДВЕСКА - СИСТЕМА ЗАЩИТЫ ПРИ ОПРОКИДЫВАНИИ

ПОДВЕСКА - СИСТЕМА ЗАЩИТЫ ПРИ ОПРОКИДЫВАНИИ

1Артикул: 190112-00001C, SUSPENSION ASSY
2Артикул: 190112-00009B, SUSPENSION,SEAT
3Артикул: 430205-00011, . BELLOWS
Подробнее >
ЗАЩИТНОЕ ОГРАЖДЕНИЕ В СБОРЕ - КАБИНА

ЗАЩИТНОЕ ОГРАЖДЕНИЕ В СБОРЕ - КАБИНА

1Артикул: 110921-00095, GUARD ASS`Y
2Артикул: 110921-00095A, GUARD ASSY
3Артикул: 110921-00096, GUARD;TOP
Подробнее >
6480 SWING ALARM - TWO WAY [5001~6684]

6480 SWING ALARM - TWO WAY [5001~6684]

1Артикул: 420212-00266, PIPING,PILOT;ONE & TWO WAY
2Артикул: 420212-10246, PIPING,PILOT;ONE & TWO WAY
3Артикул: 549-00010, SWITCH,PRESSURE
Подробнее >
7920 ELECTRIC PARTS - PEDAL(BREAKER) [7675~]

7920 ELECTRIC PARTS - PEDAL(BREAKER) [7675~]

1Артикул: 300619-04103, ELECTRIC ASSY
2Артикул: 110420-01299A, BRACKET
3Артикул: 2120-2166D1, BOLT
Подробнее >
7170 COUNTER WEIGHT - 5.0TON(WITH FOAM)

7170 COUNTER WEIGHT - 5.0TON(WITH FOAM)

1Артикул: 160702-00766A, WEIGHT ASSY,COUNTER
2Артикул: 160702-00766C, WEIGHT ASSY,COUNTER;5.0TON
3Артикул: 160702-00766E, WEIGHT ASSY,COUNTER;5.0TON
Подробнее >
РАБОЧАЯ ФАРА(6-ЛАМПЫ) - СИСТЕМА ЗАЩИТЫ ПРИ ОПРОКИДЫВАНИИ

РАБОЧАЯ ФАРА(6-ЛАМПЫ) - СИСТЕМА ЗАЩИТЫ ПРИ ОПРОКИДЫВАНИИ

1Артикул: 300619-02726A, LAMP ASSY,WORKING;6 LAMP
2Артикул: 300619-02726B, LAMP ASSY,WORKING
3Артикул: K1055454, LAMP,HEAD
Подробнее >
6342 TRACK SHOE ASS`Y - 850G [5646~]

6342 TRACK SHOE ASS`Y - 850G [5646~]

1Артикул: 200106-00013, SHOE ASSY,TRACK
2Артикул: 200106-00142A, SHOE ASSY,TRACK;850MM
3Артикул: 200106-00142B, SHOE ASSY,TRACK
Подробнее >
ГЛАВНАЯ МАГИСТРАЛЬ - 2 НАСОСА

ГЛАВНАЯ МАГИСТРАЛЬ - 2 НАСОСА

1Артикул: 420212-00994, PIPING,MAIN(TWO PUMP)
2Артикул: 426-00250A, VALVE;STOP
3Артикул: 410137-00082, VALVE,STOP
Подробнее >
7010 BOOM PIPING-LOCK VALVE [5001~6130]

7010 BOOM PIPING-LOCK VALVE [5001~6130]

1Артикул: 400-01500B, LOCK VALVE PIPING
2Артикул: 440-00446A, CYLINDER;BOOM;LOCK V/V(L.H)
3Артикул: 440-00452A, CYLINDER;BOOM;LOCK V/V(R.H)
Подробнее >
ПРОТИВОВЕС - 5.9 ТОНН

ПРОТИВОВЕС - 5.9 ТОНН

1Артикул: 160702-00085A, WEIGHT ASS`Y,COUNTER
2Артикул: 160702-00767, WEIGHT,COUNTER
3Артикул: 160702-00767A, WEIGHT,COUNTER
Подробнее >
6610 BUCKET ASS`Y - 0.8mВі

6610 BUCKET ASS`Y - 0.8mВі

1Артикул: K1007504G, BUCKET ASS`Y
2Артикул: 230104-00585, BUCKET ASSY
3Артикул: K1007505C, BUCKET SUB ASS`Y-0.8mВі
Подробнее >
СИГНАЛ ЗАДНЕГО ХОДА - СИСТЕМА ЗАЩИТЫ ПРИ ОПРОКИДЫВАНИИ

СИГНАЛ ЗАДНЕГО ХОДА - СИСТЕМА ЗАЩИТЫ ПРИ ОПРОКИДЫВАНИИ

1Артикул: 300619-00676A, ELECTRIC ASSY
2Артикул: 549-00103, SWITCH
3Артикул: 301401-00010, ACTUATOR,SWITCH
Подробнее >
6475 SWING ALARM - ONE WAY [5001~7577]

6475 SWING ALARM - ONE WAY [5001~7577]

1Артикул: 420212-10248, PIPING,PILOT
2Артикул: 420212-11372, PIPING,PILOT
3Артикул: 549-00010, SWITCH,PRESSURE
Подробнее >
ТРУБОПРОВОД СМАЗОЧНОЙ СИСТЕМЫ - РУКОЯТЬ 3.75 м

ТРУБОПРОВОД СМАЗОЧНОЙ СИСТЕМЫ - РУКОЯТЬ 3.75 м

1Артикул: K1007701A, GREASE PIPING,ARM 3.75m
2Артикул: 420212-02562, PIPING,ARM;LUBRICATION 3.75M
3Артикул: DS2055815, HOSE
Подробнее >
ЭЛЕКТРИЧЕСКИЕ ЗАПЧАСТИ - ПУЛЬТ УПРАВЛЕНИЯ(СИСТЕМА ЗАЩИТЫ ПРИ ОПРОКИДЫВАНИИ)

ЭЛЕКТРИЧЕСКИЕ ЗАПЧАСТИ - ПУЛЬТ УПРАВЛЕНИЯ(СИСТЕМА ЗАЩИТЫ ПРИ ОПРОКИДЫВАНИИ)

1Артикул: 300619-02692, ELECTRIC ASSY,STAND;ROPS
2Артикул: 300619-02692A, ELECTRIC ASSY,STAND
3Артикул: K1001858A, SWITCH,STARTER
Подробнее >
ТРУБОПРОВОД СМАЗОЧНОЙ СИСТЕМЫ - РУКОЯТЬ 7 м

ТРУБОПРОВОД СМАЗОЧНОЙ СИСТЕМЫ - РУКОЯТЬ 7 м

1Артикул: K1011521A, LUBRICATION PIPING-ARM 7M
2Артикул: 420212-04439, PIPING,LUBRICATION;7.0M
3Артикул: DS2055817, HOSE
Подробнее >
7980 TMS - CELLULAR & SATELLITE(V2.0) [7751~]

7980 TMS - CELLULAR & SATELLITE(V2.0) [7751~]

1Артикул: 300619-04506, ELECTRIC ASSY,TMS2.0
2Артикул: 2120-2166D6, BOLT
3Артикул: 2114-1898D3, WASHER
Подробнее >
7960 TMS - CELLULAR & ROPS(V2.0) [7751~]

7960 TMS - CELLULAR & ROPS(V2.0) [7751~]

1Артикул: 300619-04505, ELECTRIC ASSY,TMS2.0
2Артикул: 2120-2166D6, BOLT
3Артикул: 2114-1898D3, WASHER
Подробнее >
6790 ROTATING BEACON [5001~7760]

6790 ROTATING BEACON [5001~7760]

1Артикул: 300705-00013A, BEACON ASSY,ROTATING
2Артикул: 300705-00013B, BEACON ASSY,ROTATING
3Артикул: 300705-00013C, BEACON ASSY
Подробнее >
6322 TRACK SHOE ASS`Y - 700G [5646~]

6322 TRACK SHOE ASS`Y - 700G [5646~]

1Артикул: 200106-00011, SHOE ASSY,TRACK
2Артикул: 200106-00140A, SHOE ASSY,TRACK;700MM
3Артикул: 200106-00140B, SHOE ASSY,TRACK
Подробнее >
7410 FLOOR PLATE - ROPS [5001~7691]

7410 FLOOR PLATE - ROPS [5001~7691]

1Артикул: 250106-00152H, PLATE ASSY,FLOOR;ROPS
2Артикул: 250106-00726, PLATE ASSY,FLOOR;ROPS
3Артикул: 250106-00726A, PLATE ASSY,FLOOR;ROPS
Подробнее >
ТРУБОПРОВОД СМАЗОЧНОЙ СИСТЕМЫ - СТРЕЛА 10 м

ТРУБОПРОВОД СМАЗОЧНОЙ СИСТЕМЫ - СТРЕЛА 10 м

1Артикул: K1011541, LUBRICATION PIPING
2Артикул: 140-01011A, PIPE
3Артикул: 140-01012A, PIPE
Подробнее >
ГИДРОСИСТЕМА РУКОЯТИ-ВРАЩЕНИЕ(РУКОЯТЬ-3.1 м)

ГИДРОСИСТЕМА РУКОЯТИ-ВРАЩЕНИЕ(РУКОЯТЬ-3.1 м)

1Артикул: 400-01338A, ARM PIPING-ROTATION
2Артикул: 420212-13233, PIPING,ROTATING;ARM,ROTATING;3.1M
3Артикул: 140-01516E, PIPE
Подробнее >
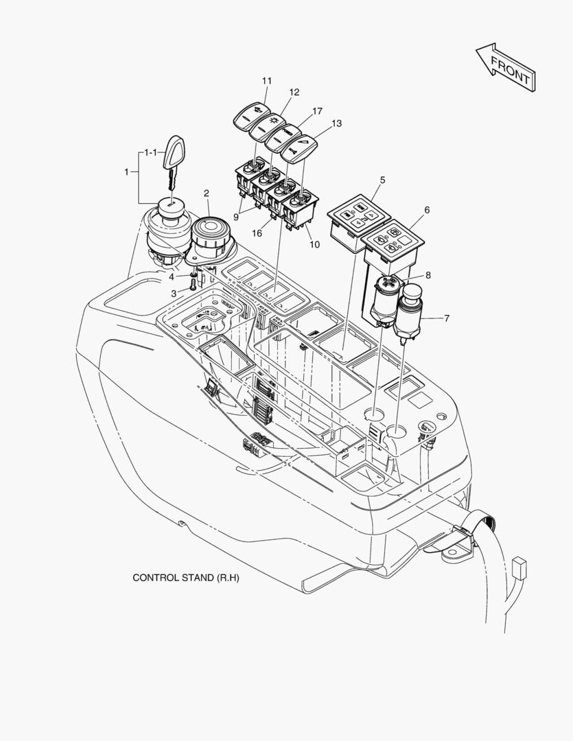
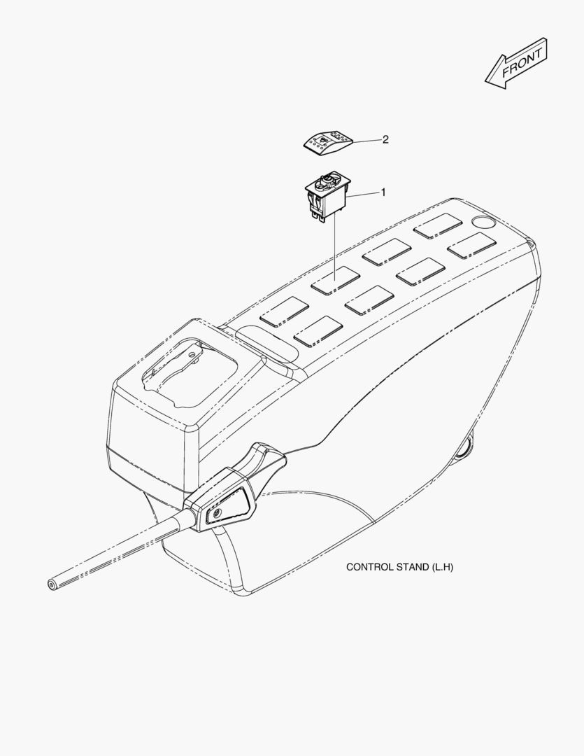
ПУЛЬТ УПРАВЛЕНИЯ - ЛЕВОСТОРОННИЙ(СИСТЕМА ЗАЩИТЫ ПРИ ОПРОКИДЫВАНИИ)

ПУЛЬТ УПРАВЛЕНИЯ - ЛЕВОСТОРОННИЙ(СИСТЕМА ЗАЩИТЫ ПРИ ОПРОКИДЫВАНИИ)

1Артикул: 220111-00047H, STAND ASSY,CONTROL(L.H)
2Артикул: 220111-00047K, STAND ASSY,CONTROL(L.H)
3Артикул: 220111-00047L, STAND ASSY,CONTROL
Подробнее >
7990 TMS - CELLULAR & SATELLITE & ROPS(V2.0) [7751~]

7990 TMS - CELLULAR & SATELLITE & ROPS(V2.0) [7751~]

1Артикул: 300619-04506, ELECTRIC ASSY,TMS2.0
2Артикул: 2120-2166D6, BOLT
3Артикул: 2114-1898D3, WASHER
Подробнее >
6370 ROCK BUCKET ASS`Y 1.16mВі - HEAVY DUTY

6370 ROCK BUCKET ASS`Y 1.16mВі - HEAVY DUTY

1Артикул: K1008547G, BUCKET ASS`Y
2Артикул: 230104-00582, BUCKET ASSY
3Артикул: K1008548C, BUCKET SUB ASS`Y 1.16mВі
Подробнее >
РУКОЯТКА - КАБИНА(СИСТЕМА ЗАЩИТЫ ПРИ ОПРОКИДЫВАНИИ)

РУКОЯТКА - КАБИНА(СИСТЕМА ЗАЩИТЫ ПРИ ОПРОКИДЫВАНИИ)

1Артикул: 110925-00382, HANDLE ASSY
2Артикул: 110925-00382B, HANDLE ASSY
3Артикул: 110925-00385, HANDLE,OUTER
Подробнее >
7950 TMS - CELLULAR(V2.0) [7751~]

7950 TMS - CELLULAR(V2.0) [7751~]

1Артикул: 300619-04505, ELECTRIC ASSY,TMS2.0
2Артикул: 2120-2166D6, BOLT
3Артикул: 2114-1898D3, WASHER
Подробнее >
СИГНАЛИЗАЦИЯ О ПЕРЕГРУЗКЕ

СИГНАЛИЗАЦИЯ О ПЕРЕГРУЗКЕ

1Артикул: 500-00312, OVER LOAD WARNING
2Артикул: 549-00102, SWITCH
3Артикул: K1002406D4, ACTUATOR
Подробнее >
6486 SWING ALARM - ONE OR TWO WAY(TWO PUMP) [7578~]

6486 SWING ALARM - ONE OR TWO WAY(TWO PUMP) [7578~]

1Артикул: 420212-11387, PIPING,PILOT
2Артикул: 549-00010, SWITCH,PRESSURE
3Артикул: 301413-00340, SWITCH,OIL PRESSURE
Подробнее >
6151 MAIN PIPING - TWO WAY [7749~]

6151 MAIN PIPING - TWO WAY [7749~]

1Артикул: 420212-06917, PIPING,MAIN(TWO WAY)
2Артикул: 410111-00130A, VALVE;SELECT
3Артикул: 410111-00130B, VALVE;SELECT
Подробнее >
7900 AIRCONDITIONER(1) - HEATER(ROPS) [7706~]

7900 AIRCONDITIONER(1) - HEATER(ROPS) [7706~]

1Артикул: 440213-01032, VENTILATION ASSY(ROPS)
2Артикул: 440213-01032A, VENTILATION;HEATER ASSY, DIESEL, ROBS
3Артикул: 440213-01032B, VENTILATION;HEATER ASSY, DIESEL, ROBS
Подробнее >
ВКЛЮЧАТЕЛЬ - 2 НАСОСА

ВКЛЮЧАТЕЛЬ - 2 НАСОСА

1Артикул: K1013374, ELECTRIC(TWO PUMP)
2Артикул: 549-00101, SWITCH
3Артикул: K1002406D22, ACTUATOR,SWITCH
Подробнее >
6100 FUEL FILLER PUMP [5001~7674]

6100 FUEL FILLER PUMP [5001~7674]

1Артикул: 400909-00034, PUMP ASSY,FUEL FILLER
2Артикул: 401-00449, PUMP,FUEL TRANSFER
3Артикул: 2181-2755B, . ADAPTER
Подробнее >
ПУЛЬТ УПРАВЛЕНИЯ - ПРАВОСТОРОННИЙ(СИСТЕМА ЗАЩИТЫ ПРИ ОПРОКИДЫВАНИИ)

ПУЛЬТ УПРАВЛЕНИЯ - ПРАВОСТОРОННИЙ(СИСТЕМА ЗАЩИТЫ ПРИ ОПРОКИДЫВАНИИ)

1Артикул: 220111-00092A, STAND ASSY,CONTROL;RH
2Артикул: 220111-00092B, STAND ASSY,CONTROL;RH
3Артикул: 220111-00092C, STAND ASSY,CONTROL;RH
Подробнее >
ГИДРОСИСТЕМА РУКОЯТИ - РУКОЯТЬ 7 м

ГИДРОСИСТЕМА РУКОЯТИ - РУКОЯТЬ 7 м

1Артикул: K1011433A, ARM PIPING-ARM 7M
2Артикул: 420212-09763, PIPING,ARM;7.0M LONG
3Артикул: K1011434A, BUCKET CYLINDER
Подробнее >
КАБИНА(1) - СИСТЕМА ЗАЩИТЫ ПРИ ОПРОКИДЫВАНИИ

КАБИНА(1) - СИСТЕМА ЗАЩИТЫ ПРИ ОПРОКИДЫВАНИИ

1Артикул: 220101-01147G, CABIN ASSY
2Артикул: 220101-01147H, CABIN ASSY
3Артикул: 220101-01147L, CABIN ASSY
Подробнее >
РУКОЯТЬ - 7 м

РУКОЯТЬ - 7 м

1Артикул: 230201-00138, ARM ASSY(7.0M)
2Артикул: 230204-00068, ARM,MACHINE(7.0M)
3Артикул: 230204-00068A, ARM,MACHINE;(7.0M)
Подробнее >
ЧЕХОЛ КРЫШКИ - PC(СИСТЕМА ЗАЩИТЫ ПРИ ОПРОКИДЫВАНИИ)

ЧЕХОЛ КРЫШКИ - PC(СИСТЕМА ЗАЩИТЫ ПРИ ОПРОКИДЫВАНИИ)

1Артикул: 220204-00047B, COVER ASSY,CABIN
2Артикул: 220204-00270, COVER,ROOF
3Артикул: 110927-00014, HINGE,ROOF COVER
Подробнее >
ПРОБЛЕСКОВЫЙ МАЯЧОК - СИСТЕМА ЗАЩИТЫ ПРИ ОПРОКИДЫВАНИИ

ПРОБЛЕСКОВЫЙ МАЯЧОК - СИСТЕМА ЗАЩИТЫ ПРИ ОПРОКИДЫВАНИИ

1Артикул: 300619-00081H, ROTATING BEACON ASSY
2Артикул: 300619-00081K, BEACON ASSY,ROTATING
3Артикул: 300619-00081L, BEACON ASSY,ROTATING
Подробнее >
7690 FUEL HEATER - ROPS [5001~7570]

7690 FUEL HEATER - ROPS [5001~7570]

1Артикул: 300619-00677A, FUEL HEATER,ROPS
2Артикул: 549-00101, SWITCH
3Артикул: K1053326, RELAY
Подробнее >
6210 ARM PIPING - ONE & TWO WAY(ARM 3.1m)

6210 ARM PIPING - ONE & TWO WAY(ARM 3.1m)

1Артикул: 420212-01897, PIPING,ARM(ONE & TWO WAY)
2Артикул: 140-01510A, PIPE
3Артикул: 420207-02587, PIPE
Подробнее >
ГИДРОСИСТЕМА РУКОЯТИ - БЫСТРАЯ ПОСАДКА(РУКОЯТЬ 3.1 м)

ГИДРОСИСТЕМА РУКОЯТИ - БЫСТРАЯ ПОСАДКА(РУКОЯТЬ 3.1 м)

1Артикул: 400-01384, ARM PIPING (QUICK FIT)
2Артикул: 420212-14217, PIPING,ARM(QUICK COUPLER)
3Артикул: 140-01560B, PIPE
Подробнее >
7740 ELECTRIC WIRING - ROPS [5001~7748]

7740 ELECTRIC WIRING - ROPS [5001~7748]

1Артикул: 300619-03292, WIRING GROUP,ELECTRIC;ROPS
2Артикул: 310207-04422, HARNESS,MAIN;ROPS
3Артикул: 310207-04422A, HARNESS,MAIN
Подробнее >
БОКОВАЯ ДВЕРЬ -ЛЕВОСТОРОННИЙ(НЕ В ТРОПИЧЕСКИХ УСЛОВИЯХ)

БОКОВАЯ ДВЕРЬ -ЛЕВОСТОРОННИЙ(НЕ В ТРОПИЧЕСКИХ УСЛОВИЯХ)

1Артикул: 110508-00708, COVER ASSY;NON TROPICAL
2Артикул: 110982-00143B, DOOR ASSY,SIDE;(L.H)
3Артикул: 110982-00143C, DOOR ASSY,SIDE;LH
Подробнее >
6620 BUCKET ASS`Y - 1.03mВі

6620 BUCKET ASS`Y - 1.03mВі

1Артикул: K1007507G, BUCKET ASS`Y
2Артикул: 230104-00588, BUCKET ASSY
3Артикул: K1007508C, BUCKET SUB ASS`Y-1.05mВі
Подробнее >
6140 PILOT PIPING - ONE & TWO WAY [5001~5355]

6140 PILOT PIPING - ONE & TWO WAY [5001~5355]

1Артикул: 420212-01043, PIPING,PILOT;1 OR 2-WAY
2Артикул: 426-00266, VALVE;EPPR
3Артикул: K9001362, . VALVE;E.P.P.R
Подробнее >
ПОДСТАВКА ДЛЯ НОГ - ПРАВОСТОРОННИЙ(СИСТЕМА ЗАЩИТЫ ПРИ ОПРОКИДЫВАНИИ)

ПОДСТАВКА ДЛЯ НОГ - ПРАВОСТОРОННИЙ(СИСТЕМА ЗАЩИТЫ ПРИ ОПРОКИДЫВАНИИ)

1Артикул: 220107-00006, REST,FOOT(R.H)
2Артикул: 220107-00003, REST,FOOT;BRACKET(RH)
3Артикул: 2120-2166D1, BOLT
Подробнее >
7870 RESERVE TANK(TROPICAL) [7675~]

7870 RESERVE TANK(TROPICAL) [7675~]

1Артикул: 150109-02508, ENGINE;RESERVE TANK TRO
2Артикул: 450107-00056, TANK,RESERVE
3Артикул: 110910-02504, . CAP
Подробнее >
ТРУБОПРОВОД СЕРВОУПРАВЛЕНИЯ - 2 НАСОСА(ОДИН ПУТЬ)

ТРУБОПРОВОД СЕРВОУПРАВЛЕНИЯ - 2 НАСОСА(ОДИН ПУТЬ)

1Артикул: 420212-00998, PIPING,PILOT(TWO PUMP)
2Артикул: 426-00246A, VALVE,SOLENOID
3Артикул: K9001354, . SPOOL,SOLENOID
Подробнее >
КРЫШКА ТРУБОПРОВОДА - СИСТЕМА ЗАЩИТЫ ПРИ ОПРОКИДЫВАНИИ

КРЫШКА ТРУБОПРОВОДА - СИСТЕМА ЗАЩИТЫ ПРИ ОПРОКИДЫВАНИИ

1Артикул: 110517-00363G, COVER ASSY,SIDE
2Артикул: 110517-00363H, COVER ASSY,SIDE
3Артикул: 110517-00363K, COVER ASSY,SIDE
Подробнее >
РАМА ГУСЕНИЦЫ - ОСОБО ПРОЧНЫЙ

РАМА ГУСЕНИЦЫ - ОСОБО ПРОЧНЫЙ

1Артикул: K1009142B, TRACK FRAME
2Артикул: K1009142C, TRACK FRAME
3Артикул: K1008864B, FRAME;TRACK
Подробнее >
7882 AIR CLEANER COVER - WITH DIESEL HEATER [7706~]

7882 AIR CLEANER COVER - WITH DIESEL HEATER [7706~]

1Артикул: 400414-00679, CLEANER ASSY,AIR
2Артикул: 110508-31898, COVER,AIR CLEANER
3Артикул: 110508-31899, COVER,AIR CLEANER
Подробнее >
ТРУБОПРОВОД СЕРВОУПРАВЛЕНИЯ-ГИДРОЗАМОК СТРЕЛЫ

ТРУБОПРОВОД СЕРВОУПРАВЛЕНИЯ-ГИДРОЗАМОК СТРЕЛЫ

1Артикул: 400-01385A, PILOT PIPING-LOCK VALVE
2Артикул: DS2093045, HOSE
3Артикул: DS2092009, HOSE
Подробнее >