+7 (701) 588 50 05 Телефон для связи
RU

WhatsApp

Позвонить

60 ОПЦИОННЫЕ ЗАПЧАСТИ в Алматы

ГЛАВНАЯ МАГИСТРАЛЬ - БЫСТРОУСТАНАВЛИВАЕМЫЙ ФИКСАТОР

ГЛАВНАЯ МАГИСТРАЛЬ - БЫСТРОУСТАНАВЛИВАЕМЫЙ ФИКСАТОР

1Артикул: 420212-09326, PIPING,MAIN;QUICK CLAMP
2Артикул: DS2092235, HOSE
3Артикул: DS2094409, HOSE(ST-ST)
Подробнее >
КОВРИК НА ПОЛУ КУЗОВА - КАБИНА

КОВРИК НА ПОЛУ КУЗОВА - КАБИНА

1Артикул: K1027805, MAT FLOOR ASS`Y
2Артикул: 110935-00264, MAT,FLOOR
3Артикул: K1029122, MAT;CABIN
Подробнее >
КАБИНА (1)

КАБИНА (1)

1Артикул: K1011306E, CABIN ASS`Y
2Артикул: K1011306G, CABIN ASS`Y
3Артикул: K1011306H, CABIN ASS`Y
Подробнее >
ПЕРЕДНИЙ ТРУБОПРОВОД - БЫСТРОУСТАНАВЛИВАЕМЫЙ ФИКСАТОР

ПЕРЕДНИЙ ТРУБОПРОВОД - БЫСТРОУСТАНАВЛИВАЕМЫЙ ФИКСАТОР

1Артикул: K1017372E, QUICK CLAMP PIPING
2Артикул: K1017696A, PIPE
3Артикул: 2181-2820D1, PLUG
Подробнее >
6110 ACCUMULATOR

6110 ACCUMULATOR

1Артикул: K1026006, ACCUMULATOR ASS`Y
2Артикул: K1013795, BLOCK
3Артикул: 2460-9057A, ACCUMULATOR
Подробнее >
ТУБОПРОВОД ОБОГРЕВАТЕЛЯ

ТУБОПРОВОД ОБОГРЕВАТЕЛЯ

1Артикул: K1026797A, HEATER PIPING
2Артикул: 440213-00058, VENTILATION ASSY
3Артикул: 2186-9003, VALVE
Подробнее >
СТЕКЛООМЫВАТЕЛЬ

СТЕКЛООМЫВАТЕЛЬ

1Артикул: K1026795, WINDOW WASHER
2Артикул: 300619-02284, ELECTRIC ASSY;CABIN
3Артикул: 2916-9002A, TANK;WASHER
Подробнее >
ЭЛЕКТРИЧЕСКИЕ ЗАПЧАСТИ - КАБИНА

ЭЛЕКТРИЧЕСКИЕ ЗАПЧАСТИ - КАБИНА

1Артикул: K1026794, ELECTRIC PARTS
2Артикул: 300619-01963, ELECTRIC ASSY;CABIN
3Артикул: 300619-01963A, ELECTRIC ASSY;CABIN
Подробнее >
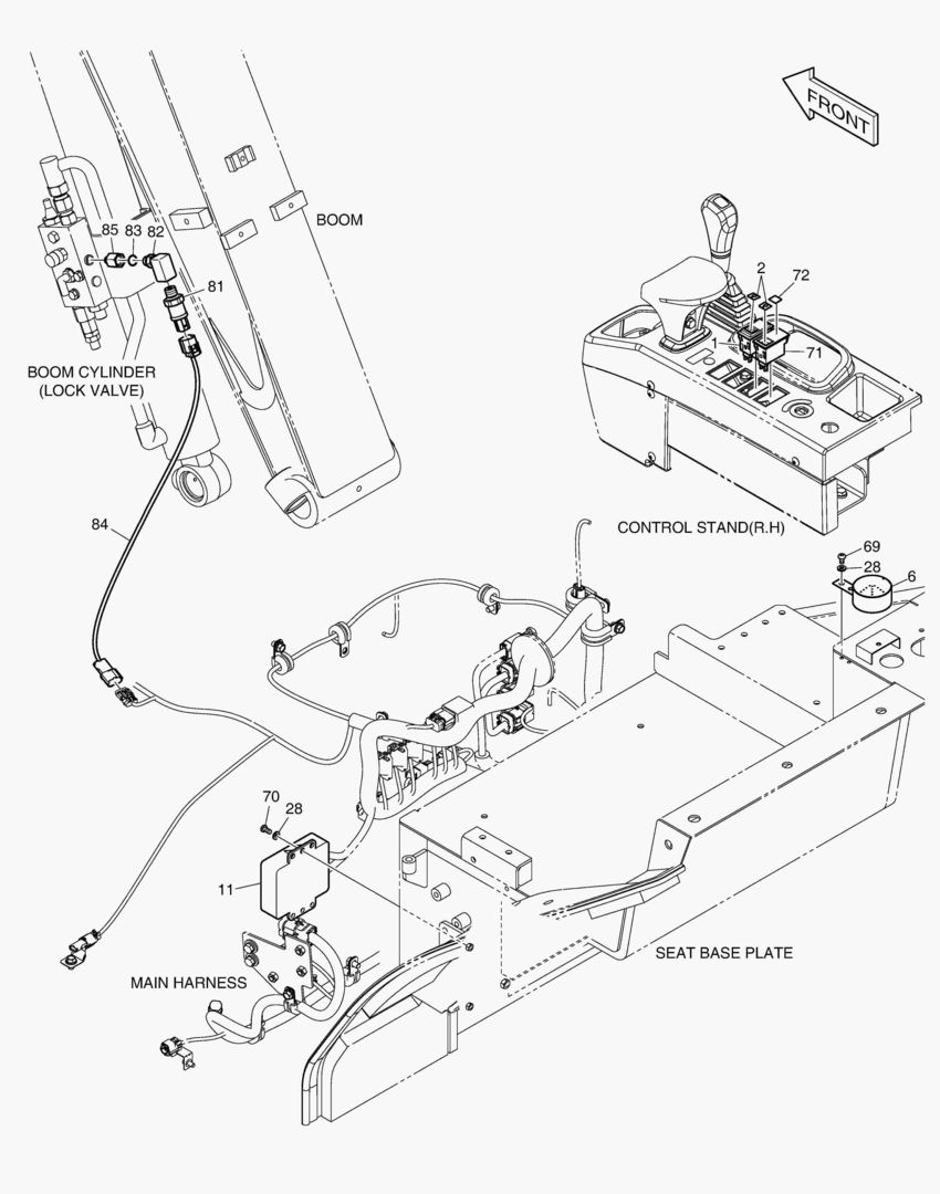
ГИДРОСИСТЕМА СТРЕЛЫ - ГИДРОЗАМОК

ГИДРОСИСТЕМА СТРЕЛЫ - ГИДРОЗАМОК

1Артикул: 420212-07772, PIPING,BOOM LOCK VALVE
2Артикул: 400309-00443, CYLINDER,BOOM;LOCK VALVE
3Артикул: 410114-00173, VALVE,LOCK
Подробнее >
КАБИНА (2)

КАБИНА (2)

1Артикул: K1011306E, CABIN ASS`Y
2Артикул: K1011306G, CABIN ASS`Y
3Артикул: K1011306H, CABIN ASS`Y
Подробнее >
ТРУБОПРОВОД СЕРВОУПРАВЛЕНИЯ - БЫСТРОУСТАНАВЛИВАЕМЫЙ ФИКСАТОР

ТРУБОПРОВОД СЕРВОУПРАВЛЕНИЯ - БЫСТРОУСТАНАВЛИВАЕМЫЙ ФИКСАТОР

1Артикул: K1026001, PILOT PIPING;QUICK CLAMP
2Артикул: 420212-01352, PIPING,QUICK CLAMP
3Артикул: 426-00236, VALVE;SOLENOID
Подробнее >
СИГНАЛ ЗАДНЕГО ХОДА - ЭЛЕКТРИЧЕСКИЕ ЗАПЧАСТИ

СИГНАЛ ЗАДНЕГО ХОДА - ЭЛЕКТРИЧЕСКИЕ ЗАПЧАСТИ

1Артикул: K1026801, TRAVEL ALARM ASS`Y
2Артикул: 300702-00050, ALARM ASSY
3Артикул: 2549-9115, SWITCH;ROCKER(12V)
Подробнее >
6130 ROTATING BEACON

6130 ROTATING BEACON

1Артикул: K1026807, ROTATING BEACON ASS`Y
2Артикул: 300705-00097, BEACON ASSY,ROTATING
3Артикул: 2549-9115, SWITCH;ROCKER(12V)
Подробнее >
ТРУБОПРОВОД СЕРВОУПРАВЛЕНИЯ - КЛАПАН ЗАМКА РУКОЯТИ

ТРУБОПРОВОД СЕРВОУПРАВЛЕНИЯ - КЛАПАН ЗАМКА РУКОЯТИ

1Артикул: 420212-08653, PIPING,PILOT;ARM LOCK VALVE
2Артикул: DS2094221, HOSE
3Артикул: DS2093008, HOSE
Подробнее >
АУДИОСИСТЕМА ТЕХНИКИ

АУДИОСИСТЕМА ТЕХНИКИ

1Артикул: K1026809, STEREO;CAR
2Артикул: 300619-01098, ELECTRIC ASSY;CASSETTE PLAYER
3Артикул: 300619-01098A, ELECTRIC ASSY;RADIO
Подробнее >
КАБИНА (3)

КАБИНА (3)

1Артикул: K1011306E, CABIN ASS`Y
2Артикул: K1011306G, CABIN ASS`Y
3Артикул: K1011306H, CABIN ASS`Y
Подробнее >
6370 WORKING LAMP

6370 WORKING LAMP

1Артикул: K1026804A, WORKING LAMP ASS`Y
2Артикул: 300619-01052, LAMP ASSY,ADDITIONAL WORKING
3Артикул: 534-00029, LAMP;WORKING
Подробнее >
ТРУБОПРОВОД СЕРВОУПРАВЛЕНИЯ - ИЗМЕНЕНИЕ РЕЖИМА(1)

ТРУБОПРОВОД СЕРВОУПРАВЛЕНИЯ - ИЗМЕНЕНИЕ РЕЖИМА(1)

1Артикул: K1026003, PILOT PIPING
2Артикул: DS2094097, HOSE ASSY,HYDRAULIC
3Артикул: DS2094003, HOSE PF1/4-1220L
Подробнее >
ОБОГРЕВАТЕЛЬ - КАБИНА

ОБОГРЕВАТЕЛЬ - КАБИНА

1Артикул: K1026796, HEATER ASS`Y
2Артикул: 400823-00021, VENTILATION ASSY
3Артикул: 549-00040, SWITCH;ROCKER
Подробнее >
6280 MIRROR

6280 MIRROR

1Артикул: K1013176C, MIRROR ASS`Y
2Артикул: 110969-00003, MIRROR ASS`Y
3Артикул: K1013070A, STAY;MIRROR (L.H)
Подробнее >
6100 COUNTER WEIGHT

6100 COUNTER WEIGHT

1Артикул: K1027858, COUNTER WEIGHT;OPT.
2Артикул: K1025348, COUNTER WEIGHT
3Артикул: S0570766, BOLT
Подробнее >
ЭЛЕКТРИЧЕСКИЕ ЗАПЧАСТИ - БЫСТРОУСТАНАВЛИВАЕМЫЙ ФИКСАТОР

ЭЛЕКТРИЧЕСКИЕ ЗАПЧАСТИ - БЫСТРОУСТАНАВЛИВАЕМЫЙ ФИКСАТОР

1Артикул: K1026800, ELECTRIC PARTS
2Артикул: 549-00092, SWITCH
3Артикул: 530-00432A, HARNESS,JOINT
Подробнее >
6380 BOOM SWING

6380 BOOM SWING

1Артикул: K1033587, BRACKET;SWING
2Артикул: K1018208A, . BUSHING
3Артикул: K1026472, . BUSHING
Подробнее >
БУЛЬДОЗЕРНЫЙ ОТВАЛ - 1570 мм

БУЛЬДОЗЕРНЫЙ ОТВАЛ - 1570 мм

1Артикул: K1038695, BLADE;DOZER-1570mm
Подробнее >
ГИДРОСИСТЕМА РУКОЯТИ - РУКОЯТЬ 1.3 м

ГИДРОСИСТЕМА РУКОЯТИ - РУКОЯТЬ 1.3 м

1Артикул: K1027966C, ARM ASS`Y
2Артикул: 230201-00573, ARM ASS`Y
3Артикул: K1015891C, ARM 1.3m
Подробнее >
ГИДРОСИСТЕМА СТРЕЛЫ - КЛАПАН ЗАМКА РУКОЯТИ

ГИДРОСИСТЕМА СТРЕЛЫ - КЛАПАН ЗАМКА РУКОЯТИ

1Артикул: 420212-07727, PIPING,ARM LOCK VALVE
2Артикул: 400305-00277, CYLINDER,ARM;LOCK VALVE
3Артикул: 410114-00171, VALVE,LOCK
Подробнее >
КРЫШКА ОБОГРЕВАТЕЛЯ

КРЫШКА ОБОГРЕВАТЕЛЯ

1Артикул: K1015073B, HEATER COVER
2Артикул: 110508-15882, COVER,HEATER
3Артикул: K1013225, PLATE;HEATER MOUNTING
Подробнее >
ТРУБОПРОВОД СЕРВОУПРАВЛЕНИЯ - ИЗМЕНЕНИЕ РЕЖИМА(2)

ТРУБОПРОВОД СЕРВОУПРАВЛЕНИЯ - ИЗМЕНЕНИЕ РЕЖИМА(2)

1Артикул: K1026004, PILOT PIPING;PATTERN CHANGE
2Артикул: K1014318, VALVE;PATTERN CHANGE
3Артикул: 2181-1126D14, ADAPTER
Подробнее >
ТРУБОПРОВОД СЕРВОУПРАВЛЕНИЯ - СИГНАЛ ЗАДНЕГО ХОДА

ТРУБОПРОВОД СЕРВОУПРАВЛЕНИЯ - СИГНАЛ ЗАДНЕГО ХОДА

1Артикул: K1026002B, PILOT PIPING-TRAVEL ALARM
2Артикул: 2420-9351B, VALVE;SHUTTLE
3Артикул: K1050271, VALVE,SHUTTLE
Подробнее >
КРЫШКА - КАБИНА

КРЫШКА - КАБИНА

1Артикул: K1023912C, COVER ASS`Y
2Артикул: 220204-00278, COVER,CABIN
3Артикул: K1014172C, COVER
Подробнее >
ЛАМПА В КАБИНЕ

ЛАМПА В КАБИНЕ

1Артикул: K1026805, WORKING LAMP ASS`Y
2Артикул: 300619-01054, ELECTRIC ASSY;WORKING LAMP
3Артикул: 300619-01054A, LAMP ASSY,WORKING;CABIN LAMP
Подробнее >
ТРУБОПРОВОД СЕРВОУПРАВЛЕНИЯ - ГИДРОЗАМОК СТРЕЛЫ

ТРУБОПРОВОД СЕРВОУПРАВЛЕНИЯ - ГИДРОЗАМОК СТРЕЛЫ

1Артикул: 420212-08640, PIPING,PILOT;BOOM LOCK VALVE
2Артикул: DS2094016, HOSE
3Артикул: DS2093126, HOSE
Подробнее >
УСТАНОВКА КАБИНЫ

УСТАНОВКА КАБИНЫ

1Артикул: K1011305G, CABIN MOUNTING
2Артикул: 220101-00684, CABIN ASSY,MOUNT
3Артикул: 161-00284, RUBBER;CABIN MOUNTING
Подробнее >
ДВИГАТЕЛЬ - Tier3

ДВИГАТЕЛЬ - Tier3

1Артикул: K1030463, ENGINE (T-3)
2Артикул: K1039682, HOSE;AIR
Подробнее >
КАБИНА (4)

КАБИНА (4)

1Артикул: K1011306E, CABIN ASS`Y
2Артикул: K1011306G, CABIN ASS`Y
3Артикул: K1011306H, CABIN ASS`Y
Подробнее >
6330 HEATER

6330 HEATER

1Артикул: K1013609, HEATER ASS`Y
2Артикул: K9005244, CASE
3Артикул: K9005245, CASE
Подробнее >
СИГНАЛИЗАЦИЯ О ПЕРЕГРУЗКЕ

СИГНАЛИЗАЦИЯ О ПЕРЕГРУЗКЕ

1Артикул: 300619-01968, ELECTRIC ASSY
2Артикул: 300619-01968A, ELECTRIC ASSY;OVER LOAD WARNING
3Артикул: 2549-9115, SWITCH;ROCKER(12V)
Подробнее >