+7 (701) 588 50 05 Телефон для связи
RU

WhatsApp

Позвонить

60 ОПЦИОННЫЕ ЗАПЧАСТИ в Алматы

ТОПЛИВНЫЙ ФИЛЬТР - С ПОДОГРЕВАТЕЛЬНОЙ ЧАШЕЙ

ТОПЛИВНЫЙ ФИЛЬТР - С ПОДОГРЕВАТЕЛЬНОЙ ЧАШЕЙ

1Артикул: 420212-06442, PIPING,FUEL
2Артикул: 400403-00072, FILTER,FUEL
3Артикул: 400403-00170, FILTER,FUEL
Подробнее >
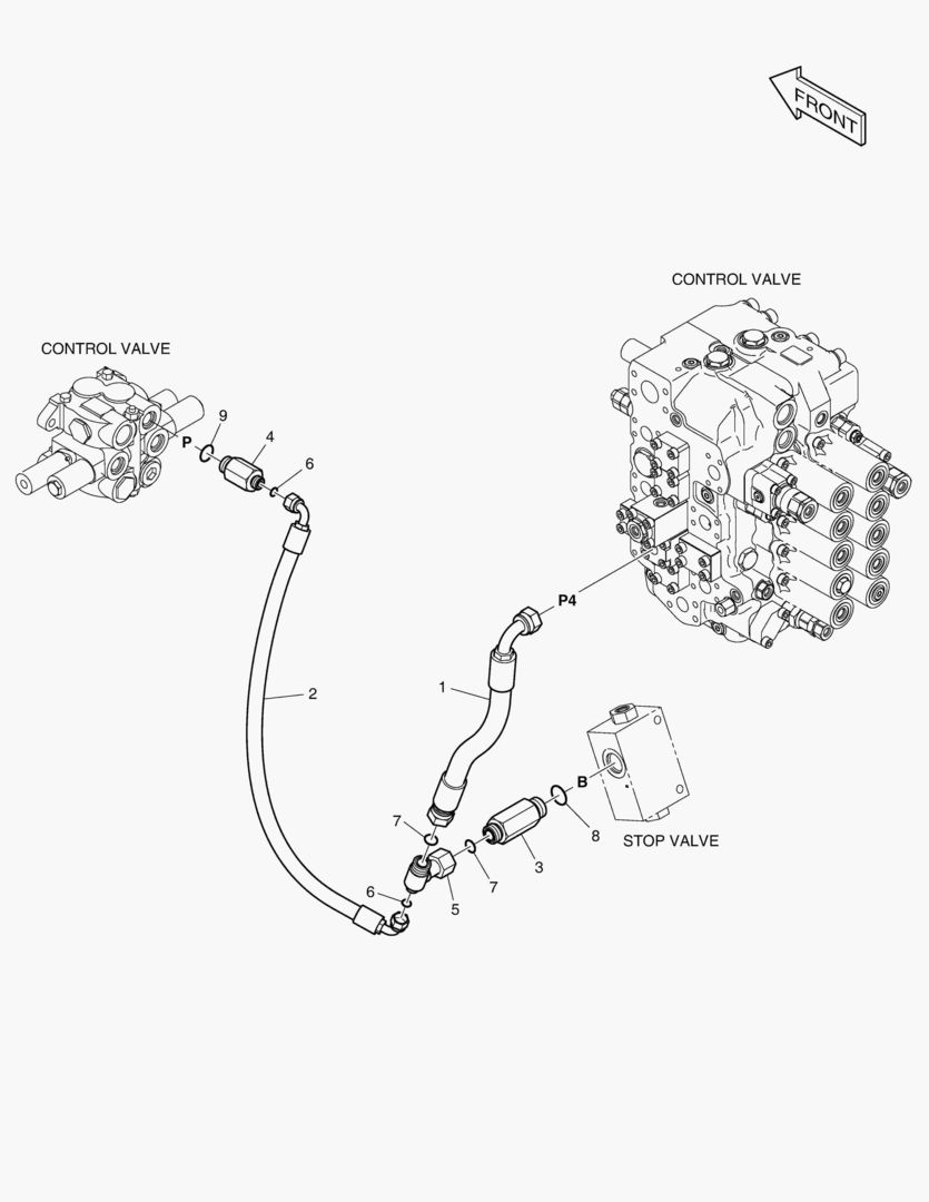
ТРУБОПРОВОД СЕРВОУПРАВЛЕНИЯ-ГИДРОЗАМОК СТРЕЛЫ

ТРУБОПРОВОД СЕРВОУПРАВЛЕНИЯ-ГИДРОЗАМОК СТРЕЛЫ

1Артикул: 420212-05147, PIPING,PILOT;LOCK VALVE;BOOM
2Артикул: DS2232038, ADAPTER
3Артикул: 2181-4133D44, ADAPTER
Подробнее >
7400 BUCKET ASSВґY - 0.92mВі - H CLASS

7400 BUCKET ASSВґY - 0.92mВі - H CLASS

1Артикул: 230104-01726, BUCKET ASSY;0.92M3(R2H)
2Артикул: 230104-01726A, BUCKET ASSY;0.92M3 R2H
3Артикул: 230104-01726B, BUCKET ASSY;0.92M3 R2H
Подробнее >
ГЛАВНАЯ МАГИСТРАЛЬ - 2 НАСОСА(БУЛЬДОЗЕР)

ГЛАВНАЯ МАГИСТРАЛЬ - 2 НАСОСА(БУЛЬДОЗЕР)

1Артикул: 420212-05358, PIPING,MAIN;TWO PUMP(DOZER)
2Артикул: DS20131876, HOSE ASSY,HYDRAULIC
3Артикул: DS2023549, HOSE ASSY,HYDRAULIC
Подробнее >
КАБИНА С НИЗКИМ ЗАЩИТНЫМ ОГРАЖДЕНИЯ

КАБИНА С НИЗКИМ ЗАЩИТНЫМ ОГРАЖДЕНИЯ

1Артикул: 110921-00053, GUARD ASS`Y;LOWER
2Артикул: 110921-00053A, GUARD ASSY,LOWER
3Артикул: 110921-00055, GUARD;FRONT WINDOW
Подробнее >
ТРУБОПРОВОД СЕРВОУПРАВЛЕНИЯ(2) - СТРЕЛА С ИЗМЕНЯЕМОЙ ГЕОМЕТРИЕЙ

ТРУБОПРОВОД СЕРВОУПРАВЛЕНИЯ(2) - СТРЕЛА С ИЗМЕНЯЕМОЙ ГЕОМЕТРИЕЙ

1Артикул: 420212-05217B, PIPING,PILOT;ARTI
2Артикул: 420212-05217E, PIPING,PILOT;ARTI
3Артикул: K1001873A, PLATE
Подробнее >
ТРУБОПРОВОД СМАЗОЧНОЙ СИСТЕМЫ - СТРЕЛА 8.5 м

ТРУБОПРОВОД СМАЗОЧНОЙ СИСТЕМЫ - СТРЕЛА 8.5 м

1Артикул: 420212-05046, PIPING,BOOM;LUBRICATION(8.5M)
2Артикул: K1038814, PIPE
3Артикул: K1038815, PIPE
Подробнее >
ЗАЩИТА ОТ ДОЖДЯ

ЗАЩИТА ОТ ДОЖДЯ

1Артикул: 102202-00002A, SHIELD ASSY,RAIN
2Артикул: 102202-00001, SHIELD,RAIN
3Артикул: 110420-00008, BRACKET,RAIN SHIELD(R.H)
Подробнее >
БУЛЬДОЗЕРНЫЙ ОТВАЛ - 3090 мм

БУЛЬДОЗЕРНЫЙ ОТВАЛ - 3090 мм

1Артикул: 230102-00057, BLADE ASSY,DOZER
2Артикул: 230102-00061B, BLADE,DOZER(3090MM)
3Артикул: K1006525A, . BUSHING
Подробнее >
ТРУБОПРОВОД СЕРВОУПРАВЛЕНИЯ - 2 НАСОСА

ТРУБОПРОВОД СЕРВОУПРАВЛЕНИЯ - 2 НАСОСА

1Артикул: 420212-05162, PIPING,PILOT;TWO PUMP
2Артикул: K1014266, VALVE,PILOT
3Артикул: 2.421-00208, . VALVE,PILOT SHIFT
Подробнее >
СИГНАЛИЗАЦИЯ О ПЕРЕГРУЗКЕ

СИГНАЛИЗАЦИЯ О ПЕРЕГРУЗКЕ

1Артикул: 300619-01222, OVERLOAD WARNING
2Артикул: 2547-9045, SENSOR;PRESSURE
3Артикул: S8000161, O-RING
Подробнее >
МАЯЧОК ТЕЛЕСКОПА(С ЛАМПОЙ)

МАЯЧОК ТЕЛЕСКОПА(С ЛАМПОЙ)

1Артикул: 300619-00084B, TELESCOPIC BEACON ASSY
2Артикул: 195-01805, SUPPORT
3Артикул: 2114-1898D2, WASHER
Подробнее >
ТРУБОПРОВОД - С ФИЛЬТРОМ

ТРУБОПРОВОД - С ФИЛЬТРОМ

1Артикул: 420212-05196, PIPING,BREAKER FILTER;ONE WAY
2Артикул: 471-00114, FILTER,BREAKER
3Артикул: 474-00046, . ELEMENT,BREAKER FILTER
Подробнее >
ЗАЩИТНЫЙ КОРПУС ПРОТИВОТУМАННЫХ ФАР

ЗАЩИТНЫЙ КОРПУС ПРОТИВОТУМАННЫХ ФАР

1Артикул: 110921-00008G, GUARD ASSY;OPG
2Артикул: 110921-00008H, GUARD ASSY;OPG
3Артикул: 110921-00008K, GUARD ASSY;OPG
Подробнее >
ГИДРОСИСТЕМА СТРЕЛЫ-ГИДРОЗАМОК

ГИДРОСИСТЕМА СТРЕЛЫ-ГИДРОЗАМОК

1Артикул: 420212-01421, PIPING,BOOM;BOOM LOCK
2Артикул: 400309-00066B, CYLINDER,BOOM;LOCK V/V(L.H)
3Артикул: 400309-00066C, CYLINDER,BOOM;LOCK V/V(L.H)
Подробнее >
ГЛАВНАЯ МАГИСТРАЛЬ - ОДИН ПУТЬ

ГЛАВНАЯ МАГИСТРАЛЬ - ОДИН ПУТЬ

1Артикул: 420212-01183, PIPING,MAIN;ONE WAY
2Артикул: 430201-00144A, ADAPTER
3Артикул: DS0025017, BOLT
Подробнее >
ТРУБОПРОВОД СЕРВОУПРАВЛЕНИЯ - ВРАЩАЮЩИЙСЯ

ТРУБОПРОВОД СЕРВОУПРАВЛЕНИЯ - ВРАЩАЮЩИЙСЯ

1Артикул: 420212-05224B, PIPING,PILOT;ROTATING
2Артикул: 420212-05224E, PIPING,PILOT
3Артикул: 2181-4133D1, ADAPTER
Подробнее >
7460 CABIN - ROPS(NA)

7460 CABIN - ROPS(NA)

1Артикул: 220101-00492M, CABIN ASSY
2Артикул: 220101-00492N, CABIN ASSY
3Артикул: 220101-00492P, CABIN ASSY
Подробнее >
7470 BUCKET ASSВґY - 0.91mВі - S CLASS

7470 BUCKET ASSВґY - 0.91mВі - S CLASS

1Артикул: 230104-01986, BUCKET ASSY;0.91M3 R2S
2Артикул: 230104-02324, BUCKET ASSY;0.91M3 R2S
3Артикул: 230104-02468, BUCKET ASSY
Подробнее >
ГИДРОСИСТЕМА РУКОЯТИ - РУКОЯТЬ 3.5 м(ВРАЩАЮЩИЙСЯ)

ГИДРОСИСТЕМА РУКОЯТИ - РУКОЯТЬ 3.5 м(ВРАЩАЮЩИЙСЯ)

1Артикул: 420212-04462, PIPING,ARM;ROTATION
2Артикул: 420207-00515A, PIPE
3Артикул: DS20131738, HOSE ASSY,HYDRAULIC
Подробнее >
КОВРИК НА ПОЛУ КУЗОВА - ОДНА ПЕДАЛЬ

КОВРИК НА ПОЛУ КУЗОВА - ОДНА ПЕДАЛЬ

1Артикул: 110935-00047A, MAT,FLOOR
2Артикул: 110935-00047B, MAT,FLOOR;PEDAL(R.H)
3Артикул: 110935-00047C, MAT,FLOOR;PEDAL(R.H)
Подробнее >
ГИДРОСИСТЕМА РУКОЯТИ - РУКОЯТЬ 2.4 м(ГРЕЙФЕРНЫЙ КОВШ)

ГИДРОСИСТЕМА РУКОЯТИ - РУКОЯТЬ 2.4 м(ГРЕЙФЕРНЫЙ КОВШ)

1Артикул: 420212-04371, PIPING,ARM;CLAMSHELL
2Артикул: DS2016181, HOSE ASSY,HYDRAULIC
3Артикул: DS2016270, HOSE ASSY,HYDRAULIC
Подробнее >
7000 BUCKET ASS`Y - 1.07mВі(48`) - SIDE PIN

7000 BUCKET ASS`Y - 1.07mВі(48`) - SIDE PIN

1Артикул: K1013106A, BUCKET ASS`Y-1.07гЋҐ
2Артикул: 230104-01266, BUCKET ASS`Y-1.07гЋҐ
3Артикул: 230104-01266A, BUCKET ASS`Y-1.07гЋҐ
Подробнее >
ТРУБОПРОВОД СЕРВОУПРАВЛЕНИЯ - БУЛЬДОЗЕР(1)

ТРУБОПРОВОД СЕРВОУПРАВЛЕНИЯ - БУЛЬДОЗЕР(1)

1Артикул: 420212-05346, PIPING,PILOT;DOZER
2Артикул: 410134-00015, VALVE,SHUTTLE
3Артикул: 2181-2815D5, ELBOW
Подробнее >
7390 BUCKET ASSВґY - 0.76mВі - H CLASS

7390 BUCKET ASSВґY - 0.76mВі - H CLASS

1Артикул: 230104-01724, BUCKET ASSY;0.76M3(R2H)
2Артикул: 230104-01724A, BUCKET ASSY;0.76M3 R2H
3Артикул: 230104-01724B, BUCKET ASSY;0.76M3 R2H
Подробнее >
ГЛАВНАЯ МАГИСТРАЛЬ - ДВА ПУТИ

ГЛАВНАЯ МАГИСТРАЛЬ - ДВА ПУТИ

1Артикул: 420212-01184, PIPING,MAIN;TWO WAY
2Артикул: 410127-00142, VALVE,RELIEF;PROPORTIONAL
3Артикул: 410127-00233, VALVE,RELIEF
Подробнее >
ГИДРОСИСТЕМА РУКОЯТИ - РУКОЯТЬ 2.4 м(БЫСТРОУСТАНАВЛИВАЕМЫЙ ФИКСАТОР)

ГИДРОСИСТЕМА РУКОЯТИ - РУКОЯТЬ 2.4 м(БЫСТРОУСТАНАВЛИВАЕМЫЙ ФИКСАТОР)

1Артикул: 420212-04369, PIPING,ARM;QUICK FIT
2Артикул: 420207-01174, PIPE ASSY,HYDRAULIC
3Артикул: 420207-01174A, PIPE
Подробнее >
6620 ALTERNATOR - 80A [1001~1137]

6620 ALTERNATOR - 80A [1001~1137]

1Артикул: 300619-00892, ELECTRIC ASSY;ALTERNATOR
2Артикул: 300901-00033, ALTERNATOR
3Артикул: 130707-00042, . PULLEY,ALTERNATOR
Подробнее >
ГЛАВНАЯ МАГИСТРАЛЬ - ВРАЩАЮЩИЙСЯ

ГЛАВНАЯ МАГИСТРАЛЬ - ВРАЩАЮЩИЙСЯ

1Артикул: 420212-05202, PIPING,MAIN;ROTATING
2Артикул: 426-00284B, VALVE,ONE SPOOL
3Артикул: K1001252B, PTO ASS`Y
Подробнее >
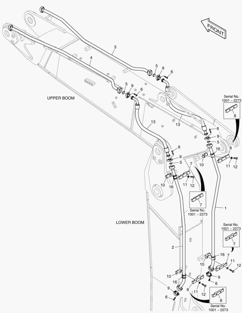
6250 BOOM PIPING - QUICK CLAMP

6250 BOOM PIPING - QUICK CLAMP

1Артикул: 420212-01428, PIPING,BOOM
2Артикул: DS20111052, HOSE
3Артикул: DS20111053, HOSE
Подробнее >
7020 BUCKET ASS`Y - 1.32mВі(57`) - SIDE PIN

7020 BUCKET ASS`Y - 1.32mВі(57`) - SIDE PIN

1Артикул: K1013113A, BUCKET ASS`Y-1.32mВі(H.D)
2Артикул: 230104-01272, BUCKET ASS`Y-1.32mВі(H.D)
3Артикул: 230104-01272A, BUCKET ASS`Y-1.32mВі(H.D)
Подробнее >
ГИДРОСИСТЕМА СТРЕЛЫ - СТРЕЛА 8.5 м(ВРАЩАЮЩИЙСЯ)

ГИДРОСИСТЕМА СТРЕЛЫ - СТРЕЛА 8.5 м(ВРАЩАЮЩИЙСЯ)

1Артикул: 420212-05043, PIPING,BOOM;ROTAION(8.5M)
2Артикул: K1042763, PIPE ASSY,HYDRAULIC
3Артикул: K1042764, PIPE ASSY,HYDRAULIC
Подробнее >
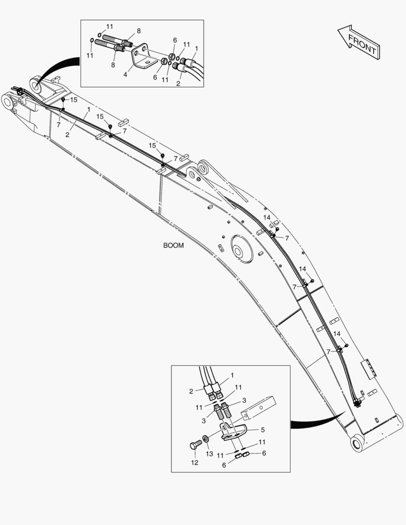
РУКОЯТЬ - 2.4 м

РУКОЯТЬ - 2.4 м

1Артикул: 230201-00280, ARM ASSY
2Артикул: 230204-00133A, ARM ASSY;2.4M
3Артикул: 230204-00133B, ARM ASSY;2.4M
Подробнее >
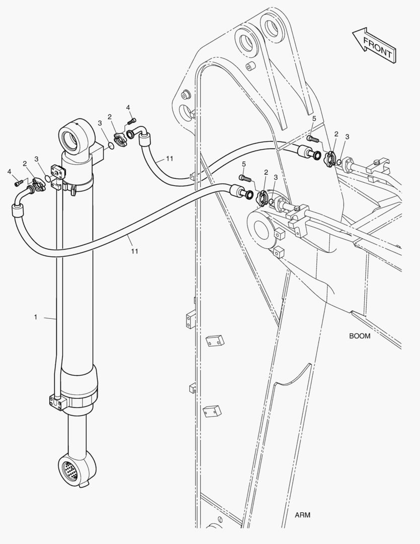
ГИДРОСИСТЕМА СТРЕЛЫ - КЛАПАН ЗАМКА РУКОЯТИ

ГИДРОСИСТЕМА СТРЕЛЫ - КЛАПАН ЗАМКА РУКОЯТИ

1Артикул: 420212-01430, PIPING,BOOM;ARM LOCK
2Артикул: DS20132120, HOSE ASSY,HYDRAULIC
3Артикул: 400305-00047B, CYLINDER;ARM(LOCK V/V)
Подробнее >
6730 ROTATING BEACON

6730 ROTATING BEACON

1Артикул: 300619-00081B, ROTATING BEACON ASSY
2Артикул: 300619-00081E, ROTATING BEACON ASSY
3Артикул: 300619-00081H, ROTATING BEACON ASSY
Подробнее >
РАДИО

РАДИО

1Артикул: 300654-00043, STEREO,CAR;RADIO
2Артикул: 300654-00040, STEREO,CAR;HANDSFREE(24V)
Подробнее >
МОНТАЖ БУЛЬДОЗЕРА

МОНТАЖ БУЛЬДОЗЕРА

1Артикул: 230102-00055, BLADE ASSY,DOZER
2Артикул: 400312-00027, CYLINDER,DOZER;(L.H)
3Артикул: 400312-00028, CYLINDER,DOZER;(R.H)
Подробнее >
ГЛАВНАЯ МАГИСТРАЛЬ - БЫСТРОУСТАНАВЛИВАЕМЫЙ ФИКСАТОР(ШАРНИРНАЯ СТРЕЛА)

ГЛАВНАЯ МАГИСТРАЛЬ - БЫСТРОУСТАНАВЛИВАЕМЫЙ ФИКСАТОР(ШАРНИРНАЯ СТРЕЛА)

1Артикул: 420212-01176, PIPING,MAIN;QUICK FIT(ARTI)
2Артикул: DS2040470, HOSE
3Артикул: DS2040348, HOSE
Подробнее >
6980 BUCKET ASS`Y - 0.73mВі(36`) - SIDE PIN

6980 BUCKET ASS`Y - 0.73mВі(36`) - SIDE PIN

1Артикул: K1013100A, BUCKET ASS`Y-0.73mВі(H.D)
2Артикул: 230104-01259, BUCKET ASS`Y-0.73mВі(H.D)
3Артикул: 230104-01259A, BUCKET ASS`Y-0.73mВі(H.D)
Подробнее >
6210 BOOM PIPING - ONE & TWO WAY

6210 BOOM PIPING - ONE & TWO WAY

1Артикул: 420212-01425, PIPING,BOOM
2Артикул: 420207-00506A, PIPE ASSY,HYDRAULIC
3Артикул: 420207-00506B, PIPE ASSY,HYDRAULIC
Подробнее >
ТРУБОПРОВОД СЕРВОУПРАВЛЕНИЯ - 2 НАСОСА(ОДИН ПУТЬ)

ТРУБОПРОВОД СЕРВОУПРАВЛЕНИЯ - 2 НАСОСА(ОДИН ПУТЬ)

1Артикул: 420212-05287, PIPING,PILOT;ONE WAY(TWO PUMP)
2Артикул: 410135-00235, VALVE,SOLENOID
3Артикул: 410135-00235A, VALVE,SOLENOID(5-SOL)
Подробнее >
РУКОЯТЬ - 6.2 м

РУКОЯТЬ - 6.2 м

1Артикул: 230201-00428, ARM ASSY
2Артикул: 230204-00168A, ARM;6.2M
3Артикул: 230204-00168B, ARM,MACHINE;(6.2M)
Подробнее >
ГЛАВНАЯ МАГИСТРАЛЬ - СТРЕЛА ПЛАВАЮЩЕГО ТИПА

ГЛАВНАЯ МАГИСТРАЛЬ - СТРЕЛА ПЛАВАЮЩЕГО ТИПА

1Артикул: 420212-02305, PIPING,MAIN;BOOM FLOATING
2Артикул: 110406-01697, BRACKET
3Артикул: 2181-2627D1, ADAPTER
Подробнее >
ТРУБОПРОВОД СЕРВОУПРАВЛЕНИЯ - ИЗМЕНЕНИЕ РЕЖИМА(2)

ТРУБОПРОВОД СЕРВОУПРАВЛЕНИЯ - ИЗМЕНЕНИЕ РЕЖИМА(2)

1Артикул: 420212-05222B, PIPING,PILOT;PATTERN CHANGE
2Артикул: DS2113028, HOSE ASSY,HYDRAULIC
3Артикул: DS2113008, HOSE
Подробнее >
ТРУБОПРОВОД СМАЗОЧНОЙ СИСТЕМЫ - ВЕРХНЯЯ СТРЕЛА

ТРУБОПРОВОД СМАЗОЧНОЙ СИСТЕМЫ - ВЕРХНЯЯ СТРЕЛА

1Артикул: 420212-04809, PIPING,ARTI BOOM
2Артикул: DS2059609, HOSE
3Артикул: DS20551226, HOSE
Подробнее >
7270 ARTI.BOOM PIPING - ONE & TWO WAY

7270 ARTI.BOOM PIPING - ONE & TWO WAY

1Артикул: 420212-04754, PIPING,ARTI BOOM;1&2 WAY
2Артикул: 420207-01181, PIPE
3Артикул: 420207-01182, PIPE
Подробнее >
ГИДРОСИСТЕМА РУКОЯТИ - РУКОЯТЬ 2.9 м(ГРЕЙФЕРНЫЙ КОВШ)

ГИДРОСИСТЕМА РУКОЯТИ - РУКОЯТЬ 2.9 м(ГРЕЙФЕРНЫЙ КОВШ)

1Артикул: 420212-01442, PIPING,ARM;CLAMSHELL
2Артикул: DS2016179, HOSE ASSY,HYDRAULIC
3Артикул: DS2016269, HOSE ASSY,HYDRAULIC
Подробнее >
6930 BUCKET ASS`Y - 0.51mВі

6930 BUCKET ASS`Y - 0.51mВі

1Артикул: K1011476E, BUCKET ASS`Y-0.51гЋҐ
2Артикул: 230104-01249, BUCKET ASS`Y-0.51гЋҐ
3Артикул: 230104-01249A, BUCKET ASS`Y-0.51гЋҐ
Подробнее >
ПРОБЛЕСКОВЫЙ МАЯЧОК - ЗАЖИТА

ПРОБЛЕСКОВЫЙ МАЯЧОК - ЗАЖИТА

1Артикул: 300619-00082B, ROTATING BEACON ASSY
2Артикул: 300619-00082E, ROTATING BEACON ASSY
3Артикул: 131002-00085, BUSHING ASS`Y
Подробнее >
ГЛАВНАЯ МАГИСТРАЛЬ - СТРЕЛА ПЛАВАЮЩЕГО ТИПА(ЗАМОК)

ГЛАВНАЯ МАГИСТРАЛЬ - СТРЕЛА ПЛАВАЮЩЕГО ТИПА(ЗАМОК)

1Артикул: 420212-05206, PIPING,MAIN;BOOM FLOATING(L/V)
2Артикул: 410111-00092, VALVE;EASY BOOM
3Артикул: 300715-00065, . COIL,SOLENOID
Подробнее >
ГЛАВНАЯ МАГИСТРАЛЬ - 2 НАСОСА(ШАРНИРНАЯ СТРЕЛА)

ГЛАВНАЯ МАГИСТРАЛЬ - 2 НАСОСА(ШАРНИРНАЯ СТРЕЛА)

1Артикул: 420212-05356, PIPING,MAIN;TWO PUMP(ARTI)
2Артикул: DS2012396, HOSE ASSY,HYDRAULIC
3Артикул: DS20132061, HOSE,HYDRAULIC
Подробнее >
7480 BUCKET ASSВґY - 1.07mВі - S CLASS

7480 BUCKET ASSВґY - 1.07mВі - S CLASS

1Артикул: 230104-02003, BUCKET ASSY;1.07M3 R2S
2Артикул: 230104-02321, BUCKET ASSY;1.07M3 R2S
3Артикул: 230104-02474, BUCKET ASSY
Подробнее >
РАМА ГУСЕНИЦЫ - БУЛЬДОЗЕР

РАМА ГУСЕНИЦЫ - БУЛЬДОЗЕР

1Артикул: 160617-00207B, FRAME ASSY,TRACK
2Артикул: 160617-00207E, FRAME ASSY,TRACK
3Артикул: 160617-00207G, FRAME ASSY,TRACK
Подробнее >
МОНТАЖ ДИЗЕЛЬНОГО НАГРЕВАТЕЛЯ

МОНТАЖ ДИЗЕЛЬНОГО НАГРЕВАТЕЛЯ

1Артикул: 440207-00041, HEATER,DIESEL
2Артикул: 440207-00082A, HEATER,DIESEL
3Артикул: 110411-00095, BRACKET,DIESEL HEATER
Подробнее >
6970 BUCKET ASS`Y - 1.28mВі

6970 BUCKET ASS`Y - 1.28mВі

1Артикул: K1011484E, BUCKET ASS`Y-1.28гЋҐ
2Артикул: 230104-01257, BUCKET ASS`Y-1.28гЋҐ
3Артикул: 230104-01257A, BUCKET ASS`Y-1.28гЋҐ
Подробнее >
ТРУБОПРОВОД СТРЕЛЫ С ИЗМЕНЯЕМОЙ ГЕОМЕТРИЕЙ

ТРУБОПРОВОД СТРЕЛЫ С ИЗМЕНЯЕМОЙ ГЕОМЕТРИЕЙ

1Артикул: 420212-04752, PIPING,ARTI BOOM
2Артикул: 420207-01176A, PIPE
3Артикул: 420207-01177A, PIPE
Подробнее >
РАБОЧАЯ ФАРА - 2 ЛАМПЫ(КОЖУХ)

РАБОЧАЯ ФАРА - 2 ЛАМПЫ(КОЖУХ)

1Артикул: 300619-00077, LAMP ASS`Y,ADD WORKING
2Артикул: 300619-00077A, LAMP ASSY
3Артикул: K1055454, LAMP,HEAD
Подробнее >
7070 BUCKET ASS`Y - 0.39mВі

7070 BUCKET ASS`Y - 0.39mВі

1Артикул: K1007635E, BUCKET ASS`Y- 0.39гЋҐ
2Артикул: 230104-01198, BUCKET ASS`Y- 0.39гЋҐ
3Артикул: 230104-01198A, BUCKET ASS`Y- 0.39гЋҐ
Подробнее >
ПРОТИВОВЕС - ОЧЕНЬ ДЛИННЫЙ

ПРОТИВОВЕС - ОЧЕНЬ ДЛИННЫЙ

1Артикул: 160702-00141B, WEIGHT ASSY,COUNTER
2Артикул: 160702-00141C, WEIGHT ASSY,COUNTER
3Артикул: 160702-00141E, WEIGHT ASSY,COUNTER
Подробнее >
ЧЕХОЛ КРЫШКИ - ИЗ СТАЛИ

ЧЕХОЛ КРЫШКИ - ИЗ СТАЛИ

1Артикул: 220204-00048A, COVER ASSY,ROOF STEEL
2Артикул: 220204-00155, COVER,ROOF STEEL
3Артикул: 220204-00031A, COVER,ROOF STEEL INNER
Подробнее >
ТРУБОПРОВОД БУЛЬДОЗЕРА - ГУСЕНИЦЫ

ТРУБОПРОВОД БУЛЬДОЗЕРА - ГУСЕНИЦЫ

1Артикул: 420212-05237, PIPING,BLADE
2Артикул: 420207-01510A, PIPE
3Артикул: 420207-01511A, PIPE
Подробнее >
ТРУБОПРОВОД СТРЕЛЫ С ИЗМЕНЯЕМОЙ ГЕОМЕТРИЕЙ - БЫСТРАЯ ПОСАДКА

ТРУБОПРОВОД СТРЕЛЫ С ИЗМЕНЯЕМОЙ ГЕОМЕТРИЕЙ - БЫСТРАЯ ПОСАДКА

1Артикул: 420212-04755, PIPING,ARTI BOOM;QUICK FIT
2Артикул: DS20111093, HOSE ASSY,HYDRAULIC
3Артикул: DS20111191, HOSE ASSY,HYDRAULIC
Подробнее >
КОВРИК НА ПОЛУ КУЗОВА - ШАРНИРНЫЙ + STT

КОВРИК НА ПОЛУ КУЗОВА - ШАРНИРНЫЙ + STT

1Артикул: 110935-00049A, MAT,FLOOR;(STRT & ARTI)
2Артикул: 110935-00049B, MAT,FLOOR;(STRT & ARTI)
3Артикул: 110935-00049C, MAT,FLOOR;(STRT & ARTI)
Подробнее >
ГИДРОЗАМОК ТРУБОПРОВОДА - СТРЕЛА 8.5 м

ГИДРОЗАМОК ТРУБОПРОВОДА - СТРЕЛА 8.5 м

1Артикул: 420212-05045, PIPING,BOOM;ARM LOCK(8.5M)
2Артикул: DS20132125, HOSE ASSY,HYDRAULIC
3Артикул: 400305-00047B, CYLINDER;ARM(LOCK V/V)
Подробнее >
РАБОЧАЯ ФАРА - 2 ЛАМПЫ

РАБОЧАЯ ФАРА - 2 ЛАМПЫ

1Артикул: 300619-00075, LAMP ASS`Y,ADD WORKING
2Артикул: 300619-00075A, LAMP ASSY
3Артикул: K1055454, LAMP,HEAD
Подробнее >
ТРУБОПРОВОД СЕРВОУПРАВЛЕНИЯ - ПРЯМОЙ ВАЛ ХОДА

ТРУБОПРОВОД СЕРВОУПРАВЛЕНИЯ - ПРЯМОЙ ВАЛ ХОДА

1Артикул: 420212-05218B, PIPING,PILOT;STRAIGHT TRAVEL
2Артикул: 420212-05218E, PIPING,PILOT
3Артикул: 410119-00006, VALVE,PEDAL
Подробнее >
ТРУБОПРОВОД СЕРВОУПРАВЛЕНИЯ - 2 НАСОСА(ШАРНИРНАЯ СТРЕЛА)

ТРУБОПРОВОД СЕРВОУПРАВЛЕНИЯ - 2 НАСОСА(ШАРНИРНАЯ СТРЕЛА)

1Артикул: 420212-05164, PIPING,PILOT;TWO PUMP(ARTI)
2Артикул: DS2120090, HOSE
3Артикул: DS2242038, ADAPTER
Подробнее >
ТРУБОПРОВОД - СТРЕЛА С ИЗМЕНЯЕМОЙ ГЕОМЕТРИЕЙ

ТРУБОПРОВОД - СТРЕЛА С ИЗМЕНЯЕМОЙ ГЕОМЕТРИЕЙ

1Артикул: 420212-01189, PIPING,MAIN;ONE WAY(ARTI)
2Артикул: DS0025017, BOLT
3Артикул: S0511966, BOLT M10X1.5X22
Подробнее >
7080 BUCKET ASS`Y - 0.45mВі - DITCH CLEANING

7080 BUCKET ASS`Y - 0.45mВі - DITCH CLEANING

1Артикул: K1010821B, BUCKET ASS`Y-0.45гЋҐ
2Артикул: 230104-01776, BUCKET ASSY
3Артикул: K1010822B, BUCKET-0.45гЋҐ
Подробнее >
ТРУБОПРОВОД СЕРВОУПРАВЛЕНИЯ(1) - СТРЕЛА С ИЗМЕНЯЕМОЙ ГЕОМЕТРИЕЙ

ТРУБОПРОВОД СЕРВОУПРАВЛЕНИЯ(1) - СТРЕЛА С ИЗМЕНЯЕМОЙ ГЕОМЕТРИЕЙ

1Артикул: 420212-05364, PIPING,PILOT;ARTI
2Артикул: K1014266, VALVE,PILOT
3Артикул: 2.421-00208, . VALVE,PILOT SHIFT
Подробнее >
БАШМАК ГУСЕНИЦЫ В СБОРЕ - 700G

БАШМАК ГУСЕНИЦЫ В СБОРЕ - 700G

1Артикул: 200106-00162, SHOE ASSY,TRACK
2Артикул: 200106-00157, SHOE ASSY,TRACK;700MM
3Артикул: 200106-00157A, SHOE ASSY,TRACK(700mm)
Подробнее >
ТРУБОПРОВОД ШАРНИРНОЙ СТРЕЛЫ - ГИДРОЗАМОК(РУКОЯТЬ)

ТРУБОПРОВОД ШАРНИРНОЙ СТРЕЛЫ - ГИДРОЗАМОК(РУКОЯТЬ)

1Артикул: 420212-04759, PIPING,ARTI BOOM;ARM LOCK
2Артикул: DS20111096, HOSE
3Артикул: DS20131744, HOSE
Подробнее >
БАШМАК ГУСЕНИЦЫ В СБОРЕ - 900G

БАШМАК ГУСЕНИЦЫ В СБОРЕ - 900G

1Артикул: 200106-00164, SHOE ASSY,TRACK
2Артикул: 200106-00159, SHOE ASSY,TRACK;900MM
3Артикул: 200106-00159A, SHOE ASSY,TRACK(900MM)
Подробнее >
6940 BUCKET ASS`Y - 0.81mВі

6940 BUCKET ASS`Y - 0.81mВі

1Артикул: K1011478E, BUCKET ASS`Y-0.81гЋҐ
2Артикул: 230104-01251, BUCKET ASS`Y-0.81гЋҐ
3Артикул: 230104-01251A, BUCKET ASS`Y-0.81гЋҐ
Подробнее >
7440 BUCKET ASSВґY - 1.40mВі - H CLASS

7440 BUCKET ASSВґY - 1.40mВі - H CLASS

1Артикул: 230104-01734, BUCKET ASSY;1.40M3(R2H)
2Артикул: 230104-01734A, BUCKET ASSY;1.40M3 R2H
3Артикул: 230104-01734B, BUCKET ASSY;1.40M3 R2H
Подробнее >
ТРУБОПРОВОД СМАЗОЧНОЙ СИСТЕМЫ - НИЖНЯЯ СТРЕЛЯ

ТРУБОПРОВОД СМАЗОЧНОЙ СИСТЕМЫ - НИЖНЯЯ СТРЕЛЯ

1Артикул: 420212-04760, PIPING,LUBRICATION;LOWER
2Артикул: 2184-1045D115, HOSE
3Артикул: DS2053942, HOSE
Подробнее >
ТРУБОПРОВОД СЕРВОУПРАВЛЕНИЯ-КЛАПАН ЗАМКА РУКОЯТИ

ТРУБОПРОВОД СЕРВОУПРАВЛЕНИЯ-КЛАПАН ЗАМКА РУКОЯТИ

1Артикул: 420212-05148, PIPING,PILOT;LOCK VALVE;ARM
2Артикул: DS2121350, HOSE ASSY,HYDRAULIC
3Артикул: DS2121281, HOSE
Подробнее >
7420 BUCKET ASSВґY - 1.24mВі - H CLASS

7420 BUCKET ASSВґY - 1.24mВі - H CLASS

1Артикул: 230104-01730, BUCKET ASSY;1.24M3(R2H)
2Артикул: 230104-01730A, BUCKET ASSY;1.24M3 R2H
3Артикул: 230104-01730B, BUCKET ASSY;1.24M3 R2H
Подробнее >
ГИДРОСИСТЕМА РУКОЯТИ - БЫСТРАЯ ПОСАДКА(РУКОЯТЬ 2.9 м)

ГИДРОСИСТЕМА РУКОЯТИ - БЫСТРАЯ ПОСАДКА(РУКОЯТЬ 2.9 м)

1Артикул: 420212-01441, PIPING,ARM
2Артикул: 420207-00516A, PIPE ASSY,HYDRAULIC
3Артикул: 420207-00516B, PIPE ASSY,HYDRAULIC
Подробнее >
ГИДРОСИСТЕМА РУКОЯТИ - РУКОЯТЬ 3.5 м(ГРЕЙФЕРНЫЙ КОВШ)

ГИДРОСИСТЕМА РУКОЯТИ - РУКОЯТЬ 3.5 м(ГРЕЙФЕРНЫЙ КОВШ)

1Артикул: 420212-04467, PIPING,ARM;CLAMSHELL
2Артикул: DS2016183, HOSE ASSY,HYDRAULIC
3Артикул: DS2040931, HOSE ASSY,HYDRAULIC
Подробнее >
7450 BUCKET ASSВґY - 1.51mВі - H CLASS

7450 BUCKET ASSВґY - 1.51mВі - H CLASS

1Артикул: 230104-01736, BUCKET ASSY;1.51M3(R2H)
2Артикул: 230104-01736A, BUCKET ASSY;1.51M3 R2H
3Артикул: 230104-01736B, BUCKET ASSY;1.51M3 R2H
Подробнее >
6890 ARM PIPING - ARM 3.5m(ONE & TWO WAY)

6890 ARM PIPING - ARM 3.5m(ONE & TWO WAY)

1Артикул: 420212-04459, PIPING,ARM;1&2 WAY
2Артикул: 420207-00514A, PIPE ASSY,HYDRAULIC
3Артикул: DS2040949, HOSE ASSY,HYDRAULIC
Подробнее >
ГИДРОСИСТЕМА РУКОЯТИ - РУКОЯТЬ 3.5 м(БЫСТРОУСТАНАВЛИВАЕМЫЙ ФИКСАТОР)

ГИДРОСИСТЕМА РУКОЯТИ - РУКОЯТЬ 3.5 м(БЫСТРОУСТАНАВЛИВАЕМЫЙ ФИКСАТОР)

1Артикул: 420212-04465, PIPING,ARM;QUICK FIT
2Артикул: 420207-01194, PIPE ASSY,HYDRAULIC
3Артикул: 420207-01194A, PIPE ASSY,HYDRAULIC
Подробнее >
7490 BUCKET ASSВґY - 1.23mВі - S CLASS

7490 BUCKET ASSВґY - 1.23mВі - S CLASS

1Артикул: 230104-02005, BUCKET ASSY;1.23M3 R2S
2Артикул: 230104-02328, BUCKET ASSY;1.23M3 R2S
3Артикул: 230104-02476, BUCKET ASSY
Подробнее >
ТРУБОПРОВОД СТРЕЛЫ С ИЗМЕНЯЕМОЙ ГЕОМЕТРИЕЙ - ГИДРОЗАМОК

ТРУБОПРОВОД СТРЕЛЫ С ИЗМЕНЯЕМОЙ ГЕОМЕТРИЕЙ - ГИДРОЗАМОК

1Артикул: 420212-04766, PIPING,ARTI BOOM;ARTI LOCK
2Артикул: 400306-00061A, CYLINDER,ARTI(LOCK V/V)
3Артикул: 400306-00061B, CYLINDER,ARTI,LOCK VALVE
Подробнее >
КАМЕРА БОКОВОГО ВИДА

КАМЕРА БОКОВОГО ВИДА

1Артикул: 300619-01223, ELECTRIC ASSY;SIDE CAMERA
2Артикул: S5102503, WASHER
3Артикул: 2120-2166D8, BOLT
Подробнее >
6110 DIESEL HEATER

6110 DIESEL HEATER

1Артикул: 440207-00082A, HEATER,DIESEL
2Артикул: 440207-00019, HEATER,DIESEL
3Артикул: 400909-00056, PUMP,FUEL
Подробнее >
ТРУБОПРОВОД СЕРВОУПРАВЛЕНИЯ - 2 ПУТИ

ТРУБОПРОВОД СЕРВОУПРАВЛЕНИЯ - 2 ПУТИ

1Артикул: 420212-05220B, PIPING,PILOT;TWO-WAY
2Артикул: 420212-05220E, PIPING,PILOT
3Артикул: 181-00121D4, TEE
Подробнее >
ГИДРОСИСТЕМА СТРЕЛЫ - ВРАЩЕНИЕ

ГИДРОСИСТЕМА СТРЕЛЫ - ВРАЩЕНИЕ

1Артикул: 420212-01426, PIPING,BOOM
2Артикул: 420207-00510B, PIPE
3Артикул: 420207-00511B, PIPE
Подробнее >
6220 ARM PIPING - ONE & TWO WAY(ARM 2.9m)

6220 ARM PIPING - ONE & TWO WAY(ARM 2.9m)

1Артикул: 420212-01435, PIPING,ARM
2Артикул: 420207-00514A, PIPE ASSY,HYDRAULIC
3Артикул: DS2040864, HOSE ASSY,HYDRAULIC
Подробнее >
7510 TMS - EU [1813~]

7510 TMS - EU [1813~]

1Артикул: 300619-03342, ELECTRIC ASSY,TMS1.5
2Артикул: 300619-03139, ELECTRIC ASSY;TMS1.5
3Артикул: 300611-00902, . CONTROLLER;TMS1.5
Подробнее >
БУЛЬДОЗЕРНЫЙ ОТВАЛ - 3190 мм

БУЛЬДОЗЕРНЫЙ ОТВАЛ - 3190 мм

1Артикул: 230102-00058, BLADE ASSY,DOZER
2Артикул: 230102-00062B, BLADE,DOZER(3190MM)
3Артикул: K1006525A, . BUSHING
Подробнее >
6140 MAIN PIPING - ONE & TWO WAY

6140 MAIN PIPING - ONE & TWO WAY

1Артикул: 420212-01182, PIPING,MAIN;ONE OR TWO WAY
2Артикул: 410127-00142, VALVE,RELIEF;PROPORTIONAL
3Артикул: 410127-00233, VALVE,RELIEF
Подробнее >
ПРОБЛЕСКОВЫЙ МАЯЧОК - С ЛАМПОЙ

ПРОБЛЕСКОВЫЙ МАЯЧОК - С ЛАМПОЙ

1Артикул: 300619-00080B, ROTATING BEACON ASSY
2Артикул: 300619-00080E, ROTATING BEACON ASSY
3Артикул: 131002-00085, BUSHING ASS`Y
Подробнее >
ТРУБОПРОВОД СЕРВОУПРАВЛЕНИЯ - 2 НАСОСА(2 ПУТИ)

ТРУБОПРОВОД СЕРВОУПРАВЛЕНИЯ - 2 НАСОСА(2 ПУТИ)

1Артикул: 420212-05288, PIPING,PILOT;TWO WAY(TWO PUMP)
2Артикул: 410135-00235, VALVE,SOLENOID
3Артикул: 410135-00235A, VALVE,SOLENOID(5-SOL)
Подробнее >
7430 BUCKET ASSВґY - 1.35mВі - H CLASS

7430 BUCKET ASSВґY - 1.35mВі - H CLASS

1Артикул: 230104-01732, BUCKET ASSY;1.35M3(R2H)
2Артикул: 230104-01732A, BUCKET ASSY;1.35M3 R2H
3Артикул: 230104-01732B, BUCKET ASSY;1.35M3 R2H
Подробнее >
ГИДРОСИСТЕМА РУКОЯТИ - РУКОЯТЬ 6.2 м

ГИДРОСИСТЕМА РУКОЯТИ - РУКОЯТЬ 6.2 м

1Артикул: 420212-05048, PIPING,ARM;(6.2M)
2Артикул: 400310-00145A, CYLINDER,BUCKET
3Артикул: 400310-00145B, CYLINDER,BUCKET
Подробнее >
РУКОЯТЬ - 3.5 м

РУКОЯТЬ - 3.5 м

1Артикул: 230201-00281, ARM ASSY
2Артикул: 230204-00134B, ARM - 3.5m
3Артикул: 230204-00134C, ARM - 3.5m
Подробнее >
ТРУБОПРОВОД СЕРВОУПРАВЛЕНИЯ - БУЛЬДОЗЕР(2)

ТРУБОПРОВОД СЕРВОУПРАВЛЕНИЯ - БУЛЬДОЗЕР(2)

1Артикул: 420212-05365A, PIPING,PILOT
2Артикул: 420212-05365C, PIPING,PILOT
3Артикул: 420-00490A, VALVE,REMOCON(DOZER)
Подробнее >
МАЯЧОК ТЕЛЕСКОПА

МАЯЧОК ТЕЛЕСКОПА

1Артикул: 300619-00085A, TELESCOPIC BEACON ASSY
2Артикул: 300619-00085C, TELESCOPIC BEACON ASSY;NOT 6LAMP
3Артикул: 110429-00002C, BRACKET
Подробнее >
ГЛАВНАЯ МАГИСТРАЛЬ-СТРЕЛА С ИЗМЕНЯЕМОЙ ГЕОМЕТРИЕЙ

ГЛАВНАЯ МАГИСТРАЛЬ-СТРЕЛА С ИЗМЕНЯЕМОЙ ГЕОМЕТРИЕЙ

1Артикул: 420212-01160, PIPING,MAIN;ARTI
2Артикул: K1033235A, VALVE,CONTROL
3Артикул: 110406-01377A, BRACKET
Подробнее >
7010 BUCKET ASS`Y - 1.24mВі(54`) - SIDE PIN

7010 BUCKET ASS`Y - 1.24mВі(54`) - SIDE PIN

1Артикул: K1013110A, BUCKET ASS`Y-1.24mВі(H.D)
2Артикул: 230104-01269, BUCKET ASS`Y-1.24mВі(H.D)
3Артикул: 230104-01269A, BUCKET ASS`Y-1.24mВі(H.D)
Подробнее >
6120 FUEL FILLER PUMP

6120 FUEL FILLER PUMP

1Артикул: 400909-00015, PUMP,FUEL;WITH PUMP
2Артикул: 401-00449, PUMP,FUEL TRANSFER
3Артикул: 2181-2755B, . ADAPTER
Подробнее >
ТРУБОПРОВОД СЕРВОУПРАВЛЕНИЯ - ИЗМЕНЕНИЕ РЕЖИМА(1)

ТРУБОПРОВОД СЕРВОУПРАВЛЕНИЯ - ИЗМЕНЕНИЕ РЕЖИМА(1)

1Артикул: 420212-05157, PIPING,PILOT;PATTERN CHANGE
2Артикул: 410132-00001, VALVE,SELECTOR
3Артикул: 410132-00001A, VALVE,SELECTOR
Подробнее >
ГЛАВНАЯ МАГИСТРАЛЬ - ВРАЩАЮЩИЙСЯ(ШАРНИРНАЯ СТРЕЛА)

ГЛАВНАЯ МАГИСТРАЛЬ - ВРАЩАЮЩИЙСЯ(ШАРНИРНАЯ СТРЕЛА)

1Артикул: 420212-01253, PIPING,MAIN;ROTATING(ARTI)
2Артикул: DS2012846, HOSE ASSY,HYDRAULIC
3Артикул: DS2012847, HOSE ASSY,HYDRAULIC
Подробнее >
6170 PILOT PIPING - ONE & TWO WAY

6170 PILOT PIPING - ONE & TWO WAY

1Артикул: 420212-05153, PIPING,PILOT
2Артикул: 426-00266, VALVE;EPPR
3Артикул: 410116-00526, VALVE,EPPR
Подробнее >
ПОВОРОТНЫЙ СИГНАЛ

ПОВОРОТНЫЙ СИГНАЛ

1Артикул: 420212-07022, PIPING,PILOT;SWING ALARM
2Артикул: 430216-00146, JOINT SUB ASSY
3Артикул: 250122-00080, . PLATE,SUPPORT
Подробнее >
БУЛЬДОЗЕРНЫЙ ОТВАЛ - 2990 мм

БУЛЬДОЗЕРНЫЙ ОТВАЛ - 2990 мм

1Артикул: 230102-00056, BLADE ASSY,DOZER
2Артикул: 230102-00060B, BLADE,DOZER(2990MM)
3Артикул: K1006525A, . BUSHING
Подробнее >
БАШМАК ГУСЕНИЦЫ В СБОРЕ - 800G

БАШМАК ГУСЕНИЦЫ В СБОРЕ - 800G

1Артикул: 200106-00163, SHOE ASSY,TRACK
2Артикул: 200106-00158, SHOE ASSY,TRACK;800MM
3Артикул: 200106-00158A, SHOE ASSY,TRACK(800MM)
Подробнее >
2 ТРУБОПРОВОДА - С ФИЛЬТРОМ

2 ТРУБОПРОВОДА - С ФИЛЬТРОМ

1Артикул: 420212-05198, PIPING,BREAKER FILTER;TWO WAY
2Артикул: 471-00114, FILTER,BREAKER
3Артикул: 474-00046, . ELEMENT,BREAKER FILTER
Подробнее >
ГЛАВНАЯ МАГИСТРАЛЬ - БЫСТРАЯ ПОСАДКА

ГЛАВНАЯ МАГИСТРАЛЬ - БЫСТРАЯ ПОСАДКА

1Артикул: 420212-01174, PIPING,MAIN;QUICK FIT
2Артикул: K1054772, VALVE;QUICK-FIT
3Артикул: 410111-00142, VALVE;QUICK-FIT
Подробнее >
6990 BUCKET ASS`Y - 0.90mВі(42`) - SIDE PIN

6990 BUCKET ASS`Y - 0.90mВі(42`) - SIDE PIN

1Артикул: K1013103A, BUCKET ASS`Y-0.90mВі(H.D)
2Артикул: 230104-01262, BUCKET ASS`Y-0.90mВі(H.D)
3Артикул: 230104-01262A, BUCKET ASSY
Подробнее >
7500 TMS - NA [1813~]

7500 TMS - NA [1813~]

1Артикул: 300619-03341, ELECTRIC ASSY,TMS1.5
2Артикул: 300619-03138, ELECTRIC ASSY
3Артикул: 300611-00901, . CONTROLLER
Подробнее >
2 ТРУБОПРОВОДА - СТРЕЛА С ИЗМЕНЯЕМОЙ ГЕОМЕТРИЕЙ

2 ТРУБОПРОВОДА - СТРЕЛА С ИЗМЕНЯЕМОЙ ГЕОМЕТРИЕЙ

1Артикул: 420212-01190, PIPING,MAIN;TWO WAY(ARTI)
2Артикул: 410127-00142, VALVE,RELIEF;PROPORTIONAL
3Артикул: 410127-00233, VALVE,RELIEF
Подробнее >
6830 ARM PIPING - ARM 2.4m(ONE & TWO WAY)

6830 ARM PIPING - ARM 2.4m(ONE & TWO WAY)

1Артикул: 420212-04363, PIPING,ARM;1&2 WAY
2Артикул: 420207-01172, PIPE ASSY,HYDRAULIC
3Артикул: 420207-01172A, PIPE ASSY,HYDRAULIC
Подробнее >
СТРЕЛА - 8.5 м

СТРЕЛА - 8.5 м

1Артикул: 230207-00144, BOOM ASSY;(8.5M)
2Артикул: K1045701C, BOOM SUB ASS`Y-8.5M
3Артикул: 230211-00144A, BOOM,MACHINE 8.5m
Подробнее >
ТРУБОПРОВОД СЕРВОУПРАВЛЕНИЯ - ГИДРОЗАМОК(ШАРНИРНАЯ СТРЕЛА)

ТРУБОПРОВОД СЕРВОУПРАВЛЕНИЯ - ГИДРОЗАМОК(ШАРНИРНАЯ СТРЕЛА)

1Артикул: 420212-05149, PIPING,PILOT
2Артикул: DS2121351, HOSE ASSY,HYDRAULIC
3Артикул: DS2119237, HOSE ASSY,HYDRAULIC
Подробнее >
ТРУБОПРОВОД СМАЗОЧНОЙ СИСТЕМЫ - РУКОЯТЬ 6.2 м

ТРУБОПРОВОД СМАЗОЧНОЙ СИСТЕМЫ - РУКОЯТЬ 6.2 м

1Артикул: 420212-05051, PIPING,ARM;LUBRICATION(6.2M)
2Артикул: K1011522, PIPE
3Артикул: K1018714, PIPE ASSY,HYDRAULIC
Подробнее >
БУЛЬДОЗЕРНЫЙ ОТВАЛ - 3290 мм

БУЛЬДОЗЕРНЫЙ ОТВАЛ - 3290 мм

1Артикул: 230102-00059, BLADE ASSY,DOZER
2Артикул: 230102-00063B, BLADE,DOZER(3290MM)
3Артикул: K1006525A, . BUSHING
Подробнее >
ГИДРОСИСТЕМА СТРЕЛЫ - СТРЕЛА 8.5 м

ГИДРОСИСТЕМА СТРЕЛЫ - СТРЕЛА 8.5 м

1Артикул: 420212-05041, PIPING,BOOM(8.5M)
2Артикул: 420207-01331A, PIPE ASSY,HYDRAULIC
3Артикул: 420207-01332A, PIPE ASSY,HYDRAULIC
Подробнее >
СТЕКЛООЧИСТИТЕЛЬ НИЖНЕГО СТЕКЛА

СТЕКЛООЧИСТИТЕЛЬ НИЖНЕГО СТЕКЛА

1Артикул: 300619-00782, ELECTRIC ASSY
2Артикул: 538-00012, MOTOR,WIPER
3Артикул: 426-00282, VALVE
Подробнее >
СТРЕЛА С ИЗМЕНЯЕМОЙ ГЕОМЕТРИЕЙ

СТРЕЛА С ИЗМЕНЯЕМОЙ ГЕОМЕТРИЕЙ

1Артикул: 230208-00021, BOOM ASSY,ARTI
2Артикул: 230210-00013B, BOOM,LOWER
3Артикул: 230210-00013E, BOOM,LOWER
Подробнее >
ГЛАВНАЯ МАГИСТРАЛЬ - БУЛЬДОЗЕР

ГЛАВНАЯ МАГИСТРАЛЬ - БУЛЬДОЗЕР

1Артикул: 420212-05300, PIPING,MAIN;DOZER
2Артикул: K1004312, VALVE;CONTROL
3Артикул: 110406-01379B, BRACKET
Подробнее >
7410 BUCKET ASSВґY - 1.08mВі - H CLASS

7410 BUCKET ASSВґY - 1.08mВі - H CLASS

1Артикул: 230104-01728, BUCKET ASSY;1.08M3(R2H)
2Артикул: 230104-01728A, BUCKET ASSY;1.08M3 R2H
3Артикул: 230104-01728B, BUCKET ASSY;1.08M3 R2H
Подробнее >
ГИДРОСИСТЕМА РУКОЯТИ - РУКОЯТЬ 2.4 м

ГИДРОСИСТЕМА РУКОЯТИ - РУКОЯТЬ 2.4 м

1Артикул: 420212-04362, PIPING,ARM
2Артикул: 400310-00133A, CYLINDER,BUCKET
3Артикул: 400310-00133B, CYLINDER,BUCKET
Подробнее >
ТРУБОПРОВОД СЕРВОУПРАВЛЕНИЯ - СТРЕЛА ПЛАВАЮЩЕГО ТИПА

ТРУБОПРОВОД СЕРВОУПРАВЛЕНИЯ - СТРЕЛА ПЛАВАЮЩЕГО ТИПА

1Артикул: 420212-05158, PIPING,PILOT;BOOM FLOATING
2Артикул: DS2121168, HOSE
3Артикул: DS2121251, HOSE
Подробнее >
ГИДРОСИСТЕМА РУКОЯТИ - РУКОЯТЬ 3.5 м

ГИДРОСИСТЕМА РУКОЯТИ - РУКОЯТЬ 3.5 м

1Артикул: 420212-04458, PIPING,ARM
2Артикул: 400310-00043B, CYLINDER,BUCKET
3Артикул: 400310-00043C, CYLINDER,BUCKET
Подробнее >
ГИДРОСИСТЕМА РУКОЯТИ - РУКОЯТЬ 2.4 м(ВРАЩАЮЩИЙСЯ)

ГИДРОСИСТЕМА РУКОЯТИ - РУКОЯТЬ 2.4 м(ВРАЩАЮЩИЙСЯ)

1Артикул: 420212-04366, PIPING,ARM;ROTATION
2Артикул: 420207-01173A, PIPE
3Артикул: DS20131733, HOSE ASSY,HYDRAULIC
Подробнее >
6960 BUCKET ASS`Y - 1.17mВі

6960 BUCKET ASS`Y - 1.17mВі

1Артикул: K1011482E, BUCKET ASS`Y-1.17гЋҐ
2Артикул: 230104-01255, BUCKET ASS`Y-1.17гЋҐ
3Артикул: 230104-01255A, BUCKET ASS`Y-1.17гЋҐ
Подробнее >
РАБОЧАЯ ФАРА - 6 ЛАМПЫ(КОЖУХ)

РАБОЧАЯ ФАРА - 6 ЛАМПЫ(КОЖУХ)

1Артикул: 300619-00078A, LAMP ASSY,ADD WORKING
2Артикул: 300619-00078B, LAMP ASSY
3Артикул: K1055454, LAMP,HEAD
Подробнее >
ЭЛЕКТРИЧЕСКИЕ ЗАПЧАСТИ-БЫСТРОУСТАНАВЛИВАЕМЫЙ ФИКСАТОР

ЭЛЕКТРИЧЕСКИЕ ЗАПЧАСТИ-БЫСТРОУСТАНАВЛИВАЕМЫЙ ФИКСАТОР

1Артикул: 300619-00089, ELECTRIC ASSY
2Артикул: 549-00092, SWITCH
3Артикул: 530-00432A, HARNESS,JOINT
Подробнее >
7030 BUCKET ASS`Y - 1.49mВі(63`) - SIDE PIN

7030 BUCKET ASS`Y - 1.49mВі(63`) - SIDE PIN

1Артикул: K1013117A, BUCKET ASS`Y-1.49mВі(H.D)
2Артикул: 230104-01275, BUCKET ASS`Y-1.49mВі(H.D)
3Артикул: 230104-01275A, BUCKET ASS`Y-1.49mВі(H.D)
Подробнее >
КОВРИК НА ПОЛУ КУЗОВА - ШАРНИРНЫЙ

КОВРИК НА ПОЛУ КУЗОВА - ШАРНИРНЫЙ

1Артикул: 110935-00048A, MAT,FLOOR;(ARTI)
2Артикул: 110935-00048B, MAT,FLOOR;(ARTI)
3Артикул: 110935-00048C, MAT,FLOOR;(ARTI)
Подробнее >
7380 BUCKET ASSВґY - 0.60mВі - H CLASS

7380 BUCKET ASSВґY - 0.60mВі - H CLASS

1Артикул: 230104-01715, BUCKET ASSY;0.60M3(R2H)
2Артикул: 230104-01715A, BUCKET ASSY;0.60M3 R2H
3Артикул: 230104-01715B, BUCKET ASSY;0.60M3 R2H
Подробнее >
6950 BUCKET ASS`Y - 1.05гЋҐ

6950 BUCKET ASS`Y - 1.05гЋҐ

1Артикул: K1011480E, BUCKET ASS`Y-1.05гЋҐ
2Артикул: 230104-01253, BUCKET ASS`Y-1.05гЋҐ
3Артикул: 230104-01253A, BUCKET ASS`Y-1.05гЋҐ
Подробнее >
ГИДРОСИСТЕМА РУКОЯТИ - ВРАЩАЮЩИЙСЯ(РУКОЯТЬ 2.9 м)

ГИДРОСИСТЕМА РУКОЯТИ - ВРАЩАЮЩИЙСЯ(РУКОЯТЬ 2.9 м)

1Артикул: 420212-01438, PIPING,ARM
2Артикул: 420207-00515A, PIPE
3Артикул: DS20131593, HOSE
Подробнее >
РАБОЧАЯ ФАРА - 6 ЛАМПЫ

РАБОЧАЯ ФАРА - 6 ЛАМПЫ

1Артикул: 300619-00076A, LAMP ASSY,ADD WORKING
2Артикул: 300619-00076B, LAMP ASSY
3Артикул: 300619-00076C, LAMP ASSY
Подробнее >
ГИДРОСИСТЕМА РУКОЯТИ - РУКОЯТЬ 6.2 м(ВРАЩАЮЩИЙСЯ)

ГИДРОСИСТЕМА РУКОЯТИ - РУКОЯТЬ 6.2 м(ВРАЩАЮЩИЙСЯ)

1Артикул: 420212-05049, PIPING,ARM;ROTATION(6.2M)
2Артикул: DS20131208, HOSE ASSY,HYDRAULIC
3Артикул: K1042810, PIPE ASSY,HYDRAULIC
Подробнее >
ГЛАВНАЯ МАГИСТРАЛЬ - 2 НАСОСА

ГЛАВНАЯ МАГИСТРАЛЬ - 2 НАСОСА

1Артикул: 420212-01181, PIPING,MAIN;TWO PUMP
2Артикул: 410111-00005, VALVE;STOP(TWO PUMP)
3Артикул: 410111-00005A, VALVE,STOP
Подробнее >
ТРУБОПРОВОД СТРЕЛЫ С ИЗМЕНЯЕМОЙ ГЕОМЕТРИЕЙ - ВРАЩАЮЩИЙСЯ

ТРУБОПРОВОД СТРЕЛЫ С ИЗМЕНЯЕМОЙ ГЕОМЕТРИЕЙ - ВРАЩАЮЩИЙСЯ

1Артикул: 420212-04762, PIPING,ARTI BOOM;ROTATION
2Артикул: 420207-01184A, PIPE
3Артикул: 420207-01185A, PIPE
Подробнее >
6790 WINDOW GUARD

6790 WINDOW GUARD

1Артикул: 110921-00054, GUARD ASS`Y;FRONT
2Артикул: 110921-00055, GUARD;FRONT WINDOW
3Артикул: 110921-00056, GUARD;FRONT WINDOW
Подробнее >
РАБОЧАЯ ФАРА - ШАРНИРНАЯ СТРЕЛА

РАБОЧАЯ ФАРА - ШАРНИРНАЯ СТРЕЛА

1Артикул: 300619-01189, ELECTRIC ASSY;WORKING LAMP(ARTI)
2Артикул: 301005-00132, LAMP,WORKING(HALOGEN)
3Артикул: 2515-1016D4, . BULB,HALOGEN
Подробнее >