+7 (701) 588 50 05 Телефон для связи
RU

WhatsApp

Позвонить

60 ОПЦИОННЫЕ ЗАПЧАСТИ в Алматы

РАБОЧАЯ ФАРА - 2 ЛАМПЫ

РАБОЧАЯ ФАРА - 2 ЛАМПЫ

1Артикул: 300619-00075, LAMP ASS`Y,ADD WORKING
2Артикул: 300619-00075A, LAMP ASSY
3Артикул: K1055454, LAMP,HEAD
Подробнее >
ЧЕХОЛ КРЫШКИ - ИЗ СТАЛИ

ЧЕХОЛ КРЫШКИ - ИЗ СТАЛИ

1Артикул: 220204-00048A, COVER ASSY,ROOF STEEL
2Артикул: 220204-00155, COVER,ROOF STEEL
3Артикул: 220204-00031A, COVER,ROOF STEEL INNER
Подробнее >
ПРЕДОХРАНИТЕЛЬ ГУСЕНИЦЫ - ОСОБО ПРОЧНЫЙ

ПРЕДОХРАНИТЕЛЬ ГУСЕНИЦЫ - ОСОБО ПРОЧНЫЙ

1Артикул: 200112-00012, GUARD,TRACK;FULL
2Артикул: K1007773, GUARD,TRACK(L.H)
3Артикул: K1007772, GUARD,TRACK(R.H)
Подробнее >
СТЕКЛООЧИСТИТЕЛЬ НИЖНЕГО СТЕКЛА

СТЕКЛООЧИСТИТЕЛЬ НИЖНЕГО СТЕКЛА

1Артикул: 300619-01275, ELECTRIC ASSY;LOWER WIPER
2Артикул: 538-00012, MOTOR,WIPER
3Артикул: 426-00282, VALVE
Подробнее >
БАШМАК ГУСЕНИЦЫ-600G(ДВОЙНОЙ ГРУНТОЗАЦЕП)

БАШМАК ГУСЕНИЦЫ-600G(ДВОЙНОЙ ГРУНТОЗАЦЕП)

1Артикул: 200106-00098, SHOE ASSY,TRACK
2Артикул: 200106-00034, SHOE ASSY,TRACK;600MM
3Артикул: 200106-00034A, SHOE ASSY,TRACK(600mm)
Подробнее >
7080 BUCKET ASS`Y - 2.86mВі

7080 BUCKET ASS`Y - 2.86mВі

1Артикул: 230104-00849, BUCKET SUB ASS`Y-2.86mВі
2Артикул: 230104-00849A, BUCKET ASSY
3Артикул: 230104-00850, BUCKET-2.86mВі
Подробнее >
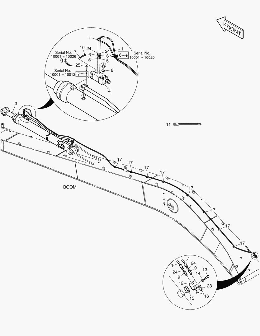
6240 BOOM PIPING - ONE & TWO WAY(BOOM 6.3m)

6240 BOOM PIPING - ONE & TWO WAY(BOOM 6.3m)

1Артикул: 420212-04376, PIPING,BOOM;1 & 2 WAY
2Артикул: 420207-01073, PIPE ASSY,HYDRAULIC
3Артикул: 420207-01073A, PIPE
Подробнее >
БАШМАК ГУСЕНИЦЫ В СБОРЕ - 900G

БАШМАК ГУСЕНИЦЫ В СБОРЕ - 900G

1Артикул: 200106-00092, SHOE ASSY,TRACK
2Артикул: 200106-00033, SHOE ASSY,TRACK;900MM
3Артикул: 200106-00033A, SHOE ASSY,TRACK(900MM)
Подробнее >
ТРУБОПРОВОД СМАЗОЧНОЙ СИСТЕМЫ - РУКОЯТЬ 2.4 м

ТРУБОПРОВОД СМАЗОЧНОЙ СИСТЕМЫ - РУКОЯТЬ 2.4 м

1Артикул: 420212-04386, PIPING,ARM;LUBRICATION
2Артикул: DS2059598, HOSE
3Артикул: 2181-1184, ADAPTER
Подробнее >
ТРУБОПРОВОД СЕРВОУПРАВЛЕНИЯ - СТРЕЛА ПЛАВАЮЩЕГО ТИПА

ТРУБОПРОВОД СЕРВОУПРАВЛЕНИЯ - СТРЕЛА ПЛАВАЮЩЕГО ТИПА

1Артикул: 420212-04066, PIPING,PILOT;BOOM FLOATING
2Артикул: DS2121302, HOSE
3Артикул: DS2122031, HOSE ASSY,HYDRAULIC
Подробнее >
ТРУБОПРОВОД СЕРВОУПРАВЛЕНИЯ - 2 ПУТИ

ТРУБОПРОВОД СЕРВОУПРАВЛЕНИЯ - 2 ПУТИ

1Артикул: 420212-05897C, PIPING,PILOT;TWO WAY
2Артикул: 410116-00091, VALVE,EPPR
3Артикул: 410116-00418, . VALVE,EPPR
Подробнее >
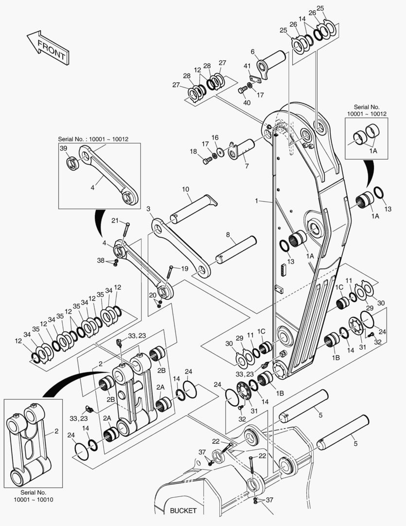
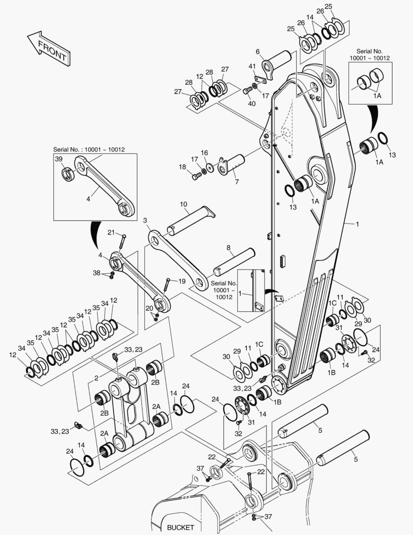
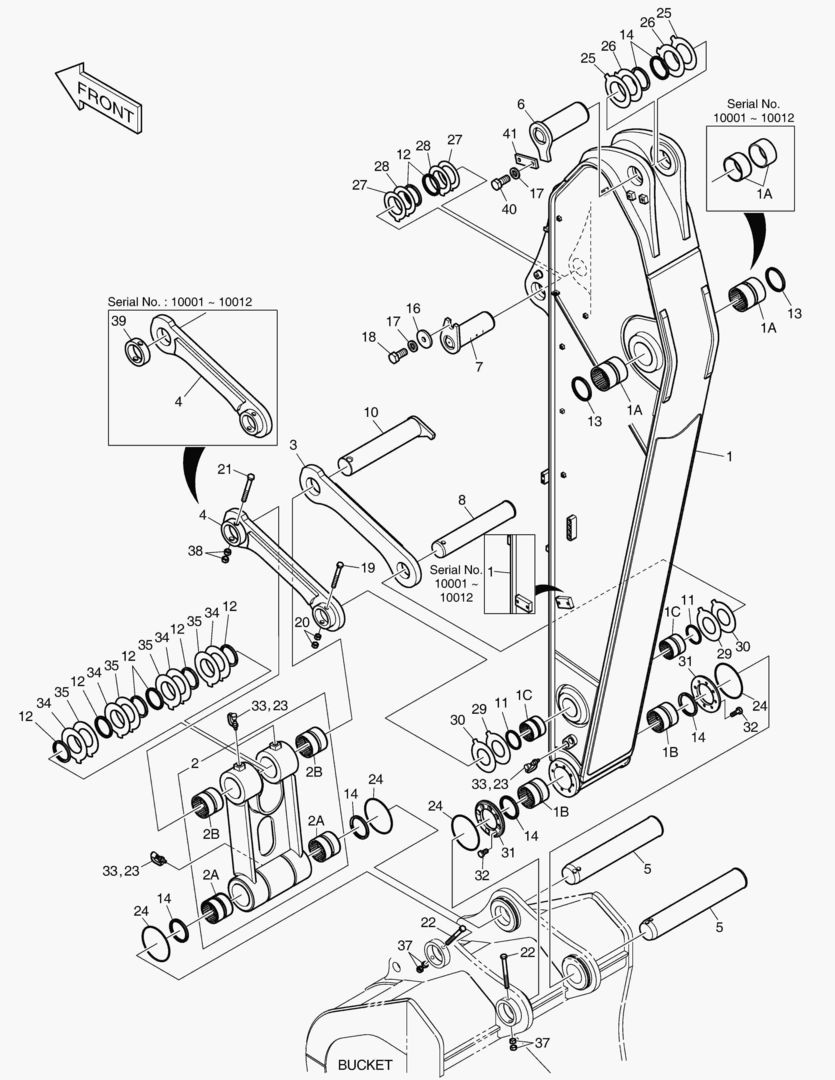
РУКОЯТЬ - 8 м

РУКОЯТЬ - 8 м

1Артикул: 230201-00566, ARM ASSY
2Артикул: 230204-00239, ARM 8m
3Артикул: 230204-00239A, ARM,MACHINE;(8.0M)
Подробнее >
ПОВОРОТНЫЙ СИГНАЛ

ПОВОРОТНЫЙ СИГНАЛ

1Артикул: 420212-06984, PIPING,PILOT;SWING ALARM
2Артикул: 430216-00158A, JOINT SUB ASSY;SHUTTLE V/V
3Артикул: 250122-00080, . PLATE,SUPPORT
Подробнее >
2 ТРУБОПРОВОДА - С ФИЛЬТРОМ

2 ТРУБОПРОВОДА - С ФИЛЬТРОМ

1Артикул: 420212-04076, PIPING,BREAKER FILTER;2 WAY
2Артикул: DS20131955, HOSE ASSY,HYDRAULIC
Подробнее >
ГИДРОСИСТЕМА РУКОЯТИ - ВРАЩАЮЩИЙСЯ (РУКОЯТЬ 2.9 м)

ГИДРОСИСТЕМА РУКОЯТИ - ВРАЩАЮЩИЙСЯ (РУКОЯТЬ 2.9 м)

1Артикул: 420212-04391, PIPING,ARM;ROTATING
2Артикул: 420207-01085, PIPE ASSY,HYDRAULIC
3Артикул: DS20131673, HOSE
Подробнее >
6160 MAIN PIPING - ONE & TWO WAY

6160 MAIN PIPING - ONE & TWO WAY

1Артикул: 420212-04027, PIPING,MAIN;ONE OR TWO WAY
2Артикул: 100201-00416, BLOCK
3Артикул: 110420-00305, BRACKET;BLOCK(R.H)
Подробнее >
6790 WINDOW GUARD

6790 WINDOW GUARD

1Артикул: 110921-00054, GUARD ASS`Y;FRONT
2Артикул: 110921-00054A, GUARD ASSY
3Артикул: 110921-00055, GUARD;FRONT WINDOW
Подробнее >
ГИДРОСИСТЕМА РУКОЯТИ - РУКОЯТЬ 2.4 м

ГИДРОСИСТЕМА РУКОЯТИ - РУКОЯТЬ 2.4 м

1Артикул: 420212-04385, PIPING,ARM;2.4M
2Артикул: 400310-00016A, CYLINDER,BUCKET
3Артикул: 400310-00016B, CYLINDER,BUCKET
Подробнее >
ГИДРОСИСТЕМА СТРЕЛЫ - ВРАЩАЮЩИЙСЯ(СТРЕЛА 6.3 м)

ГИДРОСИСТЕМА СТРЕЛЫ - ВРАЩАЮЩИЙСЯ(СТРЕЛА 6.3 м)

1Артикул: 420212-04378, PIPING,BOOM;ROTATION
2Артикул: 420207-01077, PIPE ASSY,HYDRAULIC
3Артикул: 420207-01078, PIPE ASSY,HYDRAULIC
Подробнее >
РАБОЧАЯ ФАРА - 2 ЛАМПЫ(КОЖУХ)

РАБОЧАЯ ФАРА - 2 ЛАМПЫ(КОЖУХ)

1Артикул: 300619-00077, LAMP ASS`Y,ADD WORKING
2Артикул: 300619-00077A, LAMP ASSY
3Артикул: K1055454, LAMP,HEAD
Подробнее >
ГИДРОСИСТЕМА РУКОЯТИ - РУКОЯТЬ 3.98 м

ГИДРОСИСТЕМА РУКОЯТИ - РУКОЯТЬ 3.98 м

1Артикул: 420212-04393, PIPING,ARM
2Артикул: 400310-00016A, CYLINDER,BUCKET
3Артикул: 400310-00016B, CYLINDER,BUCKET
Подробнее >
РАМА ГУСЕНИЦЫ - 3.9 м

РАМА ГУСЕНИЦЫ - 3.9 м

1Артикул: 650105-00020, UNDERCARRIAGE ASSY(3.9M)
2Артикул: 160617-00084A, FRAME,TRACK
3Артикул: 160622-00013C, FRAME,SIDE;(L.H)
Подробнее >
ГИДРОСИСТЕМА СТРЕЛЫ-7.1 м

ГИДРОСИСТЕМА СТРЕЛЫ-7.1 м

1Артикул: 420212-02191, PIPING,BOOM
2Артикул: 420207-00127A, PIPE
3Артикул: 420207-00129B, PIPE
Подробнее >
7230 BUCKET ASS`Y - 1.37гЋҐ

7230 BUCKET ASS`Y - 1.37гЋҐ

1Артикул: K1013367E, BUCKET ASS`Y
2Артикул: 230104-01792, BUCKET ASSY;1.37M3
3Артикул: K1013368C, BUCKET SUB ASS`Y-1.37гЋҐ
Подробнее >
6920 ARM PIPING - ONE & TWO WAY(ARM 2.4m)

6920 ARM PIPING - ONE & TWO WAY(ARM 2.4m)

1Артикул: 420212-04387, PIPING,ARM;1 & 2 WAY
2Артикул: 2184-1100D92, HOSE 2-1 1/4-2150L
3Артикул: 2180-1026D23, O-RING
Подробнее >
ВОЗДУХООЧИСТИТЕЛЬ - НЕФТЯНАЯ СМАЗКА

ВОЗДУХООЧИСТИТЕЛЬ - НЕФТЯНАЯ СМАЗКА

1Артикул: 400414-00077, CLEANER ASSY,AIR;OIL WASHED
2Артикул: 110508-05721C, COVER,AIR CLEANER
3Артикул: S5102703, WASHER
Подробнее >
6960 ARM PIPING - ONE & TWO WAY (ARM 3.35m)

6960 ARM PIPING - ONE & TWO WAY (ARM 3.35m)

1Артикул: 420212-02192, PIPING,ARM;ONE & TWO WAY
2Артикул: 420212-07721, PIPING,ARM;ONE & TWO WAY
3Артикул: 420207-00146A, PIPE ASSY,HYDRAULIC
Подробнее >
ГИДРОСИСТЕМА СТРЕЛЫ-ВРАЩАЮЩИЙСЯ (СТРЕЛА 7.1 м)

ГИДРОСИСТЕМА СТРЕЛЫ-ВРАЩАЮЩИЙСЯ (СТРЕЛА 7.1 м)

1Артикул: 420212-00720, PIPING,BOOM;ROTATION
2Артикул: 420207-00688, PIPE ASSY,HYDRAULIC
3Артикул: 420207-00689, PIPE ASSY,HYDRAULIC
Подробнее >
РУКОЯТЬ - 3.35 м(NA)

РУКОЯТЬ - 3.35 м(NA)

1Артикул: 230201-00533, ARM ASSY
2Артикул: 230204-00229, ARM;3.35M NA
3Артикул: 230204-00229B, ARM;3.35M NA
Подробнее >
БАШМАК ГУСЕНИЦЫ - 750G(ФИКСИРОВАННАЯ ГУСЕНИЦА)

БАШМАК ГУСЕНИЦЫ - 750G(ФИКСИРОВАННАЯ ГУСЕНИЦА)

1Артикул: 200106-00100, SHOE ASSY,TRACK
2Артикул: 200106-00031, SHOE ASSY,TRACK;750MM
3Артикул: 200106-00031A, SHOE ASSY,TRACK(750MM)
Подробнее >
БАШМАК ГУСЕНИЦЫ В СБОРЕ - 800G

БАШМАК ГУСЕНИЦЫ В СБОРЕ - 800G

1Артикул: 200106-00091, SHOE ASSY,TRACK
2Артикул: 200106-00032, SHOE ASSY,TRACK;800MM
3Артикул: 200106-00032A, SHOE ASSY,TRACK(800MM)
Подробнее >
КОВРИК НА ПОЛУ КУЗОВА - ОДНА ПЕДАЛЬ

КОВРИК НА ПОЛУ КУЗОВА - ОДНА ПЕДАЛЬ

1Артикул: 110935-00047A, MAT,FLOOR
2Артикул: 110935-00047B, MAT,FLOOR;PEDAL(R.H)
3Артикул: 110935-00047C, MAT,FLOOR;PEDAL(R.H)
Подробнее >
ТРУБОПРОВОД СМАЗОЧНОЙ СИСТЕМЫ - СТРЕЛА 7.1 м

ТРУБОПРОВОД СМАЗОЧНОЙ СИСТЕМЫ - СТРЕЛА 7.1 м

1Артикул: 420212-00726, PIPING,BOOM LUBRICATION
2Артикул: DS2053838, HOSE
3Артикул: DS2053746, HOSE
Подробнее >
МАЯЧОК ТЕЛЕСКОПА

МАЯЧОК ТЕЛЕСКОПА

1Артикул: 300619-00085A, TELESCOPIC BEACON ASSY
2Артикул: 300619-00085C, TELESCOPIC BEACON ASSY;NOT 6LAMP
3Артикул: 110429-00002C, BRACKET
Подробнее >
ТРУБОПРОВОД СЕРВОУПРАВЛЕНИЯ-ГИДРОЗАМОК СТРЕЛЫ

ТРУБОПРОВОД СЕРВОУПРАВЛЕНИЯ-ГИДРОЗАМОК СТРЕЛЫ

1Артикул: 420212-04054, PIPING,PILOT;BOOM LOCK VALVE
2Артикул: 110406-00246B, BRACKET
3Артикул: DS20132126, HOSE ASSY,HYDRAULIC
Подробнее >
ГИДРОСИСТЕМА РУКОЯТИ - РУКОЯТЬ 8 м

ГИДРОСИСТЕМА РУКОЯТИ - РУКОЯТЬ 8 м

1Артикул: 420212-07212, PIPING,ARM
2Артикул: K1000884B, BUCKET CYLINDER
3Артикул: 400310-00214A, CYLINDER,BUCKET
Подробнее >
7400 BUCKET ASS`Y - 2.72mВі - H CLASS

7400 BUCKET ASS`Y - 2.72mВі - H CLASS

1Артикул: 230104-01808, BUCKET ASSY;2.72M3(R2H)
2Артикул: 230104-01808A, BUCKET ASSY;2.72M3 R2H
3Артикул: -, BUCKET,WELD;2.72M3(R2H)
Подробнее >
ГЛАВНАЯ МАГИСТРАЛЬ - БЫСТРАЯ ПОСАДКА

ГЛАВНАЯ МАГИСТРАЛЬ - БЫСТРАЯ ПОСАДКА

1Артикул: 420212-04035, PIPING,MAIN;QUICK FIT
2Артикул: K1054772, VALVE;QUICK-FIT
3Артикул: 410111-00142, VALVE;QUICK-FIT
Подробнее >
ГИДРОЗАМОК ТРУБОПРОВОДА - СТРЕЛА 6.3 м

ГИДРОЗАМОК ТРУБОПРОВОДА - СТРЕЛА 6.3 м

1Артикул: 420212-04382, PIPING,BOOM;ARM LOCK;6.3M
2Артикул: 420212-11115, PIPING,BOOM;ARM LOCK;6.3M
3Артикул: DS20131669, HOSE
Подробнее >
ТОПЛИВНЫЙ ФИЛЬТР - С ПОДОГРЕВАТЕЛЬНОЙ ЧАШЕЙ

ТОПЛИВНЫЙ ФИЛЬТР - С ПОДОГРЕВАТЕЛЬНОЙ ЧАШЕЙ

1Артикул: 420212-05784, PIPING,FUEL;BOWL HEATER
2Артикул: 400403-00072, FILTER,FUEL
3Артикул: 400403-00170, FILTER,FUEL
Подробнее >
ТРУБОПРОВОД СМАЗОЧНОЙ СИСТЕМЫ - РУКОЯТЬ 8 м

ТРУБОПРОВОД СМАЗОЧНОЙ СИСТЕМЫ - РУКОЯТЬ 8 м

1Артикул: 420212-07255, PIPING,REMOTE LUBRICATION
2Артикул: K1016055, PIPE
3Артикул: K1016056, PIPE
Подробнее >
СТРЕЛА - 11 м

СТРЕЛА - 11 м

1Артикул: 230207-00205, BOOM ASSY
2Артикул: 230211-00141, BOOM,11m
3Артикул: 230211-00141A, BOOM,MACHINE;(11.0M)
Подробнее >
6250 ARM PIPING - ONE & TWO WAY(ARM 2.9m)

6250 ARM PIPING - ONE & TWO WAY(ARM 2.9m)

1Артикул: 420212-04390, PIPING,ARM;1 & 2 WAY
2Артикул: 420207-01084, PIPE ASSY,HYDRAULIC
3Артикул: 420207-01084A, PIPE ASSY,HYDRAULIC
Подробнее >
КАБИНА С НИЗКИМ ЗАЩИТНЫМ ОГРАЖДЕНИЯ

КАБИНА С НИЗКИМ ЗАЩИТНЫМ ОГРАЖДЕНИЯ

1Артикул: 110921-00053, GUARD ASS`Y;LOWER
2Артикул: 110921-00055, GUARD;FRONT WINDOW
3Артикул: 2114-1898D17, WASHER
Подробнее >
СТРЕЛА - 7.1 м(ОСОБО ПРОЧНЫЙ)

СТРЕЛА - 7.1 м(ОСОБО ПРОЧНЫЙ)

1Артикул: 230207-00094, BOOM ASSY
2Артикул: 230211-00065C, BOOM;7.1M H.D
3Артикул: 230211-00065E, BOOM,MACHINE;7.1M H.D
Подробнее >
БАШМАК ГУСЕНИЦЫ - 800G(ФИКСИРОВАННАЯ ГУСЕНИЦА)

БАШМАК ГУСЕНИЦЫ - 800G(ФИКСИРОВАННАЯ ГУСЕНИЦА)

1Артикул: 200106-00101, SHOE ASSY,TRACK
2Артикул: 200106-00032, SHOE ASSY,TRACK;800MM
3Артикул: 200106-00032A, SHOE ASSY,TRACK(800MM)
Подробнее >
ТРУБОПРОВОД СЕРВОУПРАВЛЕНИЯ - ИЗМЕНЕНИЕ РЕЖИМА(1)

ТРУБОПРОВОД СЕРВОУПРАВЛЕНИЯ - ИЗМЕНЕНИЕ РЕЖИМА(1)

1Артикул: 420212-04064, PIPING,PILOT;PATTERN CHANGE
2Артикул: 410132-00001, VALVE,SELECTOR
3Артикул: 301411-00002, . SWITCH,LIMIT
Подробнее >
ТРУБОПРОВОД СМАЗОЧНОЙ СИСТЕМЫ - РУКОЯТЬ 3.35 м

ТРУБОПРОВОД СМАЗОЧНОЙ СИСТЕМЫ - РУКОЯТЬ 3.35 м

1Артикул: 420212-00730, PIPING,ARM;LUBRICATION
2Артикул: DS2094455, HOSE
3Артикул: DS2059598, HOSE
Подробнее >
ГИДРОСИСТЕМА РУКОЯТИ - РУКОЯТЬ 6 м

ГИДРОСИСТЕМА РУКОЯТИ - РУКОЯТЬ 6 м

1Артикул: 420212-07296, PIPING,ARM
2Артикул: 440-00433B, CYLINDER;BUCKET
3Артикул: 400310-00336, CYLINDER,BUCKET
Подробнее >
7100 BUCKET - 2.01гЋҐ(54`) - SIDE PIN

7100 BUCKET - 2.01гЋҐ(54`) - SIDE PIN

1Артикул: 230104-00866, BUCKET ASS`Y-2.01mВі(H.D)
2Артикул: 230104-00866A, BUCKET ASS`Y-2.01mВі(H.D)
3Артикул: 230104-00866B, BUCKET ASS`Y-2.01mВі(H.D)
Подробнее >
ГИДРОСИСТЕМА РУКОЯТИ - БЫСТРАЯ ПОСАДКА(РУКОЯТЬ 3.98 м)

ГИДРОСИСТЕМА РУКОЯТИ - БЫСТРАЯ ПОСАДКА(РУКОЯТЬ 3.98 м)

1Артикул: 420212-04397, PIPING,ARM;QUICK FIT 3.98M
2Артикул: 420207-01089A, PIPE ASSY,HYDRAULIC
3Артикул: 420207-01089B, PIPE ASSY,HYDRAULIC
Подробнее >
РУКОЯТЬ - 3.35 м

РУКОЯТЬ - 3.35 м

1Артикул: 230201-00067, ARM ASSY
2Артикул: 230204-00032G, ARM;3.35M
3Артикул: 230204-00344, ARM,MACHINE;3.35M
Подробнее >
БАШМАК ГУСЕНИЦЫ - 900G(ФИКСИРОВАННАЯ ГУСЕНИЦА)

БАШМАК ГУСЕНИЦЫ - 900G(ФИКСИРОВАННАЯ ГУСЕНИЦА)

1Артикул: 200106-00102, SHOE ASSY,TRACK
2Артикул: 200106-00033, SHOE ASSY,TRACK;900MM
3Артикул: 200106-00033A, SHOE ASSY,TRACK(900MM)
Подробнее >
ТРУБОПРОВОД СМАЗОЧНОЙ СИСТЕМЫ - СТРЕЛА 11 м

ТРУБОПРОВОД СМАЗОЧНОЙ СИСТЕМЫ - СТРЕЛА 11 м

1Артикул: 420212-07262, PIPING,LUBRICATION
2Артикул: DS2053838, HOSE
3Артикул: 2184-1045D132, HOSE
Подробнее >
ГИДРОСИСТЕМА СТРЕЛЫ-ГИДРОЗАМОК

ГИДРОСИСТЕМА СТРЕЛЫ-ГИДРОЗАМОК

1Артикул: 420212-00728, PIPING,LOCK VALVE;BOOM
2Артикул: 400309-00028B, CYLINDER,BOOM;LOCK V/V(L.H)
3Артикул: 400309-00028C, CYLINDER,BOOM;LOCK V/V(L.H)
Подробнее >
7310 BUCKET ASS`Y - 0.92mВі

7310 BUCKET ASS`Y - 0.92mВі

1Артикул: 230104-01245, BUCKET ASS`Y-0.92mВі
2Артикул: 230104-01245A, BUCKET ASS`Y-0.92гЋҐ
3Артикул: 230104-01245B, BUCKET ASS`Y-0.92гЋҐ
Подробнее >
РАБОЧАЯ ФАРА - 6 ЛАМПЫ(КОЖУХ)

РАБОЧАЯ ФАРА - 6 ЛАМПЫ(КОЖУХ)

1Артикул: 300619-00078A, LAMP ASSY,ADD WORKING
2Артикул: 300619-00078B, LAMP ASSY
3Артикул: K1055454, LAMP,HEAD
Подробнее >
РУКОЯТЬ - 3.98 м

РУКОЯТЬ - 3.98 м

1Артикул: 230201-00262, ARM ASSY
2Артикул: 230204-00130B, ARM;3.98M
3Артикул: 230204-00130E, ARM,MACHINE;3.98M
Подробнее >
РАМА ГУСЕНИЦЫ - 3.57 м

РАМА ГУСЕНИЦЫ - 3.57 м

1Артикул: 650105-00010, UNDERCARRIAGE ASSY
2Артикул: 160619-00046A, FRAME,CENTER
3Артикул: 160622-00062, FRAME,TRACK SIDE(L.H)
Подробнее >
7430 CABIN - ROPS(NA)

7430 CABIN - ROPS(NA)

1Артикул: 220101-00439N, CABIN ASSY
2Артикул: 220101-00439P, CABIN ASSY
3Артикул: 220101-00439R, CABIN ASSY;VANDAL ROPS
Подробнее >
ГИДРОСИСТЕМА РУКОЯТИ-ГИДРОЗАМОК

ГИДРОСИСТЕМА РУКОЯТИ-ГИДРОЗАМОК

1Артикул: 420212-06745, PIPING,ARM LOCK VALVE
2Артикул: 420212-10570, PIPING,ARM LOCK VALVE
3Артикул: DS20131619, HOSE
Подробнее >
7110 BUCKET - 2.29гЋҐ(60`) - SIDE PIN

7110 BUCKET - 2.29гЋҐ(60`) - SIDE PIN

1Артикул: 230104-00869, BUCKET ASS`Y-2.29mВі(H.D)
2Артикул: 230104-00869A, BUCKET ASS`Y-2.29mВі(H.D)
3Артикул: 230104-00869B, BUCKET ASS`Y-2.29mВі(H.D)
Подробнее >
6200 PILOT PIPING - ONE & TWO WAY

6200 PILOT PIPING - ONE & TWO WAY

1Артикул: 420212-04057, PIPING,PILOT;1 OR 2 WAY
2Артикул: 410134-00032, VALVE,SHUTTLE
3Артикул: 426-00266, VALVE;EPPR
Подробнее >
6470 ROCK BUCKET ASS`Y 1.71mВі - HEAVY DUTY

6470 ROCK BUCKET ASS`Y 1.71mВі - HEAVY DUTY

1Артикул: 230104-00881, BUCKET ASS`Y-1.71mВі
2Артикул: 230104-00881A, BUCKET ASS`Y-1.71mВі
3Артикул: 230104-00881B, BUCKET ASSY
Подробнее >
ЭЛЕКТРИЧЕСКИЕ ЗАПЧАСТИ-СТРЕЛА ПЛАВАЮЩЕГО ТИПА

ЭЛЕКТРИЧЕСКИЕ ЗАПЧАСТИ-СТРЕЛА ПЛАВАЮЩЕГО ТИПА

1Артикул: 300619-01635, ELECTRIC ASSY
2Артикул: 300701-00020, ACTUATOR,SWITCH
3Артикул: 301423-00040, SWITCH,ROCKER
Подробнее >
ГЛАВНАЯ МАГИСТРАЛЬ - СТРЕЛА ПЛАВАЮЩЕГО ТИПА(ЗАМОК)

ГЛАВНАЯ МАГИСТРАЛЬ - СТРЕЛА ПЛАВАЮЩЕГО ТИПА(ЗАМОК)

1Артикул: 420212-04040, PIPING,MAIN;BOOM FLOATING
2Артикул: 410111-00104, VALVE
3Артикул: 300715-00036, . COIL
Подробнее >
РУКОЯТЬ - 2.4 м

РУКОЯТЬ - 2.4 м

1Артикул: 230201-00260, ARM ASSY
2Артикул: 230204-00128B, ARM;2.4M
3Артикул: 230204-00128C, ARM,MACHINE;2.4M
Подробнее >
МОНТАЖ ДИЗЕЛЬНОГО НАГРЕВАТЕЛЯ

МОНТАЖ ДИЗЕЛЬНОГО НАГРЕВАТЕЛЯ

1Артикул: 440207-00109, HEATER,DIESEL
2Артикул: DS0025010, BOLT
3Артикул: 124-00208D7, CLIP
Подробнее >
ГУСЕНИЦЫ В СБОРЕ - ЗАФИКСИРОВАННЫЕ

ГУСЕНИЦЫ В СБОРЕ - ЗАФИКСИРОВАННЫЕ

1Артикул: 650105-00016, UNDERCARRIAGE ASSY
2Артикул: 400826-00001, JOINT,CENTER
3Артикул: 140109-00003A, BEARING,SWING
Подробнее >
СТРЕЛА - 7.1 м

СТРЕЛА - 7.1 м

1Артикул: 230207-00025, BOOM ASSY
2Артикул: 230211-00110C, BOOM 7.1M
3Артикул: 230211-00110E, BOOM,MACHINE;7.1M
Подробнее >
7440 BUCKET ASS`Y - 1.94mВі - S CLASS

7440 BUCKET ASS`Y - 1.94mВі - S CLASS

1Артикул: 230104-01994, BUCKET ASSY;1.94M3
2Артикул: -, BUCKET,WELD;1.94M3
3Артикул: 430203-00037, . ADAPTER,TOOTH
Подробнее >
ТРУБОПРОВОД СЕРВОУПРАВЛЕНИЯ - ПРЯМОЙ ВАЛ ХОДА

ТРУБОПРОВОД СЕРВОУПРАВЛЕНИЯ - ПРЯМОЙ ВАЛ ХОДА

1Артикул: 420212-05895, PIPING,PILOT;STRAIGHT TRVEL
2Артикул: 410119-00006, VALVE,PEDAL
3Артикул: 410134-00034, VALVE,SHUTTLE
Подробнее >
7120 BUCKET - 2.85гЋҐ(72`) - SIDE PIN

7120 BUCKET - 2.85гЋҐ(72`) - SIDE PIN

1Артикул: 230104-00872, BUCKET ASS`Y-2.85mВі(H.D)
2Артикул: 230104-00872A, BUCKET ASS`Y-2.85mВі(H.D)
3Артикул: 230104-00872B, BUCKET ASS`Y-2.85mВі(H.D)
Подробнее >
7090 BUCKET - 1.73гЋҐ(48`) - SIDE PIN

7090 BUCKET - 1.73гЋҐ(48`) - SIDE PIN

1Артикул: 230104-00838, BUCKET ASS`Y-1.73mВі
2Артикул: 230104-00838A, BUCKET ASS`Y-1.73mВі
3Артикул: 230104-00838B, BUCKET ASS`Y-1.73mВі(H.D)
Подробнее >
СИГНАЛИЗАЦИЯ О ПЕРЕГРУЗКЕ

СИГНАЛИЗАЦИЯ О ПЕРЕГРУЗКЕ

1Артикул: 300619-00090, OVERLOAD WARNING
2Артикул: 549-00102, SWITCH
3Артикул: 301401-00006, ACTUATOR,SWITCH
Подробнее >
ЭЛЕКТРИЧЕСКИЕ ЗАПЧАСТИ-БЫСТРОУСТАНАВЛИВАЕМЫЙ ФИКСАТОР

ЭЛЕКТРИЧЕСКИЕ ЗАПЧАСТИ-БЫСТРОУСТАНАВЛИВАЕМЫЙ ФИКСАТОР

1Артикул: 300619-00089, ELECTRIC ASSY
2Артикул: 549-00092, SWITCH
3Артикул: 530-00432A, HARNESS,JOINT
Подробнее >
6120 DIESEL HEATER

6120 DIESEL HEATER

1Артикул: 440207-00082A, HEATER,DIESEL
2Артикул: 440207-00019, HEATER,DIESEL
3Артикул: 400909-00056, PUMP,FUEL
Подробнее >
ТРУБОПРОВОД СМАЗОЧНОЙ СИСТЕМЫ - РУКОЯТЬ 3.98 м

ТРУБОПРОВОД СМАЗОЧНОЙ СИСТЕМЫ - РУКОЯТЬ 3.98 м

1Артикул: 420212-04394, PIPING,ARM;LUBRICATION
2Артикул: DS2059598, HOSE
3Артикул: 2181-1184, ADAPTER
Подробнее >
6140 FUEL FILLER PUMP

6140 FUEL FILLER PUMP

1Артикул: 400909-00050, PUMP ASSY,FUEL FILLER
2Артикул: 401-00527, PUMP;FUEL TRANSFER
3Артикул: 421-00023, VALVE ASSY,CHECK
Подробнее >
7220 BUCKET ASS`Y - 1.12гЋҐ

7220 BUCKET ASS`Y - 1.12гЋҐ

1Артикул: K1013364E, BUCKET ASS`Y
2Артикул: 230104-01789, BUCKET ASSY
3Артикул: K1013365C, BUCKET SUB ASS`Y-1.12гЋҐ
Подробнее >
7450 BUCKET ASS`Y - 2.22mВі - S CLASS

7450 BUCKET ASS`Y - 2.22mВі - S CLASS

1Артикул: 230104-02019, BUCKET ASSY;2.22M3
2Артикул: -, BUCKET,WELD;2.22M3
3Артикул: 430203-00037, . ADAPTER,TOOTH
Подробнее >
ТРУБОПРОВОД СЕРВОУПРАВЛЕНИЯ-КЛАПАН ЗАМКА РУКОЯТИ

ТРУБОПРОВОД СЕРВОУПРАВЛЕНИЯ-КЛАПАН ЗАМКА РУКОЯТИ

1Артикул: 420212-04055, PIPING,PILOT;ARM LOCK
2Артикул: DS2113009, HOSE
3Артикул: DS2121245, HOSE
Подробнее >
ГИДРОЗАМОК ТРУБОПРОВОДА - СТРЕЛА 11 м

ГИДРОЗАМОК ТРУБОПРОВОДА - СТРЕЛА 11 м

1Артикул: 420212-07229, PIPING,ARM LOCK VALVE
2Артикул: DS20132248, HOSE ASSY,HYDRAULIC
3Артикул: 400305-00021A, CYLINDER,ARM;LOCK V/V
Подробнее >
7140 BUCKET - 3.60гЋҐ(88`) - SIDE PIN

7140 BUCKET - 3.60гЋҐ(88`) - SIDE PIN

1Артикул: 230104-00878, BUCKET ASS`Y-3.6mВі(H.D)
2Артикул: 230104-00878A, BUCKET ASS`Y-3.6mВі(H.D)
3Артикул: 230104-00878B, BUCKET ASS`Y-3.6mВі(H.D)
Подробнее >
РУКОЯТЬ - 6 м

РУКОЯТЬ - 6 м

1Артикул: 230201-00568, ARM ASSY
2Артикул: 230204-00240, ARM,MACHINE;6.0M
3Артикул: 230204-00240A, ARM,MACHINE;(6.0M)
Подробнее >
ТРУБОПРОВОД СЕРВОУПРАВЛЕНИЯ - ВРАЩАЮЩИЙСЯ

ТРУБОПРОВОД СЕРВОУПРАВЛЕНИЯ - ВРАЩАЮЩИЙСЯ

1Артикул: 420212-05901C, PIPING,PILOT;ROTATING
2Артикул: 410116-00091, VALVE,EPPR
3Артикул: 410116-00418, . VALVE,EPPR
Подробнее >
ГЛАВНАЯ МАГИСТРАЛЬ - СТРЕЛА ПЛАВАЮЩЕГО ТИПА

ГЛАВНАЯ МАГИСТРАЛЬ - СТРЕЛА ПЛАВАЮЩЕГО ТИПА

1Артикул: 420212-04039, PIPING,MAIN;BOOM FLOATING
2Артикул: 110425-00127A, BRACKET,VALVE MOUNTING
3Артикул: DS2038386, HOSE ASSY,HYDRAULIC
Подробнее >
ГЛАВНАЯ МАГИСТРАЛЬ - ВРАЩАЮЩИЙСЯ

ГЛАВНАЯ МАГИСТРАЛЬ - ВРАЩАЮЩИЙСЯ

1Артикул: 420212-04033, PIPING,MAIN;ROTATING
2Артикул: 400911-00046, PUMP,HYDRAULIC
3Артикул: K1007973, PUMP,GEAR
Подробнее >
ГИДРОСИСТЕМА СТРЕЛЫ - БЫСТРОУСТАНАВЛИВАЕМЫЙ ФИКСАТОР(СТРЕЛА 6.3 м)

ГИДРОСИСТЕМА СТРЕЛЫ - БЫСТРОУСТАНАВЛИВАЕМЫЙ ФИКСАТОР(СТРЕЛА 6.3 м)

1Артикул: 420212-04380, PIPING,BOOM;QUICK FIT;6.3M
2Артикул: 420212-11114, PIPING,BOOM;QUICK COUPLER
3Артикул: DS2011879, HOSE,HYDRAULIC
Подробнее >
ТРУБОПРОВОД СМАЗОЧНОЙ СИСТЕМЫ - СТРЕЛА 9 м

ТРУБОПРОВОД СМАЗОЧНОЙ СИСТЕМЫ - СТРЕЛА 9 м

1Артикул: 420212-07298, PIPING,LUBRICATION,BOOM
2Артикул: DS2053838, HOSE
3Артикул: 2184-1045D132, HOSE
Подробнее >
ВЕРХНЯЯ ЗАЩИТА В СБОРЕ

ВЕРХНЯЯ ЗАЩИТА В СБОРЕ

1Артикул: 110921-00675B, GUARD ASSY;TOP
2Артикул: 110921-00675C, GUARD ASSY;TOP
3Артикул: 110921-00675E, GUARD ASSY;TOP
Подробнее >
ГИДРОСИСТЕМА РУКОЯТИ - БЫСТРАЯ ПОСАДКА(РУКОЯТЬ 2.9 м)

ГИДРОСИСТЕМА РУКОЯТИ - БЫСТРАЯ ПОСАДКА(РУКОЯТЬ 2.9 м)

1Артикул: 420212-04392, PIPING,ARM;QUICK FIT
2Артикул: 420207-01086A, PIPE ASSY,HYDRAULIC
3Артикул: 420207-01086B, PIPE ASSY,HYDRAULIC
Подробнее >
РУКОЯТЬ - 3.35 м(ОСОБО ПРОЧНЫЙ)

РУКОЯТЬ - 3.35 м(ОСОБО ПРОЧНЫЙ)

1Артикул: 230201-00259, ARM ASSY
2Артикул: 230204-00127B, ARM;3.35M H.D
3Артикул: 230204-00127C, ARM,MACHINE;3.35M H.D
Подробнее >
ТРУБОПРОВОД СЕРВОУПРАВЛЕНИЯ - 2 НАСОСА

ТРУБОПРОВОД СЕРВОУПРАВЛЕНИЯ - 2 НАСОСА

1Артикул: 420212-04063, PIPING,PILOT;TWO PUMP
2Артикул: DS2119070, HOSE ASSY,HYDRAULIC
3Артикул: DS2119044, HOSE ASSY,HYDRAULIC
Подробнее >
ГИДРОСИСТЕМА СТРЕЛЫ - СТРЕЛА 9 м

ГИДРОСИСТЕМА СТРЕЛЫ - СТРЕЛА 9 м

1Артикул: 420212-07282, PIPING,BOOM
2Артикул: 420207-01978, PIPE ASSY,HYDRAULIC
3Артикул: 420207-01949, PIPE ASSY,HYDRAULIC
Подробнее >
СТРЕЛА - 9 м

СТРЕЛА - 9 м

1Артикул: 230207-00206, BOOM ASSY
2Артикул: 230211-00142, BOOM,9m
3Артикул: 230211-00142A, BOOM,MACHINE;(9.0M)
Подробнее >
7480 BUCKET ASS`Y - 3.15mВі - S CLASS

7480 BUCKET ASS`Y - 3.15mВі - S CLASS

1Артикул: 230104-02025, BUCKET ASSY;3.15M3
2Артикул: -, BUCKET,WELD;3.15M3
3Артикул: 430203-00037, . ADAPTER,TOOTH
Подробнее >
ГИДРОЗАМОК ТРУБОПРОВОДА - СТРЕЛА 9 м

ГИДРОЗАМОК ТРУБОПРОВОДА - СТРЕЛА 9 м

1Артикул: 420212-07284, PIPING,ARM LOCK VALVE
2Артикул: DS20132249, HOSE ASSY,HYDRAULIC
3Артикул: 400305-00021A, CYLINDER,ARM;LOCK V/V
Подробнее >
ГИДРОСИСТЕМА РУКОЯТИ - ВРАЩАЮЩИЙСЯ (РУКОЯТЬ 3.98 м)

ГИДРОСИСТЕМА РУКОЯТИ - ВРАЩАЮЩИЙСЯ (РУКОЯТЬ 3.98 м)

1Артикул: 420212-04396, PIPING,ARM;ROTATING;3.98M
2Артикул: 420207-00147A, PIPE ASSY,HYDRAULIC
3Артикул: DS20131907, HOSE ASSY,HYDRAULIC
Подробнее >
ПРОБЛЕСКОВЫЙ МАЯЧОК - С ЛАМПОЙ

ПРОБЛЕСКОВЫЙ МАЯЧОК - С ЛАМПОЙ

1Артикул: 300619-00080B, ROTATING BEACON ASSY
2Артикул: 300619-00080E, ROTATING BEACON ASSY
3Артикул: 131002-00085, BUSHING ASS`Y
Подробнее >
КАМЕРА БОКОВОГО ВИДА

КАМЕРА БОКОВОГО ВИДА

1Артикул: 300619-01318, ELECTRIC ASSY;SIDE VIEW CAMERA
2Артикул: S5102503, WASHER
3Артикул: S5100203, WASHER
Подробнее >
7380 BUCKET ASS`Y - 2.07mВі - H CLASS

7380 BUCKET ASS`Y - 2.07mВі - H CLASS

1Артикул: 230104-01804, BUCKET ASSY;2.07M3(R2H)
2Артикул: 230104-01804A, BUCKET ASSY;2.07M3 R2H
3Артикул: -, BUCKET,WELD;2.07M3(R2H)
Подробнее >
ПРОБЛЕСКОВЫЙ МАЯЧОК - ЗАЖИТА

ПРОБЛЕСКОВЫЙ МАЯЧОК - ЗАЖИТА

1Артикул: 300619-00082B, ROTATING BEACON ASSY
2Артикул: 300619-00082E, ROTATING BEACON ASSY
3Артикул: 131002-00085, BUSHING ASS`Y
Подробнее >
7060 BUCKET ASS`Y - 1.80mВі

7060 BUCKET ASS`Y - 1.80mВі

1Артикул: 230104-00847, BUCKET ASS`Y-1.8mВі
2Артикул: 230104-00847A, BUCKET ASSY
3Артикул: 230104-00848, BUCKET-1.8mВі
Подробнее >
ЗАЩИТА ОТ ДОЖДЯ

ЗАЩИТА ОТ ДОЖДЯ

1Артикул: 102202-00002A, SHIELD ASSY,RAIN
2Артикул: 102202-00001, SHIELD,RAIN
3Артикул: 110420-00008, BRACKET,RAIN SHIELD(R.H)
Подробнее >
7370 BUCKET ASS`Y - 1.80mВі - H CLASS

7370 BUCKET ASS`Y - 1.80mВі - H CLASS

1Артикул: 230104-01801, BUCKET ASSY;1.80M3(R2H)
2Артикул: 230104-01801A, BUCKET ASSY;1.80M3 R2H
3Артикул: -, BUCKET,WELD;1.80M3(R2H)
Подробнее >
7410 BUCKET ASS`Y - 2.91mВі - H CLASS

7410 BUCKET ASS`Y - 2.91mВі - H CLASS

1Артикул: 230104-01810, BUCKET ASSY;2.91M3(R2H)
2Артикул: 230104-01810A, BUCKET ASSY;2.91M3 R2H
3Артикул: -, BUCKET,WELD;2.91M3(R2H)
Подробнее >
ГИДРОСИСТЕМА РУКОЯТИ - РУКОЯТЬ 3.35 м

ГИДРОСИСТЕМА РУКОЯТИ - РУКОЯТЬ 3.35 м

1Артикул: 420212-00729, PIPING,ARM
2Артикул: 400310-00016A, CYLINDER,BUCKET
3Артикул: 400310-00016B, CYLINDER,BUCKET
Подробнее >
6850 BOOM PIPING - ONE & TWO WAY (BOOM 7.1m)

6850 BOOM PIPING - ONE & TWO WAY (BOOM 7.1m)

1Артикул: 420212-00718, PIPING,BOOM;ONE & TWO WAY
2Артикул: 420207-00135A, PIPE
3Артикул: 420207-00135B, PIPE
Подробнее >
12 В РАЗЪЕМ

12 В РАЗЪЕМ

1Артикул: 300619-00921, ELECTRIC ASSY;12V SOCKET
2Артикул: 300612-00001A, CONVERTER,DC
3Артикул: S3450983, SCREW
Подробнее >
7470 BUCKET ASS`Y - 2.78mВі - S CLASS

7470 BUCKET ASS`Y - 2.78mВі - S CLASS

1Артикул: 230104-02023, BUCKET ASSY;2.78M3
2Артикул: -, BUCKET,WELD;2.78M3
3Артикул: 430203-00037, . ADAPTER,TOOTH
Подробнее >
ТРУБОПРОВОД - С ФИЛЬТРОМ

ТРУБОПРОВОД - С ФИЛЬТРОМ

1Артикул: 420212-04074, PIPING,BREAKER FILTER;1 WAY
2Артикул: DS20131955, HOSE ASSY,HYDRAULIC
Подробнее >
7420 BUCKET ASS`Y - 3.28mВі - H CLASS

7420 BUCKET ASS`Y - 3.28mВі - H CLASS

1Артикул: 230104-01812, BUCKET ASSY;3.28M3(R2H)
2Артикул: 230104-01812A, BUCKET ASSY;3.28M3 R2H
3Артикул: -, BUCKET,WELD;3.28M3(R2H)
Подробнее >
ВЫКЛЮЧАТЕЛЬ ФИЛЬТРА- 1 или 2 ПУТИ

ВЫКЛЮЧАТЕЛЬ ФИЛЬТРА- 1 или 2 ПУТИ

1Артикул: 420212-04072, PIPING,BREAKER FILTER;1 OR 2 WAY
2Артикул: 471-00109, FILTER,BREAKER
3Артикул: 474-00041, . ELEMENT
Подробнее >
ТРУБОПРОВОД СЕРВОУПРАВЛЕНИЯ - ИЗМЕНЕНИЕ РЕЖИМА(2)

ТРУБОПРОВОД СЕРВОУПРАВЛЕНИЯ - ИЗМЕНЕНИЕ РЕЖИМА(2)

1Артикул: 420212-05899A, PIPING,PILOT;PATTERN CHANGE
2Артикул: DS2113006, HOSE
3Артикул: DS2113046, HOSE
Подробнее >
БАШМАК ГУСЕНИЦЫ - 600G(ФИКСИРОВАННАЯ ГУСЕНИЦА)

БАШМАК ГУСЕНИЦЫ - 600G(ФИКСИРОВАННАЯ ГУСЕНИЦА)

1Артикул: 200106-00099, SHOE ASSY,TRACK
2Артикул: 200106-00024, SHOE ASSY,TRACK;600MM
3Артикул: 200106-00024A, SHOE ASSY,TRACK(600MM)
Подробнее >
МАЯЧОК ТЕЛЕСКОПА(С ЛАМПОЙ)

МАЯЧОК ТЕЛЕСКОПА(С ЛАМПОЙ)

1Артикул: 300619-00084B, TELESCOPIC BEACON ASSY
2Артикул: 195-01805, SUPPORT
3Артикул: 2114-1898D2, WASHER
Подробнее >
7020 ARM PIPING - ONE & TWO WAY(ARM 3.98m)

7020 ARM PIPING - ONE & TWO WAY(ARM 3.98m)

1Артикул: 420212-04395, PIPING,ARM;1 & 2 WAY
2Артикул: 420212-08264, PIPING,ARM;1 & 2 WAY
3Артикул: 420207-00146A, PIPE ASSY,HYDRAULIC
Подробнее >
ГИДРОСИСТЕМА РУКОЯТИ - БЫСТРАЯ ПОСАДКА(РУКОЯТЬ 3.35 м)

ГИДРОСИСТЕМА РУКОЯТИ - БЫСТРАЯ ПОСАДКА(РУКОЯТЬ 3.35 м)

1Артикул: 420212-00733, PIPING,ARM;QUICK CLAMP
2Артикул: 420207-00148A, PIPE
3Артикул: 420207-00148B, PIPE
Подробнее >
7390 BUCKET ASS`Y - 2.35mВі - H CLASS

7390 BUCKET ASS`Y - 2.35mВі - H CLASS

1Артикул: 230104-01806, BUCKET ASSY;2.35M3(R2H)
2Артикул: 230104-01806A, BUCKET ASSY;2.35M3 R2H
3Артикул: -, BUCKET,WELD;2.35M3(R2H)
Подробнее >
ГИДРОСИСТЕМА РУКОЯТИ - ВРАЩАЮЩИЙСЯ (РУКОЯТЬ 3.35 м)

ГИДРОСИСТЕМА РУКОЯТИ - ВРАЩАЮЩИЙСЯ (РУКОЯТЬ 3.35 м)

1Артикул: 420212-00732, PIPING,ARM;ROTATION(3.35M)
2Артикул: 420207-00147A, PIPE ASSY,HYDRAULIC
3Артикул: DS20131906, HOSE ASSY,HYDRAULIC
Подробнее >
РАДИО

РАДИО

1Артикул: 300654-00043, STEREO,CAR;RADIO
2Артикул: 300654-00040, STEREO,CAR;HANDSFREE(24V)
Подробнее >
ЗАЩИТНЫЙ КОРПУС ПРОТИВОТУМАННЫХ ФАР

ЗАЩИТНЫЙ КОРПУС ПРОТИВОТУМАННЫХ ФАР

1Артикул: 110921-00008G, GUARD ASSY;OPG
2Артикул: 110921-00008H, GUARD ASSY;OPG
3Артикул: 110921-00008K, GUARD ASSY;OPG
Подробнее >
7130 BUCKET - 3.20гЋҐ(80`) - SIDE PIN

7130 BUCKET - 3.20гЋҐ(80`) - SIDE PIN

1Артикул: 230104-00875, BUCKET ASS`Y-3.20mВі(H.D)
2Артикул: 230104-00875A, BUCKET ASS`Y-3.20mВі(H.D)
3Артикул: 230104-00875B, BUCKET ASS`Y-3.20mВі(H.D)
Подробнее >
ОБТЕКАЕМАЯ ПОДКУЗОВНАЯ ПАНЕЛЬ - ОСОБО ПРОЧНЫЙ

ОБТЕКАЕМАЯ ПОДКУЗОВНАЯ ПАНЕЛЬ - ОСОБО ПРОЧНЫЙ

1Артикул: 110513-00397, COVER ASSY,UNDER;HD
2Артикул: 110513-00398B, COVER,UNDER
3Артикул: 110513-00399B, COVER,UNDER
Подробнее >
ГЛАВНАЯ МАГИСТРАЛЬ - ОДИН ПУТЬ

ГЛАВНАЯ МАГИСТРАЛЬ - ОДИН ПУТЬ

1Артикул: 420212-04028, PIPING,MAIN;ONE WAY
2Артикул: 410127-00067, VALVE,RELIEF;PROPORTIONAL
3Артикул: 410127-00067A, VALVE,RELIEF
Подробнее >
EPOS - ВЫКЛЮЧАТЕЛЬ

EPOS - ВЫКЛЮЧАТЕЛЬ

1Артикул: 300619-01523, ELECTRIC ASSY;EPOS
2Артикул: 300619-01523A, ELECTRIC ASSY;EPOS
3Артикул: 300619-01523E, ELECTRIC ASSY,EPOS
Подробнее >
7070 BUCKET ASS`Y - 2.39mВі

7070 BUCKET ASS`Y - 2.39mВі

1Артикул: 230104-00845, BUCKET SUB ASS`Y-2.39mВі
2Артикул: 230104-00845A, BUCKET SUB ASSY;2.39M3
3Артикул: 230104-00846, BUCKET-2.39mВі
Подробнее >
ТРУБОПРОВОД СМАЗОЧНОЙ СИСТЕМЫ - РУКОЯТЬ 6 м

ТРУБОПРОВОД СМАЗОЧНОЙ СИСТЕМЫ - РУКОЯТЬ 6 м

1Артикул: 420212-07308, PIPING,REMOTE LUBRICATION
2Артикул: K1015855, PIPE
3Артикул: K1015856, PIPE
Подробнее >
6720 ROTATING BEACON

6720 ROTATING BEACON

1Артикул: 300619-00081B, ROTATING BEACON ASSY
2Артикул: 300619-00081E, ROTATING BEACON ASSY
3Артикул: 300619-00081H, ROTATING BEACON ASSY
Подробнее >
РАБОЧАЯ ФАРА - 6 ЛАМПЫ

РАБОЧАЯ ФАРА - 6 ЛАМПЫ

1Артикул: 300619-00076A, LAMP ASSY,ADD WORKING
2Артикул: 300619-00076B, LAMP ASSY
3Артикул: 300619-00076C, LAMP ASSY
Подробнее >
БАШМАК ГУСЕНИЦЫ - 600G(ДВОЙНОЙ ГРУНТОЗАЦЕП)

БАШМАК ГУСЕНИЦЫ - 600G(ДВОЙНОЙ ГРУНТОЗАЦЕП)

1Артикул: 200106-00103, SHOE ASSY,TRACK
2Артикул: 200106-00034, SHOE ASSY,TRACK;600MM
3Артикул: 200106-00034A, SHOE ASSY,TRACK(600mm)
Подробнее >
6870 BOOM PIPING - QUICK CLAMP

6870 BOOM PIPING - QUICK CLAMP

1Артикул: 420212-00722, PIPING,BOOM;QUICK CLAMP
2Артикул: 420212-10575, PIPING,BOOM;QUICK CLAMP
3Артикул: DS2011975, HOSE ASSY,HYDRAULIC
Подробнее >
ГЛАВНАЯ МАГИСТРАЛЬ - ДВА ПУТИ

ГЛАВНАЯ МАГИСТРАЛЬ - ДВА ПУТИ

1Артикул: 420212-04029, PIPING,MAIN;TWO WAY
2Артикул: 410127-00046A, VALVE,RELIEF;PROPORTIONAL
3Артикул: 410127-00046B, VALVE,RELIEF
Подробнее >
БАШМАК ГУСЕНИЦЫ В СБОРЕ - 750G

БАШМАК ГУСЕНИЦЫ В СБОРЕ - 750G

1Артикул: 200106-00090, SHOE ASSY,TRACK
2Артикул: 200106-00031, SHOE ASSY,TRACK;750MM
3Артикул: 200106-00031A, SHOE ASSY,TRACK(750MM)
Подробнее >
ГИДРОСИСТЕМА СТРЕЛЫ - СТРЕЛА 11 м

ГИДРОСИСТЕМА СТРЕЛЫ - СТРЕЛА 11 м

1Артикул: 420212-07190, PIPING,BOOM
2Артикул: 420207-01948, PIPE ASSY,HYDRAULIC
3Артикул: 420207-01949, PIPE ASSY,HYDRAULIC
Подробнее >
ТРУБОПРОВОД ХОДА - ФИКСИРОВАННАЯ ГУСЕНИЦА

ТРУБОПРОВОД ХОДА - ФИКСИРОВАННАЯ ГУСЕНИЦА

1Артикул: 420212-05909, PIPING,UNDERCARRIAGE
2Артикул: DS2040602, HOSE
3Артикул: DS2040781, HOSE
Подробнее >
7210 BUCKET ASS`Y - 1.27mВі

7210 BUCKET ASS`Y - 1.27mВі

1Артикул: 230104-00579, BUCKET ASS`Y-1.27mВі
2Артикул: 230104-00580, BUCKET SUB ASS`Y-1.27mВі
3Артикул: 230104-00580A, BUCKET SUB ASS`Y-1.27mВі
Подробнее >
7460 BUCKET ASS`Y - 2.59mВі - S CLASS

7460 BUCKET ASS`Y - 2.59mВі - S CLASS

1Артикул: 230104-02021, BUCKET ASSY;2.59M3
2Артикул: -, BUCKET,WELD;2.59M3
3Артикул: 430203-00037, . ADAPTER,TOOTH
Подробнее >