+7 (701) 588 50 05 Телефон для связи
RU

WhatsApp

Позвонить

60 ОПЦИОННЫЕ ЗАПЧАСТИ в Алматы

ГИДРОСИСТЕМА РУКОЯТИ - БЫСТРАЯ ПОСАДКА(РУКОЯТЬ 2.6 м)

ГИДРОСИСТЕМА РУКОЯТИ - БЫСТРАЯ ПОСАДКА(РУКОЯТЬ 2.6 м)

1Артикул: 420212-03703, PIPING,ARM;QUICK FIT
2Артикул: 420207-00884, PIPE
3Артикул: 420207-00884A, PIPE
Подробнее >
РАМА ГУСЕНИЦЫ-3 м ГУСЕНИЦЫ

РАМА ГУСЕНИЦЫ-3 м ГУСЕНИЦЫ

1Артикул: 160617-00164A, FRAME ASSY,TRACK;3M
Подробнее >
6930 TMS - CELLULAR & SATELLITE(V1.5)

6930 TMS - CELLULAR & SATELLITE(V1.5)

1Артикул: 300619-03342, ELECTRIC ASSY,TMS1.5
2Артикул: 300619-03139, ELECTRIC ASSY;TMS1.5
3Артикул: 300611-00902, . CONTROLLER;TMS1.5
Подробнее >
6780 BUCKET ASS`Y - 1.42mВі(48`) - SIDE PIN

6780 BUCKET ASS`Y - 1.42mВі(48`) - SIDE PIN

1Артикул: 230104-00634, BUCKET ASSY
2Артикул: 230104-00635B, BUCKET SUB ASS`Y-1.42mВі(H.D)
3Артикул: 230104-00635C, BUCKET SUB ASS`Y
Подробнее >
БАШМАК ГУСЕНИЦЫ В СБОРЕ - 750G

БАШМАК ГУСЕНИЦЫ В СБОРЕ - 750G

1Артикул: 200106-00072, SHOE ASSY,TRACK(750MM)
2Артикул: 200106-00027, SHOE ASSY,TRACK;750MM
3Артикул: 200103-00046, . LINK ASSY,TRACK
Подробнее >
6580 WINDOW GUARD

6580 WINDOW GUARD

1Артикул: 110921-00054, GUARD ASS`Y;FRONT
2Артикул: 110921-00054A, GUARD ASSY
3Артикул: 110921-00055, GUARD;FRONT WINDOW
Подробнее >
6990 TMS - CELLULAR & SATELLITE(V2.0)

6990 TMS - CELLULAR & SATELLITE(V2.0)

1Артикул: 300619-04506, ELECTRIC ASSY,TMS2.0
2Артикул: 2120-2166D6, BOLT
3Артикул: 2114-1898D3, WASHER
Подробнее >
ТРУБОПРОВОД СЕРВОУПРАВЛЕНИЯ - ИЗМЕНЕНИЕ РЕЖИМА(1)

ТРУБОПРОВОД СЕРВОУПРАВЛЕНИЯ - ИЗМЕНЕНИЕ РЕЖИМА(1)

1Артикул: 420212-01132, PIPING,PILOT;PATTERN CHANGE
2Артикул: 410132-00001A, VALVE,SELECTOR
3Артикул: 410132-00001B, VALVE,SELECTOR
Подробнее >
6900 BUCKET ASSВґY - 1.92mВі - S CLASS

6900 BUCKET ASSВґY - 1.92mВі - S CLASS

1Артикул: 230104-02139, BUCKET ASSY;1.92M3
2Артикул: 230104-02139A, BUCKET ASSY;1.92M3 R2S
3Артикул: 230104-02571, BUCKET ASSY;1.92M3 R2S
Подробнее >
РАБОЧАЯ ФАРА - 6 ЛАМПЫ

РАБОЧАЯ ФАРА - 6 ЛАМПЫ

1Артикул: 300619-00076A, LAMP ASSY,ADD WORKING
2Артикул: 300619-00076B, LAMP ASSY
3Артикул: 300619-00076C, LAMP ASSY
Подробнее >
РАБОЧАЯ ФАРА - 6 ЛАМПЫ(КОЖУХ)

РАБОЧАЯ ФАРА - 6 ЛАМПЫ(КОЖУХ)

1Артикул: 300619-00078A, LAMP ASSY,ADD WORKING
2Артикул: 300619-00078B, LAMP ASSY
3Артикул: 300619-00078C, LAMP ASSY,WORKING;6 LAMP
Подробнее >
ГЛАВНАЯ МАГИСТРАЛЬ - СТРЕЛА ПЛАВАЮЩЕГО ТИПА(ЗАМОК)

ГЛАВНАЯ МАГИСТРАЛЬ - СТРЕЛА ПЛАВАЮЩЕГО ТИПА(ЗАМОК)

1Артикул: 420212-01358, PIPING,MAIN;BOOM FLOATING BOOM LOCK
2Артикул: 410111-00104, VALVE
3Артикул: 300715-00036, . COIL
Подробнее >
6740 BUCKET - 1.25mВі

6740 BUCKET - 1.25mВі

1Артикул: K1014016E, BUCKET ASS`Y
2Артикул: K1014017C, BUCKET SUB ASS`Y-1.25гЋҐ
3Артикул: K1014018B, . BUCKET;WELD-1.25mВі
Подробнее >
6940 BUCKET ASSВґY - 1.49mВі - G CLASS

6940 BUCKET ASSВґY - 1.49mВі - G CLASS

1Артикул: 230104-02122, BUCKET ASSY
2Артикул: -, BUCKET,WELD
3Артикул: 430203-00036, . ADAPTER,TOOTH
Подробнее >
ГИДРОСИСТЕМА РУКОЯТИ - БЫСТРАЯ ПОСАДКА(РУКОЯТЬ 3.95 м)

ГИДРОСИСТЕМА РУКОЯТИ - БЫСТРАЯ ПОСАДКА(РУКОЯТЬ 3.95 м)

1Артикул: 420212-03708, PIPING,ARM;QUICK FIT(3.95M)
2Артикул: 420207-00888, PIPE
3Артикул: 420207-00888A, PIPE
Подробнее >
СТЕКЛООЧИСТИТЕЛЬ НИЖНЕГО СТЕКЛА

СТЕКЛООЧИСТИТЕЛЬ НИЖНЕГО СТЕКЛА

1Артикул: 300619-01275, ELECTRIC ASSY;LOWER WIPER
2Артикул: 538-00012, MOTOR,WIPER
3Артикул: 426-00282, VALVE
Подробнее >
6850 BUCKET ASSВґY - 1.66mВі - H CLASS

6850 BUCKET ASSВґY - 1.66mВі - H CLASS

1Артикул: 230104-01900A, BUCKET ASSY;1.66M3 R2H
2Артикул: 230104-01900B, BUCKET ASSY;1.66M3 R2H
3Артикул: 230104-02499, BUCKET ASSY;1.66M3 R2H
Подробнее >
ГИДРОСИСТЕМА РУКОЯТИ - РУКОЯТЬ 3.95 м

ГИДРОСИСТЕМА РУКОЯТИ - РУКОЯТЬ 3.95 м

1Артикул: 420212-03704, PIPING,ARM
2Артикул: 400310-00021C, CYLINDER,BUCKET
3Артикул: 400310-00021E, CYLINDER,BUCKET
Подробнее >
ГЛАВНАЯ МАГИСТРАЛЬ - СТРЕЛА ПЛАВАЮЩЕГО ТИПА

ГЛАВНАЯ МАГИСТРАЛЬ - СТРЕЛА ПЛАВАЮЩЕГО ТИПА

1Артикул: 420212-00952, PIPING,MAIN;BOOM FLOATING
2Артикул: 110425-00086B, BRACKET;VALVE MTG
3Артикул: DS2018272, HOSE
Подробнее >
6760 ROCK BUCKET - 1.37mВі(HEAVY DUTY)

6760 ROCK BUCKET - 1.37mВі(HEAVY DUTY)

1Артикул: K1013287G, BUCKET ASS`Y
2Артикул: K1013288E, BUCKET SUB ASS`Y-1.37гЋҐ
3Артикул: K1013289B, . BUCKET;WELD-1.37гЋҐ
Подробнее >
РАБОЧАЯ ФАРА - 2 ЛАМПЫ(КОЖУХ)

РАБОЧАЯ ФАРА - 2 ЛАМПЫ(КОЖУХ)

1Артикул: 300619-00077, LAMP ASS`Y,ADD WORKING
2Артикул: 300619-00077A, LAMP ASSY
3Артикул: K1055454, LAMP,HEAD
Подробнее >
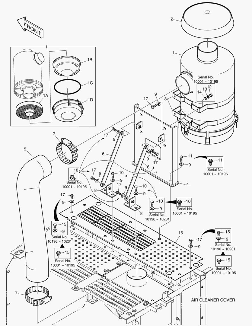
ВОЗДУХООЧИСТИТЕЛЬ - НЕФТЯНАЯ СМАЗКА

ВОЗДУХООЧИСТИТЕЛЬ - НЕФТЯНАЯ СМАЗКА

1Артикул: 400414-00092, CLEANER ASSY,AIR;OIL
2Артикул: K1009279, AIR CLEANER
3Артикул: K9001293, . ELEMENT,OIL WASHED
Подробнее >
6840 BUCKET ASSВґY - 1.44mВі - H CLASS

6840 BUCKET ASSВґY - 1.44mВі - H CLASS

1Артикул: 230104-01888A, BUCKET ASSY;1.44M3 R2H
2Артикул: 230104-01888B, BUCKET ASSY
3Артикул: 230104-02497, BUCKET ASSY;1.44M3 R2H
Подробнее >
6710 ARM PIPING - ONE & TWO WAY(ARM 3.95m)

6710 ARM PIPING - ONE & TWO WAY(ARM 3.95m)

1Артикул: 420212-03706, PIPING,ARM;1&2WAY
2Артикул: 420212-08242, PIPING,ARM;1&2WAY
3Артикул: 420207-00886, PIPE
Подробнее >
ЗАЩИТА ОТ ДОЖДЯ

ЗАЩИТА ОТ ДОЖДЯ

1Артикул: 102202-00002A, SHIELD ASSY,RAIN
2Артикул: 102202-00001, SHIELD,RAIN
3Артикул: 110420-00008, BRACKET,RAIN SHIELD(R.H)
Подробнее >
6270 ARM PIPING - ROTATING(ARM 3.2m)

6270 ARM PIPING - ROTATING(ARM 3.2m)

1Артикул: 420212-00987, PIPING,ARM
2Артикул: 420207-00255A, PIPE
3Артикул: DS20131673, HOSE
Подробнее >
СТРЕЛА - 6.5 м(ОСОБО ПРОЧНЫЙ)

СТРЕЛА - 6.5 м(ОСОБО ПРОЧНЫЙ)

1Артикул: 230207-00101, BOOM ASSY
2Артикул: 230211-00121H, BOOM,MACHINE;6.5M_HD
3Артикул: 230211-00121K, BOOM,MACHINING;6.5M HD
Подробнее >
6870 BUCKET ASS`Y - 2.03mВі - H CLASS

6870 BUCKET ASS`Y - 2.03mВі - H CLASS

1Артикул: 230104-02054, BUCKET ASSY;2.03M3 R2H
2Артикул: 230104-02054A, BUCKET ASSY
3Артикул: 230104-02501, BUCKET ASSY;2.03M3 R2H
Подробнее >
6750 BUCKET - 1.83mВі

6750 BUCKET - 1.83mВі

1Артикул: K1014030E, BUCKET ASS`Y
2Артикул: K1014031C, BUCKET SUB ASS`Y-1.83гЋҐ
3Артикул: K1014032B, . BUCKET;WELD-1.83гЋҐ
Подробнее >
РУКОЯТЬ - 2.6 м

РУКОЯТЬ - 2.6 м

1Артикул: 230201-00304, ARM ASSY
2Артикул: 230204-00347, ARM,MACHINE;2.6M
3Артикул: 230204-00347A, ARM,MACHINING;2.6M
Подробнее >
6650 ARM PIPING - ONE & TWO WAY(ARM 2.6m)

6650 ARM PIPING - ONE & TWO WAY(ARM 2.6m)

1Артикул: 420212-03699, PIPING,ARM;1&2WAY
2Артикул: 420207-00882, PIPE
3Артикул: DS2038337, HOSE
Подробнее >
ТРУБОПРОВОД СМАЗОЧНОЙ СИСТЕМЫ - РУКОЯТЬ 2.6 м

ТРУБОПРОВОД СМАЗОЧНОЙ СИСТЕМЫ - РУКОЯТЬ 2.6 м

1Артикул: 420212-03698, PIPING,ARM;LUBRICATION
2Артикул: DS2094454, HOSE
3Артикул: DS2059593, HOSE
Подробнее >
ТРУБОПРОВОД СЕРВОУПРАВЛЕНИЯ - ВРАЩАЮЩИЙСЯ

ТРУБОПРОВОД СЕРВОУПРАВЛЕНИЯ - ВРАЩАЮЩИЙСЯ

1Артикул: 420212-03779C, PIPING,PILOT;PERO
2Артикул: 410116-00091, VALVE,EPPR
3Артикул: 410116-00418, . VALVE,EPPR
Подробнее >
ТОПЛИВНЫЙ ФИЛЬТР - С ПОДОГРЕВАТЕЛЬНОЙ ЧАШЕЙ

ТОПЛИВНЫЙ ФИЛЬТР - С ПОДОГРЕВАТЕЛЬНОЙ ЧАШЕЙ

1Артикул: 420212-05853, PIPING,FUEL;BOWL HEATER
2Артикул: 400403-00074, FILTER,FUEL;WITH SENSOR
3Артикул: 400403-00205, FILTER,FUEL;SENSOR
Подробнее >
6885 BUCKET ASSВґY - 1.56mВі - S CLASS

6885 BUCKET ASSВґY - 1.56mВі - S CLASS

1Артикул: 230104-01990, BUCKET ASSY;1.56M3
2Артикул: 230104-01990A, BUCKET ASSY
3Артикул: 230104-02505, BUCKET ASSY;1.56M3 R2S
Подробнее >
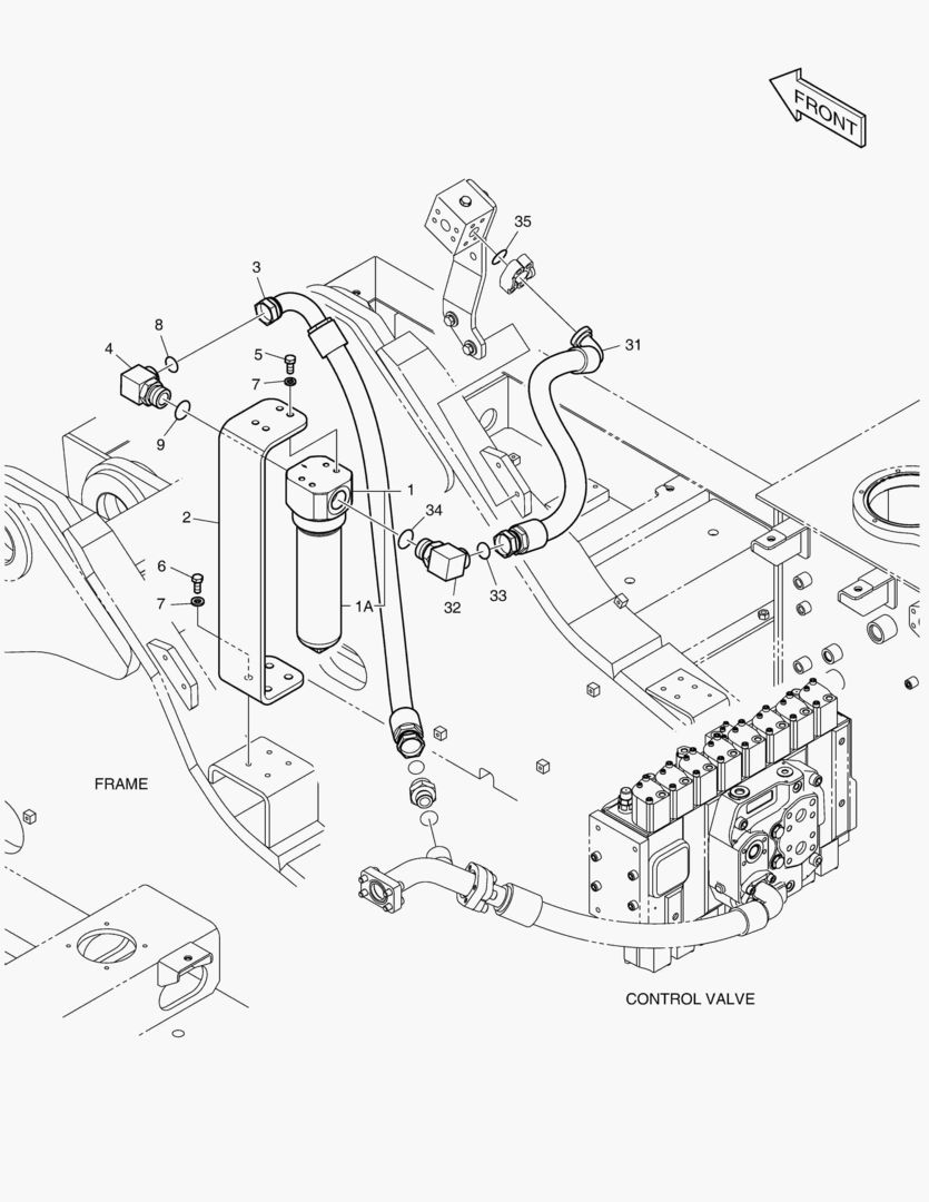
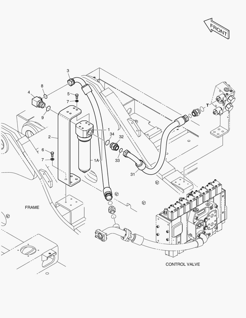
ТРУБОПРОВОД - С ФИЛЬТРОМ

ТРУБОПРОВОД - С ФИЛЬТРОМ

1Артикул: 420212-01029, PIPING,BREAKER FILTER
2Артикул: 471-00109, FILTER,BREAKER
3Артикул: 474-00041, . ELEMENT
Подробнее >
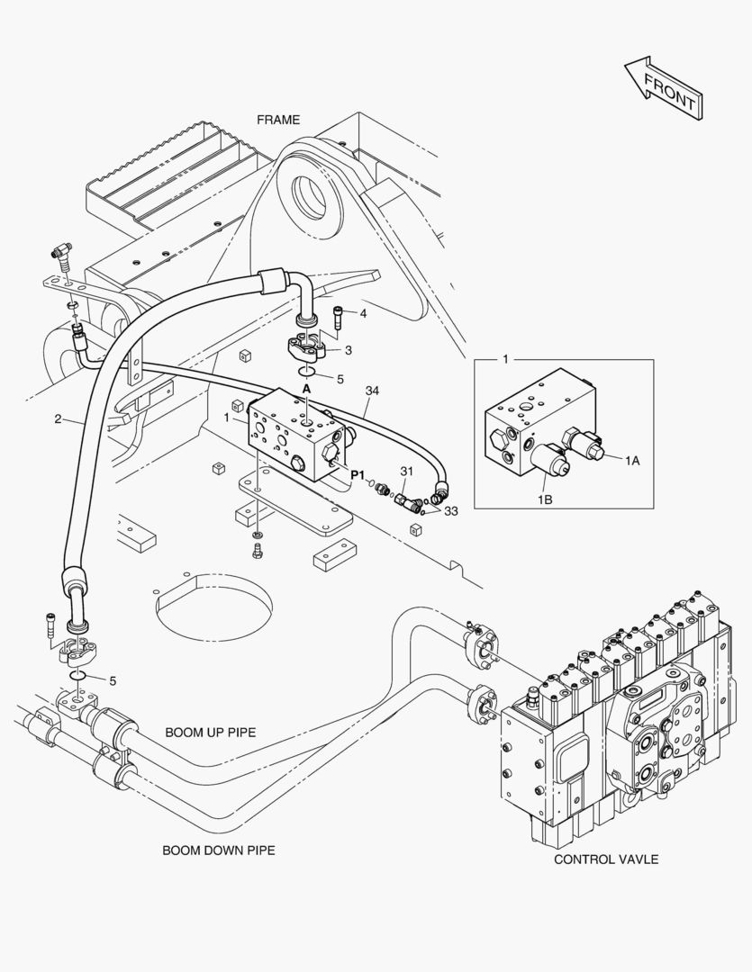
ГИДРОСИСТЕМА СТРЕЛЫ-ГИДРОЗАМОК

ГИДРОСИСТЕМА СТРЕЛЫ-ГИДРОЗАМОК

1Артикул: 420212-01291, PIPING,LOCK VALVE;BOOM
2Артикул: 400309-00052B, CYLINDER,BOOM;LOCK V/V(L.H)
3Артикул: 400309-00052C, CYLINDER,BOOM;LOCK V/V(L.H)
Подробнее >
ТРУБОПРОВОД СЕРВОУПРАВЛЕНИЯ - 2 НАСОСА

ТРУБОПРОВОД СЕРВОУПРАВЛЕНИЯ - 2 НАСОСА

1Артикул: 420212-01447, PIPING,PILOT;TWO PUMP
2Артикул: DS2121052, HOSE ASSY,HYDRAULIC
3Артикул: DS2119006, HOSE ASSY,HYDRAULIC
Подробнее >
ЧЕХОЛ КРЫШКИ - ИЗ СТАЛИ

ЧЕХОЛ КРЫШКИ - ИЗ СТАЛИ

1Артикул: 220204-00048A, COVER ASSY,ROOF STEEL
2Артикул: 220204-00155, COVER,ROOF STEEL
3Артикул: 220204-00031A, COVER,ROOF STEEL INNER
Подробнее >
ТРУБОПРОВОД СЕРВОУПРАВЛЕНИЯ(1) - 2 ПУТИ

ТРУБОПРОВОД СЕРВОУПРАВЛЕНИЯ(1) - 2 ПУТИ

1Артикул: 420212-01126, PIPING,PILOT;TWO WAY
2Артикул: DS2121138, HOSE
3Артикул: DS2121003, HOSE
Подробнее >
ТРУБОПРОВОД СМАЗОЧНОЙ СИСТЕМЫ -РУКОЯТЬ 3.95 м

ТРУБОПРОВОД СМАЗОЧНОЙ СИСТЕМЫ -РУКОЯТЬ 3.95 м

1Артикул: 420212-03705, PIPING,ARM;LUBRICATION
2Артикул: DS2094454, HOSE
3Артикул: DS2059596, HOSE
Подробнее >
БАШМАК ГУСЕНИЦЫ В СБОРЕ - 800G

БАШМАК ГУСЕНИЦЫ В СБОРЕ - 800G

1Артикул: 200106-00073, SHOE ASSY,TRACK(800MM)
2Артикул: 200106-00028, SHOE ASSY,TRACK;800MM
3Артикул: 200103-00046, . LINK ASSY,TRACK
Подробнее >
ТРУБОПРОВОД СЕРВОУПРАВЛЕНИЯ-ГИДРОЗАМОК СТРЕЛЫ

ТРУБОПРОВОД СЕРВОУПРАВЛЕНИЯ-ГИДРОЗАМОК СТРЕЛЫ

1Артикул: 420212-01118, PIPING,PILOT;BOOM LOCK VALVE
2Артикул: 110406-00246B, BRACKET
3Артикул: DS20131124, HOSE
Подробнее >
ТРУБОПРОВОД СЕРВОУПРАВЛЕНИЯ-КЛАПАН ЗАМКА РУКОЯТИ

ТРУБОПРОВОД СЕРВОУПРАВЛЕНИЯ-КЛАПАН ЗАМКА РУКОЯТИ

1Артикул: 420212-01119, PIPING,PILOT;ARM LOCK VALVE
2Артикул: DS2121117, HOSE
3Артикул: 181-00121D2, TEE
Подробнее >
ТРУБОПРОВОД ХОДА-3 м ГУСЕНИЦЫ

ТРУБОПРОВОД ХОДА-3 м ГУСЕНИЦЫ

1Артикул: 420212-05844, PIPING,UNDERCARRIAGE;3M
2Артикул: DS20131977, HOSE ASSY,HYDRAULIC
3Артикул: DS2040917, HOSE
Подробнее >
ПРЕДОХРАНИТЕЛЬ ГУСЕНИЦЫ - ПОЛНОСТЬЮ

ПРЕДОХРАНИТЕЛЬ ГУСЕНИЦЫ - ПОЛНОСТЬЮ

1Артикул: 200112-00048, GUARD ASSY,TRACK(FULL)
2Артикул: S0530766, BOLT M22X2.5X55
3Артикул: K1008538, WASHER
Подробнее >
ГИДРОСИСТЕМА СТРЕЛЫ-ВРАЩЕНИЕ

ГИДРОСИСТЕМА СТРЕЛЫ-ВРАЩЕНИЕ

1Артикул: 420212-00974, PIPING,BOOM
2Артикул: 420207-00264A, PIPE
3Артикул: 420207-00248B, PIPE
Подробнее >
МАЯЧОК ТЕЛЕСКОПА

МАЯЧОК ТЕЛЕСКОПА

1Артикул: 300619-00085A, TELESCOPIC BEACON ASSY
2Артикул: 300619-00085C, TELESCOPIC BEACON ASSY;NOT 6LAMP
3Артикул: 110429-00002C, BRACKET
Подробнее >
6120 DIESEL HEATER

6120 DIESEL HEATER

1Артикул: 440207-00082A, HEATER,DIESEL
2Артикул: 440207-00019, HEATER,DIESEL
3Артикул: 400909-00056, PUMP,FUEL
Подробнее >
6860 BUCKET ASS`Y - 1.81mВі - H CLASS

6860 BUCKET ASS`Y - 1.81mВі - H CLASS

1Артикул: 230104-02052, BUCKET ASSY;1.81M3 R2H
2Артикул: 230104-02052A, BUCKET ASSY
3Артикул: 230104-02453, BUCKET ASSY;1.81M3 R2H
Подробнее >
6980 TMS - CELLULAR(V2.0)

6980 TMS - CELLULAR(V2.0)

1Артикул: 300619-04505, ELECTRIC ASSY,TMS2.0
2Артикул: 2120-2166D6, BOLT
3Артикул: 2114-1898D3, WASHER
Подробнее >
СОЛНЦЕЗАЩИТНЫЙ КОЗЫРЕК

СОЛНЦЕЗАЩИТНЫЙ КОЗЫРЕК

1Артикул: 220208-00052, SUNVISOR ASSY
2Артикул: 220208-00001B, SUNVISOR
3Артикул: S3450983, SCREW
Подробнее >
ГЛАВНАЯ МАГИСТРАЛЬ - ДВА ПУТИ

ГЛАВНАЯ МАГИСТРАЛЬ - ДВА ПУТИ

1Артикул: 420212-00960, PIPING,MAIN;TWO WAY
2Артикул: 410127-00046B, VALVE,RELIEF
3Артикул: 410116-00694, . VALVE,EPPR
Подробнее >
ГИДРОСИСТЕМА РУКОЯТИ-ГИДРОЗАМОК

ГИДРОСИСТЕМА РУКОЯТИ-ГИДРОЗАМОК

1Артикул: 420212-00978, PIPING,BOOM;ARM LOCK
2Артикул: 400305-00031E, CYLINDER,ARM;LOCK V/V
3Артикул: 400305-00031G, CYLINDER,ARM
Подробнее >
6770 BUCKET ASS`Y - 1.20mВі(42`) - SIDE PIN

6770 BUCKET ASS`Y - 1.20mВі(42`) - SIDE PIN

1Артикул: 230104-00630, BUCKET ASSY
2Артикул: 230104-00631B, BUCKET SUB ASS`Y-1.20гЋҐ(H.D)
3Артикул: 230104-00631C, BUCKET SUB ASS`Y
Подробнее >
ПРОБЛЕСКОВЫЙ МАЯЧОК - С ЛАМПОЙ

ПРОБЛЕСКОВЫЙ МАЯЧОК - С ЛАМПОЙ

1Артикул: 300619-00080E, ROTATING BEACON ASSY
2Артикул: 300619-00080H, BEACON ASSY,ROTATING
3Артикул: 131002-00085A, BUSHING ASSY
Подробнее >
ОБТЕКАЕМАЯ ПОДКУЗОВНАЯ ПАНЕЛЬ-ОСОБО ПРОЧНЫЙ

ОБТЕКАЕМАЯ ПОДКУЗОВНАЯ ПАНЕЛЬ-ОСОБО ПРОЧНЫЙ

1Артикул: 110513-00136, COVER ASSY,UNDER;HD
2Артикул: 110513-00152B, COVER,UNDER;HD
3Артикул: 110513-00153B, COVER,UNDER;HD
Подробнее >
6950 BUCKET ASSВґY - 1.61mВі - G CLASS

6950 BUCKET ASSВґY - 1.61mВі - G CLASS

1Артикул: 230104-02124, BUCKET ASSY
2Артикул: -, BUCKET,WELD
3Артикул: 430203-00036, . ADAPTER,TOOTH
Подробнее >
6920 TMS(NA) - CELLULAR & SATELLITE(V1.5)

6920 TMS(NA) - CELLULAR & SATELLITE(V1.5)

1Артикул: 300619-03341, ELECTRIC ASSY,TMS1.5
2Артикул: 300619-03138, ELECTRIC ASSY
3Артикул: 300611-00901, . CONTROLLER
Подробнее >
РУКОЯТЬ - 3.95 м

РУКОЯТЬ - 3.95 м

1Артикул: 230201-00305, ARM ASSY
2Артикул: 230204-00145H, ARM,MACHINE;3.95M
3Артикул: 230204-00145K, ARM,MACHINING;3.95M
Подробнее >
ТРУБОПРОВОД СЕРВОУПРАВЛЕНИЯ - СТРЕЛА ПЛАВАЮЩЕГО ТИПА

ТРУБОПРОВОД СЕРВОУПРАВЛЕНИЯ - СТРЕЛА ПЛАВАЮЩЕГО ТИПА

1Артикул: 420212-01133, PIPING,PILOT;BOOM FLOATING
2Артикул: DS2119079, HOSE
3Артикул: DS2119083, HOSE ASSY,HYDRAULIC
Подробнее >
6230 ARM PIPING - ONE & TWO WAY(ARM 3.2m)

6230 ARM PIPING - ONE & TWO WAY(ARM 3.2m)

1Артикул: 420212-00984, PIPING,ARM;1&2 WAY
2Артикул: 420212-07656, PIPING,ARM;1&2 WAY
3Артикул: 420207-00242A, PIPE
Подробнее >
ГЛАВНАЯ МАГИСТРАЛЬ - ОДИН ПУТЬ

ГЛАВНАЯ МАГИСТРАЛЬ - ОДИН ПУТЬ

1Артикул: 420212-00959, PIPING,MAIN;ONE WAY
2Артикул: 410127-00067A, VALVE,RELIEF
3Артикул: 410116-00694, . VALVE,EPPR
Подробнее >
ТРУБОПРОВОД СЕРВОУПРАВЛЕНИЯ(2) - 2 ПУТИ

ТРУБОПРОВОД СЕРВОУПРАВЛЕНИЯ(2) - 2 ПУТИ

1Артикул: 420212-01103C, PIPING,PILOT;TWO WAY
2Артикул: 420212-01103G, PIPING,CABIN;2WAY
3Артикул: 410116-00091, VALVE,EPPR
Подробнее >
6170 PILOT PIPING - ONE & TWO WAY

6170 PILOT PIPING - ONE & TWO WAY

1Артикул: 420212-01127, PIPING,PILOT;ONE OR TWO WAY
2Артикул: DS2119041, HOSE
3Артикул: DS2232072, ADAPTER
Подробнее >
2 ТРУБОПРОВОДА - С ФИЛЬТРОМ

2 ТРУБОПРОВОДА - С ФИЛЬТРОМ

1Артикул: 420212-01029, PIPING,BREAKER FILTER
2Артикул: 471-00109, FILTER,BREAKER
3Артикул: 474-00041, . ELEMENT
Подробнее >
6800 BUCKET ASS`Y - 1.79mВі(57`) - SIDE PIN

6800 BUCKET ASS`Y - 1.79mВі(57`) - SIDE PIN

1Артикул: 230104-00642, BUCKET ASSY;(57`)
2Артикул: 230104-00643B, BUCKET SUB ASS`Y-1.79mВі(H.D)
3Артикул: 230104-00643C, BUCKET SUB ASS`Y-1.79mВі(H.D)
Подробнее >
6960 BUCKET ASSВґY - 1.83mВі - G CLASS

6960 BUCKET ASSВґY - 1.83mВі - G CLASS

1Артикул: 230104-02126, BUCKET ASSY
2Артикул: -, BUCKET,WELD
3Артикул: 430203-00036, . ADAPTER,TOOTH
Подробнее >
ГЛАВНАЯ МАГИСТРАЛЬ-ВРАЩАЮЩИЙСЯ

ГЛАВНАЯ МАГИСТРАЛЬ-ВРАЩАЮЩИЙСЯ

1Артикул: 420212-03833A, PIPING,MAIN;PERO
2Артикул: K1007973, PUMP,GEAR
3Артикул: K1007517, POWER TAKE OFF
Подробнее >
КАМЕРА БОКОВОГО ВИДА

КАМЕРА БОКОВОГО ВИДА

1Артикул: 300619-00930, ELECTRIC ASSY;SIDE VIEW CAMERA
2Артикул: S5102503, WASHER
3Артикул: 2120-2166D8, BOLT
Подробнее >
ГИДРОСИСТЕМА РУКОЯТИ - ВРАЩАЮЩИЙСЯ (РУКОЯТЬ 3.95 м)

ГИДРОСИСТЕМА РУКОЯТИ - ВРАЩАЮЩИЙСЯ (РУКОЯТЬ 3.95 м)

1Артикул: 420212-03707, PIPING,ARM
2Артикул: 420207-00887, PIPE
3Артикул: DS20131674, HOSE
Подробнее >
6890 BUCKET ASSВґY - 1.71mВі - S CLASS

6890 BUCKET ASSВґY - 1.71mВі - S CLASS

1Артикул: 230104-02138, BUCKET ASSY;1.71M3
2Артикул: 230104-02138A, BUCKET ASSY
3Артикул: 230104-02569, BUCKET ASSY;1.71M3 R2S
Подробнее >
ПРОБЛЕСКОВЫЙ МАЯЧОК - ЗАЖИТА

ПРОБЛЕСКОВЫЙ МАЯЧОК - ЗАЖИТА

1Артикул: 300619-00082E, ROTATING BEACON ASSY
2Артикул: 300619-00082H, BEACON ASSY,ROTATING
3Артикул: 131002-00085A, BUSHING ASSY
Подробнее >
6880 BUCKET ASSВґY - 2.32mВі - H CLASS

6880 BUCKET ASSВґY - 2.32mВі - H CLASS

1Артикул: 230104-01906A, BUCKET ASSY;2.32M3 R2H
2Артикул: 230104-01906B, BUCKET ASSY
3Артикул: 230104-02503, BUCKET ASSY;2.32M3 R2H
Подробнее >
7000 WORKING LAMP - BOOM(LED)

7000 WORKING LAMP - BOOM(LED)

1Артикул: 300619-04562, WORKING LAMP;LED
2Артикул: 301005-01253, LAMP ASSY,WORKING(LED)
3Артикул: 110429-00263, BRACKET
Подробнее >
6790 BUCKET ASS`Y - 1.65mВі(54`) - SIDE PIN

6790 BUCKET ASS`Y - 1.65mВі(54`) - SIDE PIN

1Артикул: 230104-00638, BUCKET ASSY
2Артикул: 230104-00639B, BUCKET SUB ASS`Y-1.65mВі(H.D)
3Артикул: 230104-00639C, BUCKET SUB ASS`Y
Подробнее >
КАБИНА С НИЗКИМ ЗАЩИТНЫМ ОГРАЖДЕНИЯ

КАБИНА С НИЗКИМ ЗАЩИТНЫМ ОГРАЖДЕНИЯ

1Артикул: 110921-00053, GUARD ASS`Y;LOWER
2Артикул: 110921-00055, GUARD;FRONT WINDOW
3Артикул: 2114-1898D17, WASHER
Подробнее >
РУКОЯТЬ - 3.2 м(ОСОБО ПРОЧНЫЙ)

РУКОЯТЬ - 3.2 м(ОСОБО ПРОЧНЫЙ)

1Артикул: 230201-00303, ARM ASSY
2Артикул: 230204-00346, ARM,MACHINE;3.2M_HD
3Артикул: 230204-00346A, ARM,MACHINE;3.2M_HD
Подробнее >
6140 MAIN PIPING - ONE & TWO WAY

6140 MAIN PIPING - ONE & TWO WAY

1Артикул: 420212-00958, PIPING,MAIN;ONE OR TWO WAY
2Артикул: 100201-00189A, BLOCK,ATT. DISCHARGE
3Артикул: 110425-00105B, BRACKET,EPPR VALVE
Подробнее >
ТРУБОПРОВОД СЕРВОУПРАВЛЕНИЯ - ИЗМЕНЕНИЕ РЕЖИМА(2)

ТРУБОПРОВОД СЕРВОУПРАВЛЕНИЯ - ИЗМЕНЕНИЕ РЕЖИМА(2)

1Артикул: 420212-01104C, PIPING,PILOT;PATTERN CHANGE
2Артикул: DS2113006, HOSE
3Артикул: DS2113046, HOSE
Подробнее >
6220 BOOM PIPING - ONE & TWO WAY

6220 BOOM PIPING - ONE & TWO WAY

1Артикул: 420212-00972, PIPING,BOOM;1&2 WAY
2Артикул: 420207-00238C, PIPE,HYDRAULIC
3Артикул: 420207-00238G, PIPE
Подробнее >
МОНТАЖ ДИЗЕЛЬНОГО НАГРЕВАТЕЛЯ

МОНТАЖ ДИЗЕЛЬНОГО НАГРЕВАТЕЛЯ

1Артикул: 440207-00031, HEATER ASSY,DIESEL
2Артикул: 440207-00082A, HEATER,DIESEL
3Артикул: DS0026006, BOLT
Подробнее >
6810 BUCKET ASS`Y - 2.01mВі(63`) - SIDE PIN

6810 BUCKET ASS`Y - 2.01mВі(63`) - SIDE PIN

1Артикул: 230104-00646, BUCKET ASSY
2Артикул: 230104-00647B, BUCKET SUB ASS`Y-2.01mВі(H.D)
3Артикул: 230104-00647C, BUCKET SUB ASS`Y
Подробнее >
ГИДРОСИСТЕМА РУКОЯТИ - ВРАЩАЮЩИЙСЯ (РУКОЯТЬ 2.6 м)

ГИДРОСИСТЕМА РУКОЯТИ - ВРАЩАЮЩИЙСЯ (РУКОЯТЬ 2.6 м)

1Артикул: 420212-03702, PIPING,ARM
2Артикул: 420207-00883, PIPE
3Артикул: DS2013387, HOSE
Подробнее >
ЗАЩИТНЫЙ КОРПУС ПРОТИВОТУМАННЫХ ФАР

ЗАЩИТНЫЙ КОРПУС ПРОТИВОТУМАННЫХ ФАР

1Артикул: 110921-00008G, GUARD ASSY;OPG
2Артикул: 110921-00008H, GUARD ASSY;OPG
3Артикул: 110921-00008K, GUARD ASSY;OPG
Подробнее >
РАБОЧАЯ ФАРА - 2 ЛАМПЫ

РАБОЧАЯ ФАРА - 2 ЛАМПЫ

1Артикул: 300619-00075, LAMP ASS`Y,ADD WORKING
2Артикул: 300619-00075A, LAMP ASSY
3Артикул: K1055454, LAMP,HEAD
Подробнее >
МАЯЧОК ТЕЛЕСКОПА(С ЛАМПОЙ)

МАЯЧОК ТЕЛЕСКОПА(С ЛАМПОЙ)

1Артикул: 300619-00084B, TELESCOPIC BEACON ASSY
2Артикул: 195-01805, SUPPORT
3Артикул: 2114-1898D2, WASHER
Подробнее >
БАШМАК ГУСЕНИЦЫ В СБОРЕ - 900G

БАШМАК ГУСЕНИЦЫ В СБОРЕ - 900G

1Артикул: 200106-00074, SHOE ASSY,TRACK(900MM)
2Артикул: 200106-00029, SHOE ASSY,TRACK;900MM
3Артикул: 200103-00046, . LINK ASSY,TRACK
Подробнее >
6910 BUCKET ASSВґY - 2.22mВі - S CLASS

6910 BUCKET ASSВґY - 2.22mВі - S CLASS

1Артикул: 230104-02015, BUCKET ASSY;2.22M3
2Артикул: 230104-02015A, BUCKET ASSY
3Артикул: 230104-02573, BUCKET ASSY;2.22M3 R2S
Подробнее >
РАДИО

РАДИО

1Артикул: 300654-00043, STEREO,CAR;RADIO
2Артикул: 300654-00043A, STEREO,CAR
3Артикул: 300654-00040, STEREO,CAR;HANDSFREE(24V)
Подробнее >
БАШМАК ГУСЕНИЦЫ-600G(ДВОЙНОЙ ГРУНТОЗАЦЕП)

БАШМАК ГУСЕНИЦЫ-600G(ДВОЙНОЙ ГРУНТОЗАЦЕП)

1Артикул: 200106-00075, SHOE ASSY,TRACK
2Артикул: 200106-00030, SHOE ASSY,TRACK;600MM(DOUBLE)
3Артикул: 200103-00046, . LINK ASSY,TRACK
Подробнее >
ГИДРОСИСТЕМА РУКОЯТИ - РУКОЯТЬ 2.6 м

ГИДРОСИСТЕМА РУКОЯТИ - РУКОЯТЬ 2.6 м

1Артикул: 420212-03697, PIPING,ARM(2.6M)
2Артикул: 400310-00021C, CYLINDER,BUCKET
3Артикул: 400310-00021E, CYLINDER,BUCKET
Подробнее >