+7 (701) 588 50 05 Телефон для связи
RU

WhatsApp

Позвонить

60 ОПЦИОННЫЕ ЗАПЧАСТИ в Алматы

6630 FUEL FILTER - WITH BOWL HEATER [5130~]

6630 FUEL FILTER - WITH BOWL HEATER [5130~]

1Артикул: 420212-05811, PIPING,FUEL
2Артикул: 400403-00170, FILTER,FUEL
3Артикул: 400403-00170A, FILTER,FUEL
Подробнее >
РАБОЧАЯ ФАРА - ЗАДНИЙ

РАБОЧАЯ ФАРА - ЗАДНИЙ

1Артикул: K1046294, WORKING LAMP-REAR LAMP
2Артикул: 534-00085, LAMP
3Артикул: 2515-1016D4, . BULB,HALOGEN
Подробнее >
ТРУБОПРОВОД СМАЗОЧНОЙ СИСТЕМЫ - СТРЕЛА

ТРУБОПРОВОД СМАЗОЧНОЙ СИСТЕМЫ - СТРЕЛА

1Артикул: K1041834, LUBRICATION PIPING-BOOM
2Артикул: 420212-02750, LUBRICATION PIPING-BOOM
3Артикул: K1038814, PIPE
Подробнее >
ТРУБОПРОВОД СЕРВОУПРАВЛЕНИЯ - СИСТЕМА ЗАЩИТЫ ПРИ ОПРОКИДЫВАНИИ

ТРУБОПРОВОД СЕРВОУПРАВЛЕНИЯ - СИСТЕМА ЗАЩИТЫ ПРИ ОПРОКИДЫВАНИИ

1Артикул: 420212-02846A, PIPING,PILOT;(ROPS)
2Артикул: 420212-02846C, PIPING,PILOT;(ROPS)
3Артикул: 420212-02846E, PIPING,PILOT;(ROPS)
Подробнее >
ЧЕХОЛ КРЫШКИ - PC(СИСТЕМА ЗАЩИТЫ ПРИ ОПРОКИДЫВАНИИ)

ЧЕХОЛ КРЫШКИ - PC(СИСТЕМА ЗАЩИТЫ ПРИ ОПРОКИДЫВАНИИ)

1Артикул: 220204-00047A, COVER ASSY,CABIN;ROOF
2Артикул: 220204-00047B, COVER ASSY,CABIN
3Артикул: K1056035, COVER;ROOF
Подробнее >
6720 TMS - CELLULAR & ROPS(V2.0) [5198~]

6720 TMS - CELLULAR & ROPS(V2.0) [5198~]

1Артикул: 300619-04505, ELECTRIC ASSY,TMS2.0
2Артикул: 2120-2166D6, BOLT
3Артикул: 2114-1898D3, WASHER
Подробнее >
ЭЛЕКТРОПРОВОДКА

ЭЛЕКТРОПРОВОДКА

1Артикул: K1039280A, ELECTRIC WIRING
2Артикул: 310207-01179H, HARNESS,MAIN
3Артикул: 2548-1027, . DIODE
Подробнее >
КОНДИЦИОНЕР - СИСТЕМА ЗАЩИТЫ ПРИ ОПРОКИДЫВАНИИ

КОНДИЦИОНЕР - СИСТЕМА ЗАЩИТЫ ПРИ ОПРОКИДЫВАНИИ

1Артикул: 440205-00033, CONDITIONER,AIR
2Артикул: 440205-00033A, CONDITIONER,AIR
3Артикул: K1002206, MOTOR,BLOWER 24V
Подробнее >
ЛИСТ НАСТИЛА - СИСТЕМА ЗАЩИТЫ ПРИ ОПРОКИДЫВАНИИ

ЛИСТ НАСТИЛА - СИСТЕМА ЗАЩИТЫ ПРИ ОПРОКИДЫВАНИИ

1Артикул: 250106-00726E, PLATE ASSY,FLOOR;ROPS
2Артикул: 250106-00149N, PLATE,FLOOR;ROPS CRAWLER
3Артикул: 220105-00029C, PEDAL,TRAVEL(R.H)
Подробнее >
РАМА ШАССИ - СТУПЕНЬКИ В КАБИНУ

РАМА ШАССИ - СТУПЕНЬКИ В КАБИНУ

1Артикул: K1024638B, MAIN FRAME ASS`Y
2Артикул: K1024641B, FRAME;MAIN;W/O CABIN RISER
3Артикул: 160620-00223B, FRAME,MAIN;W/O CABIN RISER
Подробнее >
ЗАЩИТНОЕ ОГРАЖДЕНИЕ

ЗАЩИТНОЕ ОГРАЖДЕНИЕ

1Артикул: 110508-09779, COVER ASSY;GUARD RAIL
2Артикул: 101582-00291, RAIL,GUARD
3Артикул: 101582-00027, RAIL,GUARD
Подробнее >
КАБИНА(2) - СИСТЕМА ЗАЩИТЫ ПРИ ОПРОКИДЫВАНИИ

КАБИНА(2) - СИСТЕМА ЗАЩИТЫ ПРИ ОПРОКИДЫВАНИИ

1Артикул: 220101-00503B, CABIN ASSY;ROPS
2Артикул: 220101-00503E, CABIN ASSY;ROPS
3Артикул: 220101-00503G, CABIN ASSY;ROPS
Подробнее >
6730 TMS - CELLULAR & SATELLITE(V2.0) [5198~]

6730 TMS - CELLULAR & SATELLITE(V2.0) [5198~]

1Артикул: 300619-04506, ELECTRIC ASSY,TMS2.0
2Артикул: 2120-2166D6, BOLT
3Артикул: 2114-1898D3, WASHER
Подробнее >
ТРУБОПРОВОД СЕРВОУПРАВЛЕНИЯ(1) - EXCA

ТРУБОПРОВОД СЕРВОУПРАВЛЕНИЯ(1) - EXCA

1Артикул: K1025002A, PILOT PIPING;EXCA FRONT
2Артикул: DS2093248, HOSE
3Артикул: DS2093295, HOSE ASSY,HYDRAULIC
Подробнее >
СИГНАЛ ЗАДНЕГО ХОДА - СИСТЕМА ЗАЩИТЫ ПРИ ОПРОКИДЫВАНИИ

СИГНАЛ ЗАДНЕГО ХОДА - СИСТЕМА ЗАЩИТЫ ПРИ ОПРОКИДЫВАНИИ

1Артикул: 300619-00676A, ELECTRIC ASSY
2Артикул: 549-00103, SWITCH
3Артикул: 301401-00010, ACTUATOR,SWITCH
Подробнее >
6691 TMS - CELLULAR & SATELLITE(V1.5) [5198~]

6691 TMS - CELLULAR & SATELLITE(V1.5) [5198~]

1Артикул: 300619-03342, ELECTRIC ASSY,TMS1.5
2Артикул: 300619-03139, ELECTRIC ASSY;TMS1.5
3Артикул: 300611-00902, . CONTROLLER;TMS1.5
Подробнее >
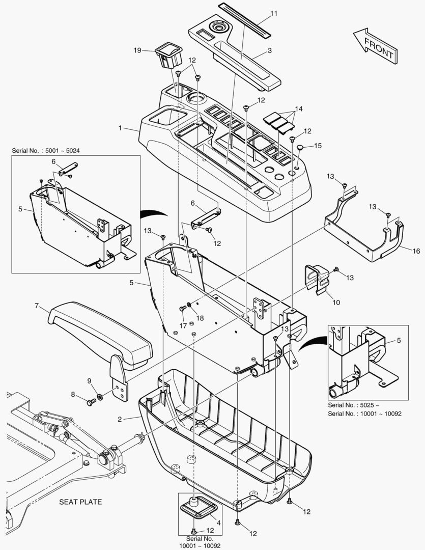
СКОЛЬЗЯЩАЯ ПЛИТА СИДЕНИЯ - СИСТЕМА ЗАЩИТЫ ПРИ ОПРОКИДЫВАНИИ

СКОЛЬЗЯЩАЯ ПЛИТА СИДЕНИЯ - СИСТЕМА ЗАЩИТЫ ПРИ ОПРОКИДЫВАНИИ

1Артикул: 250110-00031B, PLATE ASSY,SEAT
2Артикул: 250110-00031C, PLATE ASSY,SEAT
3Артикул: 250110-00031E, PLATE ASSY,SEAT
Подробнее >
6690 TMS - CELLULAR & SATELLITE(V1.5) [5198~]

6690 TMS - CELLULAR & SATELLITE(V1.5) [5198~]

1Артикул: 300619-03342, ELECTRIC ASSY,TMS1.5
2Артикул: 300619-03139, ELECTRIC ASSY;TMS1.5
3Артикул: 300611-00902, . CONTROLLER;TMS1.5
Подробнее >
6301 CONTROL STAND - L.H(ROPS) [5211~]

6301 CONTROL STAND - L.H(ROPS) [5211~]

1Артикул: 220111-00032L, STAND ASSY,CONTROL;LH
2Артикул: 220204-00050A, COVER,STAND;UPPER(L.H)
3Артикул: 220204-00051A, COVER,STAND;LOWER(L.H)
Подробнее >
ВЕНТИЛЯЦИЯ - СИСТЕМА ЗАЩИТЫ ПРИ ОПРОКИДЫВАНИИ

ВЕНТИЛЯЦИЯ - СИСТЕМА ЗАЩИТЫ ПРИ ОПРОКИДЫВАНИИ

1Артикул: 440213-00161, VENTILATION ASSY,CABIN
2Артикул: 440213-00161A, VENTILATION ASSY,CABIN
3Артикул: 440213-00161C, VENTILATION ASSY,CABIN
Подробнее >
ЗВУКОВОСПРОИЗВОДЯЩАЯ АППАРАТУРА - СИСТЕМА ЗАЩИТЫ ПРИ ОПРОКИДЫВАНИИ

ЗВУКОВОСПРОИЗВОДЯЩАЯ АППАРАТУРА - СИСТЕМА ЗАЩИТЫ ПРИ ОПРОКИДЫВАНИИ

1Артикул: 300619-01032, ELECTRIC ASSY;CD PLAYER,24V(USB)
2Артикул: 300637-00002, PLAYER,CD/MP3(24V)+USB
3Артикул: 300654-00009, STEREO,CAR;RADIO(24V)+USB
Подробнее >
ЭЛЕКТРОПРОВОДКА - СИСТЕМА ЗАЩИТЫ ПРИ ОПРОКИДЫВАНИИ

ЭЛЕКТРОПРОВОДКА - СИСТЕМА ЗАЩИТЫ ПРИ ОПРОКИДЫВАНИИ

1Артикул: 300619-00753, ELECTRIC ASSY;WIRING
2Артикул: 310207-00641K, HARNESS,MAIN
3Артикул: 2548-1027, . DIODE
Подробнее >
ПОДВЕСКА - СИСТЕМА ЗАЩИТЫ ПРИ ОПРОКИДЫВАНИИ

ПОДВЕСКА - СИСТЕМА ЗАЩИТЫ ПРИ ОПРОКИДЫВАНИИ

1Артикул: 190112-00001, SUSPENSION ASS`Y
2Артикул: 190112-00001B, SUSPENSION ASSY
3Артикул: 190112-00001C, SUSPENSION ASSY
Подробнее >
ЛИСТ НАСТИЛА - СИСТЕМА ЗАЩИТЫ ПРИ ОПРОКИДЫВАНИИ

ЛИСТ НАСТИЛА - СИСТЕМА ЗАЩИТЫ ПРИ ОПРОКИДЫВАНИИ

1Артикул: 250106-00152A, PLATE ASS`Y,FLOOR
2Артикул: 250106-00152B, PLATE ASSY,FLOOR;ROPS
3Артикул: 250106-00152C, PLATE ASSY,FLOOR;ROPS
Подробнее >
ПОДСТАВКА ДЛЯ НОГ - ПРАВОСТОРОННИЙ(СИСТЕМА ЗАЩИТЫ ПРИ ОПРОКИДЫВАНИИ)

ПОДСТАВКА ДЛЯ НОГ - ПРАВОСТОРОННИЙ(СИСТЕМА ЗАЩИТЫ ПРИ ОПРОКИДЫВАНИИ)

1Артикул: 220107-00006, REST,FOOT(R.H)
2Артикул: 220107-00003, REST,FOOT;BRACKET(RH)
3Артикул: 2120-2166D1, BOLT
Подробнее >
ПУЛЬТ УПРАВЛЕНИЯ - ПРАВОСТОРОННИЙ(СИСТЕМА ЗАЩИТЫ ПРИ ОПРОКИДЫВАНИИ)

ПУЛЬТ УПРАВЛЕНИЯ - ПРАВОСТОРОННИЙ(СИСТЕМА ЗАЩИТЫ ПРИ ОПРОКИДЫВАНИИ)

1Артикул: 220111-00037A, STAND ASSY,CONTROL;(R.H)
2Артикул: 220111-00037B, STAND ASSY,CONTROL;(R.H)
3Артикул: 220111-00037C, STAND ASSY,CONTROL;(R.H)
Подробнее >
ПЛАСТИНА СИДЕНЬЯ - СИСТЕМА ЗАЩИТЫ ПРИ ОПРОКИДЫВАНИИ

ПЛАСТИНА СИДЕНЬЯ - СИСТЕМА ЗАЩИТЫ ПРИ ОПРОКИДЫВАНИИ

1Артикул: 160102-00008, BASE ASS`Y,SEAT
2Артикул: 220204-00096A, COVER ASS`Y,SEAT BASE
3Артикул: 2120-2166D52, BOLT
Подробнее >
КРЕСЛО - ОБОГРЕВАТЕЛЬ

КРЕСЛО - ОБОГРЕВАТЕЛЬ

1Артикул: 901-00047, SEAT ASS`Y
2Артикул: K9001200, UPPER ASS`Y
3Артикул: K9001201, BACK COVER
Подробнее >
6670 SUPPORT - PRE CLEANER [5194~]

6670 SUPPORT - PRE CLEANER [5194~]

1Артикул: 110958-03376, SUPPORT & BAFFLE ASSY
2Артикул: 110958-03377, SUPPORT
3Артикул: 110958-03377A, SUPPORT
Подробнее >
6681 TMS(NA) - CELLULAR & SATELLITE(V1.5) [5198~]

6681 TMS(NA) - CELLULAR & SATELLITE(V1.5) [5198~]

1Артикул: 300619-03341, ELECTRIC ASSY,TMS1.5
2Артикул: 300619-03138, ELECTRIC ASSY
3Артикул: 300611-00901, . CONTROLLER
Подробнее >
КРЫШКА ТРУБОПРОВОДА - СИСТЕМА ЗАЩИТЫ ПРИ ОПРОКИДЫВАНИИ

КРЫШКА ТРУБОПРОВОДА - СИСТЕМА ЗАЩИТЫ ПРИ ОПРОКИДЫВАНИИ

1Артикул: 110517-00198, COVER ASS`Y,SIDE
2Артикул: 110517-00198A, COVER ASSY,SIDE
3Артикул: 110517-00198B, COVER ASSY,SIDE
Подробнее >
6700 UNDER COVER - WITH CABIN RISER

6700 UNDER COVER - WITH CABIN RISER

1Артикул: 110513-01939, COVER ASSY,UNDER;CABIN RISER
2Артикул: 110513-01931A, COVER,UNDER
3Артикул: 110513-02184, COVER,UNDER
Подробнее >
6460 HANDLE - CABIN(ROPS) [5001~5162]

6460 HANDLE - CABIN(ROPS) [5001~5162]

1Артикул: 110925-00012B, HANDLE ASS`Y;DRIVER
2Артикул: 110925-00382, HANDLE ASSY
3Артикул: 110925-00013B, HANDLE,CABIN;OUTER
Подробнее >
6100 FUEL FILLER PUMP

6100 FUEL FILLER PUMP

1Артикул: K1024952, FUEL FILLER PUMP
2Артикул: 400909-00075, PUMP ASSY,FUEL FILLER
3Артикул: 401-00527, PUMP;FUEL TRANSFER
Подробнее >
6300 CONTROL STAND - L.H(ROPS) [5001~5210]

6300 CONTROL STAND - L.H(ROPS) [5001~5210]

1Артикул: 220111-00032A, STAND ASSY,CONTROL(L.H)
2Артикул: 220111-00032B, STAND ASSY,CONTROL(L.H)
3Артикул: 220111-00032C, STAND ASSY,CONTROL(L.H)
Подробнее >
6580 FUEL HEATER - ROPS [5001~5210]

6580 FUEL HEATER - ROPS [5001~5210]

1Артикул: 300619-00677A, FUEL HEATER,ROPS
2Артикул: 549-00101, SWITCH
3Артикул: K1053326, RELAY
Подробнее >
КАБИНА(4) - СИСТЕМА ЗАЩИТЫ ПРИ ОПРОКИДЫВАНИИ

КАБИНА(4) - СИСТЕМА ЗАЩИТЫ ПРИ ОПРОКИДЫВАНИИ

1Артикул: 220101-00503B, CABIN ASSY;ROPS
2Артикул: 220101-00503E, CABIN ASSY;ROPS
3Артикул: 220101-00503G, CABIN ASSY;ROPS
Подробнее >
6740 TMS - CELLULAR & SATELLITE & ROPS(V2.0) [5198~]

6740 TMS - CELLULAR & SATELLITE & ROPS(V2.0) [5198~]

1Артикул: 300619-04506, ELECTRIC ASSY,TMS2.0
2Артикул: 2120-2166D6, BOLT
3Артикул: 2114-1898D3, WASHER
Подробнее >
ЭЛЕКТРИЧЕСКИЕ ЗАПЧАСТИ - РАБОЧАЯ ФАРА

ЭЛЕКТРИЧЕСКИЕ ЗАПЧАСТИ - РАБОЧАЯ ФАРА

1Артикул: K1044419, ELECTRIC PARTS;WORKING LAMP
2Артикул: 534-00064, LAMP ASS`Y;WORKING
3Артикул: 301005-00132, LAMP,WORKING(HALOGEN)
Подробнее >
6230 ARM - 2.9m [5001~5049]

6230 ARM - 2.9m [5001~5049]

1Артикул: K1037998C, ARM ASS`Y
2Артикул: 230201-00104, ARM ASS`Y
3Артикул: K1037999B, ARM SUB ASS`Y-2.9m
Подробнее >
6685 TMS(NA) - CELLULAR & SATELLITE & ROPS(V1.5) [5198~]

6685 TMS(NA) - CELLULAR & SATELLITE & ROPS(V1.5) [5198~]

1Артикул: 300619-03341, ELECTRIC ASSY,TMS1.5
2Артикул: 300619-03138, ELECTRIC ASSY
3Артикул: 300611-00901, . CONTROLLER
Подробнее >
УСТАНОВКА КАБИНЫ - СИСТЕМА ЗАЩИТЫ ПРИ ОПРОКИДЫВАНИИ

УСТАНОВКА КАБИНЫ - СИСТЕМА ЗАЩИТЫ ПРИ ОПРОКИДЫВАНИИ

1Артикул: 180204-00044B, RUBBER,CABIN MOUNT;ROPS
2Артикул: 180204-00044C, RUBBER,CABIN MOUNT;ROPS
3Артикул: 180204-00044E, RUBBER,CABIN MOUNT
Подробнее >
ГИДРОСИСТЕМА РУКОЯТИ

ГИДРОСИСТЕМА РУКОЯТИ

1Артикул: K1041817A, ARM PIPING
2Артикул: 420212-04549, PIPING,ARM
3Артикул: 420212-08004, ARM PIPING
Подробнее >
СТРЕЛА - 5.7 м

СТРЕЛА - 5.7 м

1Артикул: K1037858E, BOOM ASS`Y
2Артикул: 230207-00081, BOOM ASS`Y
3Артикул: K1037857E, BOOM SUB ASS`Y-5.7M
Подробнее >
ЗАЩИТНЫЙ КОРПУС ПРОТИВОТУМАННЫХ ФАР - СИСТЕМА ЗАЩИТЫ ПРИ ОПРОКИДЫВАНИИ

ЗАЩИТНЫЙ КОРПУС ПРОТИВОТУМАННЫХ ФАР - СИСТЕМА ЗАЩИТЫ ПРИ ОПРОКИДЫВАНИИ

1Артикул: 110944-00003, RISER ASSY,W/O CABIN RISER(ROPS)
2Артикул: 110944-00003A, RISER ASSY,CABIN
3Артикул: 110921-00102, GUARD;FOGS
Подробнее >
ГИДРОСИСТЕМА СТРЕЛЫ

ГИДРОСИСТЕМА СТРЕЛЫ

1Артикул: K1041795, BOOM PIPING
2Артикул: 420212-07897, BOOM PIPING
3Артикул: K1033273, PIPE
Подробнее >
ЭЛЕКТРОПРОВОДКА

ЭЛЕКТРОПРОВОДКА

1Артикул: K1039280A, ELECTRIC WIRING
2Артикул: K1040518B, HARNESS;MAIN
3Артикул: 310207-01179, HARNESS,MAIN
Подробнее >
ТРУБОПРОВОД СМАЗОЧНОЙ СИСТЕМЫ - РУКОЯТЬ

ТРУБОПРОВОД СМАЗОЧНОЙ СИСТЕМЫ - РУКОЯТЬ

1Артикул: K1047299, LUBRICATION PIPING-ARM
2Артикул: 420212-05309, LUBRICATION PIPING - ARM
3Артикул: 420212-08037, PIPING,LUBRICATION
Подробнее >
ГЛАВНАЯ МАГИСТРАЛЬ - EXCA

ГЛАВНАЯ МАГИСТРАЛЬ - EXCA

1Артикул: K1024905B, MAIN PIPING;EXCA FRONT
2Артикул: K1025391, VALVE;CONTROL
3Артикул: 410105-01179, VALVE,MAIN CONTROL
Подробнее >
ПОДСТАВКА ДЛЯ НОГ - ЛЕВОСТОРОННИЙ(СИСТЕМА ЗАЩИТЫ ПРИ ОПРОКИДЫВАНИИ)

ПОДСТАВКА ДЛЯ НОГ - ЛЕВОСТОРОННИЙ(СИСТЕМА ЗАЩИТЫ ПРИ ОПРОКИДЫВАНИИ)

1Артикул: 220107-00005, REST,FOOT(L.H)
2Артикул: 220107-00004, REST,FOOT;BRACKET(LH)
3Артикул: 2120-2166D1, BOLT
Подробнее >
КОВРИК НА ПОЛУ КУЗОВА - СИСТЕМА ЗАЩИТЫ ПРИ ОПРОКИДЫВАНИИ

КОВРИК НА ПОЛУ КУЗОВА - СИСТЕМА ЗАЩИТЫ ПРИ ОПРОКИДЫВАНИИ

1Артикул: 110935-00070, MAT,FLOOR
Подробнее >
ТРУБОПРОВОД СЕРВОУПРАВЛЕНИЯ(3) - СТУПЕНЬКИ В КАБИНУ

ТРУБОПРОВОД СЕРВОУПРАВЛЕНИЯ(3) - СТУПЕНЬКИ В КАБИНУ

1Артикул: K1025045B, PILOT PIPING
2Артикул: 420212-02937, PIPING,PILOT;W/O CABIN RISER
3Артикул: 420212-02937A, PIPING,PILOT;W/O CABIN RISER
Подробнее >
ЭЛЕКТРОПРОВОДКА - СИСТЕМА ЗАЩИТЫ ПРИ ОПРОКИДЫВАНИИ

ЭЛЕКТРОПРОВОДКА - СИСТЕМА ЗАЩИТЫ ПРИ ОПРОКИДЫВАНИИ

1Артикул: 300619-00753, ELECTRIC ASSY;WIRING
2Артикул: 310207-00641A, HARNESS,MAIN
3Артикул: 310207-00641B, HARNESS,MAIN
Подробнее >
КРЫШКА ОБОГРЕВАТЕЛЯ - СИСТЕМА ЗАЩИТЫ ПРИ ОПРОКИДЫВАНИИ

КРЫШКА ОБОГРЕВАТЕЛЯ - СИСТЕМА ЗАЩИТЫ ПРИ ОПРОКИДЫВАНИИ

1Артикул: 220204-00106C, COVER ASSY,CABIN;REAR
2Артикул: 220204-00106E, COVER ASSY,CABIN;REAR
3Артикул: 220204-00106G, COVER ASSY,CABIN;REAR
Подробнее >
6660 AIR CLEANER - PRE CLEANER [5194~]

6660 AIR CLEANER - PRE CLEANER [5194~]

1Артикул: 400414-00515, CLEANER ASSY,AIR
2Артикул: 204-00067, AIR CLEANER
3Артикул: 400414-00547, CLEANER,AIR
Подробнее >
6680 TMS(NA) - CELLULAR & SATELLITE(V1.5) [5198~]

6680 TMS(NA) - CELLULAR & SATELLITE(V1.5) [5198~]

1Артикул: 300619-03341, ELECTRIC ASSY,TMS1.5
2Артикул: 300619-03138, ELECTRIC ASSY
3Артикул: 300611-00901, . CONTROLLER
Подробнее >
РАБОЧАЯ ФАРА(6-ЛАМПЫ) - СИСТЕМА ЗАЩИТЫ ПРИ ОПРОКИДЫВАНИИ

РАБОЧАЯ ФАРА(6-ЛАМПЫ) - СИСТЕМА ЗАЩИТЫ ПРИ ОПРОКИДЫВАНИИ

1Артикул: 300619-00763A, LAMP ASSY,ADDITIONAL WORKING
2Артикул: 300619-00763C, LAMP ASSY,ADDITIONAL WORKING;LL ROPS
3Артикул: 300619-00763E, LAMP ASSY,ADDITIONAL WORKING;LL ROPS
Подробнее >
6695 TMS - CELLULAR & SATELLITE & ROPS(V1.5) [5198~]

6695 TMS - CELLULAR & SATELLITE & ROPS(V1.5) [5198~]

1Артикул: 300619-03342, ELECTRIC ASSY,TMS1.5
2Артикул: 300619-03139, ELECTRIC ASSY;TMS1.5
3Артикул: 300611-00902, . CONTROLLER;TMS1.5
Подробнее >
12 В РАЗЪЕМ - СИСТЕМА ЗАЩИТЫ ПРИ ОПРОКИДЫВАНИИ

12 В РАЗЪЕМ - СИСТЕМА ЗАЩИТЫ ПРИ ОПРОКИДЫВАНИИ

1Артикул: 300619-00774, ELECTRIC ASS`Y;(12V SOCKET)
2Артикул: 300619-00774A, ELECTRIC ASSY
3Артикул: 300612-00001A, CONVERTER,DC
Подробнее >
ЗАЩИТНЫЙ КОРПУС ПРОТИВОТУМАННЫХ ФАР В СБОРЕ

ЗАЩИТНЫЙ КОРПУС ПРОТИВОТУМАННЫХ ФАР В СБОРЕ

1Артикул: K1025110, FOGS GUARD ASS`Y
2Артикул: 110944-00021, RISER ASSY,CABIN;W/O CABIN RISER
3Артикул: K1009318, GUARD;FOGS
Подробнее >
КАБИНА(1) - СИСТЕМА ЗАЩИТЫ ПРИ ОПРОКИДЫВАНИИ

КАБИНА(1) - СИСТЕМА ЗАЩИТЫ ПРИ ОПРОКИДЫВАНИИ

1Артикул: 220101-00503B, CABIN ASSY;ROPS
2Артикул: 220101-00503E, CABIN ASSY;ROPS
3Артикул: 220101-00503G, CABIN ASSY;ROPS
Подробнее >
ЭЛЕКТРИЧЕСКИЕ ЗАПЧАСТИ - КАБИНА(СИСТЕМА ЗАЩИТЫ ПРИ ОПРОКИДЫВАНИИ)

ЭЛЕКТРИЧЕСКИЕ ЗАПЧАСТИ - КАБИНА(СИСТЕМА ЗАЩИТЫ ПРИ ОПРОКИДЫВАНИИ)

1Артикул: 300619-00771A, ELECTRIC ASSY;CABIN
2Артикул: 300619-00771B, ELECTRIC ASSY;CABIN
3Артикул: 300619-00771C, ELECTRIC ASSY;CABIN(ROPS)
Подробнее >
КРЕСЛО - СИСТЕМА ЗАЩИТЫ ПРИ ОПРОКИДЫВАНИИ

КРЕСЛО - СИСТЕМА ЗАЩИТЫ ПРИ ОПРОКИДЫВАНИИ

1Артикул: 220110-00029, SEAT,OPERATOR
2Артикул: 220110-00029B, SEAT,OPERATOR
3Артикул: 220110-00029C, SEAT,OPERATOR
Подробнее >
ЭЛЕКТРИЧЕСКИЕ ЗАПЧАСТИ - ПУЛЬТ УПРАВЛЕНИЯ(СИСТЕМА ЗАЩИТЫ ПРИ ОПРОКИДЫВАНИИ)

ЭЛЕКТРИЧЕСКИЕ ЗАПЧАСТИ - ПУЛЬТ УПРАВЛЕНИЯ(СИСТЕМА ЗАЩИТЫ ПРИ ОПРОКИДЫВАНИИ)

1Артикул: 300619-00696A, ELECTRIC ASSY,STAND;ROPS
2Артикул: 300619-00696B, ELECTRIC ASSY,STAND;ROPS
3Артикул: 300619-00696C, ELECTRIC ASSY,STAND;ROPS
Подробнее >
6240 BUCKET ASS`Y - 0.92mВі

6240 BUCKET ASS`Y - 0.92mВі

1Артикул: K1000321G, BUCKET ASS`Y-0.92гЋҐ
2Артикул: K1000322G, BUCKET-0.92гЋҐ
3Артикул: 2713-1218A, . ADAPTER,TOOTH
Подробнее >
УСТАНОВКА СИДЕНЬЯ - СИСТЕМА ЗАЩИТЫ ПРИ ОПРОКИДЫВАНИИ

УСТАНОВКА СИДЕНЬЯ - СИСТЕМА ЗАЩИТЫ ПРИ ОПРОКИДЫВАНИИ

1Артикул: 220110-00016, SEAT ASS`Y,OPERATER
2Артикул: 220110-00016B, SEAT ASSY,OPERATER
3Артикул: 220110-00016C, SEAT ASSY,OPERATER
Подробнее >
6231 ARM - 2.9m [5050~]

6231 ARM - 2.9m [5050~]

1Артикул: 230201-00104, ARM ASS`Y
2Артикул: 230204-00083G, ARM,MACHINE;2.9M
3Артикул: 230204-00083H, ARM,MACHINE;2.9M
Подробнее >
УСТАНОВКА СИДЕНЬЯ - ОБОГРЕВАТЕЛЬ

УСТАНОВКА СИДЕНЬЯ - ОБОГРЕВАТЕЛЬ

1Артикул: K1002085, SEAT MOUNTING
2Артикул: 901-00047, SEAT ASS`Y
3Артикул: S2208866, BOLT,SOCKET M8X1.25X20
Подробнее >
ТРУБОПРОВОД СЕРВОУПРАВЛЕНИЯ(2) - СТУПЕНЬКИ В КАБИНУ

ТРУБОПРОВОД СЕРВОУПРАВЛЕНИЯ(2) - СТУПЕНЬКИ В КАБИНУ

1Артикул: K1025045B, PILOT PIPING
2Артикул: 420212-02937, PIPING,PILOT;W/O CABIN RISER
3Артикул: 420212-02937A, PIPING,PILOT;W/O CABIN RISER
Подробнее >
ДОПОЛНИТЕЛЬНАЯ ЛАМПА - ЗАЩИТНЫЙ КОРПУС ПРОТИВОТУМАННЫХ ФАР

ДОПОЛНИТЕЛЬНАЯ ЛАМПА - ЗАЩИТНЫЙ КОРПУС ПРОТИВОТУМАННЫХ ФАР

1Артикул: K1041601A, ADDITIONAL WORK LAMP
2Артикул: 300619-01152, LAMP ASSY,ADDITIONAL WORKING
3Артикул: 300619-01152B, LAMP ASSY,ADDITIONAL WORKING;LL NON ROPS
Подробнее >
ЧЕХОЛ КРЫШКИ - ИЗ СТАЛИ(СИСТЕМА ЗАЩИТЫ ПРИ ОПРОКИДЫВАНИИ)

ЧЕХОЛ КРЫШКИ - ИЗ СТАЛИ(СИСТЕМА ЗАЩИТЫ ПРИ ОПРОКИДЫВАНИИ)

1Артикул: 220204-00048, COVER ASS`Y,ROOF STEEL
2Артикул: 220204-00048A, COVER ASSY,ROOF STEEL
3Артикул: K1057196, COVER,CABIN;ROOF STEEL
Подробнее >
6710 TMS - CELLULAR(V2.0) [5198~]

6710 TMS - CELLULAR(V2.0) [5198~]

1Артикул: 300619-04505, ELECTRIC ASSY,TMS2.0
2Артикул: 2120-2166D6, BOLT
3Артикул: 2114-1898D3, WASHER
Подробнее >
ТРУБОПРОВОД СЕРВОУПРАВЛЕНИЯ(4) - СТУПЕНЬКИ В КАБИНУ

ТРУБОПРОВОД СЕРВОУПРАВЛЕНИЯ(4) - СТУПЕНЬКИ В КАБИНУ

1Артикул: K1025045B, PILOT PIPING
2Артикул: 420212-02937, PIPING,PILOT;W/O CABIN RISER
3Артикул: 420212-02937A, PIPING,PILOT;W/O CABIN RISER
Подробнее >
КАБИНА(3) - СИСТЕМА ЗАЩИТЫ ПРИ ОПРОКИДЫВАНИИ

КАБИНА(3) - СИСТЕМА ЗАЩИТЫ ПРИ ОПРОКИДЫВАНИИ

1Артикул: 220101-00503B, CABIN ASSY;ROPS
2Артикул: 220101-00503E, CABIN ASSY;ROPS
3Артикул: 220101-00503G, CABIN ASSY;ROPS
Подробнее >