+7 (701) 588 50 05 Телефон для связи
RU

WhatsApp

Позвонить

ОПЦИОННЫЕ ЗАПЧАСТИ в Алматы

7400 FRONT LUBRICATION PIPING-ARTI.BOOM [1034~]

7400 FRONT LUBRICATION PIPING-ARTI.BOOM [1034~]

1Артикул: 400-00623, FRONT PIPING
2Артикул: 2181-1925, ELBOW
3Артикул: S6710041, NIPPLE,GREASE
Подробнее >
7180 BUCKET-0.81mВі

7180 BUCKET-0.81mВі

1Артикул: 2704-1388B, BUCKET ASS`Y-0.81mВі
2Артикул: -, BUCKET;WELD
3Артикул: 2713-1218, . ADAPTER;TOOTH
Подробнее >
7320 NAME PLATE-ONE & TWO WAY

7320 NAME PLATE-ONE & TWO WAY

1Артикул: 2190-7163, NAME PLATE-ONE & TWO WAY
2Артикул: 2190-3602, PLATE;NAME(KOREAN)
3Артикул: 2190-3603, PLATE;NAME(ENGLISH)
Подробнее >
6191 OUTRIGGER-REAR [1146~]

6191 OUTRIGGER-REAR [1146~]

1Артикул: 2626-1076A, REAR OUTRIGGER ASS`Y
2Артикул: 626-00046A, OUTRIGGER;REAR
3Артикул: 626-00046B, OUTRIGGER;REAR
Подробнее >
6200 OUTRIGGER PIPING-REAR [1001~1145]

6200 OUTRIGGER PIPING-REAR [1001~1145]

1Артикул: 2400-1936, OUTRIGGER PIPING
2Артикул: 2140-1616, PIPE
3Артикул: 2140-1617, PIPE
Подробнее >
7360 PILOT PIPING-ARTI.BOOM [1034~]

7360 PILOT PIPING-ARTI.BOOM [1034~]

1Артикул: 400-00621, PILOT PIPING
2Артикул: 420-00160, VALVE,PEDAL
3Артикул: 420-00347, VALVE;PEDAL
Подробнее >
7150 BUCKET-0.45mВі

7150 BUCKET-0.45mВі

1Артикул: 704-00081A, BUCKET ASS`Y-0.45гЋҐ
2Артикул: -, BUCKET;WELD
3Артикул: 2713-1218, . ADAPTER;TOOTH
Подробнее >
7200 BUCKET-0.66mВі(39`)-SIDE PIN

7200 BUCKET-0.66mВі(39`)-SIDE PIN

1Артикул: 704-00006, BUCKET ASS`Y-0.66гЋҐ(H.D)
2Артикул: 704-00007, BUCKET SUB ASS`Y-0.66гЋҐ
3Артикул: -, . BUCKET;WELD
Подробнее >
7285 BOOM PIPING-ONE & TWO WAY [1075~]

7285 BOOM PIPING-ONE & TWO WAY [1075~]

1Артикул: 400-00925, BOOM PIPING-ONE & TWO WAY
2Артикул: 140-01162, PIPE
3Артикул: 140-01163, PIPE
Подробнее >
КАБИНА-РЕШЕТКА СТЕКЛА

КАБИНА-РЕШЕТКА СТЕКЛА

1Артикул: 622-00011C, CABIN;WINDOW GUARD
2Артикул: 622-00011E, CABIN;WINDOW GUARD
3Артикул: 622-00011H, CABIN;WINDOW GUARD
Подробнее >
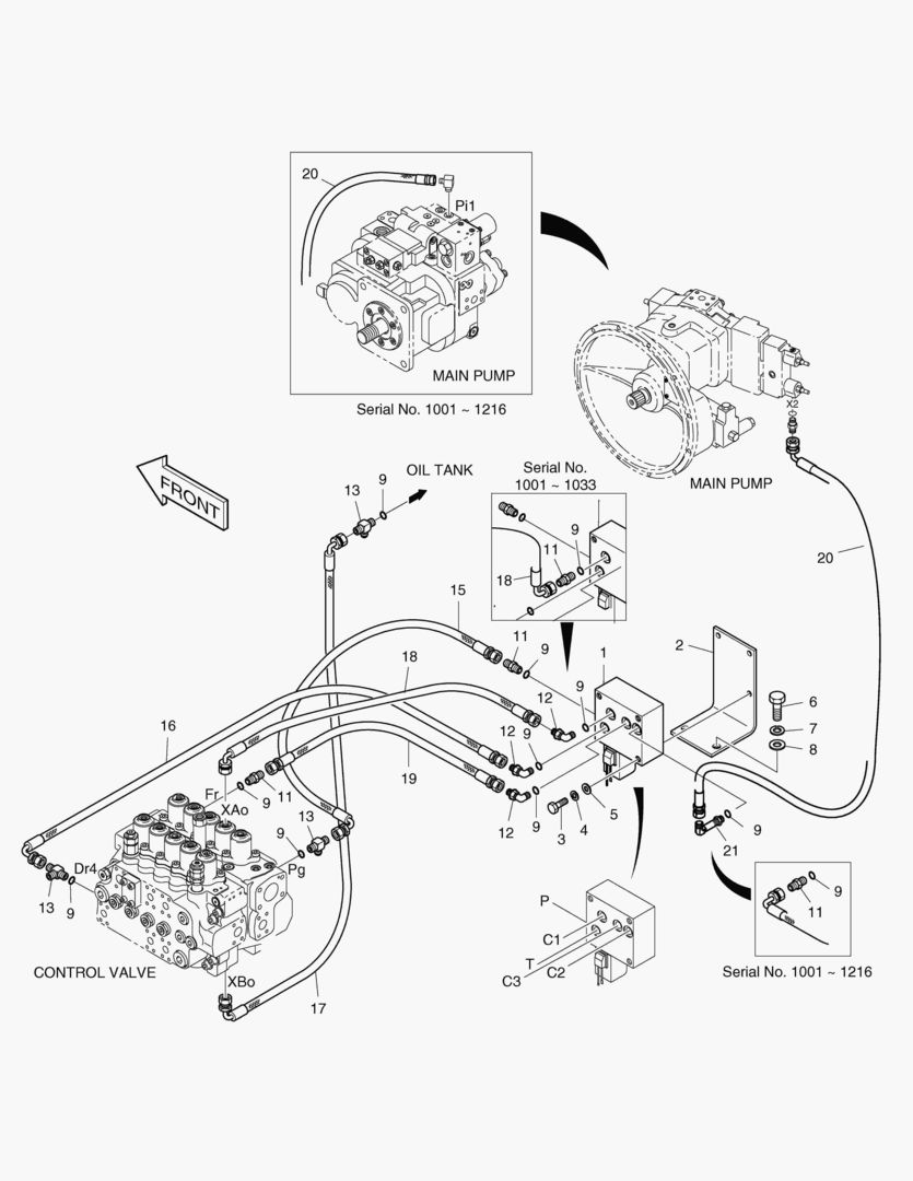
7350 MAIN PIPING-ARTI.BOOM [1034~1139]

7350 MAIN PIPING-ARTI.BOOM [1034~1139]

1Артикул: 400-00620, MAIN PIPING FOR ARTI. BOOM
2Артикул: 2420-9365, VALVE;CONTROL
3Артикул: 423-00089, BLOCK
Подробнее >
НАСОС ЗАЛИВНОЙ ГОРЛОВИНЫ ТОПЛИВА В СБОРЕ

НАСОС ЗАЛИВНОЙ ГОРЛОВИНЫ ТОПЛИВА В СБОРЕ

1Артикул: 241-00011A, FUEL FILLER PUMP ASS`Y
2Артикул: 2401-1278A, PUMP;FUEL FILLER
3Артикул: 2181-2755B, . ADAPTER
Подробнее >
РУКОЯТЬ-2.2 м

РУКОЯТЬ-2.2 м

1Артикул: 701-00033, ARM ASS`Y
2Артикул: 701-00034B, ARM SUB ASS`Y-2.2m
3Артикул: 701-00034C, ARM SUB ASS`Y-2.2m
Подробнее >
ПРОБЛЕСКОВЫЙ МАЯЧОК-ОПЦИЯ

ПРОБЛЕСКОВЫЙ МАЯЧОК-ОПЦИЯ

1Артикул: 2534-1166A, ROTATING BEACON ASS`Y
2Артикул: 2549-9098, SWITCH;ROCKER
3Артикул: K9000353, . LAMP;PILOT
Подробнее >
7420 MAIN PIPING-ONE & TWO WAY(ARTI.BOOM) [1034~]

7420 MAIN PIPING-ONE & TWO WAY(ARTI.BOOM) [1034~]

1Артикул: 400-00625, MAIN PIPING
2Артикул: 140-00148, PIPE
3Артикул: 2420-9633A, VALVE;SWITCH
Подробнее >
7410 LOCK VALVE PIPING-ARTI.BOOM [1034~]

7410 LOCK VALVE PIPING-ARTI.BOOM [1034~]

1Артикул: 400-00624, LOCK VALVE PIPING
2Артикул: 440-00240, BOOM CYLINDER-L.H
3Артикул: 440-00241, BOOM CYLINDER-R.H.
Подробнее >
ВОЗДУХООЧИСТИТЕЛЬ-ОЧИСТИТЕЛЬ

ВОЗДУХООЧИСТИТЕЛЬ-ОЧИСТИТЕЛЬ

1Артикул: 204-00012, AIR CLEANER ASS`Y
2Артикул: 2204-9039A, CLEANER;AIR
3Артикул: 2124-1593A, BAND;AIR CLEANER
Подробнее >
7280 BOOM PIPING-ONE & TWO WAY

7280 BOOM PIPING-ONE & TWO WAY

1Артикул: 400-00189, BOOM PIPING-ONE & TWO WAY
2Артикул: 140-00149, PIPE
3Артикул: 140-00150, PIPE
Подробнее >
7250 BUCKET-0.72гЋҐ(42`)-VERTICAL PIN

7250 BUCKET-0.72гЋҐ(42`)-VERTICAL PIN

1Артикул: 704-00021, BUCKET ASS`Y-0.72гЋҐ(H.D)
2Артикул: 704-00022, BUCKET SUB ASS`Y-0.72гЋҐ
3Артикул: -, . BUCKET;WELD
Подробнее >
РУКОЯТЬ-3.1 м

РУКОЯТЬ-3.1 м

1Артикул: 701-00036, ARM ASS`Y
2Артикул: 701-00037B, ARM SUB ASS`Y-3.1m
3Артикул: 701-00037C, ARM SUB ASS`Y-3.1m
Подробнее >
ЛАМПА В КАБИНЕ-ОПЦИЯ

ЛАМПА В КАБИНЕ-ОПЦИЯ

1Артикул: 2534-1165A, CABIN LAMP ASS`Y
2Артикул: 2534-1127, LAMP;WORKING
3Артикул: 2515-1022D1, . BULB;HALOGEN
Подробнее >
ПЕРЕКЛЮЧАТЕЛЬ ФИЛЬТРЫ ВОЗВРАТА

ПЕРЕКЛЮЧАТЕЛЬ ФИЛЬТРЫ ВОЗВРАТА

1Артикул: 500-00085, RETURN FILTER PRESS. SWITCH
2Артикул: 2549-1135D2, SWITCH;PRESSURE
3Артикул: S8180221, RING;SEAL
Подробнее >
ГИДРОСИСТЕМА РУКОЯТИ-РУКОЯТЬ 2.2 м

ГИДРОСИСТЕМА РУКОЯТИ-РУКОЯТЬ 2.2 м

1Артикул: 400-00194, FRONT PIPING-2.2m ARM
2Артикул: 2184-1196D6, HOSE-1900L
3Артикул: S8030121, O-RING
Подробнее >
7140 BUCKET-0.34mВі

7140 BUCKET-0.34mВі

1Артикул: 704-00079A, BUCKET ASS`Y-0.34гЋҐ
2Артикул: -, BUCKET;WELD
3Артикул: 2713-1218, . ADAPTER;TOOTH
Подробнее >
ФИЛЬТР ШУМА В СБОРЕ-ЕВРОПА

ФИЛЬТР ШУМА В СБОРЕ-ЕВРОПА

1Артикул: 2471-1158, FILTER ASS`Y-EUROPE
2Артикул: 2471-6062, FILTER,NOISE(BLOWER)
3Артикул: 2471-6063, FILTER;NOISE(CONDENSER)
Подробнее >
ПОВОРОТНЫЙ СИГНАЛ-ОПЦИЯ

ПОВОРОТНЫЙ СИГНАЛ-ОПЦИЯ

1Артикул: 2516-1119, SWING ALARM ASS`Y
2Артикул: 2549-9098, SWITCH;ROCKER
3Артикул: K9000353, . LAMP;PILOT
Подробнее >
РАМКА ШАССИ-ПЕРЕДНИЙ БУЛЬДОЗЕР(БОЛТОВОЕ СОЕДИНЕНИЕ)

РАМКА ШАССИ-ПЕРЕДНИЙ БУЛЬДОЗЕР(БОЛТОВОЕ СОЕДИНЕНИЕ)

1Артикул: 2603-1609, CHASSIS FRAME;FRONT DOZER
2Артикул: 2603-1609A, CHASSIS FRAME;FRONT DOZER
3Артикул: 2603-1609B, CHASSIS FRAME;FRONT DOZER
Подробнее >
7210 BUCKET-0.60гЋҐ(36`)-VERTICAL PIN

7210 BUCKET-0.60гЋҐ(36`)-VERTICAL PIN

1Артикул: 704-00009, BUCKET ASS`Y-0.60гЋҐ(H.D)
2Артикул: 704-00010, BUCKET SUB ASS`Y-0.60гЋҐ
3Артикул: -, . BUCKET;WELD
Подробнее >
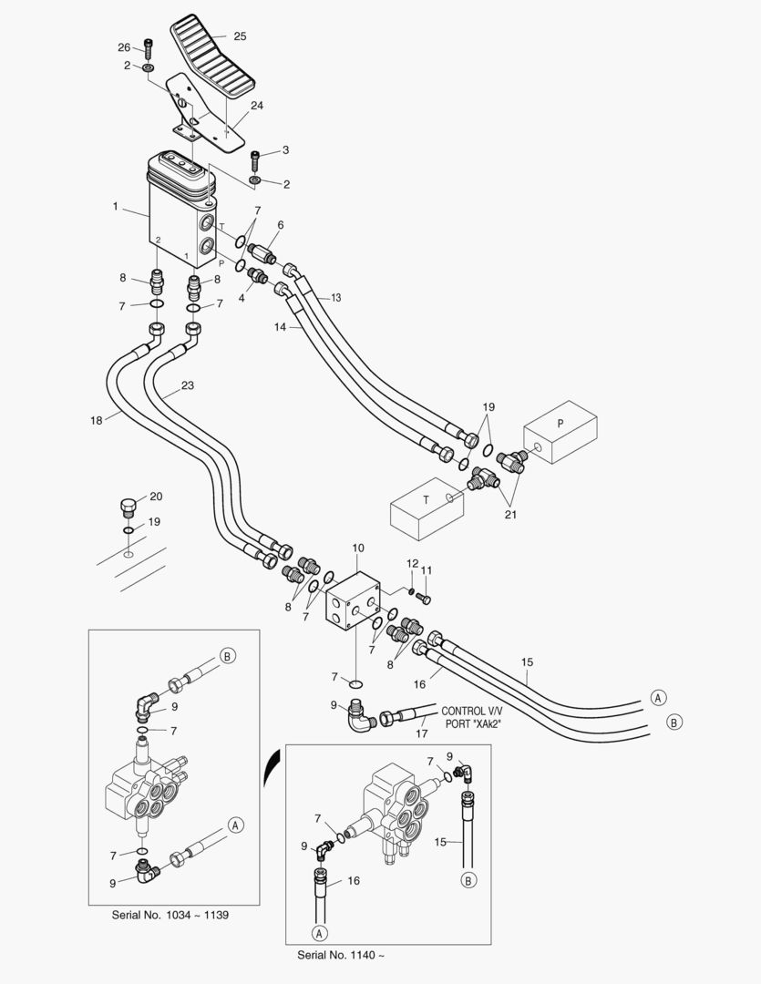
ТРУБОПРОВОД СЕРВОУПРАВЛЕНИЯ-ОДИН ПУТЬ

ТРУБОПРОВОД СЕРВОУПРАВЛЕНИЯ-ОДИН ПУТЬ

1Артикул: 400-00028A, PILOT PIPING-ONE WAY
2Артикул: 2420-9227A, VALVE;BREAKER
3Артикул: 195-00224, BRACKET
Подробнее >
КОМПОНЕНТ ШАССИ-ЭКСПОРТИРУЕМОЕ ОБОРУДОВАНИЕ

КОМПОНЕНТ ШАССИ-ЭКСПОРТИРУЕМОЕ ОБОРУДОВАНИЕ

1Артикул: 230-00015, CHASSIS COMPONENTS
2Артикул: 109-00028B, BEARING;SWING
3Артикул: 109-00028C, BEARING;SWING
Подробнее >
7260 MAIN PIPING-ONE & TWO WAY

7260 MAIN PIPING-ONE & TWO WAY

1Артикул: 400-00188, MAIN PIPING-ONE WAY
2Артикул: 140-00148, PIPE
3Артикул: 2420-9633, VALVE;SWITCH
Подробнее >
7290 ARM PIPING-ARM 2.6m(ONE & TWO WAY)

7290 ARM PIPING-ARM 2.6m(ONE & TWO WAY)

1Артикул: 400-00190, ARM PIPING;ONE & TWO WAY
2Артикул: 2184-1196D77, HOSE PF1-1800L
3Артикул: DS2011321, HOSE PF1-1700L
Подробнее >
7190 BUCKET-0.93mВі

7190 BUCKET-0.93mВі

1Артикул: 2704-1365G, BUCKET ASS`Y-0.93mВі
2Артикул: -, BUCKET;WELD
3Артикул: 2713-1218, . ADAPTER;TOOTH
Подробнее >
7310 ARM PIPING-ARM 3.1m(ONE & TWO WAY)

7310 ARM PIPING-ARM 3.1m(ONE & TWO WAY)

1Артикул: 400-00197, ARM PIPING;ONE & TWO WAY
2Артикул: 2184-1196D162, HOSE PF1-2050L
3Артикул: 2140-1665, PIPE
Подробнее >
7460 FLOOR ASS`Y-ARTI.BOOM [1023~]

7460 FLOOR ASS`Y-ARTI.BOOM [1023~]

1Артикул: 621-01501, FLOOR ASS`Y
2Артикул: 161-00288, MAT;FLOOR
3Артикул: 621-01503A, REST;FOOT
Подробнее >
7440 WORKING LAMP ASS`Y-ARTI.BOOM [1034~]

7440 WORKING LAMP ASS`Y-ARTI.BOOM [1034~]

1Артикул: 534-00057, WORKING LAMP ASS`Y
2Артикул: 2534-1160, LAMP;WORKING
3Артикул: 2515-1022D1, . BULB;HALOGEN
Подробнее >
7470 STAY ASS`Y-ARTI.BOOM [1182~]

7470 STAY ASS`Y-ARTI.BOOM [1182~]

1Артикул: 145-00077, STAY ASS`Y
2Артикул: 2145-1304, STAY
3Артикул: S0561053, BOLT M12X1.75X65
Подробнее >
7380 ARM PIPING-ARM 2.6m(ARTI.BOOM) [1034~]

7380 ARM PIPING-ARM 2.6m(ARTI.BOOM) [1034~]

1Артикул: 400-00630, ARM PIPING-2.6m
2Артикул: 2184-1196D156, HOSE 3/4-1500L
Подробнее >
7351 MAIN PIPING-ARTI.BOOM [1140~]

7351 MAIN PIPING-ARTI.BOOM [1140~]

1Артикул: 400-00620, MAIN PIPING FOR ARTI. BOOM
2Артикул: 2420-9365, VALVE;CONTROL
3Артикул: 195-02061, BRACKET
Подробнее >
7240 BUCKET-0.80mВі(42`)-SIDE PIN

7240 BUCKET-0.80mВі(42`)-SIDE PIN

1Артикул: 704-00018, BUCKET ASS`Y-0.8гЋҐ(H.D)
2Артикул: 704-00019, BUCKET SUB ASS`Y-0.8гЋҐ
3Артикул: -, . BUCKET;WELD
Подробнее >
7220 BUCKET-0.73mВі(36`)-SIDE PIN

7220 BUCKET-0.73mВі(36`)-SIDE PIN

1Артикул: 704-00012, BUCKET ASS`Y-0.73гЋҐ(H.D)
2Артикул: 704-00013, BUCKET SUB ASS`Y-0.73гЋҐ
3Артикул: -, . BUCKET;WELD
Подробнее >
7170 BUCKET-0.7mВі

7170 BUCKET-0.7mВі

1Артикул: 2704-1584A, BUCKET ASS`Y-0.70mВі
2Артикул: -, BUCKET;WELD
3Артикул: 2713-1218, . ADAPTER;TOOTH
Подробнее >
ГИДРОСИСТЕМА РУКОЯТИ-РУКОЯТЬ 3.1 м

ГИДРОСИСТЕМА РУКОЯТИ-РУКОЯТЬ 3.1 м

1Артикул: 400-00195, FRONT PIPING-3.1m ARM
2Артикул: 2184-1196D6, HOSE-1900L
3Артикул: S8030121, O-RING
Подробнее >
ЧЕХОЛ КРЫШКИ

ЧЕХОЛ КРЫШКИ

1Артикул: 621-01040A, SUN ROOF ASS`Y
2Артикул: 621-01039A, COVER ASS`Y;ROOF
3Артикул: 903-00015, GLASS 6.76T
Подробнее >
ТРУБОПРОВОД БУЛЬДОЗЕРА-ПЕРЕДНИЙ БУЛЬДОЗЕР

ТРУБОПРОВОД БУЛЬДОЗЕРА-ПЕРЕДНИЙ БУЛЬДОЗЕР

1Артикул: 2400-2106, BLADE PIPING & OUTRIGGER
2Артикул: S8000181, O-RING
3Артикул: 121-00010D5, NUT
Подробнее >
7160 BUCKET-0.57mВі

7160 BUCKET-0.57mВі

1Артикул: 704-00083A, BUCKET ASS`Y-0.57гЋҐ
2Артикул: -, BUCKET;WELD
3Артикул: 2713-1218, . ADAPTER;TOOTH
Подробнее >
7450 CABIN ASS`Y [1034~1099]

7450 CABIN ASS`Y [1034~1099]

1Артикул: 2622-1528I, CABIN ASS`Y
2Артикул: 2622-1429N, CABIN ASS`Y
3Артикул: 2627-1691C, PLATE;FLOOR PL12
Подробнее >
СОЛНЦЕЗАЩИТНЫЙ КОЗЫРЕК

СОЛНЦЕЗАЩИТНЫЙ КОЗЫРЕК

1Артикул: 464-00039, SUN VISOR ASS`Y
2Артикул: 464-00052, SUN VISOR
3Артикул: S3458602, SCREW M4X0.7X16
Подробнее >
6201 OUTRIGGER PIPING-REAR [1146~]

6201 OUTRIGGER PIPING-REAR [1146~]

1Артикул: 400-00931, REAR OUTRIGGER
2Артикул: DS2023122, HOSE
3Артикул: DS2023123, HOSE
Подробнее >
7230 BUCKET-0.66гЋҐ(39`)-VERTICAL PIN

7230 BUCKET-0.66гЋҐ(39`)-VERTICAL PIN

1Артикул: 704-00015, BUCKET ASS`Y-0.66гЋҐ(H.D)
2Артикул: 704-00016, BUCKET SUB ASS`Y-0.66гЋҐ
3Артикул: -, . BUCKET;WELD
Подробнее >
6180 CHASSIS FRAME-OUTRIGGER(BOLTING) [1001~1145]

6180 CHASSIS FRAME-OUTRIGGER(BOLTING) [1001~1145]

1Артикул: 2603-1608A, CHASSIS FRAME ASS`Y
2Артикул: 2603-1608B, CHASSIS FRAME ASS`Y
3Артикул: 2603-1608E, CHASSIS FRAME ASS`Y
Подробнее >
7370 FRONT PIPING-ARTI.BOOM [1034~]

7370 FRONT PIPING-ARTI.BOOM [1034~]

1Артикул: 400-00622, FRONT PIPING
2Артикул: 440-00238, BOOM CYLINDER-L.H.
3Артикул: 440-00239, BOOM CYLINDER-R.H.
Подробнее >
7430 FRONT PIPING-ONE & TWO WAY(ARTI.BOOM) [1034~]

7430 FRONT PIPING-ONE & TWO WAY(ARTI.BOOM) [1034~]

1Артикул: 400-00626, PIPING;FRONT OPTION FOR ARTI. BOOM
2Артикул: 2184-1196D148, HOSE PF1-2150L
3Артикул: DS2011280, HOSE PF1-2700L
Подробнее >
7390 ARM PIPING-ARM 2.2m(ARTI.BOOM) [1034~]

7390 ARM PIPING-ARM 2.2m(ARTI.BOOM) [1034~]

1Артикул: 400-00629, ARM PIPING-2.2m
2Артикул: 440-00021A, CYLINDER;BUCKET
3Артикул: 440-00021B, CYLINDER;BUCKET
Подробнее >
6190 OUTRIGGER-REAR [1001~1145]

6190 OUTRIGGER-REAR [1001~1145]

1Артикул: 2626-1076A, REAR OUTRIGGER ASS`Y
2Артикул: 2626-1073A, OUTRIGGER;REAR
3Артикул: 2155-1348, LINK
Подробнее >
7340 BOOM ASS`Y [1034~]

7340 BOOM ASS`Y [1034~]

1Артикул: 701-00155, BOOM ASS`Y
2Артикул: 701-00156B, BOOM;UPPER
3Артикул: 701-00143A, BOOM ;LOWER MACH.
Подробнее >
ГИДРОЗАМОК ТРУБОПРОВОДА

ГИДРОЗАМОК ТРУБОПРОВОДА

1Артикул: 400-00191, LOCK VALVE PIPING
2Артикул: 440-00090, BOOM CYLINDER-L.H
3Артикул: 440-00091, BOOM CYLINDER-R.H
Подробнее >
7300 ARM PIPING-ARM 2.2m(ONE & TWO WAY)

7300 ARM PIPING-ARM 2.2m(ONE & TWO WAY)

1Артикул: 400-00196, ARM PIPING;ONE & TWO WAY
2Артикул: 2184-1196D77, HOSE PF1-1800L
3Артикул: 2140-1686, PIPE
Подробнее >